- 您的位置:
- 标准下载网 >>
- 标准分类 >>
- 国家标准(GB) >>
- GB/T 10922-1989 非螺纹密封的管螺纹量规
标准号:
GB/T 10922-1989
标准名称:
非螺纹密封的管螺纹量规
标准类别:
国家标准(GB)
标准状态:
已作废-
发布日期:
1989-03-31 -
实施日期:
1990-01-01 -
作废日期:
2006-08-01 出版语种:
简体中文下载格式:
.rar.pdf下载大小:
283.49 KB
替代情况:
被GB/T 10922-2006代替采标情况:
=ISO 228/2-80

部分标准内容:
中华人民共和国国家标准
非螺纹密封的管螺纹量规
Gauges for pipe threads where pressure-tightjoints are not made on the threads.GB 10922 -89
本标准等效采用国际标准ISO228/2-1980《非螺纹密封的管螺纹---第2部分:用极限量规方法检验》。
主题内容与适用范围
本标准规定了非螺纹密封的管螺纹量规的名称、代号、尺寸、公差、检验方法及标志与包装本标准适用于检验GB7037《非螺纹密封的管螺纹》所规定的管螺纹。2引用标准
GB7307非螺纹密封的管螺纹
3符号
本标准中所应用的符号及其代表的名称或意义见表1。表1
di、b),
The、To
名称或意义
分别为工件外螺纹和工件内螺纹的基本大径分别为工件外螺纹和工件内螺纹的基本中径分别为工件外螺纹和工件内螺纹的基本小径分别为工件外螺纹和T件内螺纹的中径公差工.件外螺纹的大径公差
工件内螺纹的小径公差
每英寸上螺纹的牙数
完螺纹牙型的半角公差
截短螺纹牙型的半角公差
通端和止端螺纹塞规的中径公差通端和止端螺纹环规的中径公差校对螺纹塞规的中径公差
螺纹量规的螺距公差
中华人民共和国机械电子工业部1989-03-13批准1990-01-01实施
4产品分类
GB 10922 ---89
续表1
名称或慧义
山通端螺纹塞规中径公差带的中心线到工件内螺纹中径下偏差之间的距离由通端螺纹环规中径公差带的中心线到工件外螺纹中径上偏差之间的距离由通端螺纹塞规或通端螺纹环规中径公差带的中心线到其磨损极限之闻的距离出止端螺纹塞规或止端螺纹环规中径公差带的中心线到其磨损极限之间的距离出通端或止端螺纹环规中径公差带的中心线分别到“校通-通\螺纹塞规或“校止-通”螺纹塞规中径公差带的中心线之间的距离
工件内螺纹小径用光滑寨规的尺寸公差\件外螺纹大径用光滑环规(或卡规)的尺于公差1件内螺纹小径用通端光滑塞规的尺寸公差带的中心线到工件内螺纹小径下偏差之间的距离工件外螺纹大径用通端光滑环规(或卡规)的尺寸公差带的中心线到工件外螺纹人径上偏差之间的距离
截短的内螺纹牙型大径处或截短的外螺纹牙型小径处的间隙槽宽度在截短螺纹牙型的轴向剖面内,牙侧直线部分顶端(向牙顶侧)与中径线之间的径向距离截短螺纹牙型的间隙槽相对于螺纹牙型的允许偏移量检验1.件外螺纹大径用光滑环规(或卡规)的校对量规尺寸公券牙顶的圆弧半径
牙圆孤高的两倍
4.1根据使用性能分为工作螺纹量规和校对螺纹量规。工作螺纹规系指操作者在制造工件螺纹过程中所用的螺纹量规。校对螺纹量规系指在制造工作螺纹量规时和检验使用中的工作螺纹量规是否出经磨损所用的螺纹量规。
4.2螺纹量规以及检验.1件内螺纹小径和工件外螺纹大径用量规的名称、代号、功能、特征及使用规则见表2。
量规名称
通端螺纹塞规
止端螺纹塞规
内螺纹小径用
通端光滑塞规
内螺纹小径用
止端光滑塞规
通端螺纹环规
让端螺纹环规
外螺纹人径用
通端环规或卡规
外螺纹大径用
止端环规或卡规
“校通-通”
螺纹塞规
“校通止”
螺纹塞规
“校通损”
螺纹塞规
“校止-通”
螺纹塞规
“校止-止”
螺纹塞规
“校止-损”
螺纹塞规
GB 10922
作用中径及大径
单-中径
件内螺纹
完整的外
螺纹牙型
截短的外螺纹牙型
外圆柱面
作用中径及小径,完整的外螺纹牙型单--中径
工件外螺纹
作用中径
使用中
单一中径
使用中
注:1)两个螺距是在退山量规时测定。2)…个螺距是在退出校对塞规时测定。截短的内
螺纹牙型
内圆柱面
或平行的
两个平面
完整的外
螺纹牙型
截短的外
螺纹牙型
完整的外
螺纹牙型
使用现迎
应与工件内螺纹旋合通过
充许与工件内螺纹两端的螺纹部分旋合,旋合量应不超过两个螺距对于三个或少下三个螺距的「作内蝶纹,不应完全旋合通过
应通过工件内螺纹小征bZxz.net
可以进入工件内螺纹小径的两端、选入量不得超过个螺距
应与工件外螺纹旋含通边
允许与工件外螺纹两端的螺纹部分旋合,旋合量应不超过两个螺。对于三个或少于三个螺距的[作外螺纹,不应完全旋合通过
应通过工件外螺纹大径
不应通过工件外螺纹大径
应与通端螺纹环规旋合通过
允许与通端螺纹环规两端的螺纹部分旋合,但旋合量应不超过个螺距
应与止端螺纹环规旋合通过
允许与止端螺纹环规两端的螺纹部分旋合,旋合量应不超过一个螺距173
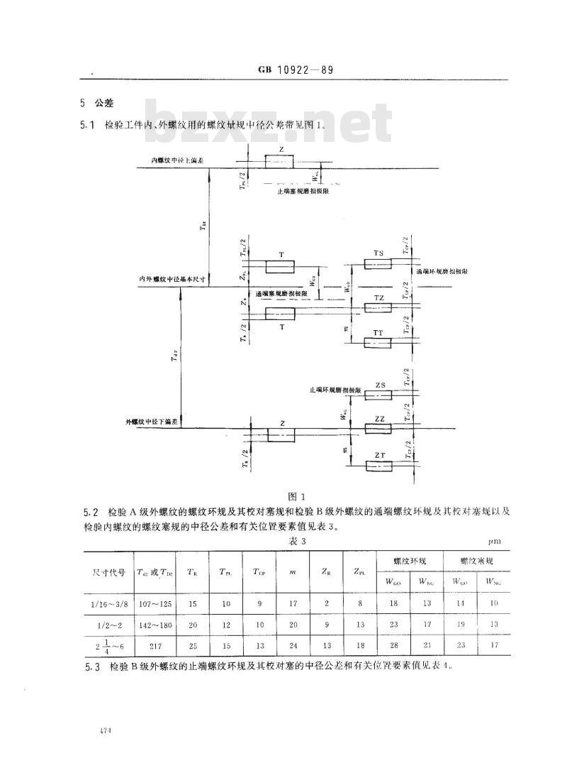
5公差
GB1092289
5.1检验工件内、外螺纹用的螺纹规中径公差带见图1、z
内螺纹中径上偏差
内外螺纹中径基本尺寸
外螺纹中径下偏差
止端塞规磨损极限
通端塞规糖损极限
止端环规磨损极限
通端环规磨摄极限
5.2检验A级外螺纹的螺纹环规及其校对塞规和检验B级外螺纹的通端螺纹环规及其校对塞规以及检验内螺纹的螺纹塞规的中径公差和有关位置要素值见表3。表3
尺寸代号
1/16~3/8
Taz或Tma
107~125
142~180
螺纹环规
螺纹寒规
检验B级外螺纹的止端螺纹环规及其校对塞的中径公差和有关位置要素值见表1。474
尺寸代号
1/16~~7/8
1~~6
214~284
360-434
GB10922-89
5.4检验工件外螺纹大径用量规尺寸公差带见图2。工件外螺纹大径上偏差
工件外螺纹大径下偏差
5.5检验工件内螺纹小径用量规尺寸公差带见图3。工件内螺纹小径上偏差
工件内螺纹小径下偏差
5检验工件外螺纹大径用光滑极限量规的尺寸公差和有关位置要素值见表5。5.6
尺于代号
1/16--7/8
211-~284
360~434
GB10922
5.7检验1件内螺纹小径用光滑极限量规的尺寸公差和有关位置要素值见表6。表6
尺小代号
1/16~1/8
445610
螺纹规牙型半角偏差和螺距偏差见表7。尺小代号
1/16~1/8
1/4~3/8
1/2~~7/8
完整螺纹牙型的半角偏差T。2
截短螺纹牙型的半角偏差\?
注:螺距偏差Tp适用于螺纹量规螺纹长度内任意个螺距。6螺纹量规的螺纹牙型
6.1完整的螺纹牙型
6.1.1通端螺纹环规的螺纹牙型见图4,本标准对牙底形状不做规定。6.1.2通端螺纹塞规的螺纹牙型见图5,本标准对牙底形状不做规定。6.1.3图4和图5的牙项圆弧要素值见表8。38
螺距偏差了
6.1.4“校通-通”螺纹塞规、“校止-通”螺纹塞规、“校止-止\螺纹塞规和“校止-损”螺纹塞规的螺纹牙型见图6,本标准对牙底形状不做规定。176
尺小代号
1/4,3/8
1/2~7/8
GB 10922-89
注:尺小代号为1/16和1/8的通端螺纹塞规和通端螺纹环规,其牙顶允许不带圆弧。27.5
一幢一般~
6.2截短的螺纹牙型
6.2.1止端螺纹环规的螺纹牙型见图7。0.134
GB10922---89
间原橙深于大径mi
6.2.2止端螺纹塞规、“校通-止\螺纹塞规和“校通-损”螺纹塞规的螺纹牙型见图8,27.51
间隙槽深于小径max
6.3间隙槽偏移量
图7和图8中有关要素值见表9。
6.3.1间隙槽的形状由制造者确定。「表9
尺寸代号
1/16,1/8
1/4,3/8
1/2~~7/8
基本尺寸
极限偏差
-个偏移量S,见图9和表10,当实际偏移量S'小于允许的偏6.3.2间隙槽相对于螺纹牙型允许有移量S时,则b的上偏差可以增大,其增人值等于允许偏移量S与实际偏移量S\之差的两倍。478
尺寸代号
1/16、1/8
1/2~7/8
技术要求
GB 10922
间隙槽的中心线
熏纹乐形的中心线
7.1本标准规定的数值是以标的测量条件为准,即温度为20℃、测量力为零。S
7.2螺纹量规两端的不完整扣修正至全牙形为止,其中尺寸代号为1/16、1/8的塞规和尺寸代号为1/16、1/8、1/4、3/8的环规允许倒角。7.3螺纹量规的测量面不应有锈迹、毛刺、黑斑、划痕等明显影响外观和影响使用质量的缺陷,其他表面不应有锈蚀和裂纹。
螺纹量规的测头与手柄的连接应牢固可靠,在使用过程中不应有松动和脱落现象。7.4
螺纹量规可用合金工具钢、碳素工具钢及其他耐磨材料制造。测量面的硬度应为HV664~8667.5
7.6螺纹量规应经过稳定性处理。7.7
螺纹量规的表面粗糙度如下:
牙侧表面
螺纹塞规和校对螺纹塞规大径以及螺纹环规小径量规尺寸计算
螺纹量规大径,中径、小径的计算公式见表11。0. 4 μm
量规名称
通端螺纹
止端螺纹
通端螺纹
“校通-通”
螺纹塞规
“校通-止”
螺纹塞规
“校通-损”
螺纹塞规
止端螺纹
“校止-通”
螺纹塞规
基本尺寸
D+Tu./21)
D-- Tha +
T./2 - 0. 2p
u— T\/2
“校止-止”
螺纹塞规
“校止-损”
螺纹塞规
dg x +
Tr/2+0.2P
d + Tm
d -- Ta
d Tax
TR/2 -W
极限偏差
± Tpl./2
GB1092289
基本尺于
D. + Zpl.
D, Txa + Tpl./2
dz- Zk
ZR+Te/2
d, Z+Wen
>d + Tpr.
d, -- Td2 — Tk/2
de - Taz -
Tr/2-m
dg Ta2
TR/2+WnG
极限偏差
1Tep/2
±Tep/2
±TR/2
± Tep/2
±Tcp/2
±Tep/2
基本尺寸
d: . Tk/2e
d, - Tpl.
dg Ta2
Tr/2 -- 0.2p
极限偏差
注:1)尺寸代号为1/16、1/8的通端螺纹塞规的大径可不带圆弧,其尺寸的计算公式为(D7./2)=Tm/2。2)尺寸代号为1/16、1/8的通端螺纹环规的小径可不带圆弧,其尺寸的计算公式为(d,μ十Tk/2)±T/2。8.2外螺纹大径用量规和内螺纹小径用量规尺寸计算公式见表12。480
量规名称
内螺纹小径用通端塞规
内螺纹小径用止端塞规
外螺纹大径用通端环规
外螺纹大径用止端环规
9螺纹量规的检验
9.1螺纹塞规的检验
GB 10922-89
基本尺小
极限偏差
用三针测量方法测出螺纹塞规的实际中径。螺纹塞规大径用杠杆比较仪测量,以四等量块校准比较仪,把量规放在平台上进行测量。螺纹寒规的牙型半角和螺距偏差用万能工具显微镜检查。螺纹塞规的小径用方能工具显微镜检查9.2螺纹环规的检验
螺纹环规的小径用光滑极限量规检查。螺纹环规的中径、大径、半角、螺距用校对螺纹塞规进行综合检查。10标志与包装
螺纹量规或光滑极限量规和产品包装盒1应标志:10.1
制造厂广名或注册商标:
螺纹代号(按GB7307),通端螺纹量规可不标公差带代号:b.
螺纹量规代号或光滑极限量规代号;d.出)年号(产品包装盒1可不标志),对于尺寸代号为1/16、1/8、1/1的螺纹塞规或光滑塞规,上述内容可以标志在手柄1:尚单独供时,应附有上述内容的标牌。
10.2螺纹量规或光滑极限量规在包装前应经防锈处理,并要善包装。不得因包装不善而在送输过净中损坏产品。
10.3螺纹量规或光滑极限量规经检定符合本标准要求的应附有产品台格证,产品合格证1应有本标准的标准号和出」‘日期。
GB 10922
附录A
平顶通端螺纹塞规和平顶通端螺纹环规(补充件)
螺纹量规名称、代号、功能、特征、使用性能见表A1。A1
量规名称
平顶通端
螺纹塞规
平预通端
螺纹环规
检验部位及功能
工件内螺纹
作用中径
工件外螺纹
作用中径
完整的外
螺纹牙型
完整的内
螺纹牙型
平顶通端螺纹塞规的牙型按图6。平顶通端螺纹环规的螺纹牙型按图A1。A2
平顶通端螺纹塞规和平顶通端螺纹环规公差按第5章。平顶通端螺纹塞规和平顶通端螺纹环规的人径、中径、小径的计算公式见表A2。表A2
规名称代号
平顶通端
螺纹塞规
平顶通端
螺纹环规
基本尺寸
D)T/2
极限偏差
基本尺寸
注:1)u为圆弧高的两倍,各尺寸代号的u值见表8。482
极限偏差
+Tpl/2
使用规则
应与工件内螺
纹旋合通过
应与工件外螺
纹旋合通过
基本尺寸
极限偏羞
小提示:此标准内容仅展示完整标准里的部分截取内容,若需要完整标准请到上方自行免费下载完整标准文档。
非螺纹密封的管螺纹量规
Gauges for pipe threads where pressure-tightjoints are not made on the threads.GB 10922 -89
本标准等效采用国际标准ISO228/2-1980《非螺纹密封的管螺纹---第2部分:用极限量规方法检验》。
主题内容与适用范围
本标准规定了非螺纹密封的管螺纹量规的名称、代号、尺寸、公差、检验方法及标志与包装本标准适用于检验GB7037《非螺纹密封的管螺纹》所规定的管螺纹。2引用标准
GB7307非螺纹密封的管螺纹
3符号
本标准中所应用的符号及其代表的名称或意义见表1。表1
di、b),
The、To
名称或意义
分别为工件外螺纹和工件内螺纹的基本大径分别为工件外螺纹和工件内螺纹的基本中径分别为工件外螺纹和工件内螺纹的基本小径分别为工件外螺纹和T件内螺纹的中径公差工.件外螺纹的大径公差
工件内螺纹的小径公差
每英寸上螺纹的牙数
完螺纹牙型的半角公差
截短螺纹牙型的半角公差
通端和止端螺纹塞规的中径公差通端和止端螺纹环规的中径公差校对螺纹塞规的中径公差
螺纹量规的螺距公差
中华人民共和国机械电子工业部1989-03-13批准1990-01-01实施
4产品分类
GB 10922 ---89
续表1
名称或慧义
山通端螺纹塞规中径公差带的中心线到工件内螺纹中径下偏差之间的距离由通端螺纹环规中径公差带的中心线到工件外螺纹中径上偏差之间的距离由通端螺纹塞规或通端螺纹环规中径公差带的中心线到其磨损极限之闻的距离出止端螺纹塞规或止端螺纹环规中径公差带的中心线到其磨损极限之间的距离出通端或止端螺纹环规中径公差带的中心线分别到“校通-通\螺纹塞规或“校止-通”螺纹塞规中径公差带的中心线之间的距离
工件内螺纹小径用光滑寨规的尺寸公差\件外螺纹大径用光滑环规(或卡规)的尺于公差1件内螺纹小径用通端光滑塞规的尺寸公差带的中心线到工件内螺纹小径下偏差之间的距离工件外螺纹大径用通端光滑环规(或卡规)的尺寸公差带的中心线到工件外螺纹人径上偏差之间的距离
截短的内螺纹牙型大径处或截短的外螺纹牙型小径处的间隙槽宽度在截短螺纹牙型的轴向剖面内,牙侧直线部分顶端(向牙顶侧)与中径线之间的径向距离截短螺纹牙型的间隙槽相对于螺纹牙型的允许偏移量检验1.件外螺纹大径用光滑环规(或卡规)的校对量规尺寸公券牙顶的圆弧半径
牙圆孤高的两倍
4.1根据使用性能分为工作螺纹量规和校对螺纹量规。工作螺纹规系指操作者在制造工件螺纹过程中所用的螺纹量规。校对螺纹量规系指在制造工作螺纹量规时和检验使用中的工作螺纹量规是否出经磨损所用的螺纹量规。
4.2螺纹量规以及检验.1件内螺纹小径和工件外螺纹大径用量规的名称、代号、功能、特征及使用规则见表2。
量规名称
通端螺纹塞规
止端螺纹塞规
内螺纹小径用
通端光滑塞规
内螺纹小径用
止端光滑塞规
通端螺纹环规
让端螺纹环规
外螺纹人径用
通端环规或卡规
外螺纹大径用
止端环规或卡规
“校通-通”
螺纹塞规
“校通止”
螺纹塞规
“校通损”
螺纹塞规
“校止-通”
螺纹塞规
“校止-止”
螺纹塞规
“校止-损”
螺纹塞规
GB 10922
作用中径及大径
单-中径
件内螺纹
完整的外
螺纹牙型
截短的外螺纹牙型
外圆柱面
作用中径及小径,完整的外螺纹牙型单--中径
工件外螺纹
作用中径
使用中
单一中径
使用中
注:1)两个螺距是在退山量规时测定。2)…个螺距是在退出校对塞规时测定。截短的内
螺纹牙型
内圆柱面
或平行的
两个平面
完整的外
螺纹牙型
截短的外
螺纹牙型
完整的外
螺纹牙型
使用现迎
应与工件内螺纹旋合通过
充许与工件内螺纹两端的螺纹部分旋合,旋合量应不超过两个螺距对于三个或少下三个螺距的「作内蝶纹,不应完全旋合通过
应通过工件内螺纹小征bZxz.net
可以进入工件内螺纹小径的两端、选入量不得超过个螺距
应与工件外螺纹旋含通边
允许与工件外螺纹两端的螺纹部分旋合,旋合量应不超过两个螺。对于三个或少于三个螺距的[作外螺纹,不应完全旋合通过
应通过工件外螺纹大径
不应通过工件外螺纹大径
应与通端螺纹环规旋合通过
允许与通端螺纹环规两端的螺纹部分旋合,但旋合量应不超过个螺距
应与止端螺纹环规旋合通过
允许与止端螺纹环规两端的螺纹部分旋合,旋合量应不超过一个螺距173
5公差
GB1092289
5.1检验工件内、外螺纹用的螺纹规中径公差带见图1、z
内螺纹中径上偏差
内外螺纹中径基本尺寸
外螺纹中径下偏差
止端塞规磨损极限
通端塞规糖损极限
止端环规磨损极限
通端环规磨摄极限
5.2检验A级外螺纹的螺纹环规及其校对塞规和检验B级外螺纹的通端螺纹环规及其校对塞规以及检验内螺纹的螺纹塞规的中径公差和有关位置要素值见表3。表3
尺寸代号
1/16~3/8
Taz或Tma
107~125
142~180
螺纹环规
螺纹寒规
检验B级外螺纹的止端螺纹环规及其校对塞的中径公差和有关位置要素值见表1。474
尺寸代号
1/16~~7/8
1~~6
214~284
360-434
GB10922-89
5.4检验工件外螺纹大径用量规尺寸公差带见图2。工件外螺纹大径上偏差
工件外螺纹大径下偏差
5.5检验工件内螺纹小径用量规尺寸公差带见图3。工件内螺纹小径上偏差
工件内螺纹小径下偏差
5检验工件外螺纹大径用光滑极限量规的尺寸公差和有关位置要素值见表5。5.6
尺于代号
1/16--7/8
211-~284
360~434
GB10922
5.7检验1件内螺纹小径用光滑极限量规的尺寸公差和有关位置要素值见表6。表6
尺小代号
1/16~1/8
445610
螺纹规牙型半角偏差和螺距偏差见表7。尺小代号
1/16~1/8
1/4~3/8
1/2~~7/8
完整螺纹牙型的半角偏差T。2
截短螺纹牙型的半角偏差\?
注:螺距偏差Tp适用于螺纹量规螺纹长度内任意个螺距。6螺纹量规的螺纹牙型
6.1完整的螺纹牙型
6.1.1通端螺纹环规的螺纹牙型见图4,本标准对牙底形状不做规定。6.1.2通端螺纹塞规的螺纹牙型见图5,本标准对牙底形状不做规定。6.1.3图4和图5的牙项圆弧要素值见表8。38
螺距偏差了
6.1.4“校通-通”螺纹塞规、“校止-通”螺纹塞规、“校止-止\螺纹塞规和“校止-损”螺纹塞规的螺纹牙型见图6,本标准对牙底形状不做规定。176
尺小代号
1/4,3/8
1/2~7/8
GB 10922-89
注:尺小代号为1/16和1/8的通端螺纹塞规和通端螺纹环规,其牙顶允许不带圆弧。27.5
一幢一般~
6.2截短的螺纹牙型
6.2.1止端螺纹环规的螺纹牙型见图7。0.134
GB10922---89
间原橙深于大径mi
6.2.2止端螺纹塞规、“校通-止\螺纹塞规和“校通-损”螺纹塞规的螺纹牙型见图8,27.51
间隙槽深于小径max
6.3间隙槽偏移量
图7和图8中有关要素值见表9。
6.3.1间隙槽的形状由制造者确定。「表9
尺寸代号
1/16,1/8
1/4,3/8
1/2~~7/8
基本尺寸
极限偏差
-个偏移量S,见图9和表10,当实际偏移量S'小于允许的偏6.3.2间隙槽相对于螺纹牙型允许有移量S时,则b的上偏差可以增大,其增人值等于允许偏移量S与实际偏移量S\之差的两倍。478
尺寸代号
1/16、1/8
1/2~7/8
技术要求
GB 10922
间隙槽的中心线
熏纹乐形的中心线
7.1本标准规定的数值是以标的测量条件为准,即温度为20℃、测量力为零。S
7.2螺纹量规两端的不完整扣修正至全牙形为止,其中尺寸代号为1/16、1/8的塞规和尺寸代号为1/16、1/8、1/4、3/8的环规允许倒角。7.3螺纹量规的测量面不应有锈迹、毛刺、黑斑、划痕等明显影响外观和影响使用质量的缺陷,其他表面不应有锈蚀和裂纹。
螺纹量规的测头与手柄的连接应牢固可靠,在使用过程中不应有松动和脱落现象。7.4
螺纹量规可用合金工具钢、碳素工具钢及其他耐磨材料制造。测量面的硬度应为HV664~8667.5
7.6螺纹量规应经过稳定性处理。7.7
螺纹量规的表面粗糙度如下:
牙侧表面
螺纹塞规和校对螺纹塞规大径以及螺纹环规小径量规尺寸计算
螺纹量规大径,中径、小径的计算公式见表11。0. 4 μm
量规名称
通端螺纹
止端螺纹
通端螺纹
“校通-通”
螺纹塞规
“校通-止”
螺纹塞规
“校通-损”
螺纹塞规
止端螺纹
“校止-通”
螺纹塞规
基本尺寸
D+Tu./21)
D-- Tha +
T./2 - 0. 2p
u— T\/2
“校止-止”
螺纹塞规
“校止-损”
螺纹塞规
dg x +
Tr/2+0.2P
d + Tm
d -- Ta
d Tax
TR/2 -W
极限偏差
± Tpl./2
GB1092289
基本尺于
D. + Zpl.
D, Txa + Tpl./2
dz- Zk
ZR+Te/2
d, Z+Wen
>d + Tpr.
d, -- Td2 — Tk/2
de - Taz -
Tr/2-m
dg Ta2
TR/2+WnG
极限偏差
1Tep/2
±Tep/2
±TR/2
± Tep/2
±Tcp/2
±Tep/2
基本尺寸
d: . Tk/2e
d, - Tpl.
dg Ta2
Tr/2 -- 0.2p
极限偏差
注:1)尺寸代号为1/16、1/8的通端螺纹塞规的大径可不带圆弧,其尺寸的计算公式为(D7./2)=Tm/2。2)尺寸代号为1/16、1/8的通端螺纹环规的小径可不带圆弧,其尺寸的计算公式为(d,μ十Tk/2)±T/2。8.2外螺纹大径用量规和内螺纹小径用量规尺寸计算公式见表12。480
量规名称
内螺纹小径用通端塞规
内螺纹小径用止端塞规
外螺纹大径用通端环规
外螺纹大径用止端环规
9螺纹量规的检验
9.1螺纹塞规的检验
GB 10922-89
基本尺小
极限偏差
用三针测量方法测出螺纹塞规的实际中径。螺纹塞规大径用杠杆比较仪测量,以四等量块校准比较仪,把量规放在平台上进行测量。螺纹寒规的牙型半角和螺距偏差用万能工具显微镜检查。螺纹塞规的小径用方能工具显微镜检查9.2螺纹环规的检验
螺纹环规的小径用光滑极限量规检查。螺纹环规的中径、大径、半角、螺距用校对螺纹塞规进行综合检查。10标志与包装
螺纹量规或光滑极限量规和产品包装盒1应标志:10.1
制造厂广名或注册商标:
螺纹代号(按GB7307),通端螺纹量规可不标公差带代号:b.
螺纹量规代号或光滑极限量规代号;d.出)年号(产品包装盒1可不标志),对于尺寸代号为1/16、1/8、1/1的螺纹塞规或光滑塞规,上述内容可以标志在手柄1:尚单独供时,应附有上述内容的标牌。
10.2螺纹量规或光滑极限量规在包装前应经防锈处理,并要善包装。不得因包装不善而在送输过净中损坏产品。
10.3螺纹量规或光滑极限量规经检定符合本标准要求的应附有产品台格证,产品合格证1应有本标准的标准号和出」‘日期。
GB 10922
附录A
平顶通端螺纹塞规和平顶通端螺纹环规(补充件)
螺纹量规名称、代号、功能、特征、使用性能见表A1。A1
量规名称
平顶通端
螺纹塞规
平预通端
螺纹环规
检验部位及功能
工件内螺纹
作用中径
工件外螺纹
作用中径
完整的外
螺纹牙型
完整的内
螺纹牙型
平顶通端螺纹塞规的牙型按图6。平顶通端螺纹环规的螺纹牙型按图A1。A2
平顶通端螺纹塞规和平顶通端螺纹环规公差按第5章。平顶通端螺纹塞规和平顶通端螺纹环规的人径、中径、小径的计算公式见表A2。表A2
规名称代号
平顶通端
螺纹塞规
平顶通端
螺纹环规
基本尺寸
D)T/2
极限偏差
基本尺寸
注:1)u为圆弧高的两倍,各尺寸代号的u值见表8。482
极限偏差
+Tpl/2
使用规则
应与工件内螺
纹旋合通过
应与工件外螺
纹旋合通过
基本尺寸
极限偏羞
小提示:此标准内容仅展示完整标准里的部分截取内容,若需要完整标准请到上方自行免费下载完整标准文档。

标准图片预览:





- 其它标准
- 热门标准
- 国家标准(GB)
- GB/T9146-1988 商品紧固件的粗糙级精度普通螺纹极限尺寸
- GB/T34077.3-2021 基于云计算的电子政务公共平台管理规范第3部分:运行保障管理
- GB/T2828.1-2012 计数抽样检验程序 第1部分:按接收质量限(AQL)检索的逐批检验抽样计划
- GB/T10574.1-1989 锡铅焊料化学分析方法 碘酸钾滴定法测定锡量
- GB/T38972-2020 增材制造用硼化钛颗粒增强铝合金粉
- GB/T3289.25-1982 可锻铸铁管路连接件型式尺寸 偏心异径外接头
- GB/T3289.26-1982 可锻铸铁管路连接件型式尺寸 内接头
- GB/T21666-2008 尿吸收辅助器具 评价的一般指南
- GB/T33049-2016 偏光片用光学薄膜 涂层附着力的测定方法
- GB/T43772-2024 电子气体 二氧化碳
- GB/T14929.2-1994 花生仁、棉籽油、花生油中涕灭威残留量测定方法
- GB/T11982.2-1996 聚氯乙烯卷材地板 第2部分:有基材有背涂层聚氯乙烯卷材地板
- GB/T11132-2008 液体石油产品烃类的测定 荧光指示剂吸附法
- GB/T22807-2008 皮革和毛皮 化学试验 六价铬含量的测定
- GB50508-2010 涤纶工厂设计规范
- 行业新闻
请牢记:“bzxz.net”即是“标准下载”四个汉字汉语拼音首字母与国际顶级域名“.net”的组合。 ©2009 标准下载网 www.bzxz.net 本站邮件:bzxznet@163.com
网站备案号:湘ICP备2023016450号-1
网站备案号:湘ICP备2023016450号-1