- 您的位置:
- 标准下载网 >>
- 标准分类 >>
- 林业行业标准(LY) >>
- LY/T 1580-2000 定向刨花板
标准号:
LY/T 1580-2000
标准名称:
定向刨花板
标准类别:
林业行业标准(LY)
标准状态:
现行-
发布日期:
2000-11-10 -
实施日期:
2001-02-01 出版语种:
简体中文下载格式:
.rar.pdf下载大小:
182.55 KB
点击下载
标准简介:
标准下载解压密码:www.bzxz.net
本标准规定了定向刨花板的定义、分类、技术要求、试验方法、检验规则及标志、包装和运输。本标准适用于3.1中所定义的定向刨花板。 LY/T 1580-2000 定向刨花板 LY/T1580-2000
部分标准内容:
中华人民共和国林业行业标准
LY/T 7580—2000
定向刨花板
Oriented strand board
2000- 11-10 发布
国家林业局发布
2001-02-01 实施
LY/T1580—2000
本标准非等效采用欧洲共同体标准EN3001997《定向创花板定义、分类和技术要求,部分技术指标测定方法引用GB/T17657—1999《人造板及饰面人造板理化性能试验方法》。定向创花板是一种士要用作结构材的人造板。为推动其在我国的发展,使得产品规范化,迫切需要制定产品标准。前国内尚光该产品的标准,国外有加拿大定向刨花板和华夫板标准(CAV3-04370-M85,StandatrdsonOSBandwaferboard)及欧洲共尚体定向创花板标准(EN300-1997,Orientedstrandboard)。鉴于后者系1997年颁布实施,代表当代世界水平,且产品适用于室外型及室内型,标准的内容符合我国国情。经分析研究,决定非等效采用EN 300一1997标准。本标准的附录 A、附录B 是标准的附录。本标准从2001年2月1日起实施。本标准山全国人造板标推化技术委员会提出并归口。本标准由南京林业大学人造板研究所负责起草。本标推主要起草人:华毓坤、周定国、徐咏兰、邓玉和、金菊巍。1范围
中华人民共和国林业行业标准
定向刨花板
Oriented strand board
LY/T1580--2000
本标准规定了定向刨花板的定义、分类、技术要求、试验方法、检验规则及标志、包装和运输。本标准适用于 3.1中所定义的定间刨花板。2引用标准
下列标准所包含的条文,通过在本标准中引用而构成为本标准的条文。本标准出版时,所示版本均为有效。所有标准都会被修订,使用本标准的各方应探讨使用下列标准最新版本的可能性,GB/T17657—1999人造板及饰面人造板理化性能试验方法GB/T 2828--1987
3定义
逐批检查计数抽样程序及抽样表(适用于连续批的检查)本标准采用下列定义,
3.1定向刨花板oriented strandboard应用施加胶粘剂和添加剂的扁平窄长刨花经定向铺装后热压而成的一种多层结构板材,简称OSB
3.2干燥状态dry condition
使用状态为室内温度 20℃、相对湿度小于或等于 65%(:-年中仅几个星期湿度超过 65%)时的状态。
3.3潮湿状态humid condition
使用状态为室内温度 20 C、相对湿度小于或等于 85%(年中仅几个星期显度超过 85%)时的状态。
4分类
定向刨花板根据使用条件分为四种类型,见表!。表1定向刨花板分类
使用条件
!一般用途板材和装够材料(包括象具),适用于室内平燥状态条件下承载板材,适用于室内平燥状态条件下承裁板材,适用于潮凝状态条件下承重数板材+适用于潮護状态条件下国家林业离2000-11-10批准
2001~02-01 实施
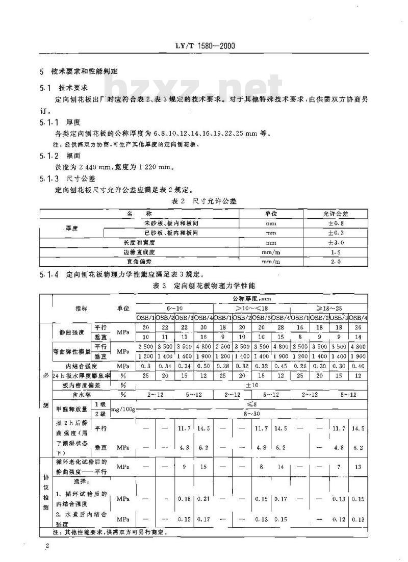
5技术要求和性能判定
5.1技术要求
LY/T1580—2000
定向刨花板出厂时应符合表2、表3规定的技术要求。对于其他特殊技术要求,由供需双方协商另订。
5.1.1厚度
各类定向创花板的公称厚度为6、8、10.12、14.16、19、22、25mm等。注:经供满双方协商,可生产其僧厚度的定向创花板,5.1.2幅面
长度为2440mm,宽度为1220mm。5.1.3尺寸公差
定向刨花板尺寸允许公差应满足表2规定。表2尺寸允许公差
未砂板、板内和板间
已砂板,板内和板间
长度和寇度
边缴直线度
直角偏差
定向刨花板物理力学性能应满足表3规定。表3定向创花板物理力学性能
静曲强度
弯曲弹性模最
内结合强度
必24h吸水厚度膨胀潮
板内密度偏差
含水率
甲醛干量
煮 2 h 后静
曲强度(用
于潮湿状态
循环老化试验后的
静曲强度
选择,
1. 循环试验后的
内结合强度
2. 水蔗后内结合
公称厚度mm
>10~18
允许公差
6~~10
≥18~25
OSB/1osB/2bsB/3OsB/4osB/1OSB/2OSB/3OsB/4osB/105B/20sB/3OSB/420
25003500
mg/100g
注:其他性能要求,供双方可另行商定。15
0.18 0.21
250035003500
12001100
48002500
5.2性能值判定方法
LY/T 1580—2000
5.2.1一张板的静曲强度、内结合强度和弹性模量平均值必须满足式(1):Xs.
式中:5.——表 3中规定值。
5.2.2-张板的吸水厚度膨胀率的算术平均值必须满足式(2)XAS.
式中:S.—表3中规定值。
5.2.3对未作规定的其他性能指标,只按其算术平均值判定。6试验方法
6. 1 取样及试件尺寸规定
6.1-1仪器
6.1.1.1千分尺,精度0.01mm。
6.1.1.2游标卡尺,精度0.1mm。6. 1. 1. 3钢卷尺.精度 1.0 mm6.1.1.4天平,感最0.01g。
6.1.2方法
6.1.2.1按第7章规定抽取样本。(1)
6.1.2.2定向刨花板根据图1锯割三块试样,并注明试样号以及上、下表面和板边位置。每块试样按图2 和表 4 规定锯割试件。
一样本长
样本长
图1定向刨花板试样制作图
LY/T 15802000
注:L值—般为500mm,当t≥15mm时,L=(20+50)+100+100+50=20t-300mm图2定向刨花板试件制作图
表4试件尺寸、数量及编号
测试目
密度、含水率
静曲强度,弯曲弹性模量
内结合强度
吸水厚度影胀率
甲醛释放量
煮2h后静曲盈度(用于潮湿状态)循环
用丁潮湿
状态下
处理后
静曲强度
内结合强度
煮后内结合强鹿
试件尺守
100×100
长20+50,宽50
50×50
20×20
长20#+50,但
不小于 150,克 50
长20+50,但
不小于150,宽50
50×50
50×50
试件数母
总质量约 300 g
在间一试件上测定密度和含水率②或图
?或③
②或?
在同-试件上测定静曲强度和弹
性模基#
·板公称厚度
仅测试平行定向方向的静曲强度试件
两者征选一个
6. 1. 2. 3测量厚度时,应将干分尺的测量面缓慢地放罩在试件上,所施压力约为 0. 02 MPa 。6. 1. 2. 4
测量长度和宽度时,游标卡尺应缓慢地卡在试件上,卡尺与试件平面的夹角约成45\,见图3。LY/T1580—2000
图3长度,宽度测量方法
6. 1. 2. 5测量点的数量和位置,应根据 6. 2~6. 9 规定。6.1.2.6试件置亚标雅气候室(空气相对湿度65%土5%和温度20℃土2亡范围内,测定含水率和甲醛释放量除外),直至质量恒定,即前后相隔 21 1 两次称量所得结果,其差数不超过试件质量的 0.1%。注:甲醛释放量测试参照欧洲标准进行,试样热压后放蛋一定时间(1 级为 24 h;2 级为一周)再进行测试,试件在离试样逆缘 50 mm内截取,尺寸为 20 mm×20 mm,试件锯究启立即气密包装,并在两小时内开始酮定甲醛释放至,否则应重新制作试件。
6.1.3结果表示
6.1.3.1每次测量的结果应表示如下:厚度;精确至 0. 0l mm。bzxZ.net
长度和宽度:精确至0.1 mm。
质量:精确至0.01g。
6. 1. 3. 2确定试件的厚度长度和宽度时,计算其算术平均值6.2 密度的测定按 GB/T 17657—1999 巾 4.2进行。6.3:含水率的测定按 GB/T 176571999 中 4.3 进行。6. 4吸水厚度膨账率的测定接 GB/T 17657—1999 中 4. 5 进行,但浸泡时间改为 24 h。6. 5内结合强度的測定按 GB/T 17657-—1999 中 4.8 进行。6.6静曲强度的测定按GB/T17657—1999中4.9进行,但试件尺寸改为(20t+50)mm×50mm.支座距离改为20t。
6.7水煮后静曲强度的测定:试件经恒温恒湿处理后,在沸水中煮2h,使水面高于试件表面约20 mm水煮2 h士5 min 后,取出试件,擦去表面附水,玲却至室温,进行静曲强度试验,6.8循环试验后静曲强度的测定步骤如下:试件从恒温恒湿箱取出后,立即垂直放在温度为(20土2)℃的水中浸泡(72±1)h,然后试件在一12℃至一20℃冰箱巾冰炼(24土0.25)h,冰该后放入温度(70士1)℃干媒箱内干燥(72士1)h,经三个循环后进行静曲强度谢定(见6.6)6. 9循环处理后内结合强度的测定,循环处理条件同 6. 8,循环处理后内结合强度的测定间 6. 5。6. 10 水煮 2 h 后内结合强度的测定:试件经质量恒定处理后,垂直放在沸水中煮 2 h 后取出放在(20士5)℃中度泡1h,然后在(70士2)℃干燥箱中干燥16 h,取出后测定其内结合强度,测定方法同 6.5.
6. 11 甲醛释放量的测定,按 GB/T 17657 进行,测试记录和计算接附录 B进行。6. 12
一张板的数值由该板内的每个试件的测试值的算术平均值表示。7检验规则
7.1生产厂应保证其成品符合标准规定,逐张评等。7.2规格尺寸检验
LY/T1580—2000
规格尺寸按第5.1.1~5.1.3检验,按表5采用二次止常检查抽样方案,其检验水平为S-4。以AQL=4.0对样本ni进行检验,不合格品数d,≤A时接收,d≥R时拒收,若Aei≤d<≤R,则检验样本n当两个样本中不合格品数di +d,≤Az时仍然接收;di十dz≥R则拒收。表5规格尺寸抽样方案
批蛋范围
281~-500
501 ~1 200
1 201--3 200
3 201-~10 000
10 001~35 000
35 001
2, = n2
7.3物理力学性能检验
样本数
第一判断数
接收 Al
拒收R,
第二判断敷
接收 Ae2
7. 3. 1物理力学性能按 6. 2~~6. 10 检验,并按表 6 采用复检抽样方案。第-次抽取 n1 张板,如检验结果中某项指标不合格,则第二次抽取nz张板重新捡验不合格项,第二欲样本 n2的性能值(n1 中不合格项)必须全部符合标准要求,否则该批产品判为不合格。表 6物理力学性能抽样方案
批范围
~1 200
1 201~-3 200
23 2C1~10 000
210 001
7. 3. 2T.厂自检时,样本数为每班 1张。n:
7.4成品入库或拔交批定向创花板时,应进行规格尺寸,物理力学性能检验。样品应从拨交批巾随机抽取。全部检验项目合格时,判定该批产品为合格批,否则为不合格。7. 5如需方要求对拨交的定向刨花板进行检验时,则必须从发货之日起三个月内向供方提出,并请法定检验单位按定向刨花板标推进行检验。7. 6定向创花板以立方米为计量单位(允许偏差不计算在内),成批拨交时,计量应精确至 0. 01 m,测算单张定向刨花板时应精确至0.0001m。7.7检验转移规则按GB/T2828进行。7.8在检验多张板时,每一张板应满足5.2.1和5.2-2要求,如不满足,则按7.3.1重新检验和判定。8标记、包装和运输
8.1定向刨花板人库时须加盖生产厂名、类型、级别、尘产年月和检验员代号的标记。8.2定向刨花板出厂时应按类型号、规格分别包装,包装上必须有标签,注明生产厂名,品名,商标,类型、级别、规格、数鼠、尘坐产日期和产品标准号等。8.3定向刨花板在运输和保管过程中应防潮、防雨琳、防曝晒,并打上相应的标记。t
LY/T1580—2000
附录A
(标准的附录)
尺寸检验方法说明
厚度尺寸在板的四边任意位置用于分尺共测6点,精确至0.01mm。A1
A2长度和宽度尺寸在板宽和长度方向的在意位置,用钢卷尺测盘,精确至 1 mmA3边缘直线度用细钢丝绳(或钢卷尺侧边)对准板的两角(见图 A1),用钢尺测板与细钢丝绳之间最大偏离,精确至0.5mm,板的四个边都要测量。A
朗卷尺
定向刨花板-
正静差
图A1边缘直线度测盘
A4直角偏差,在板四个角上,用直角尺和直尺测期板边与直角尺之间最大偏离,精确至0.5mm。(见图A2)
图A2直角偏差测量
附录B
(标推的附录)
定商刨花板甲醛释放量测定记录与计算B1板材状况
样本名称及来源
生产月期。
试验日期
相隔口期
含水率
血+样重
样重(ma)
血十干样重
十样重(m)
甲醛释放量
a)举取干试件折算
样+血重
萃取用试件质量(M.)
LY/T 1580
m。-m
含水率H(%)一
甲醛释放量测定所用试件折成干样重(M,)b)滴是记录
甲醛萃取液总量2000mL。
滴定用甲醛萃取液体积 V:二
(I标准浓度)=0.01mol/L
(NagS,O标准淤度)=0.01 mol/1
试样及试号
滴定用盘
I2标准用过
Na.S,O,标液终读,mL
Na,S,O,标液初读.mL
Na2S,O;标液实用量 V
c)计算
式中:F-
苯取液
X c2 X 15 × 1 000 X 100
每100g试件释放甲醛量克数,mg/100g,测定甲醛释放量的试件绝干质量,宫;一滴定时取用中醛苯取液的体积,mL.平均
空白液
Xc2×3×100
(B1)
.-(B2)
..-. B3)
LY/T1580—2000
V,测定试液所耗用的硫代硫酸钠标准溶液的量,mL;V。—一测定空白液所耗用的硫代硫酸钠标准溶液的量,mL;硫代硫酸钠标准溶液的浓度,mol/L,Ga
15—甲醛(号
CH,0)摩尔质量,g/mol。
中华人民共和国林业
行业标准
定向刨花板
LY/T 1580—2000
中国标准出版社出版
北京复兴门外三里河北街16号
邮政编码:100045
话:68522112
中国标准出版社秦皇岛印刷厂印刷新华书店北京发行所发行:各地新华书店经售版权专有不得翻印
开本 880×12301/16
印张1字数18千字
2001年3月第版
2001年3月第一次印刷
印数1-1000
定价10.00元
书号:155066:2-13556
科目563—478
小提示:此标准内容仅展示完整标准里的部分截取内容,若需要完整标准请到上方自行免费下载完整标准文档。
LY/T 7580—2000
定向刨花板
Oriented strand board
2000- 11-10 发布
国家林业局发布
2001-02-01 实施
LY/T1580—2000
本标准非等效采用欧洲共同体标准EN3001997《定向创花板定义、分类和技术要求,部分技术指标测定方法引用GB/T17657—1999《人造板及饰面人造板理化性能试验方法》。定向创花板是一种士要用作结构材的人造板。为推动其在我国的发展,使得产品规范化,迫切需要制定产品标准。前国内尚光该产品的标准,国外有加拿大定向刨花板和华夫板标准(CAV3-04370-M85,StandatrdsonOSBandwaferboard)及欧洲共尚体定向创花板标准(EN300-1997,Orientedstrandboard)。鉴于后者系1997年颁布实施,代表当代世界水平,且产品适用于室外型及室内型,标准的内容符合我国国情。经分析研究,决定非等效采用EN 300一1997标准。本标准的附录 A、附录B 是标准的附录。本标准从2001年2月1日起实施。本标准山全国人造板标推化技术委员会提出并归口。本标准由南京林业大学人造板研究所负责起草。本标推主要起草人:华毓坤、周定国、徐咏兰、邓玉和、金菊巍。1范围
中华人民共和国林业行业标准
定向刨花板
Oriented strand board
LY/T1580--2000
本标准规定了定向刨花板的定义、分类、技术要求、试验方法、检验规则及标志、包装和运输。本标准适用于 3.1中所定义的定间刨花板。2引用标准
下列标准所包含的条文,通过在本标准中引用而构成为本标准的条文。本标准出版时,所示版本均为有效。所有标准都会被修订,使用本标准的各方应探讨使用下列标准最新版本的可能性,GB/T17657—1999人造板及饰面人造板理化性能试验方法GB/T 2828--1987
3定义
逐批检查计数抽样程序及抽样表(适用于连续批的检查)本标准采用下列定义,
3.1定向刨花板oriented strandboard应用施加胶粘剂和添加剂的扁平窄长刨花经定向铺装后热压而成的一种多层结构板材,简称OSB
3.2干燥状态dry condition
使用状态为室内温度 20℃、相对湿度小于或等于 65%(:-年中仅几个星期湿度超过 65%)时的状态。
3.3潮湿状态humid condition
使用状态为室内温度 20 C、相对湿度小于或等于 85%(年中仅几个星期显度超过 85%)时的状态。
4分类
定向刨花板根据使用条件分为四种类型,见表!。表1定向刨花板分类
使用条件
!一般用途板材和装够材料(包括象具),适用于室内平燥状态条件下承载板材,适用于室内平燥状态条件下承裁板材,适用于潮凝状态条件下承重数板材+适用于潮護状态条件下国家林业离2000-11-10批准
2001~02-01 实施
5技术要求和性能判定
5.1技术要求
LY/T1580—2000
定向刨花板出厂时应符合表2、表3规定的技术要求。对于其他特殊技术要求,由供需双方协商另订。
5.1.1厚度
各类定向创花板的公称厚度为6、8、10.12、14.16、19、22、25mm等。注:经供满双方协商,可生产其僧厚度的定向创花板,5.1.2幅面
长度为2440mm,宽度为1220mm。5.1.3尺寸公差
定向刨花板尺寸允许公差应满足表2规定。表2尺寸允许公差
未砂板、板内和板间
已砂板,板内和板间
长度和寇度
边缴直线度
直角偏差
定向刨花板物理力学性能应满足表3规定。表3定向创花板物理力学性能
静曲强度
弯曲弹性模最
内结合强度
必24h吸水厚度膨胀潮
板内密度偏差
含水率
甲醛干量
煮 2 h 后静
曲强度(用
于潮湿状态
循环老化试验后的
静曲强度
选择,
1. 循环试验后的
内结合强度
2. 水蔗后内结合
公称厚度mm
>10~18
允许公差
6~~10
≥18~25
OSB/1osB/2bsB/3OsB/4osB/1OSB/2OSB/3OsB/4osB/105B/20sB/3OSB/420
25003500
mg/100g
注:其他性能要求,供双方可另行商定。15
0.18 0.21
250035003500
12001100
48002500
5.2性能值判定方法
LY/T 1580—2000
5.2.1一张板的静曲强度、内结合强度和弹性模量平均值必须满足式(1):Xs.
式中:5.——表 3中规定值。
5.2.2-张板的吸水厚度膨胀率的算术平均值必须满足式(2)XAS.
式中:S.—表3中规定值。
5.2.3对未作规定的其他性能指标,只按其算术平均值判定。6试验方法
6. 1 取样及试件尺寸规定
6.1-1仪器
6.1.1.1千分尺,精度0.01mm。
6.1.1.2游标卡尺,精度0.1mm。6. 1. 1. 3钢卷尺.精度 1.0 mm6.1.1.4天平,感最0.01g。
6.1.2方法
6.1.2.1按第7章规定抽取样本。(1)
6.1.2.2定向刨花板根据图1锯割三块试样,并注明试样号以及上、下表面和板边位置。每块试样按图2 和表 4 规定锯割试件。
一样本长
样本长
图1定向刨花板试样制作图
LY/T 15802000
注:L值—般为500mm,当t≥15mm时,L=(20+50)+100+100+50=20t-300mm图2定向刨花板试件制作图
表4试件尺寸、数量及编号
测试目
密度、含水率
静曲强度,弯曲弹性模量
内结合强度
吸水厚度影胀率
甲醛释放量
煮2h后静曲盈度(用于潮湿状态)循环
用丁潮湿
状态下
处理后
静曲强度
内结合强度
煮后内结合强鹿
试件尺守
100×100
长20+50,宽50
50×50
20×20
长20#+50,但
不小于 150,克 50
长20+50,但
不小于150,宽50
50×50
50×50
试件数母
总质量约 300 g
在间一试件上测定密度和含水率②或图
?或③
②或?
在同-试件上测定静曲强度和弹
性模基#
·板公称厚度
仅测试平行定向方向的静曲强度试件
两者征选一个
6. 1. 2. 3测量厚度时,应将干分尺的测量面缓慢地放罩在试件上,所施压力约为 0. 02 MPa 。6. 1. 2. 4
测量长度和宽度时,游标卡尺应缓慢地卡在试件上,卡尺与试件平面的夹角约成45\,见图3。LY/T1580—2000
图3长度,宽度测量方法
6. 1. 2. 5测量点的数量和位置,应根据 6. 2~6. 9 规定。6.1.2.6试件置亚标雅气候室(空气相对湿度65%土5%和温度20℃土2亡范围内,测定含水率和甲醛释放量除外),直至质量恒定,即前后相隔 21 1 两次称量所得结果,其差数不超过试件质量的 0.1%。注:甲醛释放量测试参照欧洲标准进行,试样热压后放蛋一定时间(1 级为 24 h;2 级为一周)再进行测试,试件在离试样逆缘 50 mm内截取,尺寸为 20 mm×20 mm,试件锯究启立即气密包装,并在两小时内开始酮定甲醛释放至,否则应重新制作试件。
6.1.3结果表示
6.1.3.1每次测量的结果应表示如下:厚度;精确至 0. 0l mm。bzxZ.net
长度和宽度:精确至0.1 mm。
质量:精确至0.01g。
6. 1. 3. 2确定试件的厚度长度和宽度时,计算其算术平均值6.2 密度的测定按 GB/T 17657—1999 巾 4.2进行。6.3:含水率的测定按 GB/T 176571999 中 4.3 进行。6. 4吸水厚度膨账率的测定接 GB/T 17657—1999 中 4. 5 进行,但浸泡时间改为 24 h。6. 5内结合强度的測定按 GB/T 17657-—1999 中 4.8 进行。6.6静曲强度的测定按GB/T17657—1999中4.9进行,但试件尺寸改为(20t+50)mm×50mm.支座距离改为20t。
6.7水煮后静曲强度的测定:试件经恒温恒湿处理后,在沸水中煮2h,使水面高于试件表面约20 mm水煮2 h士5 min 后,取出试件,擦去表面附水,玲却至室温,进行静曲强度试验,6.8循环试验后静曲强度的测定步骤如下:试件从恒温恒湿箱取出后,立即垂直放在温度为(20土2)℃的水中浸泡(72±1)h,然后试件在一12℃至一20℃冰箱巾冰炼(24土0.25)h,冰该后放入温度(70士1)℃干媒箱内干燥(72士1)h,经三个循环后进行静曲强度谢定(见6.6)6. 9循环处理后内结合强度的测定,循环处理条件同 6. 8,循环处理后内结合强度的测定间 6. 5。6. 10 水煮 2 h 后内结合强度的测定:试件经质量恒定处理后,垂直放在沸水中煮 2 h 后取出放在(20士5)℃中度泡1h,然后在(70士2)℃干燥箱中干燥16 h,取出后测定其内结合强度,测定方法同 6.5.
6. 11 甲醛释放量的测定,按 GB/T 17657 进行,测试记录和计算接附录 B进行。6. 12
一张板的数值由该板内的每个试件的测试值的算术平均值表示。7检验规则
7.1生产厂应保证其成品符合标准规定,逐张评等。7.2规格尺寸检验
LY/T1580—2000
规格尺寸按第5.1.1~5.1.3检验,按表5采用二次止常检查抽样方案,其检验水平为S-4。以AQL=4.0对样本ni进行检验,不合格品数d,≤A时接收,d≥R时拒收,若Aei≤d<≤R,则检验样本n当两个样本中不合格品数di +d,≤Az时仍然接收;di十dz≥R则拒收。表5规格尺寸抽样方案
批蛋范围
281~-500
501 ~1 200
1 201--3 200
3 201-~10 000
10 001~35 000
35 001
2, = n2
7.3物理力学性能检验
样本数
第一判断数
接收 Al
拒收R,
第二判断敷
接收 Ae2
7. 3. 1物理力学性能按 6. 2~~6. 10 检验,并按表 6 采用复检抽样方案。第-次抽取 n1 张板,如检验结果中某项指标不合格,则第二次抽取nz张板重新捡验不合格项,第二欲样本 n2的性能值(n1 中不合格项)必须全部符合标准要求,否则该批产品判为不合格。表 6物理力学性能抽样方案
批范围
~1 200
1 201~-3 200
23 2C1~10 000
210 001
7. 3. 2T.厂自检时,样本数为每班 1张。n:
7.4成品入库或拔交批定向创花板时,应进行规格尺寸,物理力学性能检验。样品应从拨交批巾随机抽取。全部检验项目合格时,判定该批产品为合格批,否则为不合格。7. 5如需方要求对拨交的定向刨花板进行检验时,则必须从发货之日起三个月内向供方提出,并请法定检验单位按定向刨花板标推进行检验。7. 6定向创花板以立方米为计量单位(允许偏差不计算在内),成批拨交时,计量应精确至 0. 01 m,测算单张定向刨花板时应精确至0.0001m。7.7检验转移规则按GB/T2828进行。7.8在检验多张板时,每一张板应满足5.2.1和5.2-2要求,如不满足,则按7.3.1重新检验和判定。8标记、包装和运输
8.1定向刨花板人库时须加盖生产厂名、类型、级别、尘产年月和检验员代号的标记。8.2定向刨花板出厂时应按类型号、规格分别包装,包装上必须有标签,注明生产厂名,品名,商标,类型、级别、规格、数鼠、尘坐产日期和产品标准号等。8.3定向刨花板在运输和保管过程中应防潮、防雨琳、防曝晒,并打上相应的标记。t
LY/T1580—2000
附录A
(标准的附录)
尺寸检验方法说明
厚度尺寸在板的四边任意位置用于分尺共测6点,精确至0.01mm。A1
A2长度和宽度尺寸在板宽和长度方向的在意位置,用钢卷尺测盘,精确至 1 mmA3边缘直线度用细钢丝绳(或钢卷尺侧边)对准板的两角(见图 A1),用钢尺测板与细钢丝绳之间最大偏离,精确至0.5mm,板的四个边都要测量。A
朗卷尺
定向刨花板-
正静差
图A1边缘直线度测盘
A4直角偏差,在板四个角上,用直角尺和直尺测期板边与直角尺之间最大偏离,精确至0.5mm。(见图A2)
图A2直角偏差测量
附录B
(标推的附录)
定商刨花板甲醛释放量测定记录与计算B1板材状况
样本名称及来源
生产月期。
试验日期
相隔口期
含水率
血+样重
样重(ma)
血十干样重
十样重(m)
甲醛释放量
a)举取干试件折算
样+血重
萃取用试件质量(M.)
LY/T 1580
m。-m
含水率H(%)一
甲醛释放量测定所用试件折成干样重(M,)b)滴是记录
甲醛萃取液总量2000mL。
滴定用甲醛萃取液体积 V:二
(I标准浓度)=0.01mol/L
(NagS,O标准淤度)=0.01 mol/1
试样及试号
滴定用盘
I2标准用过
Na.S,O,标液终读,mL
Na,S,O,标液初读.mL
Na2S,O;标液实用量 V
c)计算
式中:F-
苯取液
X c2 X 15 × 1 000 X 100
每100g试件释放甲醛量克数,mg/100g,测定甲醛释放量的试件绝干质量,宫;一滴定时取用中醛苯取液的体积,mL.平均
空白液
Xc2×3×100
(B1)
.-(B2)
..-. B3)
LY/T1580—2000
V,测定试液所耗用的硫代硫酸钠标准溶液的量,mL;V。—一测定空白液所耗用的硫代硫酸钠标准溶液的量,mL;硫代硫酸钠标准溶液的浓度,mol/L,Ga
15—甲醛(号
CH,0)摩尔质量,g/mol。
中华人民共和国林业
行业标准
定向刨花板
LY/T 1580—2000
中国标准出版社出版
北京复兴门外三里河北街16号
邮政编码:100045
话:68522112
中国标准出版社秦皇岛印刷厂印刷新华书店北京发行所发行:各地新华书店经售版权专有不得翻印
开本 880×12301/16
印张1字数18千字
2001年3月第版
2001年3月第一次印刷
印数1-1000
定价10.00元
书号:155066:2-13556
科目563—478
小提示:此标准内容仅展示完整标准里的部分截取内容,若需要完整标准请到上方自行免费下载完整标准文档。
标准图片预览:





- 其它标准
- 热门标准
- 林业行业标准(LY)
- LY/T1863-2009 自然保护区生态旅游评价指标
- LY/T1185-1996 国有林区标准化苗圃
- LY/T1143-2006 饰面用浸渍胶膜纸
- LY/T1918-2010 野生动物饲养管理技术规程
- LY/T1444.3-2005 林区木材生产能耗 第3部分:集材机械燃料消耗量
- LY/T1640-2005 药用单宁酸
- LY/T1171-1995 湿粘性单板封边胶纸带
- LY/T1257-1999 森林土壤浸提性铁、铝、锰、硅、碳的测定
- LY1120-1993 保鲜山野菜
- LY/T1357-2008 歧化松香
- LY/T1690-2007 低效林改造技术规程
- LY/T1646-2005 森林采伐作业规程
- LY/T1683-2006 中国野生植物受威胁等级划分标准
- LY/T2204-2013 油茶高干嫁接技术规程
- LY/T1633-2005 中国水仙种球生产技术规程和质量等级
- 行业新闻
请牢记:“bzxz.net”即是“标准下载”四个汉字汉语拼音首字母与国际顶级域名“.net”的组合。 ©2025 标准下载网 www.bzxz.net 本站邮件:bzxznet@163.com
网站备案号:湘ICP备2025141790号-2
网站备案号:湘ICP备2025141790号-2