- 您的位置:
- 标准下载网 >>
- 标准分类 >>
- 石油化工行业标准(SH) >>
- SH 1051-1991 苯乙烯-丁二烯系列抗冲击苯乙烯(SB)模塑和挤出材料命名
标准号:
SH 1051-1991
标准名称:
苯乙烯-丁二烯系列抗冲击苯乙烯(SB)模塑和挤出材料命名
标准类别:
石油化工行业标准(SH)
标准状态:
现行-
发布日期:
1991-06-28 -
实施日期:
1992-07-01 出版语种:
简体中文下载格式:
.rar.pdf下载大小:
176.40 KB
点击下载
标准简介:
标准下载解压密码:www.bzxz.net
本标准规定了苯乙烯-丁二烯系列抗冲击苯乙烯(SB)模塑和挤出材料的命名方法。本标准适用于以聚苯乙烯和(或)苯乙烯与烷基苯乙烯的共聚物为连续相,以丁二烯系的合成橡胶为分散相组成的抗冲击聚苯乙烯模塑和挤出材料。本标准也适用于经着色剂、添加剂和增强材料改性或未改性的上述材料。本标准不适用于连续相中含有除烷基苯乙烯以外的其他单体与苯乙烯的共聚物的上述材料,也不适用于可发性材料。 SH 1051-1991 苯乙烯-丁二烯系列抗冲击苯乙烯(SB)模塑和挤出材料命名 SH1051-1991
部分标准内容:
中华人民共和国石油化工行业标准苯乙烯一丁二烯系列
抗冲击聚苯乙烯(SB)模塑和挤出材料命
SH/T1051—91
本标准参照采用国际标准ISO2897—1:1990《塑料—抗冲击聚苯乙烯(SB)模塑和挤出材料第部分:命名》。
主题内容与适用范围
本标准规定了苯乙烯-丁了二烯系列抗冲击聚苯乙烯模塑和挤出材料的命名方法。本标准适用于以聚苯乙烯和(或)苯乙烯与烷基苯乙烯的共物为连续相,以丁二烯系的合成橡胶为分散相组成的抗冲击聚苯乙烯模塑和挤出材料。本标准也适用于以着色剂、添加剂和增强材料改性或未改性的上述材料。本标准不适用于连续相中含有除烷基苯乙烯以外的其他单体与苯乙烯的共聚物的上述材料,也不适用于可发性材料。
本标准不提供材料的具体应用或加工所需的工程数据、性能数据或加工条件。本标准不意味着相同命名的材料必须具有相同的性能。2引用标准
GB/T1633热塑性塑料软化点(维卡)试验方法GB/T1843塑料悬臂梁冲击试验方法GB/T3682热塑性塑料熔体流动速率试验方法GB/T9341塑料弯曲性能试验方法3命名方法
本命名方法以抗冲击聚苯乙烯的代号、主要用途或加工方法、颜色、主要特性和其特征性能如软化点(维卡),熔体流动速率、悬臂梁冲击强度及弯曲弹性模量为内容,分为三或四个特征单元,构成材料的命名。其形式为:
特征单元1
特征单元2
特征单元3
特征单元1:抗冲击聚苯乙烯的缩写代号(见3.1条)。1特征单元41
特征单元2:材料的主要用途或加工方法以及主要特性(见3.2条)。特征单元3:材料的特征性能标称值,由三个或四个数字符号组成(见3.3条)。特征单元4(供选用):填料或增强材料的类型、物理形态及质量含量(见3.4条)。个特征单元之间用逗号(,)分隔,若有一个特征单元不用,应用两个号(,,)分隔。中国石油化工总公司1991-06-28批准290
1992-07-01实施
3.1特征单元1
SH/T 1051--91
本系列的抗冲击聚苯乙烯的缩写代号以英文字母SB表示。3.2特征单元2
抗冲击聚苯乙烯的主要用途或加工方法在第一位写出,材料的颜色、主要添加剂及主要特性在第二至四位写出。按表1规定的代号表示。本色材料的代号可以省略。
特征单元2中所用的代号
3.3特征单元3
第一位
挤出管、板或片
挤出薄膜
注射模塑
无说明
在特征单元3中,以三或四个数字代号表示材料特征性能的标称值。第一-个代号为材料的软化点(维卡)标称值。第二个代号为材料的熔体流动速率标称值。第三个代号为材料的悬臂梁冲击强度标称值。第四个代号(供选用)为材料的弯曲弹性模量标称值。上述四个代号之间,用连字符(-)隔开。第二至四位
加工稳定
抗粘连
耐热老化
耐光或气候老化
本色(不着色)
加脱模剂
提高透明性
抗静电
上述四项特性数值,如果落在或接近某档极限,生产厂应确定该材料按某档次命名。如果因生产误差而造成个别试验值落在某档极限或在某档极限的任何一侧,命名不受影响。如果生产厂认为该厂产品只用三个特征性能就能与其他材料区别开,弯曲弹性模量则可在命名中略去。
3.3.1软化点(维卡)
软化点(维卡)按GB/T1633进行测定,测定条件为:负荷5000+5°g,升温速率5±0.5℃/6min。抗冲击聚苯乙烯的软化点(维卡)标称值分为六档,以三位数字表示,按表2所规定。291bZxz.net
3.3.2熔体流动速率
SH/T 1051- 91
表2软化点(维卡)标称值档次代号和范围号
围,℃
>80~85
>85~90
≥90~95
>95~100
熔体流动速率按GB/T3682进行测定,采用试验条件7(负荷5000g,温度200℃)。熔体流动速率标称值范围分为四档,以二位数字表示,按表3所规定。表3熔体流动速率标称值档次代号和范围代
3.3.3悬臂梁冲击强度
悬臂梁冲击强度按GB/T1843进行测定,试样宽度:6.4士0.2mm。围,g/10 min
>4~~8
>8~16
悬臂梁冲击强度标称值范围分为五档,以三位数字表示,按表4所规定。表4悬臂梁冲击强度标称值档次代号和范围代
3.3.4弯曲弹性模量
團,J/m
>15~30
>30~60
>60~90
>90~120
弯曲弹性模量按GB/T9341进行测定,采用标准试样,试验速率为2±0.4mm/min。弯曲弹性模量标称值范围分为四档,以二位数字表示,按表5所规定。表5弯曲弹性模量标称值档次范围和代号代
3.4特征单元4
围,MPa
>1500~2000
>2 000~2 500
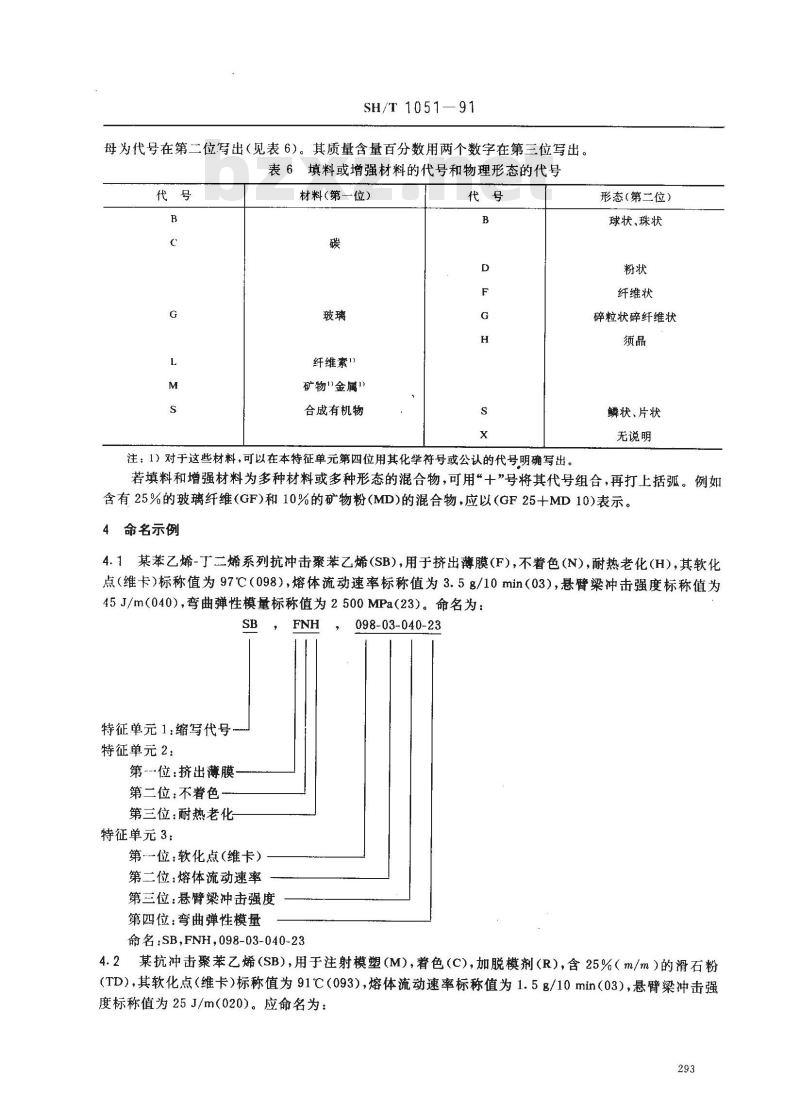
在本特征单元中,填料或增强材料的类型用月一个字母为代号在第一位写出,其物理形态用另一个字292
SH/T 1051—91
母为代号在第二位写出(见表6)。其质量含量百分数用两个数字在第三位写出。表6填料或增强材料的代号和物理形态的代号代号
材料(第一位)
纤维素\)
矿物\金属1
合成有机物
形态(第二位)
球状、珠状
纤维状
碎粒状碎纤维状
鳞状、片状
无说明
注:1)对于这些材料,可以在本特征单元第四位用其化学符号或公认的代号明确写出。若填料和增强材料为多种材料或多种形态的混合物,可用“十”号将其代号组合,再打上括弧。例如含有25%的玻璃纤维(GF)和10%的矿物粉(MD)的混合物,应以(GF25+MD10)表示。4命名示例
4.1某苯乙烯-丁二烯系列抗冲击聚苯乙烯(SB),用于挤出薄膜(F),不着色(N),耐热老化(H),其软化点(维卡)标称值为97℃(098),熔体流动速率标称值为3.5g/10min(03),悬臂梁冲击强度标称值为45J/m(040),弯曲弹性模量标称值为2500MPa(23)。命名为:SB
特征单元1:缩写代号一
特征单元2:
第-位:挤出薄膜
第二位:不着色
第三位:耐热老化
特征单元3:
第位:软化点(维卡)
第二位:熔体流动速率
第三位:悬臂梁冲击强度
第四位:弯曲弹性模量
命名:SB,FNH,098-03-040-23
098-03-040-23
4.2某抗冲击聚苯乙烯(SB),用于注射模塑(M),着色(C),加脱模剂(R),含25%(m/m)的滑石粉(TD),其软化点(维卡)标称值为91℃(093),熔体流动速率标称值为1.5g/10min(03),悬臂梁冲击强度标称值为25J/m(020)。应命名为:293
特征单元1:缩写代号-
特征单元2:
第一位:注塑
第二位:着色
第三位:加脱模剂
特征单元3:
第一位:软化点(维卡)
第二位:熔体流动速率
第三位:悬臂梁冲击强度
特征单元4:
第一位:滑石
第二位:粉状
第三位:质量含量百分数
命名:SB,MCR,093-03-020,TD25附加说明:
本标推由兰州化学工业公司提出,SH/T 1051—91
093-03-020.TD 25
本标准由全国塑料标准化技术委员会石化塑料树脂产品分技术委员会归口。本标准由兰州化学工业公司合成橡胶厂起草。本标准主要起草人周筠如。
小提示:此标准内容仅展示完整标准里的部分截取内容,若需要完整标准请到上方自行免费下载完整标准文档。
抗冲击聚苯乙烯(SB)模塑和挤出材料命
SH/T1051—91
本标准参照采用国际标准ISO2897—1:1990《塑料—抗冲击聚苯乙烯(SB)模塑和挤出材料第部分:命名》。
主题内容与适用范围
本标准规定了苯乙烯-丁了二烯系列抗冲击聚苯乙烯模塑和挤出材料的命名方法。本标准适用于以聚苯乙烯和(或)苯乙烯与烷基苯乙烯的共物为连续相,以丁二烯系的合成橡胶为分散相组成的抗冲击聚苯乙烯模塑和挤出材料。本标准也适用于以着色剂、添加剂和增强材料改性或未改性的上述材料。本标准不适用于连续相中含有除烷基苯乙烯以外的其他单体与苯乙烯的共聚物的上述材料,也不适用于可发性材料。
本标准不提供材料的具体应用或加工所需的工程数据、性能数据或加工条件。本标准不意味着相同命名的材料必须具有相同的性能。2引用标准
GB/T1633热塑性塑料软化点(维卡)试验方法GB/T1843塑料悬臂梁冲击试验方法GB/T3682热塑性塑料熔体流动速率试验方法GB/T9341塑料弯曲性能试验方法3命名方法
本命名方法以抗冲击聚苯乙烯的代号、主要用途或加工方法、颜色、主要特性和其特征性能如软化点(维卡),熔体流动速率、悬臂梁冲击强度及弯曲弹性模量为内容,分为三或四个特征单元,构成材料的命名。其形式为:
特征单元1
特征单元2
特征单元3
特征单元1:抗冲击聚苯乙烯的缩写代号(见3.1条)。1特征单元41
特征单元2:材料的主要用途或加工方法以及主要特性(见3.2条)。特征单元3:材料的特征性能标称值,由三个或四个数字符号组成(见3.3条)。特征单元4(供选用):填料或增强材料的类型、物理形态及质量含量(见3.4条)。个特征单元之间用逗号(,)分隔,若有一个特征单元不用,应用两个号(,,)分隔。中国石油化工总公司1991-06-28批准290
1992-07-01实施
3.1特征单元1
SH/T 1051--91
本系列的抗冲击聚苯乙烯的缩写代号以英文字母SB表示。3.2特征单元2
抗冲击聚苯乙烯的主要用途或加工方法在第一位写出,材料的颜色、主要添加剂及主要特性在第二至四位写出。按表1规定的代号表示。本色材料的代号可以省略。
特征单元2中所用的代号
3.3特征单元3
第一位
挤出管、板或片
挤出薄膜
注射模塑
无说明
在特征单元3中,以三或四个数字代号表示材料特征性能的标称值。第一-个代号为材料的软化点(维卡)标称值。第二个代号为材料的熔体流动速率标称值。第三个代号为材料的悬臂梁冲击强度标称值。第四个代号(供选用)为材料的弯曲弹性模量标称值。上述四个代号之间,用连字符(-)隔开。第二至四位
加工稳定
抗粘连
耐热老化
耐光或气候老化
本色(不着色)
加脱模剂
提高透明性
抗静电
上述四项特性数值,如果落在或接近某档极限,生产厂应确定该材料按某档次命名。如果因生产误差而造成个别试验值落在某档极限或在某档极限的任何一侧,命名不受影响。如果生产厂认为该厂产品只用三个特征性能就能与其他材料区别开,弯曲弹性模量则可在命名中略去。
3.3.1软化点(维卡)
软化点(维卡)按GB/T1633进行测定,测定条件为:负荷5000+5°g,升温速率5±0.5℃/6min。抗冲击聚苯乙烯的软化点(维卡)标称值分为六档,以三位数字表示,按表2所规定。291bZxz.net
3.3.2熔体流动速率
SH/T 1051- 91
表2软化点(维卡)标称值档次代号和范围号
围,℃
>80~85
>85~90
≥90~95
>95~100
熔体流动速率按GB/T3682进行测定,采用试验条件7(负荷5000g,温度200℃)。熔体流动速率标称值范围分为四档,以二位数字表示,按表3所规定。表3熔体流动速率标称值档次代号和范围代
3.3.3悬臂梁冲击强度
悬臂梁冲击强度按GB/T1843进行测定,试样宽度:6.4士0.2mm。围,g/10 min
>4~~8
>8~16
悬臂梁冲击强度标称值范围分为五档,以三位数字表示,按表4所规定。表4悬臂梁冲击强度标称值档次代号和范围代
3.3.4弯曲弹性模量
團,J/m
>15~30
>30~60
>60~90
>90~120
弯曲弹性模量按GB/T9341进行测定,采用标准试样,试验速率为2±0.4mm/min。弯曲弹性模量标称值范围分为四档,以二位数字表示,按表5所规定。表5弯曲弹性模量标称值档次范围和代号代
3.4特征单元4
围,MPa
>1500~2000
>2 000~2 500
在本特征单元中,填料或增强材料的类型用月一个字母为代号在第一位写出,其物理形态用另一个字292
SH/T 1051—91
母为代号在第二位写出(见表6)。其质量含量百分数用两个数字在第三位写出。表6填料或增强材料的代号和物理形态的代号代号
材料(第一位)
纤维素\)
矿物\金属1
合成有机物
形态(第二位)
球状、珠状
纤维状
碎粒状碎纤维状
鳞状、片状
无说明
注:1)对于这些材料,可以在本特征单元第四位用其化学符号或公认的代号明确写出。若填料和增强材料为多种材料或多种形态的混合物,可用“十”号将其代号组合,再打上括弧。例如含有25%的玻璃纤维(GF)和10%的矿物粉(MD)的混合物,应以(GF25+MD10)表示。4命名示例
4.1某苯乙烯-丁二烯系列抗冲击聚苯乙烯(SB),用于挤出薄膜(F),不着色(N),耐热老化(H),其软化点(维卡)标称值为97℃(098),熔体流动速率标称值为3.5g/10min(03),悬臂梁冲击强度标称值为45J/m(040),弯曲弹性模量标称值为2500MPa(23)。命名为:SB
特征单元1:缩写代号一
特征单元2:
第-位:挤出薄膜
第二位:不着色
第三位:耐热老化
特征单元3:
第位:软化点(维卡)
第二位:熔体流动速率
第三位:悬臂梁冲击强度
第四位:弯曲弹性模量
命名:SB,FNH,098-03-040-23
098-03-040-23
4.2某抗冲击聚苯乙烯(SB),用于注射模塑(M),着色(C),加脱模剂(R),含25%(m/m)的滑石粉(TD),其软化点(维卡)标称值为91℃(093),熔体流动速率标称值为1.5g/10min(03),悬臂梁冲击强度标称值为25J/m(020)。应命名为:293
特征单元1:缩写代号-
特征单元2:
第一位:注塑
第二位:着色
第三位:加脱模剂
特征单元3:
第一位:软化点(维卡)
第二位:熔体流动速率
第三位:悬臂梁冲击强度
特征单元4:
第一位:滑石
第二位:粉状
第三位:质量含量百分数
命名:SB,MCR,093-03-020,TD25附加说明:
本标推由兰州化学工业公司提出,SH/T 1051—91
093-03-020.TD 25
本标准由全国塑料标准化技术委员会石化塑料树脂产品分技术委员会归口。本标准由兰州化学工业公司合成橡胶厂起草。本标准主要起草人周筠如。
小提示:此标准内容仅展示完整标准里的部分截取内容,若需要完整标准请到上方自行免费下载完整标准文档。
标准图片预览:





- 其它标准
- 热门标准
- 石油化工行业标准(SH)
- SHS07007-2004 特殊仪表
- SH/T3151-2013 石油化工转子泵工程技术规范
- SH/T3530-2001 石油化工立式圆筒形钢制储罐施工工艺标准
- SHSG039-1989 施工图设计交底会议规定
- SH/T3055-2007 石油化工管架设计规范
- SH/T3082-2003 石油化工仪表供电设计规范
- SH/T0605-2008 润滑油及添加剂中钼含量的测定 原子吸收光谱法
- SHS03063-2004 透平膨胀机维护检修规程
- SHS05028-2004 往复式合成气压缩机组维护检修规程
- SH/T0764-2005 柴油机喷嘴结焦试验方法(XUD-9法)
- SH/T0331-1992 润滑脂腐蚀试验法
- SH/T0221-1992 液化石油气密度或相对密度测定法(压力密度计法)
- SH/T0749-2004 润滑油及添加剂中添加素含量测定法(电感耦合等离子体发射光谱法)
- SH0375-1992 2号航空润滑脂
- SH/T0634-1996 水冷二冲程汽油机油滤清器堵塞倾向测定法
- 行业新闻
请牢记:“bzxz.net”即是“标准下载”四个汉字汉语拼音首字母与国际顶级域名“.net”的组合。 ©2025 标准下载网 www.bzxz.net 本站邮件:bzxznet@163.com
网站备案号:湘ICP备2025141790号-2
网站备案号:湘ICP备2025141790号-2