- 您的位置:
- 标准下载网 >>
- 标准分类 >>
- 纺织行业标准(FZ) >>
- FZ/T 99007-2000 储纬器
标准号:
FZ/T 99007-2000
标准名称:
储纬器
标准类别:
纺织行业标准(FZ)
标准状态:
现行-
发布日期:
2000-05-23 -
实施日期:
2000-07-01 出版语种:
简体中文下载格式:
.rar.pdf下载大小:
263.88 KB
替代情况:
FZ/T 99007-1992
点击下载
标准简介:
标准下载解压密码:www.bzxz.net
本标准规定了储纬器的产品分类、技术要求、试验方法、检验规则、标志、使用说明、包装、运输和贮存本标准适用于各种类型储纬器。各类型储纬器的特殊要求及本标准未规定的其他要求应在各类型储纬器的产品标准中规定。 FZ/T 99007-2000 储纬器 FZ/T99007-2000
部分标准内容:
FZ/T99007—2000
本标准是对FZ/T99007—-1992《Q300型储纬器》的修订。本标准适用于所有在中国市场上正式销售的储纬器产品。本标准对储纬器产品主要分类规定了必要要求,本标准未规定的其他要求应在各类型产品标准中规定。本标准自实施之日起,代替FZ/T99007-1992。本标准由国家纺织工业局提出。本标准由国家纺织工业局纺织仪器标准化归口单位归口。本标准负责起草单位:海鹰企业集团有限责任公司、太仓纺织仪器厂、中国人民解放军4308厂、滑南纺织机械厂及宁波太阳实业公司。本标准主要起草人:胡欣源、张菊、唐益群、汪涓、李楠、陈军捷。88
中华人民共和国纺织行业标准
储纬器
Weft accumulator
FZ/T 99007--2000
代替FZ/T99007-1992
本标准规定了储纬器的产品分类、技术要求、试验方法、检验规则、标志、使用说明、包装、运输和贮存。
本标准适用于各种类型储纬器。各类型储纬器的特殊要求及本标准未规定的其他要求应在各类型储纬器的产品标准中规定。
2引用标准
下列标准所包含的条文,通过在本标准中引用而构成为本标准的条文。本标准出版时,所示版本均为有效。所有标准都会被修订,使用本标准的各方应探讨使用下列标准最新版本的可能性。GB191--1990包装储运图示标志
GB/T2421—1989电工电子产品基本环境试验规程总则GB/T2423.8-~1995电工电子产品环境试验第二部分:试验方法试验Ed:自由跌落GB/T2829--1987周期检查计数抽样程序及抽样表(适用于生产过程稳定性的检查)GB/T6587.4—1986电子测量仪器振动试验GB/T7111-—1986纺织机械噪声声功率级的测定方法GB9969.1—1998工业产品使用说明书总则GB/T14048.1--1993低压开关设备和控制设备总则GB/T17626.4-1998电磁兼容试验和测量技术电快速瞬变脉冲群抗扰度试验3定义
本标准采用下列定义。
3.1储纬器
将纱从筒子上输入卷绕并能定量贮存,使纱的张力得到改善,以备供给符合织造工艺要求的纬纱的种织机配套设备。
3.2储纬鼓
储纬器储备纬纱的部件。也称之为“储纱鼓”或“绕纱简”等。3.3储纬
纱从简子进入储纬器卷绕储存以备供给纬纱的运动3.4退绕
己已在储纬鼓上储存的纬纱逐圈退出的运动。3.5供纬
纱从储纬器退绕进入织机供给纬纱的运动。以织机对储纬器来说,则称为“引纬”国家纺织工业局2000-05-23批准2000-07-01实施
3.6供纬速度
FZ/T 99007--2000
单位时间内供给织机的纬纱总长度(m/min)。3.7储纬量
储纬鼓上储存纬纱的圈数(n);或纬纱长度(m)。3.8储纬量可调
储纬鼓上储存纬纱区间(圈数)可调。3.9间绕式储纬
纱被间隔距离地卷绕储存在储纬鼓上。3.10纱圈间距
间绕式储纬器储存纱的圈间间隔(mm)。3.11挡纱电磁针销
喷射类储纬器阻挡已储存的纬纱自行退绕的受控部件,简称挡纱销,也称电磁针(阀)。3.12定长供纬
喷射类储纬器对织机供给设定长度纬纱的功能。定长供纬系统由挡纱销与驱动控制电路和直径可变的储纬鼓等组成。
3.13供纬同步
储纬器供给纬纱与织机引纬织造在时间上或动作上协调一致。3.14储纬器与织机通讯
织机输给储纬器的“运行”信号、供纬“触发”信号等以及储纬器输向织机的“定长”通讯信号、织机请停信号等。
4产品分类
4.1按配套织机特征分
4.1.1非喷射式织机储纬器
非喷射式织机储纬器配套于剑杆织机或片梭织机。主要用于改善纬纱张力。4.1.2喷射式织机储纬器
喷射式织机储纬器配套于喷气织机或喷水织机。除用于改善纬纱张力外,还具备自动定长供纬功能。
,按卷绕储纬运动方式分
卷绕储纬运动方式分类见表1:
表1卷绕储纬运动方式分类
储纬鼓旋转式储纬器
纱圈密绕贮存
卷绕储纬运动方式分类
4.3特性(基本参数)
4.3.1特性概述
导纱系统旋转式储纬器
纱圈间绕贮存
储纬器通常具有以下特性,可根据各产品特点自行选项表述。a)储纬器分类型式;
b)适用纱及纱支;
()单头最高供纬速度;
自行滑移式
机械推移式
间距不可调
间距可调
d)单头最低供纬速度(连续);e)导纱器旋向S/Z变换特点;
f)纱圈间距;
g)储纬量可调性;
h)定长供纬特性;
i)对织机通讯信号要求。
4.3.2使用条件
FZ/T99007-2000
可参照以下条件在各产品标准中规定:a)环境温度:10℃~40℃;
b)相对湿度:45%~80%;
c)大气压力:86 kPa~106kPa。4.3.3供电条件
储纬器所需额定电压、额定频率、额定功率要求。5要求
5.1机械质量
5.1.1外观与结构下载标准就来标准下载网
外形和安装尺寸应符合图纸规定,表面应平整、光洁、色泽一致,不应有裂痕及机械性损伤,面板文字和标志应清晰,紧固件应无松动,储纬鼓应无光亮反射,导纱通道应光滑、流畅,无任何勾纱现象。5.1.2机械振动
卷纱系统的受测部件在径向、轴向或周向方位上因周期性附加机械振动造成的位移或加速度或速度应符合产品规定的限值。
5.2电气安全
5.2. 1工频耐压
按(GB/T14048.1—1993中7.2.3.2的要求进行。不应出现击穿及闪络现象。5.2.2介电性能
除产品标准中另有规定外,测得泄漏电流应不大于10mA。5.3性能要求
5.3.1转速
转速按表2要求。
表2转速
转速不可调
转速可调
5.3.2纬纱储存
5.3.2.1储纬量
额定转速应符合各产品标准规定值求
各产品指示的转速点应符合各产品标准规定值储纬定量控制应灵敏可靠,储存纱圈成形整齐,应无异常现象。储纬量可调的,应符合各产品标准规定值。
5.3.2.2纱圈间距
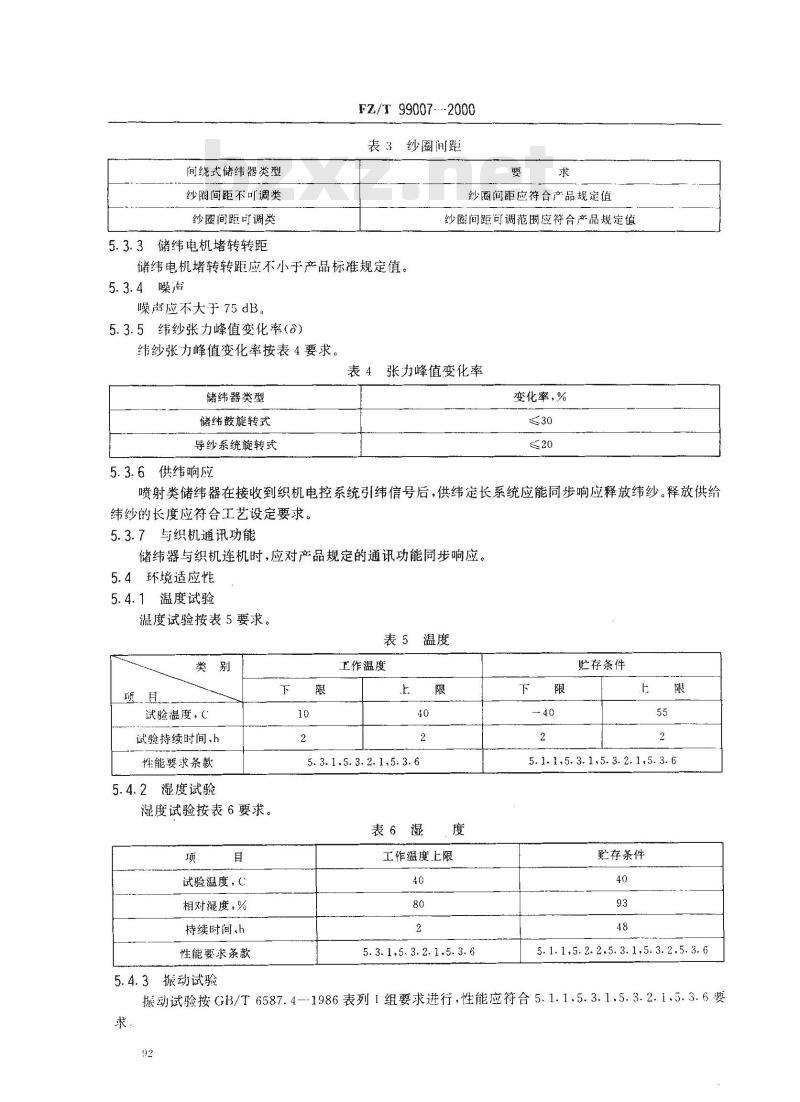
间绕式储纬器纱圈间距按表3要求。91
间绕式储纬器类型
纱圈间距不可调类
纱圈间距可调类
5.3.3储纬电机堵转转距
FZ/T99007.--2000
表3纱圈间距
纱阁间距应符合产品规定值
纱圈间距可调范围应符合产品规定值储纬电机堵转转距应不小于产品标准规定值。5.3.4噪声
噪声应不大于75dB。
5.3.5纬纱张力峰值变化率(8)纬纱张力峰值变化率按表4要求。表4张力峰值变化率
储纬器类型
储纬鼓旋转式
导纱系统旋转式
5.3.6供纬响应
变化率,%
喷射类储纬器在接收到织机电控系统引纬信号后,供纬定长系统应能同步响应释放纬纱。释放供给纬纱的长度应符合工艺设定要求。5.3.7与织机通讯功能
储纬器与织机连机时,应对产品规定的通讯功能同步响应。5.4环境适应性
5.4.1温度试验
温度试验按表5要求。
表5温度
试验温度,C
试验持续时间,h
性能要求条款
5.4.2湿度试验
湿度试验按表6要求。
试验温度,℃
相对混度,%
持续时间、h
性能要求条款
工作温度
5.3.1,5.3. 2.1,5.3.6
表6湿度
工作温度上限
5.3.1,5.3.2.1.5.3.6
贮存条件
5.1.1,5.3.1,5.3.2.1.5.3.6
贮存条件
5. 1. 1,5. 2. 2,5. 3. 1,5. 3. 2,5. 3. 65.4.3振动试验
振动试验按GB/T6587.4--1986表列1组要求进行,性能应符合5.1.1.5.3.1.5.3.2.1.5.3.6要求。
5.4.4电源电压波动
FZ/T 99007—2000
电源电压在示值士10%时,性能应符合5.3.1,5.3.2.1,5.3.6要求。5.4.5自由跌落
产品经包装后,按GB/T2423.8—1995第3章规定的值中选取跌落高度,结果应符合5.1,5.2,5.3要求。
5.5电磁兼容
电快速瞬变试验应按GB/T17626.4~--1998表1中的等级3即典型工业环境条件进行,结果应能承受电磁骚扰。
6试验方法
除另有规定外,试验的标准大气条件和试验程序应按GB/T2421中的规定。6.1机械质量检查
6.1.1外观与结构检查
使用检测器材检查外形和安装尺寸,检查储纬鼓表面.用目测法检查储纬器的外观及纬纱穿线通道情况,通道可用32tex或产品标准适用纱穿,结果应符合5.1.1要求。6.1.2机械振动检查
用测振仪器检查对应部件的振动位移或加速度或速度情况,结果应符合5.1.2要求。6.2电气安全检查
6.2.1工频耐压检查
按GB/T14048.1-1993中8.2.3.4.3规定,结果应符合5.2.1要求。6.2.2介电性能检查
按GB/T14048.1-1993中8.2.3.4.4规定,结果应符合5.2.2要求。6.3性能检查
6.3.1转速检查
用精度不低于1000r/min士1r/min的测速仪表检查所示转速,结果应符合5.3.1要求。6.3.2纬纱储存检查
6.3.2.1储纬量检查
用纱卷绕储存,观察纬纱储存情况,并对可调储纬量的类型进行改变储纬量二次以上的调节试验,结果应符合5.3.2.1要求。
6.3.2.2纱圈间距检查
用纱卷绕储存,观察纬纱纱圈间距及其可调的情况,结果应符合5.3.2.2要求。6.3.3储纬电机堵转转距检查
用力距测试装置或精度不低于5%的测力计检查,结果应符合5.3.3要求。6.3.4噪声检查
将储纬器头安装在声反射平面上,转速如表7所示,按GB/T7111规定检查储纬器单头噪声,结果应符合5.3.4要求。
最大转速示值,r/min
2000~3000
3000以上
表7测试噪声的转速
测试转速,r/min
1000~1500或常用值
1600或常用值
6.3.5纬纱张力峰值变化率(3)测试用张力测试仪器,在引纬(或模拟)工作时测定储纬器出口引出纬纱张力峰值数据,共10次。按式93
FZ/T 99007—2000
(1)计算张力峰值变化率,结果应符合5.3.5要求8(%)
式中:F,----第次测得的张力峰值;F10次测得的平均值。
6.3.6供纬响应检查
·(2)
对储纬器加入供纬响应信号或等效的模拟信号,此时储纬器的挡纱电磁针销应同步动作,检查结果应符合5.3.6要求。
6.3.7织机通讯功能检查
储纬器与织机配套的通讯信号或等效的模拟信号施加时,作同步响应,检查结果应符合5.3.7要求。
6.4环境适应性检查
6.4.1温度试验
6.4.1.1工作条件下限温度试验
将储纬器置于低温箱内,使温度达到10℃士2C,接通电源,工作2h后,测量性能应符合表5要求。6.4.1.2贮存条件下限温度试验
储纬器处于非工作状态,使温度降至40℃士3℃,贮存2h,恢复2h,测量性能应符合表5要求。6.4.1.3工作条件上限温度试验
储纬器留于高温箱内,使温度升到40C士2℃,接通电源,工作2h后,测量性能应符合表5要求6.4.1.4贮存条件上限温度试验
储纬器处于非工作状态,使温度升至55℃土2℃,贮存2h,恢复2h,测量性能应符合表5要求。6.4.2湿度试验
6.4.2.1工作条件上限湿度试验
将储纬器置于潮湿箱内,使温度升至40℃士2℃,相对湿度(80!3)%,接通电源,工作2h后,测量性能应符合表6要求。
6.4.2.2贮存条件湿度试验
储纬器处于非工作状态,使温度升到40℃土2℃,相对湿度(93±)%,贮存48h,恢复2h,测量性能应符合表6要求。
6.4.3振动试验
按(GB/T6587.4进行共振搜索和共振保持试验,测量性能应符合5.4.3要求。6.4.4电源电压波动试验
使用调压器,电网电压在示值±10%变化时,测量性能应符合5.4.4要求。6.4.5自由跌落试验
按GB/T2423.8--1995中方法--规定进行自由跌落试验,测量性能应符合5.4.5要求。6.5电磁兼容
按(B/T17626.4--1998中的第6、7、8章的规定进行,测量性能应符合5.5要求。7检验规则
7.1检验分类
储纬器捡验分出厂检验和型式检验,由制造厂质量检验部门或上级指定单位进行检验。7.2出厂检验
FZ/T99007-2000
储纬器出」检验按表8中规定的项目逐台进行.检验合格后方可出厂。表8检验项目
外观与结构
机械振动
工频耐压
「介电性能
储纬量
纱圈间距
电磁兼容
堵转转距
纬纱张力峰值变化率
供纬响应
与织机通讯功能
电源电压波动
自由跌落
序号7为线圈间绕储存式检验项目。序号10生产定型时在现场做。
序号11.12为喷射式储纬器检验项目。3
“●”必做,“○\选做。
7.3型式检验
技术要求
7.3.1凡有下列情况之一者,应进行型式检验:产品定型鉴定;
试验方法
一正式生产后,如结构、材料、工艺有较大改变,可能影响产品性能时;-一正常生产时,每年进行一次;上级或国家质量监督机构提出型式检验的要求时。7.3.2型式检验的项目按表8规定。7.4抽样规则
7.4.1型式检验的抽样程序按GB/T2829规定进行。检验类别
7.4.2型式检验应从出厂检验合格的产品中随机抽取样本7.4.3型式检验采用一次抽样方案,判别水平为I,不合格分类检验项目、不合格质量水平(RQL)和判别组数按表 9的规定。
不合格分类
检验项目
不合格质量水平RQI
判别组数
8标志、使用说明
8.1标志
8.1.1产品名牌应标志下列内容:制造广名、厂址和商标;
产品型号和名称;
产品出厂编号。
8.1.2包装箱上应有下列标志:
制造厂名、厂址和商标;
产品名称、型号和数量;
一质量;
体积(长×宽×高);
FZ/T 99007---2000
表9质量水平和判别组数
全部合格
产品出厂编号,产品标准号;
一应有符合GB191规定的“小心轻放”“怕湿”“向上”等标志。8.2使用说明书
使用说明书的起草与表述应符合GB9969.1中的要求。9包装、运输、贮存
5.1,5.2.5. 4
n- 2(A -- 0,R -- 1)
9.1包装
产品经检验合格后,方可进行包装。包装应符合防振、防潮要求。箱内应有产品合格证、包装清单及使用说明书。
9.2运输
产品经包装后,允许用任何常规方式运输。在运输过程中应避免曝晒、雨雪直接侵袭和机械性损伤。9.3贮存
储纬器应贮存在温度为一5℃~~40℃C,相对湿度小于80%,周围空气中无酸、碱和其他腐蚀性气体的库房中。贮存期超过一年的产品,应按出厂检验要求重新进行检验,合格后方可出厂。96
小提示:此标准内容仅展示完整标准里的部分截取内容,若需要完整标准请到上方自行免费下载完整标准文档。
本标准是对FZ/T99007—-1992《Q300型储纬器》的修订。本标准适用于所有在中国市场上正式销售的储纬器产品。本标准对储纬器产品主要分类规定了必要要求,本标准未规定的其他要求应在各类型产品标准中规定。本标准自实施之日起,代替FZ/T99007-1992。本标准由国家纺织工业局提出。本标准由国家纺织工业局纺织仪器标准化归口单位归口。本标准负责起草单位:海鹰企业集团有限责任公司、太仓纺织仪器厂、中国人民解放军4308厂、滑南纺织机械厂及宁波太阳实业公司。本标准主要起草人:胡欣源、张菊、唐益群、汪涓、李楠、陈军捷。88
中华人民共和国纺织行业标准
储纬器
Weft accumulator
FZ/T 99007--2000
代替FZ/T99007-1992
本标准规定了储纬器的产品分类、技术要求、试验方法、检验规则、标志、使用说明、包装、运输和贮存。
本标准适用于各种类型储纬器。各类型储纬器的特殊要求及本标准未规定的其他要求应在各类型储纬器的产品标准中规定。
2引用标准
下列标准所包含的条文,通过在本标准中引用而构成为本标准的条文。本标准出版时,所示版本均为有效。所有标准都会被修订,使用本标准的各方应探讨使用下列标准最新版本的可能性。GB191--1990包装储运图示标志
GB/T2421—1989电工电子产品基本环境试验规程总则GB/T2423.8-~1995电工电子产品环境试验第二部分:试验方法试验Ed:自由跌落GB/T2829--1987周期检查计数抽样程序及抽样表(适用于生产过程稳定性的检查)GB/T6587.4—1986电子测量仪器振动试验GB/T7111-—1986纺织机械噪声声功率级的测定方法GB9969.1—1998工业产品使用说明书总则GB/T14048.1--1993低压开关设备和控制设备总则GB/T17626.4-1998电磁兼容试验和测量技术电快速瞬变脉冲群抗扰度试验3定义
本标准采用下列定义。
3.1储纬器
将纱从筒子上输入卷绕并能定量贮存,使纱的张力得到改善,以备供给符合织造工艺要求的纬纱的种织机配套设备。
3.2储纬鼓
储纬器储备纬纱的部件。也称之为“储纱鼓”或“绕纱简”等。3.3储纬
纱从简子进入储纬器卷绕储存以备供给纬纱的运动3.4退绕
己已在储纬鼓上储存的纬纱逐圈退出的运动。3.5供纬
纱从储纬器退绕进入织机供给纬纱的运动。以织机对储纬器来说,则称为“引纬”国家纺织工业局2000-05-23批准2000-07-01实施
3.6供纬速度
FZ/T 99007--2000
单位时间内供给织机的纬纱总长度(m/min)。3.7储纬量
储纬鼓上储存纬纱的圈数(n);或纬纱长度(m)。3.8储纬量可调
储纬鼓上储存纬纱区间(圈数)可调。3.9间绕式储纬
纱被间隔距离地卷绕储存在储纬鼓上。3.10纱圈间距
间绕式储纬器储存纱的圈间间隔(mm)。3.11挡纱电磁针销
喷射类储纬器阻挡已储存的纬纱自行退绕的受控部件,简称挡纱销,也称电磁针(阀)。3.12定长供纬
喷射类储纬器对织机供给设定长度纬纱的功能。定长供纬系统由挡纱销与驱动控制电路和直径可变的储纬鼓等组成。
3.13供纬同步
储纬器供给纬纱与织机引纬织造在时间上或动作上协调一致。3.14储纬器与织机通讯
织机输给储纬器的“运行”信号、供纬“触发”信号等以及储纬器输向织机的“定长”通讯信号、织机请停信号等。
4产品分类
4.1按配套织机特征分
4.1.1非喷射式织机储纬器
非喷射式织机储纬器配套于剑杆织机或片梭织机。主要用于改善纬纱张力。4.1.2喷射式织机储纬器
喷射式织机储纬器配套于喷气织机或喷水织机。除用于改善纬纱张力外,还具备自动定长供纬功能。
,按卷绕储纬运动方式分
卷绕储纬运动方式分类见表1:
表1卷绕储纬运动方式分类
储纬鼓旋转式储纬器
纱圈密绕贮存
卷绕储纬运动方式分类
4.3特性(基本参数)
4.3.1特性概述
导纱系统旋转式储纬器
纱圈间绕贮存
储纬器通常具有以下特性,可根据各产品特点自行选项表述。a)储纬器分类型式;
b)适用纱及纱支;
()单头最高供纬速度;
自行滑移式
机械推移式
间距不可调
间距可调
d)单头最低供纬速度(连续);e)导纱器旋向S/Z变换特点;
f)纱圈间距;
g)储纬量可调性;
h)定长供纬特性;
i)对织机通讯信号要求。
4.3.2使用条件
FZ/T99007-2000
可参照以下条件在各产品标准中规定:a)环境温度:10℃~40℃;
b)相对湿度:45%~80%;
c)大气压力:86 kPa~106kPa。4.3.3供电条件
储纬器所需额定电压、额定频率、额定功率要求。5要求
5.1机械质量
5.1.1外观与结构下载标准就来标准下载网
外形和安装尺寸应符合图纸规定,表面应平整、光洁、色泽一致,不应有裂痕及机械性损伤,面板文字和标志应清晰,紧固件应无松动,储纬鼓应无光亮反射,导纱通道应光滑、流畅,无任何勾纱现象。5.1.2机械振动
卷纱系统的受测部件在径向、轴向或周向方位上因周期性附加机械振动造成的位移或加速度或速度应符合产品规定的限值。
5.2电气安全
5.2. 1工频耐压
按(GB/T14048.1—1993中7.2.3.2的要求进行。不应出现击穿及闪络现象。5.2.2介电性能
除产品标准中另有规定外,测得泄漏电流应不大于10mA。5.3性能要求
5.3.1转速
转速按表2要求。
表2转速
转速不可调
转速可调
5.3.2纬纱储存
5.3.2.1储纬量
额定转速应符合各产品标准规定值求
各产品指示的转速点应符合各产品标准规定值储纬定量控制应灵敏可靠,储存纱圈成形整齐,应无异常现象。储纬量可调的,应符合各产品标准规定值。
5.3.2.2纱圈间距
间绕式储纬器纱圈间距按表3要求。91
间绕式储纬器类型
纱圈间距不可调类
纱圈间距可调类
5.3.3储纬电机堵转转距
FZ/T99007.--2000
表3纱圈间距
纱阁间距应符合产品规定值
纱圈间距可调范围应符合产品规定值储纬电机堵转转距应不小于产品标准规定值。5.3.4噪声
噪声应不大于75dB。
5.3.5纬纱张力峰值变化率(8)纬纱张力峰值变化率按表4要求。表4张力峰值变化率
储纬器类型
储纬鼓旋转式
导纱系统旋转式
5.3.6供纬响应
变化率,%
喷射类储纬器在接收到织机电控系统引纬信号后,供纬定长系统应能同步响应释放纬纱。释放供给纬纱的长度应符合工艺设定要求。5.3.7与织机通讯功能
储纬器与织机连机时,应对产品规定的通讯功能同步响应。5.4环境适应性
5.4.1温度试验
温度试验按表5要求。
表5温度
试验温度,C
试验持续时间,h
性能要求条款
5.4.2湿度试验
湿度试验按表6要求。
试验温度,℃
相对混度,%
持续时间、h
性能要求条款
工作温度
5.3.1,5.3. 2.1,5.3.6
表6湿度
工作温度上限
5.3.1,5.3.2.1.5.3.6
贮存条件
5.1.1,5.3.1,5.3.2.1.5.3.6
贮存条件
5. 1. 1,5. 2. 2,5. 3. 1,5. 3. 2,5. 3. 65.4.3振动试验
振动试验按GB/T6587.4--1986表列1组要求进行,性能应符合5.1.1.5.3.1.5.3.2.1.5.3.6要求。
5.4.4电源电压波动
FZ/T 99007—2000
电源电压在示值士10%时,性能应符合5.3.1,5.3.2.1,5.3.6要求。5.4.5自由跌落
产品经包装后,按GB/T2423.8—1995第3章规定的值中选取跌落高度,结果应符合5.1,5.2,5.3要求。
5.5电磁兼容
电快速瞬变试验应按GB/T17626.4~--1998表1中的等级3即典型工业环境条件进行,结果应能承受电磁骚扰。
6试验方法
除另有规定外,试验的标准大气条件和试验程序应按GB/T2421中的规定。6.1机械质量检查
6.1.1外观与结构检查
使用检测器材检查外形和安装尺寸,检查储纬鼓表面.用目测法检查储纬器的外观及纬纱穿线通道情况,通道可用32tex或产品标准适用纱穿,结果应符合5.1.1要求。6.1.2机械振动检查
用测振仪器检查对应部件的振动位移或加速度或速度情况,结果应符合5.1.2要求。6.2电气安全检查
6.2.1工频耐压检查
按GB/T14048.1-1993中8.2.3.4.3规定,结果应符合5.2.1要求。6.2.2介电性能检查
按GB/T14048.1-1993中8.2.3.4.4规定,结果应符合5.2.2要求。6.3性能检查
6.3.1转速检查
用精度不低于1000r/min士1r/min的测速仪表检查所示转速,结果应符合5.3.1要求。6.3.2纬纱储存检查
6.3.2.1储纬量检查
用纱卷绕储存,观察纬纱储存情况,并对可调储纬量的类型进行改变储纬量二次以上的调节试验,结果应符合5.3.2.1要求。
6.3.2.2纱圈间距检查
用纱卷绕储存,观察纬纱纱圈间距及其可调的情况,结果应符合5.3.2.2要求。6.3.3储纬电机堵转转距检查
用力距测试装置或精度不低于5%的测力计检查,结果应符合5.3.3要求。6.3.4噪声检查
将储纬器头安装在声反射平面上,转速如表7所示,按GB/T7111规定检查储纬器单头噪声,结果应符合5.3.4要求。
最大转速示值,r/min
2000~3000
3000以上
表7测试噪声的转速
测试转速,r/min
1000~1500或常用值
1600或常用值
6.3.5纬纱张力峰值变化率(3)测试用张力测试仪器,在引纬(或模拟)工作时测定储纬器出口引出纬纱张力峰值数据,共10次。按式93
FZ/T 99007—2000
(1)计算张力峰值变化率,结果应符合5.3.5要求8(%)
式中:F,----第次测得的张力峰值;F10次测得的平均值。
6.3.6供纬响应检查
·(2)
对储纬器加入供纬响应信号或等效的模拟信号,此时储纬器的挡纱电磁针销应同步动作,检查结果应符合5.3.6要求。
6.3.7织机通讯功能检查
储纬器与织机配套的通讯信号或等效的模拟信号施加时,作同步响应,检查结果应符合5.3.7要求。
6.4环境适应性检查
6.4.1温度试验
6.4.1.1工作条件下限温度试验
将储纬器置于低温箱内,使温度达到10℃士2C,接通电源,工作2h后,测量性能应符合表5要求。6.4.1.2贮存条件下限温度试验
储纬器处于非工作状态,使温度降至40℃士3℃,贮存2h,恢复2h,测量性能应符合表5要求。6.4.1.3工作条件上限温度试验
储纬器留于高温箱内,使温度升到40C士2℃,接通电源,工作2h后,测量性能应符合表5要求6.4.1.4贮存条件上限温度试验
储纬器处于非工作状态,使温度升至55℃土2℃,贮存2h,恢复2h,测量性能应符合表5要求。6.4.2湿度试验
6.4.2.1工作条件上限湿度试验
将储纬器置于潮湿箱内,使温度升至40℃士2℃,相对湿度(80!3)%,接通电源,工作2h后,测量性能应符合表6要求。
6.4.2.2贮存条件湿度试验
储纬器处于非工作状态,使温度升到40℃土2℃,相对湿度(93±)%,贮存48h,恢复2h,测量性能应符合表6要求。
6.4.3振动试验
按(GB/T6587.4进行共振搜索和共振保持试验,测量性能应符合5.4.3要求。6.4.4电源电压波动试验
使用调压器,电网电压在示值±10%变化时,测量性能应符合5.4.4要求。6.4.5自由跌落试验
按GB/T2423.8--1995中方法--规定进行自由跌落试验,测量性能应符合5.4.5要求。6.5电磁兼容
按(B/T17626.4--1998中的第6、7、8章的规定进行,测量性能应符合5.5要求。7检验规则
7.1检验分类
储纬器捡验分出厂检验和型式检验,由制造厂质量检验部门或上级指定单位进行检验。7.2出厂检验
FZ/T99007-2000
储纬器出」检验按表8中规定的项目逐台进行.检验合格后方可出厂。表8检验项目
外观与结构
机械振动
工频耐压
「介电性能
储纬量
纱圈间距
电磁兼容
堵转转距
纬纱张力峰值变化率
供纬响应
与织机通讯功能
电源电压波动
自由跌落
序号7为线圈间绕储存式检验项目。序号10生产定型时在现场做。
序号11.12为喷射式储纬器检验项目。3
“●”必做,“○\选做。
7.3型式检验
技术要求
7.3.1凡有下列情况之一者,应进行型式检验:产品定型鉴定;
试验方法
一正式生产后,如结构、材料、工艺有较大改变,可能影响产品性能时;-一正常生产时,每年进行一次;上级或国家质量监督机构提出型式检验的要求时。7.3.2型式检验的项目按表8规定。7.4抽样规则
7.4.1型式检验的抽样程序按GB/T2829规定进行。检验类别
7.4.2型式检验应从出厂检验合格的产品中随机抽取样本7.4.3型式检验采用一次抽样方案,判别水平为I,不合格分类检验项目、不合格质量水平(RQL)和判别组数按表 9的规定。
不合格分类
检验项目
不合格质量水平RQI
判别组数
8标志、使用说明
8.1标志
8.1.1产品名牌应标志下列内容:制造广名、厂址和商标;
产品型号和名称;
产品出厂编号。
8.1.2包装箱上应有下列标志:
制造厂名、厂址和商标;
产品名称、型号和数量;
一质量;
体积(长×宽×高);
FZ/T 99007---2000
表9质量水平和判别组数
全部合格
产品出厂编号,产品标准号;
一应有符合GB191规定的“小心轻放”“怕湿”“向上”等标志。8.2使用说明书
使用说明书的起草与表述应符合GB9969.1中的要求。9包装、运输、贮存
5.1,5.2.5. 4
n- 2(A -- 0,R -- 1)
9.1包装
产品经检验合格后,方可进行包装。包装应符合防振、防潮要求。箱内应有产品合格证、包装清单及使用说明书。
9.2运输
产品经包装后,允许用任何常规方式运输。在运输过程中应避免曝晒、雨雪直接侵袭和机械性损伤。9.3贮存
储纬器应贮存在温度为一5℃~~40℃C,相对湿度小于80%,周围空气中无酸、碱和其他腐蚀性气体的库房中。贮存期超过一年的产品,应按出厂检验要求重新进行检验,合格后方可出厂。96
小提示:此标准内容仅展示完整标准里的部分截取内容,若需要完整标准请到上方自行免费下载完整标准文档。
标准图片预览:





- 其它标准
- 上一篇: FZ/T 92071-2000 棉精梳分离辊
- 下一篇: FZ/T 64007-2000 机织树脂衬布
- 热门标准
- 纺织行业标准(FZ)
- FZ/T32006-2016 苎麻本色线
- FZ/T62005-2003 被、被套
- FZ/T92037-1995 P型齿链式无级变速器
- FZ/T92024-2006 LZ系列下罗拉轴承
- FZ/T24024-2017 精梳单经单纬毛织品
- FZ/T20018-2000 毛纺织品中二氯甲烷可溶性物质的测定
- FZ/T92042-1995 边字提花装置
- FZ/T42007-2001 生丝/氨纶包缠丝
- FZ/T64058-2016 汽车隔音隔热垫用再加工纤维毡
- FZ/T50001-2005 合成纤维长丝网络度试验方法
- FZ/T90069-1995 零件表面交接处图形所代表的圆角半径尺寸要求
- FZ/T62021-2012 厨浴清洁巾
- FZ/T93053-2019 转杯纺纱机转杯
- FZ/T93096-2015 棉精梳机钳板
- FZ/T63020-2013 混合聚烯烃纤维绳索
- 行业新闻
请牢记:“bzxz.net”即是“标准下载”四个汉字汉语拼音首字母与国际顶级域名“.net”的组合。 ©2025 标准下载网 www.bzxz.net 本站邮件:bzxznet@163.com
网站备案号:湘ICP备2025141790号-2
网站备案号:湘ICP备2025141790号-2