- 您的位置:
- 标准下载网 >>
- 标准分类 >>
- 国家标准(GB) >>
- GB 12021.4-2004 电动洗衣机能耗限定值及能源效率等级
标准号:
GB 12021.4-2004
标准名称:
电动洗衣机能耗限定值及能源效率等级
标准类别:
国家标准(GB)
标准状态:
现行-
发布日期:
2004-10-21 -
实施日期:
2005-05-01 出版语种:
简体中文下载格式:
.rar.pdf下载大小:
134.82 KB
替代情况:
GB 12021.4-1989

点击下载
标准简介:
标准下载解压密码:www.bzxz.net
本标准规定了电动洗衣机单位功效耗电量限定值、用水量限定值、节能评价值及能源效率等级判定方法。本标准适用于额定洗涤容量为13 kg及以下的家用电动洗衣机,以下简称洗衣机;不适用于1.0 kg及以下的洗衣机和没有脱水功能的单桶洗衣机。对于洗衣干衣机只考核其洗涤功能。 GB 12021.4-2004 电动洗衣机能耗限定值及能源效率等级 GB12021.4-2004

部分标准内容:
ICS27.010
中华人民共和国国家标准
GB 12021.4—2004
代替GB12021.4-1989
电动洗衣机能耗限定值及能源效率等级The maximum allowable values of the energy consumption andEnergy efficiency grade for household electric washing machines2004-10-21发布
中华人民共和国国家质量监督检验检疫总局中国国家标准化管理委员会
2005-05-01实施
本标准的第4章是强制性的,其余是推荐性的。本标准参考了欧洲和美国的相关标准和法规。本标准此次修订与GB12021.4-1989相比,主要变化如下:GB12021.4—2004
一对各类型洗衣机的耗电量限定值进行了修改(4.2),并对相应的用水量、洗净比指标提出了要求,
增加了能源效率等级判定方法(5);增加了节能评价值(6)。
本标准由全国能源基础与管理标准技术委员会提出。本标准由全国能源基础与管理标准化技术委员会合理用电分技术委员会归口。本标准起草单位:中国标准化研究院、广州电器科学研究院、中国家用电器研究院、海尔集团、无锡博西威家用电器有限公司、无锡小天鹅有限公司、杭州松下家用电器有限公司、春兰集团公司。本标准起草人:成建宏、沈祖析、金明红、建国、吕佩师、丁旭东、曹振尉、童仙玉、徐恒。本标准历次版本发布情况:
GB12021.4—1989。
1范围
电动洗衣机能耗限定值及能源效率等级GB12021.4-2004
本标准规定了电动洗衣机单位功效耗电量限定值、用水量限定值、节能评价值及能源效率等级判定方法。
本标准适用于额定洗涤容量为13kg及以下的家用电动洗衣机,以下简称洗衣机;不适用于1.0kg及以下的洗衣机和没有脱水功能的单桶洗衣机。对于洗衣干衣机只考核其洗涤功能。2规范性引用文件
下列文件中的条款通过本标准的引用而成为本标准的条款。凡是注日期的引用文件,其随后所有的修订单(不包括勘误的内容)或修订版均不适用于本标准,然而,鼓励根据本标准达成协议的各方研究是否可使用这些文件的最新的版本。凡是不注日期的引用文件,其最新版本适用于本标准。GB/T2828逐批检查计数抽样程序及抽样表(适用于连续批的检查)GB/T2829周期检查计数抽样程序及抽样表(适用于生产过程稳定性的检查)GB/T4288家用电动洗衣机
3术语和定义
本标准采用下列术语和定义。
洗衣机工作周期
washingcycle
按照被测洗衣机所具备的功能(如洗净、漂洗、脱水、进水、排水等),完成一次常用(标准)洗衣程序的全过程。
洗衣机工作周期耗电置electricenergyconsumption洗衣机在额定工作状态下,完成一个工作周期所消耗的全部电量,包括对洗涤用水加热所消耗的能量。单位:kWh/eycle。
洗衣机工作周期用水盘waterconsumption洗衣机在额定工作状态下,完成一个工作周期所消耗的水量,单位:L./cycle。3.4
单位功效耗电量energyconsumptionperkilogram洗衣机工作周期耗电量与额定洗涤容量之比。单位:kWh/cycle/kg。3.5
单位功效用水置waterconsumptionperkilogram洗衣机工作周期用水量与额定洗涤容量之比。单位:L/cycle/kg3.6
耗电量限定值themaximum allowablevalueof energyconsumption洗衣机在额定工作状态下,完成一个工作周期所允许的耗电量最大值。3.7
能源效率等级energyefficiencygrade1
GB12021.4—2004
洗衣机的能源效率等级(简称能效等级),是依据其耗电量、用水量和洗净比的大小确定,分成1、2、3、4和5五个等级,1级表示能源效率最高。3.8
能源效率标识
energylabel
能源效率标识(简称能效标识)是贴在用能产品上的一种信息标签,表明产品能源效率等级和能源消耗量、用水量等级及洗净比等指标。3.9
节能评价值theevaluatingvaluesofenergyconservation达到节能产品认证要求所充许的最大能耗。4耗电盘限定值和用水盘限定值
4.1洗衣机的实测耗电盘和用水盘参照GB/T2828、GB/T2829,确定产品抽样方案,并从中抽取三台样品,同时测试耗电量、用水量、洗净比、脱水率、漂洗性能,取其平均值为该类型产品的实测耗电量、用水量和洗净比。并换算成单位功效耗电量和单位功效用水量。
4.2单位功效耗电盘限定值和用水盘限定值洗衣机的单位功效耗电量和用水量应不超过表1所规定的限定值,同时洗净比应大于等于0.7,脱水率、漂洗性能应达到GB/T4288的要求;否则,产品为不合格。表1耗电限定值和用水盘限定值
洗衣机类型
波轮式和全自动搅拌式洗衣机
滚简式洗衣机
5能效等级判定方法
单位功效耗电盘限定值/
(kWh/cycle/kg)
单位功效用水量限定值/
(L/cycle/kg)
根据洗衣机的实测单位功效耗电量、用水量、洗净比,各项指标均达到表2的规定要求,判定该产品的能源效率等级。在能效标识上同时标注能效等级、耗电查、用水量、洗净比指标。暂不包括全自动搅拌式洗衣机。
表2洗衣机能源效率等级
波轮式洗衣机
洗衣机
能效等级
耗电量/
(kwh/cycle/kg)
节能评价值
用水斑/
(L/cycle/kg)
洗净比
耗电量/
(kWh/cycle/kg)
滚简式洗衣机
用水量/
(L/cyele/kg)
洗净比
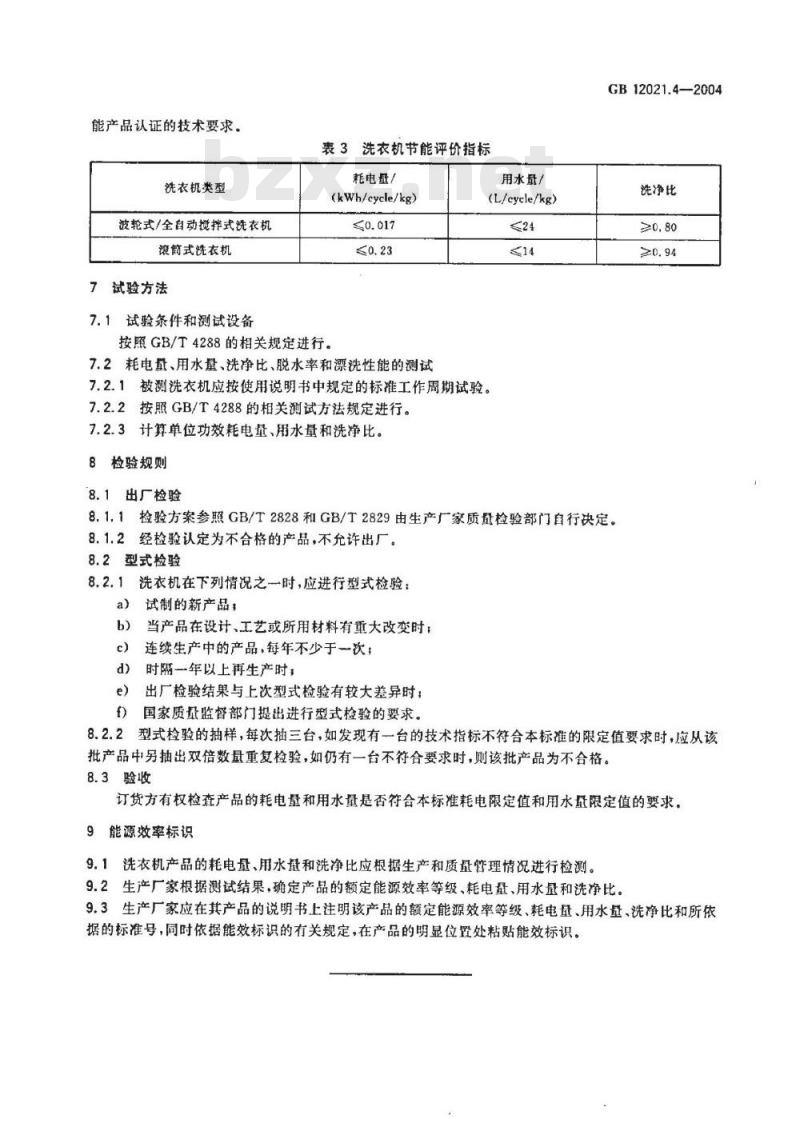
当洗衣机的实测耗电量、用水量和洗净比指标同时达到表3规定时,判定该产品的能耗指标符合节2
能产品认证的技术要求。
洗衣机类型bzxz.net
波轮式/全自动搅拌式洗衣机
滚简式洗衣机
7试验方法
7.1试验条件和测试设备
表3洗衣机节能评价指标
耗电量/
(kWh/cycle/kg)
按照GB/T4288的相关规定进行。7.2耗电量、用水量、洗净比、脱水率和漂洗性能的测试用水量/
(L/cyele/kg)
7.2.1被测洗衣机应按使用说明书中规定的标准工作周期试验。7.2.2按照GB/T4288的相关测试方法规定进行。7.2.3计算单位功效耗电量、用水量和洗净比。8检验规则
8.1出厂检验
GB12021.4—2004
洗净比
8.1.1检验方案参照GB/T2828和GB/T2829由生产厂家质量检验部门自行决定。8.1.2经检验认定为不合格的产品,不允许出厂。8.2型式检验
8.2.1洗衣机在下列情况之一时,应进行型式检验:a)
试制的新产品,
当产品在设计,工艺或所用材料有重大改变时:b)
连续生产中的产品,每年不少于一次;时隔一年以上再生产时,
出厂检验结果与上次型式检验有较大差异时;e)
国家质量监督部门提出进行型式检验的要求。型式检验的抽样,每次抽三台,如发现有一台的技术指标不符合本标准的限定值要求时,应从该8.2.2
批产品中另抽出双倍数量重复检验,如仍有一台不符合要求时,则该批产品为不合格。8.3验收
订货方有权检查产品的耗电量和用水量是否符合本标准耗电限定值和用水量限定值的要求。9能源效率标识
9.1洗衣机产品的耗电量、用水量和洗净比应根据生产和质量管理情况进行检测。9.2生产厂家根据测试结果,确定产品的额定能源效率等级、耗电量、用水量和洗净比。9.3生产厂家应在其产品的说明书上注明该产品的额定能源效率等级、耗电量、用水量、洗净比和所依据的标准号,同时依据能效标识的有关规定,在产品的明显位置处粘贴能效标识。GB12021.4-2004
中华人民共和国
国家标准
电动洗衣机能耗限定值及能源效率等级GB12021.4——2004
中国标准出版社出版发行
北京复兴门外三里河北街16号
邮政编码:100045
网址bzcbs.com
电话:6852394668517548
中国标准出版社秦皇岛印刷厂印剧各地新华书店经销
开本880×1230
2004年12月第一版
如有印装差错
印张0.5字数7千字
2004年12月第一次印刷
由本社发行中心调换
小提示:此标准内容仅展示完整标准里的部分截取内容,若需要完整标准请到上方自行免费下载完整标准文档。
中华人民共和国国家标准
GB 12021.4—2004
代替GB12021.4-1989
电动洗衣机能耗限定值及能源效率等级The maximum allowable values of the energy consumption andEnergy efficiency grade for household electric washing machines2004-10-21发布
中华人民共和国国家质量监督检验检疫总局中国国家标准化管理委员会
2005-05-01实施
本标准的第4章是强制性的,其余是推荐性的。本标准参考了欧洲和美国的相关标准和法规。本标准此次修订与GB12021.4-1989相比,主要变化如下:GB12021.4—2004
一对各类型洗衣机的耗电量限定值进行了修改(4.2),并对相应的用水量、洗净比指标提出了要求,
增加了能源效率等级判定方法(5);增加了节能评价值(6)。
本标准由全国能源基础与管理标准技术委员会提出。本标准由全国能源基础与管理标准化技术委员会合理用电分技术委员会归口。本标准起草单位:中国标准化研究院、广州电器科学研究院、中国家用电器研究院、海尔集团、无锡博西威家用电器有限公司、无锡小天鹅有限公司、杭州松下家用电器有限公司、春兰集团公司。本标准起草人:成建宏、沈祖析、金明红、建国、吕佩师、丁旭东、曹振尉、童仙玉、徐恒。本标准历次版本发布情况:
GB12021.4—1989。
1范围
电动洗衣机能耗限定值及能源效率等级GB12021.4-2004
本标准规定了电动洗衣机单位功效耗电量限定值、用水量限定值、节能评价值及能源效率等级判定方法。
本标准适用于额定洗涤容量为13kg及以下的家用电动洗衣机,以下简称洗衣机;不适用于1.0kg及以下的洗衣机和没有脱水功能的单桶洗衣机。对于洗衣干衣机只考核其洗涤功能。2规范性引用文件
下列文件中的条款通过本标准的引用而成为本标准的条款。凡是注日期的引用文件,其随后所有的修订单(不包括勘误的内容)或修订版均不适用于本标准,然而,鼓励根据本标准达成协议的各方研究是否可使用这些文件的最新的版本。凡是不注日期的引用文件,其最新版本适用于本标准。GB/T2828逐批检查计数抽样程序及抽样表(适用于连续批的检查)GB/T2829周期检查计数抽样程序及抽样表(适用于生产过程稳定性的检查)GB/T4288家用电动洗衣机
3术语和定义
本标准采用下列术语和定义。
洗衣机工作周期
washingcycle
按照被测洗衣机所具备的功能(如洗净、漂洗、脱水、进水、排水等),完成一次常用(标准)洗衣程序的全过程。
洗衣机工作周期耗电置electricenergyconsumption洗衣机在额定工作状态下,完成一个工作周期所消耗的全部电量,包括对洗涤用水加热所消耗的能量。单位:kWh/eycle。
洗衣机工作周期用水盘waterconsumption洗衣机在额定工作状态下,完成一个工作周期所消耗的水量,单位:L./cycle。3.4
单位功效耗电量energyconsumptionperkilogram洗衣机工作周期耗电量与额定洗涤容量之比。单位:kWh/cycle/kg。3.5
单位功效用水置waterconsumptionperkilogram洗衣机工作周期用水量与额定洗涤容量之比。单位:L/cycle/kg3.6
耗电量限定值themaximum allowablevalueof energyconsumption洗衣机在额定工作状态下,完成一个工作周期所允许的耗电量最大值。3.7
能源效率等级energyefficiencygrade1
GB12021.4—2004
洗衣机的能源效率等级(简称能效等级),是依据其耗电量、用水量和洗净比的大小确定,分成1、2、3、4和5五个等级,1级表示能源效率最高。3.8
能源效率标识
energylabel
能源效率标识(简称能效标识)是贴在用能产品上的一种信息标签,表明产品能源效率等级和能源消耗量、用水量等级及洗净比等指标。3.9
节能评价值theevaluatingvaluesofenergyconservation达到节能产品认证要求所充许的最大能耗。4耗电盘限定值和用水盘限定值
4.1洗衣机的实测耗电盘和用水盘参照GB/T2828、GB/T2829,确定产品抽样方案,并从中抽取三台样品,同时测试耗电量、用水量、洗净比、脱水率、漂洗性能,取其平均值为该类型产品的实测耗电量、用水量和洗净比。并换算成单位功效耗电量和单位功效用水量。
4.2单位功效耗电盘限定值和用水盘限定值洗衣机的单位功效耗电量和用水量应不超过表1所规定的限定值,同时洗净比应大于等于0.7,脱水率、漂洗性能应达到GB/T4288的要求;否则,产品为不合格。表1耗电限定值和用水盘限定值
洗衣机类型
波轮式和全自动搅拌式洗衣机
滚简式洗衣机
5能效等级判定方法
单位功效耗电盘限定值/
(kWh/cycle/kg)
单位功效用水量限定值/
(L/cycle/kg)
根据洗衣机的实测单位功效耗电量、用水量、洗净比,各项指标均达到表2的规定要求,判定该产品的能源效率等级。在能效标识上同时标注能效等级、耗电查、用水量、洗净比指标。暂不包括全自动搅拌式洗衣机。
表2洗衣机能源效率等级
波轮式洗衣机
洗衣机
能效等级
耗电量/
(kwh/cycle/kg)
节能评价值
用水斑/
(L/cycle/kg)
洗净比
耗电量/
(kWh/cycle/kg)
滚简式洗衣机
用水量/
(L/cyele/kg)
洗净比
当洗衣机的实测耗电量、用水量和洗净比指标同时达到表3规定时,判定该产品的能耗指标符合节2
能产品认证的技术要求。
洗衣机类型bzxz.net
波轮式/全自动搅拌式洗衣机
滚简式洗衣机
7试验方法
7.1试验条件和测试设备
表3洗衣机节能评价指标
耗电量/
(kWh/cycle/kg)
按照GB/T4288的相关规定进行。7.2耗电量、用水量、洗净比、脱水率和漂洗性能的测试用水量/
(L/cyele/kg)
7.2.1被测洗衣机应按使用说明书中规定的标准工作周期试验。7.2.2按照GB/T4288的相关测试方法规定进行。7.2.3计算单位功效耗电量、用水量和洗净比。8检验规则
8.1出厂检验
GB12021.4—2004
洗净比
8.1.1检验方案参照GB/T2828和GB/T2829由生产厂家质量检验部门自行决定。8.1.2经检验认定为不合格的产品,不允许出厂。8.2型式检验
8.2.1洗衣机在下列情况之一时,应进行型式检验:a)
试制的新产品,
当产品在设计,工艺或所用材料有重大改变时:b)
连续生产中的产品,每年不少于一次;时隔一年以上再生产时,
出厂检验结果与上次型式检验有较大差异时;e)
国家质量监督部门提出进行型式检验的要求。型式检验的抽样,每次抽三台,如发现有一台的技术指标不符合本标准的限定值要求时,应从该8.2.2
批产品中另抽出双倍数量重复检验,如仍有一台不符合要求时,则该批产品为不合格。8.3验收
订货方有权检查产品的耗电量和用水量是否符合本标准耗电限定值和用水量限定值的要求。9能源效率标识
9.1洗衣机产品的耗电量、用水量和洗净比应根据生产和质量管理情况进行检测。9.2生产厂家根据测试结果,确定产品的额定能源效率等级、耗电量、用水量和洗净比。9.3生产厂家应在其产品的说明书上注明该产品的额定能源效率等级、耗电量、用水量、洗净比和所依据的标准号,同时依据能效标识的有关规定,在产品的明显位置处粘贴能效标识。GB12021.4-2004
中华人民共和国
国家标准
电动洗衣机能耗限定值及能源效率等级GB12021.4——2004
中国标准出版社出版发行
北京复兴门外三里河北街16号
邮政编码:100045
网址bzcbs.com
电话:6852394668517548
中国标准出版社秦皇岛印刷厂印剧各地新华书店经销
开本880×1230
2004年12月第一版
如有印装差错
印张0.5字数7千字
2004年12月第一次印刷
由本社发行中心调换
小提示:此标准内容仅展示完整标准里的部分截取内容,若需要完整标准请到上方自行免费下载完整标准文档。

标准图片预览:





- 其它标准
- 热门标准
- 国家标准(GB)
- GB/T38249-2019 信息安全技术 政府网站云计算服务安全指南
- GB/T1599-2002 锑锭
- GB/T43598-2023 纳米技术 石墨烯粉体氧含量和碳氧比的测定 X射线光电子能谱法
- GB/T15549-2022 感官分析 方法学 检测和识别气味方面评价员的入门和培训
- GB/T23344-2009 纺织品 4-氨基偶氮苯的测定
- GB/T1357-1987 渐开线圆柱齿轮模数
- GB/T38949-2020 多孔膜孔径的测定 标准粒子法
- GB/T7932-2003 气动系统通用技术条件
- GB/T18235.1-2000 信息技术 高性能并行接口 第1部分:机械、电气及信号协议规范(HIPPI-PH)
- GB3404-1982 硅质玻璃原料化学分析方法
- GB/T13182-2007 碘化钠(铊)闪烁体和碘化钠(铊)闪烁探测器
- GB/T22089-2008 电水壶性能要求及试验方法
- GB/T231.4-2009 金属材料 布氏硬度试验 第4部分:硬度值表
- GB/T27888.3-2011 船舶与海上技术 船舶与海上结构物的排水系统 第3部分:真空系统的卫生水排放及排放管道
- GB/T40114-2021 首饰贵金属含量的测定ICP差减法
- 行业新闻
请牢记:“bzxz.net”即是“标准下载”四个汉字汉语拼音首字母与国际顶级域名“.net”的组合。 ©2009 标准下载网 www.bzxz.net 本站邮件:bzxznet@163.com
网站备案号:湘ICP备2023016450号-1
网站备案号:湘ICP备2023016450号-1