- 您的位置:
- 标准下载网 >>
- 标准分类 >>
- 国家标准(GB) >>
- GB/T 13821-1992 锌合金压铸件
标准号:
GB/T 13821-1992
标准名称:
锌合金压铸件
标准类别:
国家标准(GB)
标准状态:
现行-
发布日期:
1992-01-01 -
实施日期:
1993-10-01 出版语种:
简体中文下载格式:
.rar.pdf下载大小:
133.02 KB
替代情况:
被GB/T 13821-2009代替采标情况:
ASTM B86-1988,REF;JIS AS8301-1979,REF;NF A55-010-1987,REF
点击下载
标准简介:
标准下载解压密码:www.bzxz.net
本标准规定了锌合金压铸件分类、技术要求、试验方法、检验规则、交货条件等。本标准适用于锌合金压铸件。 GB/T 13821-1992 锌合金压铸件 GB/T13821-1992
部分标准内容:
中华人民共和国国家标准
Zinc alloy die castings
主题内容与适用范围
GB/T 13821—92下载标准就来标准下载网
本标准规定了锌合金压铸件分类、技术要求、试验方法、检验规则、交货条件等。本标准适用于锌合金压铸件。
2引用标准
GB5678铸造合金光谱分析取样方法GB6060.1表面粗糙度比较样块铸造表面GB6414铸件尺寸公差
GB/T11350铸件机械加工余量
GB/T 13818
压铸锌合金
3铸件的分类和分级
3.1铸件按使用要求分为三类见表1。表1
使用要求
承受较大载荷的零件
有较高相对运动速度的零件
承受中等载荷的零件
承受轻载荷的零件和其他零件
检验项目
机械性能、尺寸公差、表面质量、化学成分、其它特殊要求
尺寸公差、表面质量、化学成分、其它特殊要求
表面质量、化学成分、尺寸公差3.2铸件表面按使用范围分为三级见表2。分级条件按表2中说明和参照附录B(参考件)中的规定。如有更高要求的部位应在图样中有关表面处分别注明,表2
使用范围
工艺要求高的表面:键、抛光、研磨的表面相对运动的配合面,危险应力区表面
国家技术监督局1992-11-05批准表面粗糙度
1993-10-01实施
3.3铸件标记
GB/T13821-92
续表2
使用范围
要求一般或要求密封的表面,阳极氧化以及装配接触面等
保护性的涂覆表面及紧固接触面,油漆打腻表面,其他轰面
-标准号
表面粗糙度
铸件表面级别
铸件分类类别
合金牌号
3.4未注明铸件类别、级别和尺寸公差者,均按本标准的最低级别处理。4技术要求
4.1合金的化学成分应符合GB/T13818的规定。4.2力学性能
4.2.1当采用压铸试样检验时,铸件的力学性能应符合GB/T13818的规定。4.2.2当采用压铸件本体检验时,铸件力学性能由供需双方商定。4.3铸件尺寸公差
4.3.1成批或大批量生产的铸件尺寸公差应按GB6414的规定执行。4.3.2铸件尺寸公差不包括铸造斜度,对铸造斜度的规定见附录A(参考件)。4.4铸件需要机械加工,其加工余量应按GB/T11350的规定执行。4.5其它要求
4.5.1铸件内部缺陷如有要求应与供需双方一致同意的标准或要求相符合,其标准可包括:X射线底片、照片、无损探伤或压铸件剖面。4.5.2铸件表面质量可参照附录B(参考件)铸件表面质量的规定或双方选定的样件。4.5.3铸件的浇口、飞边、溢流口、隔皮等应予清理。但允许留有痕迹。4.6对铸件气压气密性,液压气密性及本标准未列项目加以控制时由供需双方商定。4.7在不影响铸件使用的条件下,经用户同意供方可以对铸件进行浸渗和修补。5试验方法
5.1化学成分
5.1.1合金化学成分的检验方法应符合GB/T13818中5.1.1的规定。5.1.2光谱分析的取样方法可参照GB5678进行。398
5.2力学性能
GB/T13821—92
5.2.1合金性能的检验方法应符合GB/T13818中5.2的规定。5.2.2采用铸件本体为试样时,切取部位、尺寸、型式由供需双方商定。5.3铸件表面粗糙度用GB6060.1的比较样块测定。6检验规则
6.1化学成分
化学成分的检验应符合GB/T13818中5.1的规定。6.2力学性能
6.2.1力学性能的检验频率应符合GB/T13818中5.2.1的规定。6.2.2力学性能的检验规则按GB/T13818中5.2.5的规定。6.3铸件表面质量应按3.2、4.5.2、4.5.3规定逐件检查6.4铸件表面粗糙度按GB6060.1的规定进行检测。6.5铸件几何尺寸按批次抽验,每批的抽验数量由供需双方商定,抽验结果必须符合4.3的规定。7包装、运输、贮存
7.1铸件的包装应保证在运输过程中和存放时间防止潮湿和机械损伤。7.2包装的标志应有:名称、数量、合金牌号、检验合格印记和交付日记。7.3运输 由双方商定。
GB/T13821-92
附录A
锌合金压铸件铸造斜度
(参考件)
A1锌合金压铸件内腔的一般铸造斜度如下,铸件外壁铸造斜度为内腔铸造斜度的二分之一,见表Al。
内腔深度,mm
铸造斜度
>6~8
>8~10
>10~15
>15~20
>20~~30
A2锌合金压铸件的铸孔直径与最大深度的关系及其铸造斜度的规定见表2。表A2
孔的直径,mn
最大深度,mn
铸造斜度
≥>3~4
>5~6
A3锌合金压铸件的最小铸造斜度见表A3。铸件内腔
铸件外壁
>6~8
>30~60
≥8~10≥10~12≥12~16/16~20/20~2540
0°45'
A4锌合金压铸件尺寸公差不包括由于铸造斜度而引起的尺寸增减,但必须保证铸件的最小极限尺寸。
附录B
锌合金压铸件表面质量分级
(参考件)
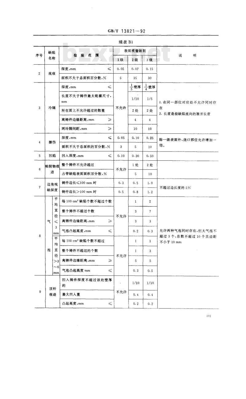
B1铸件表面质量分级见表B1。
检验范围
三者面积不超过总面积的百分
表面质量级别
检验范围
深度,mm
面积不大于总面积百分数,%
深度,mm
GB/T 13821--92
续表B1
表面质量级别
长度不大于铸件最大轮廓尺寸,mm
所在面上不允许超过的数量
离铸件边缘距离,mm
两冷隔间距,mm
深度,mm
面积不大于总面积的百分数,%
凹入深度,mm
整个铸件不允许超过
粘附物痕
边角残
缺深度
占带缺陷表面面积百分数,%
铸件边长≤100mm时
铸件边长>100mm时
每100cm缺陷个数不超过个数
整个铸件不超过个数
离铸件边缘距离,mm
气泡凸起高度,mm
每100cm缺陷个数不超过
整个铸件不超过的个数
离铸件边缘距离,mm
气泡凸起高度mm
凹入铸件深度不超过该处壁厚
最大凹入量
凸起高度,mm
不允许
不充许
不充许
不允许
不允许
1.在同一部位对应处不允许同时存牵
2.长度是指缺陷流向的展开长度除一级表面外,浇口部位允许增加倍。
不超过边长度的5%
允许两种气泡同时存在,但大气泡不超过3个,总数不超过10个且边距不小于 10 mm
各类缺
陷总和
检验范围
凸起或凹下,mm
GB/T13821—92
续表B1
表面质量级别
不允许
面积不超过总面积的百分数,%
附加说明:
本标准由中华人民共和国机械电子工业部提出,由机械电子工业部沈阳铸造研究所归口。本标准由机械电子工业部沈阳铸造研究所、天津市有色金属铸造厂、第二汽车制造厂负责起草。本标准主要起草人邝允烈、郭存厚、王郁、李吉孚、贾淑琴。102
小提示:此标准内容仅展示完整标准里的部分截取内容,若需要完整标准请到上方自行免费下载完整标准文档。
Zinc alloy die castings
主题内容与适用范围
GB/T 13821—92下载标准就来标准下载网
本标准规定了锌合金压铸件分类、技术要求、试验方法、检验规则、交货条件等。本标准适用于锌合金压铸件。
2引用标准
GB5678铸造合金光谱分析取样方法GB6060.1表面粗糙度比较样块铸造表面GB6414铸件尺寸公差
GB/T11350铸件机械加工余量
GB/T 13818
压铸锌合金
3铸件的分类和分级
3.1铸件按使用要求分为三类见表1。表1
使用要求
承受较大载荷的零件
有较高相对运动速度的零件
承受中等载荷的零件
承受轻载荷的零件和其他零件
检验项目
机械性能、尺寸公差、表面质量、化学成分、其它特殊要求
尺寸公差、表面质量、化学成分、其它特殊要求
表面质量、化学成分、尺寸公差3.2铸件表面按使用范围分为三级见表2。分级条件按表2中说明和参照附录B(参考件)中的规定。如有更高要求的部位应在图样中有关表面处分别注明,表2
使用范围
工艺要求高的表面:键、抛光、研磨的表面相对运动的配合面,危险应力区表面
国家技术监督局1992-11-05批准表面粗糙度
1993-10-01实施
3.3铸件标记
GB/T13821-92
续表2
使用范围
要求一般或要求密封的表面,阳极氧化以及装配接触面等
保护性的涂覆表面及紧固接触面,油漆打腻表面,其他轰面
-标准号
表面粗糙度
铸件表面级别
铸件分类类别
合金牌号
3.4未注明铸件类别、级别和尺寸公差者,均按本标准的最低级别处理。4技术要求
4.1合金的化学成分应符合GB/T13818的规定。4.2力学性能
4.2.1当采用压铸试样检验时,铸件的力学性能应符合GB/T13818的规定。4.2.2当采用压铸件本体检验时,铸件力学性能由供需双方商定。4.3铸件尺寸公差
4.3.1成批或大批量生产的铸件尺寸公差应按GB6414的规定执行。4.3.2铸件尺寸公差不包括铸造斜度,对铸造斜度的规定见附录A(参考件)。4.4铸件需要机械加工,其加工余量应按GB/T11350的规定执行。4.5其它要求
4.5.1铸件内部缺陷如有要求应与供需双方一致同意的标准或要求相符合,其标准可包括:X射线底片、照片、无损探伤或压铸件剖面。4.5.2铸件表面质量可参照附录B(参考件)铸件表面质量的规定或双方选定的样件。4.5.3铸件的浇口、飞边、溢流口、隔皮等应予清理。但允许留有痕迹。4.6对铸件气压气密性,液压气密性及本标准未列项目加以控制时由供需双方商定。4.7在不影响铸件使用的条件下,经用户同意供方可以对铸件进行浸渗和修补。5试验方法
5.1化学成分
5.1.1合金化学成分的检验方法应符合GB/T13818中5.1.1的规定。5.1.2光谱分析的取样方法可参照GB5678进行。398
5.2力学性能
GB/T13821—92
5.2.1合金性能的检验方法应符合GB/T13818中5.2的规定。5.2.2采用铸件本体为试样时,切取部位、尺寸、型式由供需双方商定。5.3铸件表面粗糙度用GB6060.1的比较样块测定。6检验规则
6.1化学成分
化学成分的检验应符合GB/T13818中5.1的规定。6.2力学性能
6.2.1力学性能的检验频率应符合GB/T13818中5.2.1的规定。6.2.2力学性能的检验规则按GB/T13818中5.2.5的规定。6.3铸件表面质量应按3.2、4.5.2、4.5.3规定逐件检查6.4铸件表面粗糙度按GB6060.1的规定进行检测。6.5铸件几何尺寸按批次抽验,每批的抽验数量由供需双方商定,抽验结果必须符合4.3的规定。7包装、运输、贮存
7.1铸件的包装应保证在运输过程中和存放时间防止潮湿和机械损伤。7.2包装的标志应有:名称、数量、合金牌号、检验合格印记和交付日记。7.3运输 由双方商定。
GB/T13821-92
附录A
锌合金压铸件铸造斜度
(参考件)
A1锌合金压铸件内腔的一般铸造斜度如下,铸件外壁铸造斜度为内腔铸造斜度的二分之一,见表Al。
内腔深度,mm
铸造斜度
>6~8
>8~10
>10~15
>15~20
>20~~30
A2锌合金压铸件的铸孔直径与最大深度的关系及其铸造斜度的规定见表2。表A2
孔的直径,mn
最大深度,mn
铸造斜度
≥>3~4
>5~6
A3锌合金压铸件的最小铸造斜度见表A3。铸件内腔
铸件外壁
>6~8
>30~60
≥8~10≥10~12≥12~16/16~20/20~2540
0°45'
A4锌合金压铸件尺寸公差不包括由于铸造斜度而引起的尺寸增减,但必须保证铸件的最小极限尺寸。
附录B
锌合金压铸件表面质量分级
(参考件)
B1铸件表面质量分级见表B1。
检验范围
三者面积不超过总面积的百分
表面质量级别
检验范围
深度,mm
面积不大于总面积百分数,%
深度,mm
GB/T 13821--92
续表B1
表面质量级别
长度不大于铸件最大轮廓尺寸,mm
所在面上不允许超过的数量
离铸件边缘距离,mm
两冷隔间距,mm
深度,mm
面积不大于总面积的百分数,%
凹入深度,mm
整个铸件不允许超过
粘附物痕
边角残
缺深度
占带缺陷表面面积百分数,%
铸件边长≤100mm时
铸件边长>100mm时
每100cm缺陷个数不超过个数
整个铸件不超过个数
离铸件边缘距离,mm
气泡凸起高度,mm
每100cm缺陷个数不超过
整个铸件不超过的个数
离铸件边缘距离,mm
气泡凸起高度mm
凹入铸件深度不超过该处壁厚
最大凹入量
凸起高度,mm
不允许
不充许
不充许
不允许
不允许
1.在同一部位对应处不允许同时存牵
2.长度是指缺陷流向的展开长度除一级表面外,浇口部位允许增加倍。
不超过边长度的5%
允许两种气泡同时存在,但大气泡不超过3个,总数不超过10个且边距不小于 10 mm
各类缺
陷总和
检验范围
凸起或凹下,mm
GB/T13821—92
续表B1
表面质量级别
不允许
面积不超过总面积的百分数,%
附加说明:
本标准由中华人民共和国机械电子工业部提出,由机械电子工业部沈阳铸造研究所归口。本标准由机械电子工业部沈阳铸造研究所、天津市有色金属铸造厂、第二汽车制造厂负责起草。本标准主要起草人邝允烈、郭存厚、王郁、李吉孚、贾淑琴。102
小提示:此标准内容仅展示完整标准里的部分截取内容,若需要完整标准请到上方自行免费下载完整标准文档。
标准图片预览:





- 其它标准
- 热门标准
- 国家标准(GB)
- GB/T2828.1-2012 计数抽样检验程序 第1部分:按接收质量限(AQL)检索的逐批检验抽样计划
- GB50367-2013 混凝土结构加固设计规范
- GB/T228.1-2021 金属材料 拉伸试验 第1部分:室温试验方法
- GB/T3836.1-2021 爆炸性环境 第1部分:设备 通用要求
- GB/T29863-2023 服装制图
- GB/T18204.4-2000 公共场所毛巾、床上卧具微生物检验方法细菌总数测定
- GB5009.225-2023 食品安全国家标准 酒和食用酒精中乙醇浓度的测定
- GB/T23892.3-2009 滑动轴承 稳态条件下流体动压可倾瓦块止推轴承 第3部分:可倾瓦块止推轴承计算的许用值
- GB/T9145-2003 普通螺纹 中等精度、优选系列的极限尺寸
- GB/T11839-1989 二氧化铀芯块中硼的测定 姜黄素萃取光度法
- GB5725-2009 安全网
- GB/T18380.33-2022 电缆和光缆在火焰条件下的燃烧试验 第33部分:垂直安装的成束电线电缆火焰垂直蔓延试验 A类
- GB/T9239-1988 刚性转子平衡品质 许用不平衡的确定
- GB/T15917.3-1995 金属镝及氧化镝化学分析方法 对氯苯基荧光酮--溴化十六烷基三甲基胺分光光度法测定钽量
- GB50209-2002 建筑地面工程施工质量验收规范
- 行业新闻
请牢记:“bzxz.net”即是“标准下载”四个汉字汉语拼音首字母与国际顶级域名“.net”的组合。 ©2025 标准下载网 www.bzxz.net 本站邮件:bzxznet@163.com
网站备案号:湘ICP备2025141790号-2
网站备案号:湘ICP备2025141790号-2