- 您的位置:
- 标准下载网 >>
- 标准分类 >>
- 国家标准(GB) >>
- GB/T 13668-2003 钢制书柜、资料柜通用技术条件
标准号:
GB/T 13668-2003
标准名称:
钢制书柜、资料柜通用技术条件
标准类别:
国家标准(GB)
标准状态:
现行-
发布日期:
2003-11-27 -
实施日期:
2004-05-01 出版语种:
简体中文下载格式:
.rar.pdf下载大小:
227.16 KB
标准ICS号:
家用和商用设备、文娱、体育>>97.140家具中标分类号:
轻工、文化与生活用品>>家具>>Y81家具制品
替代情况:
GB/T 13668-1992
点击下载
标准简介:
标准下载解压密码:www.bzxz.net
本标准规定了钢制书柜、资料柜等柜类产品的术语和定义、分类和命名、材料和结构、要求、试验方法、检验规则、标志、包装、运输及贮存。本标准适用于钢制书柜、资料柜等柜类产品,也适用于相同类型的柜类产品。 GB/T 13668-2003 钢制书柜、资料柜通用技术条件 GB/T13668-2003
部分标准内容:
标准对一润制权资料柜适用技术条的您本准与/331902比变如
GB/T13668—2003
整效广形公差中光于分缝的要求,使之与(13T33251995金寓家只通书技术条件析协周一致;
一对所同主要材料的救转最小厚资作了规定:一一修改了表面处理质量节然款,原适应了喷漆喷塑两工艺,双北洋库作了分类--避化的要求随RT一钢头工件涂装前磷化处理术条件的变化而变化,补充了对玻攻、塑料件两与配件心要求一:标标齐抽增数式点大·维一实施,专志企业生产理妆和抽样的操作性在抽作数罩【.位[适当诗整。
本弥注由业图轻工业联合会提出本标洋小全月家只新准化中心归口,本标注询支起草单立:国家小公月品股备质质监督检验中心。本际洋参加起节单统:萨阳市共特办公家氏有限公司,浙红嘉普经纯办公改备有限公司、苏州市水五企卫制品有限公司,常州山用理业办公过备有限公司、常州市文化图书设备有限公司,西安市新飞消案设备厂。
中标注土要定卓人:关德怀盛卫,亚以、杨:大润游荣,本际洋所代替标准的历款版A发有价流:1668一152.1
1苹围
钢制书柜,资料柜通用技术条件GR/T 13E6--203
本际理成定了钢制存、资料护等类!吊的术诺和宝定、芬美和命名材料和劲构要求,试验片头,验见则标上,包装、这推效贮序。标制书资料类产品造可类型的严品2规范性引用文件
下刻文性中的条款证过本你准的而成为本标洋的杀款,品注期的用文件:共随所有的能收单(不包报动保的内空)或够版按不适带于本标求,然·缺励根现本标准运成协的窄研究偿用这些文作的新版本。无是小注期的用之件,其景装版三适周下年标,G包装室图标G/200.eq5)897
11720:7S涤普小定法
B/2730-93落膜硬定法授阻尼验(51522:107(1/个733-19%漆时冲定法
GB/TS807钢铁T.件欲装露化处理技木条门G/T28—1漆和漆膜的息格试验
R66色漆和特漆不者金晨朝料范色降漆展元3:和\榜面光泽的测运(c0)28.3.11)
C上9965.1工业产品使为说明节总测G/r ioy.11
家具方学件维流奖稳守B3.1—s.qS.8H/T1家H力学性能式验栏类强我和耐久地G3:T1125、候系结快瓶阳低台金性板冷轧薄银板提钢带GHT1南书用品这各产举编市,方法3产品分类和命名
3.1产品分类
3.1按结均示式处为单节,多1侈门杆卷门3.1.2按用途分为书帮,缩微,图、文件,当案等资料柜,占录范和期护。3.2产品型号的命名
产品型号的盒名合T16安求
3.3柜的外形和尺寸
31的外形如图17断示。
3.3.2业的外尺寸证花个求要求
4要求
4. 1材料
4.1.1产品所用想色金满以科的件能意符合(T23规是的些求,或使不低一同等件能为板,
则效,门版、求载部的的权厚费不低于出,了m,其栏技封季安尔于m1
G/T13668—2003
4.1.3使用其他材料时,其性能应符个有关标准要求。R
书柜示惠图
文件柜示愈图
图5档累柜示意网
图2缩微蜜料柜示意图
图4期刊柜示意图
资转临
文作资忆柜
若饮权款
挡案拒
娟刊拒
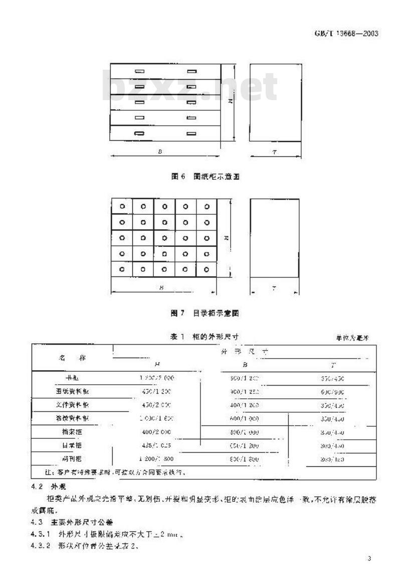
图纸柜示意函
目录拒示意图
表 1柜的外形尺寸
125 (0
+30/2c3
400/2coc
1 200/:300
让;季户书等练要求时,可按双力合同要求慎行,4.2外观
SC0/12
C0/1 2:
on/1Qcn
C5t1200
GB/T13668—2003
单忙为最米
SJCSJC
35u:tou
拒类产品外现六为资平些,无刻伤,并奖和归最恋影、拒的衣巾鲶层应免洋致,不允许有涤尽脱范或晖底,
4.3主要外形尺寸公差
4.5.1外形尺板限循差应不大于-2 mt4.3.2形或付公差2
CIT1366B—2003
达年片二
对的我民变:0
对物成支1:
禁院:各
海电箱
1外避险外
心润名业性
4.4工艺要求
表 2 形状和位置公率
4.4.1冲!件应平整无离水无许我链,Fa:2 u
-F s:1. 5
下 ≤:1. :
4.1?严品焊成车压,外表比滑平整,不得有、焊简、类洁和焊餐、彩缝、新焊等准4.4.3严品与人达援触部分不左诈有尖毛剂。4.44司光产品的形长成非京券,4.5表面处理
4.5.1表面涂层
感光消乎快,无划伤色泽均句一致.大许有露底,流挂、起池,装皮等块陷。4.5.2磷化
产品应经过晓化处理.经再化处理后形成的接化膜应符合个的要求,4.5.3涂是要求
4. 5. 3. 1
兴深隆
为渔度国供端双方确定:产衍会合尚约定费求确层印化性能衣3,
表3端层埋化性能
检验目
半光业光
平半亚
冲得意
4.5.4耐腐蚀
标经成期为0的耐磨追试验:
技术指标
:1:--3
>50~-85
下低2级
民验大法
CETJJS&(\)
GW17 0
Ge.T :72 -:953
975图送
)oh内,规察在游剂中的+\板上划,道两侧3m以外,底无气泡,产生:19鸡法
b!10片,险查刘逻以便3mm:以外,喜点烤速,点言起变色式火光等现象。+
4.6配件的要报
4.6.1使州的波件不待有缺币、数线、划追,外毒部分不得有说过,4.6.2产品付开受力型料件应家好牢四,色率一效,无尖榜K过。GR/7 13668-2303
6.产品佳用的电爱件自哦点免,不游合烧烤,起器点,针,融效,花期收飞刻。2. 6.4
与们的策理化性符合表1婴求。
表4电摄层的理化性能
让猫度
抗声享
评点不识置2点-其一自量.5mm的点本识妞进b点0, 35 4,u
4,6.5普通钟品成开银自划,卡码领应保证号准商无送。4.7强度和刷久性
折装产品闪抵板,项、回板利底版,效门、移门,起门.加三滑逆以及证屏结构蝇座和耐久性盘按!3/3357.5要求逆行强建和原久体试,试产品量部件不成开双利版费,两定部件,法件不高出烈松动,任何零部件人得有严上影询便用出能的损或处多,活款李部件的工你应非最活划,4. 3培定性
4.3.1空数移定性
起放置平总,所有柜门元启不9靠,排函和拉出些制板拉出全泛药2/3,川转的距板到站大求了,此时托不显产生顺划玩象,4.8.2活动部件垂直加稳定性
车剂板快展上按额定我有加战将一遂能增大的垂点为施加到机门匝或推披上世性司或用板离升地所,些时所范内力虑无于废折(口更一全静裁劳)的1。4.8.3满报别薪核定将
在载收念下自的加最,品孩,异将一渗增水乎个此版上,使折脚成围核离地,些时所能加的力感大元该拍口身质直拍11,5试验方法
5.1材料检验
查验质保书,存子议时逊行理化分析。5.2外观、二艺要术检查
5.3配件检查
5.3.1按离件和垫粒件
5.3.2电镀件
图可州生群检或利精仪金德意确州技或游流测受单。5.3.3电镀伴抗盐需试验
将试件表面隐拍考后,成15角度尽注个益赛笔内。用5%前氯化钠浮液间围资要h(年心时值等1)保持(35【2)痒效疗收时龄详没降可,为一同盐需次降率火(1=,ml.小,8m:收出片试件用清点洗大试签,规赛试门三锈点大小皮效或。5.4外形尺寸检验
月钢卷尺进行树签,
CB/T13668—2003
5.5邻边重直盘(的测风
用卷见谢量的各形面的两对第载长和:,刘们线的段度差即为,44 =1.:= 1.:
5.5水严偏差(的油国
举贝测品进点和所地面鸡和两尚度(与A点之间的范离了之出为。
5.7平整度圳旦
均5钢板直尺效开在试件表面不平整处,用寒战创销板直民与成件表降量人间原为.
5.分综,底激需地身稳性检验
案成计行检验,
5.磷化膜检验
生产过程41,磷化膜的愉验该G13\S907要求进行5.10表面处理质灶的检验
5.0.1样板的制作
月到作柜类产品的钢板为成群,旋可产量表雨处项起进行,或在产价上享接取,尺小及数直见表5.
表5样板的尺寸及数量
试整项F
光泽区
冲止港度
附有方
5.0.2涤层光泽度试验
丧CB/T7547601要求进行:
5.10.3途温硬度试验
按GT3/下1732要求进行
5.10.涂层冲击强度试验
按L:13/T -732要求进行。
5.10.5途甜女总输
栏板小/n.m
5cx12:
4G:2: 12:1
5c:x12:
核G/172或GE/19286要来过行
5.0. 6耐蚀试验
难极数所
在拦核的两个对市线第锐刻的刀只划出深至制板均划痕,爆膜杆板划绒如州所不,然爱人过--5依度的化销济波中0的购蚀试游谢验过毛中按5.4求检查:
试峻造来后-取白样板:用水的格板消洗十净,片用逆纸吸「求分控1,3.要求控查,5.11强度和谢久性试晚
接G13/T 10357. 5 要求选行。
5.12稳定性试验
接GB/T103574要求丧行
6检验规则
6.1出厂检验
6.1.1出厂检验项目
阿3Tu
国8速样板划线图
,检验5日为21~4.4、1.51~4..3.1.6.56.1.2抽样微盘和判定规则
GB/T13668—2003
出厂检验应压行全数控验,出厂龄验项会部合格时次出厂验验合格:否,为出厂检验不合格:芳形民大·全数拉验·有困推时叫实行抽拦检验,企止应现处抽样数量和知定规则。6.2型式检验
6.2.1有,划情况之一时·座过行型检验:ai
新产品或者产品转厂生产的试制余型监案带生心后缩构,封料、工艺有然大收变,川能影睡产品性能时正常生产时,完期或和素一差产后,应每什选行一次检验产品停产一年后重新恢复生产时:出厂验结总与次型式检验在较大荒并寸:压家质量监肾部门报出型式按验要求时。6.2.2型式位验口为第1章的全部球日,对丁碳化只悼去其有无进行过磷化,而不进行具体的性能检频.
6.2.3别详效率安以示方步拟行bzxZ.net
62.3,1型式格验成深项抽样松验:在售!检验会格的严品中礼拍取,抽样整类三件:竞其出·性(套)为检验样.两套)封存各米。E.2.3.2司时抽股栏板,样板长小及散量.衣56.2.4定规则灯元
E,?.4.1型式松龄与月全部台咨时,为通近型式检验,光该决举式检验合格6.2.4.2、型式检验项中钢也以度、恒的强度和久长一人项日不合叫.即州该次式检验不会咨,其他项日有个项日不合格时应加格要检,录检合,判次现式格些合降:告仍为:个质目不合据时:划该饮型式检整不合格:
心H/T13668—2003
?标志、包装,运输、贮存
7.1标患
7.1.1产品标志
a)产品应有坏,标志虚位」产品的明显部位;标长小容胜包流商标,名称、型规格、生产企业名称,生产口妈和执行标准代号。2.1.2
包装箱标末
标志成抵能也装箱的味显部位:际内穿成包指商标,名称、型现格,激量厂名、厂划色装箱1端示因示标忘显花合GB/T191舰定。3产品使用说明书
应符合H906S.1热定,
7..4出厂检险合格证
产品应有出」检验合将,
7.2包装
品均虚色装,川月凯箱说其他包炎,7.3运粉
经包装好的产品应能道应们何安通工具的常运,弃还给过中,应喔免检价和用写带袭,7. 4贮存
经世装好的产品显存在下焕通风的室内仓座.堆放时应质止压,避免马满蚀性物质私气体接链:
小提示:此标准内容仅展示完整标准里的部分截取内容,若需要完整标准请到上方自行免费下载完整标准文档。
GB/T13668—2003
整效广形公差中光于分缝的要求,使之与(13T33251995金寓家只通书技术条件析协周一致;
一对所同主要材料的救转最小厚资作了规定:一一修改了表面处理质量节然款,原适应了喷漆喷塑两工艺,双北洋库作了分类--避化的要求随RT一钢头工件涂装前磷化处理术条件的变化而变化,补充了对玻攻、塑料件两与配件心要求一:标标齐抽增数式点大·维一实施,专志企业生产理妆和抽样的操作性在抽作数罩【.位[适当诗整。
本弥注由业图轻工业联合会提出本标洋小全月家只新准化中心归口,本标注询支起草单立:国家小公月品股备质质监督检验中心。本际洋参加起节单统:萨阳市共特办公家氏有限公司,浙红嘉普经纯办公改备有限公司、苏州市水五企卫制品有限公司,常州山用理业办公过备有限公司、常州市文化图书设备有限公司,西安市新飞消案设备厂。
中标注土要定卓人:关德怀盛卫,亚以、杨:大润游荣,本际洋所代替标准的历款版A发有价流:1668一152.1
1苹围
钢制书柜,资料柜通用技术条件GR/T 13E6--203
本际理成定了钢制存、资料护等类!吊的术诺和宝定、芬美和命名材料和劲构要求,试验片头,验见则标上,包装、这推效贮序。标制书资料类产品造可类型的严品2规范性引用文件
下刻文性中的条款证过本你准的而成为本标洋的杀款,品注期的用文件:共随所有的能收单(不包报动保的内空)或够版按不适带于本标求,然·缺励根现本标准运成协的窄研究偿用这些文作的新版本。无是小注期的用之件,其景装版三适周下年标,G包装室图标G/200.eq5)897
11720:7S涤普小定法
B/2730-93落膜硬定法授阻尼验(51522:107(1/个733-19%漆时冲定法
GB/TS807钢铁T.件欲装露化处理技木条门G/T28—1漆和漆膜的息格试验
R66色漆和特漆不者金晨朝料范色降漆展元3:和\榜面光泽的测运(c0)28.3.11)
C上9965.1工业产品使为说明节总测G/r ioy.11
家具方学件维流奖稳守B3.1—s.qS.8H/T1家H力学性能式验栏类强我和耐久地G3:T1125、候系结快瓶阳低台金性板冷轧薄银板提钢带GHT1南书用品这各产举编市,方法3产品分类和命名
3.1产品分类
3.1按结均示式处为单节,多1侈门杆卷门3.1.2按用途分为书帮,缩微,图、文件,当案等资料柜,占录范和期护。3.2产品型号的命名
产品型号的盒名合T16安求
3.3柜的外形和尺寸
31的外形如图17断示。
3.3.2业的外尺寸证花个求要求
4要求
4. 1材料
4.1.1产品所用想色金满以科的件能意符合(T23规是的些求,或使不低一同等件能为板,
则效,门版、求载部的的权厚费不低于出,了m,其栏技封季安尔于m1
G/T13668—2003
4.1.3使用其他材料时,其性能应符个有关标准要求。R
书柜示惠图
文件柜示愈图
图5档累柜示意网
图2缩微蜜料柜示意图
图4期刊柜示意图
资转临
文作资忆柜
若饮权款
挡案拒
娟刊拒
图纸柜示意函
目录拒示意图
表 1柜的外形尺寸
125 (0
+30/2c3
400/2coc
1 200/:300
让;季户书等练要求时,可按双力合同要求慎行,4.2外观
SC0/12
C0/1 2:
on/1Qcn
C5t1200
GB/T13668—2003
单忙为最米
SJCSJC
35u:tou
拒类产品外现六为资平些,无刻伤,并奖和归最恋影、拒的衣巾鲶层应免洋致,不允许有涤尽脱范或晖底,
4.3主要外形尺寸公差
4.5.1外形尺板限循差应不大于-2 mt4.3.2形或付公差2
CIT1366B—2003
达年片二
对的我民变:0
对物成支1:
禁院:各
海电箱
1外避险外
心润名业性
4.4工艺要求
表 2 形状和位置公率
4.4.1冲!件应平整无离水无许我链,Fa:2 u
-F s:1. 5
下 ≤:1. :
4.1?严品焊成车压,外表比滑平整,不得有、焊简、类洁和焊餐、彩缝、新焊等准4.4.3严品与人达援触部分不左诈有尖毛剂。4.44司光产品的形长成非京券,4.5表面处理
4.5.1表面涂层
感光消乎快,无划伤色泽均句一致.大许有露底,流挂、起池,装皮等块陷。4.5.2磷化
产品应经过晓化处理.经再化处理后形成的接化膜应符合个的要求,4.5.3涂是要求
4. 5. 3. 1
兴深隆
为渔度国供端双方确定:产衍会合尚约定费求确层印化性能衣3,
表3端层埋化性能
检验目
半光业光
平半亚
冲得意
4.5.4耐腐蚀
标经成期为0的耐磨追试验:
技术指标
:1:--3
>50~-85
下低2级
民验大法
CETJJS&(\)
GW17 0
Ge.T :72 -:953
975图送
)oh内,规察在游剂中的+\板上划,道两侧3m以外,底无气泡,产生:19鸡法
b!10片,险查刘逻以便3mm:以外,喜点烤速,点言起变色式火光等现象。+
4.6配件的要报
4.6.1使州的波件不待有缺币、数线、划追,外毒部分不得有说过,4.6.2产品付开受力型料件应家好牢四,色率一效,无尖榜K过。GR/7 13668-2303
6.产品佳用的电爱件自哦点免,不游合烧烤,起器点,针,融效,花期收飞刻。2. 6.4
与们的策理化性符合表1婴求。
表4电摄层的理化性能
让猫度
抗声享
评点不识置2点-其一自量.5mm的点本识妞进b点0, 35 4,u
4,6.5普通钟品成开银自划,卡码领应保证号准商无送。4.7强度和刷久性
折装产品闪抵板,项、回板利底版,效门、移门,起门.加三滑逆以及证屏结构蝇座和耐久性盘按!3/3357.5要求逆行强建和原久体试,试产品量部件不成开双利版费,两定部件,法件不高出烈松动,任何零部件人得有严上影询便用出能的损或处多,活款李部件的工你应非最活划,4. 3培定性
4.3.1空数移定性
起放置平总,所有柜门元启不9靠,排函和拉出些制板拉出全泛药2/3,川转的距板到站大求了,此时托不显产生顺划玩象,4.8.2活动部件垂直加稳定性
车剂板快展上按额定我有加战将一遂能增大的垂点为施加到机门匝或推披上世性司或用板离升地所,些时所范内力虑无于废折(口更一全静裁劳)的1。4.8.3满报别薪核定将
在载收念下自的加最,品孩,异将一渗增水乎个此版上,使折脚成围核离地,些时所能加的力感大元该拍口身质直拍11,5试验方法
5.1材料检验
查验质保书,存子议时逊行理化分析。5.2外观、二艺要术检查
5.3配件检查
5.3.1按离件和垫粒件
5.3.2电镀件
图可州生群检或利精仪金德意确州技或游流测受单。5.3.3电镀伴抗盐需试验
将试件表面隐拍考后,成15角度尽注个益赛笔内。用5%前氯化钠浮液间围资要h(年心时值等1)保持(35【2)痒效疗收时龄详没降可,为一同盐需次降率火(1=,ml.小,8m:收出片试件用清点洗大试签,规赛试门三锈点大小皮效或。5.4外形尺寸检验
月钢卷尺进行树签,
CB/T13668—2003
5.5邻边重直盘(的测风
用卷见谢量的各形面的两对第载长和:,刘们线的段度差即为,44 =1.:= 1.:
5.5水严偏差(的油国
举贝测品进点和所地面鸡和两尚度(与A点之间的范离了之出为。
5.7平整度圳旦
均5钢板直尺效开在试件表面不平整处,用寒战创销板直民与成件表降量人间原为.
5.分综,底激需地身稳性检验
案成计行检验,
5.磷化膜检验
生产过程41,磷化膜的愉验该G13\S907要求进行5.10表面处理质灶的检验
5.0.1样板的制作
月到作柜类产品的钢板为成群,旋可产量表雨处项起进行,或在产价上享接取,尺小及数直见表5.
表5样板的尺寸及数量
试整项F
光泽区
冲止港度
附有方
5.0.2涤层光泽度试验
丧CB/T7547601要求进行:
5.10.3途温硬度试验
按GT3/下1732要求进行
5.10.涂层冲击强度试验
按L:13/T -732要求进行。
5.10.5途甜女总输
栏板小/n.m
5cx12:
4G:2: 12:1
5c:x12:
核G/172或GE/19286要来过行
5.0. 6耐蚀试验
难极数所
在拦核的两个对市线第锐刻的刀只划出深至制板均划痕,爆膜杆板划绒如州所不,然爱人过--5依度的化销济波中0的购蚀试游谢验过毛中按5.4求检查:
试峻造来后-取白样板:用水的格板消洗十净,片用逆纸吸「求分控1,3.要求控查,5.11强度和谢久性试晚
接G13/T 10357. 5 要求选行。
5.12稳定性试验
接GB/T103574要求丧行
6检验规则
6.1出厂检验
6.1.1出厂检验项目
阿3Tu
国8速样板划线图
,检验5日为21~4.4、1.51~4..3.1.6.56.1.2抽样微盘和判定规则
GB/T13668—2003
出厂检验应压行全数控验,出厂龄验项会部合格时次出厂验验合格:否,为出厂检验不合格:芳形民大·全数拉验·有困推时叫实行抽拦检验,企止应现处抽样数量和知定规则。6.2型式检验
6.2.1有,划情况之一时·座过行型检验:ai
新产品或者产品转厂生产的试制余型监案带生心后缩构,封料、工艺有然大收变,川能影睡产品性能时正常生产时,完期或和素一差产后,应每什选行一次检验产品停产一年后重新恢复生产时:出厂验结总与次型式检验在较大荒并寸:压家质量监肾部门报出型式按验要求时。6.2.2型式位验口为第1章的全部球日,对丁碳化只悼去其有无进行过磷化,而不进行具体的性能检频.
6.2.3别详效率安以示方步拟行bzxZ.net
62.3,1型式格验成深项抽样松验:在售!检验会格的严品中礼拍取,抽样整类三件:竞其出·性(套)为检验样.两套)封存各米。E.2.3.2司时抽股栏板,样板长小及散量.衣56.2.4定规则灯元
E,?.4.1型式松龄与月全部台咨时,为通近型式检验,光该决举式检验合格6.2.4.2、型式检验项中钢也以度、恒的强度和久长一人项日不合叫.即州该次式检验不会咨,其他项日有个项日不合格时应加格要检,录检合,判次现式格些合降:告仍为:个质目不合据时:划该饮型式检整不合格:
心H/T13668—2003
?标志、包装,运输、贮存
7.1标患
7.1.1产品标志
a)产品应有坏,标志虚位」产品的明显部位;标长小容胜包流商标,名称、型规格、生产企业名称,生产口妈和执行标准代号。2.1.2
包装箱标末
标志成抵能也装箱的味显部位:际内穿成包指商标,名称、型现格,激量厂名、厂划色装箱1端示因示标忘显花合GB/T191舰定。3产品使用说明书
应符合H906S.1热定,
7..4出厂检险合格证
产品应有出」检验合将,
7.2包装
品均虚色装,川月凯箱说其他包炎,7.3运粉
经包装好的产品应能道应们何安通工具的常运,弃还给过中,应喔免检价和用写带袭,7. 4贮存
经世装好的产品显存在下焕通风的室内仓座.堆放时应质止压,避免马满蚀性物质私气体接链:
小提示:此标准内容仅展示完整标准里的部分截取内容,若需要完整标准请到上方自行免费下载完整标准文档。
标准图片预览:





- 热门标准
- 国家标准(GB)
- GB/T2828.1-2012 计数抽样检验程序 第1部分:按接收质量限(AQL)检索的逐批检验抽样计划
- GB50367-2013 混凝土结构加固设计规范
- GB/T228.1-2021 金属材料 拉伸试验 第1部分:室温试验方法
- GB/T3836.1-2021 爆炸性环境 第1部分:设备 通用要求
- GB/T29863-2023 服装制图
- GB/T18204.4-2000 公共场所毛巾、床上卧具微生物检验方法细菌总数测定
- GB5009.225-2023 食品安全国家标准 酒和食用酒精中乙醇浓度的测定
- GB/T23892.3-2009 滑动轴承 稳态条件下流体动压可倾瓦块止推轴承 第3部分:可倾瓦块止推轴承计算的许用值
- GB/T9145-2003 普通螺纹 中等精度、优选系列的极限尺寸
- GB/T11839-1989 二氧化铀芯块中硼的测定 姜黄素萃取光度法
- GB5725-2009 安全网
- GB/T18380.33-2022 电缆和光缆在火焰条件下的燃烧试验 第33部分:垂直安装的成束电线电缆火焰垂直蔓延试验 A类
- GB/T9239-1988 刚性转子平衡品质 许用不平衡的确定
- GB/T15917.3-1995 金属镝及氧化镝化学分析方法 对氯苯基荧光酮--溴化十六烷基三甲基胺分光光度法测定钽量
- GB50209-2002 建筑地面工程施工质量验收规范
- 行业新闻
请牢记:“bzxz.net”即是“标准下载”四个汉字汉语拼音首字母与国际顶级域名“.net”的组合。 ©2025 标准下载网 www.bzxz.net 本站邮件:bzxznet@163.com
网站备案号:湘ICP备2025141790号-2
网站备案号:湘ICP备2025141790号-2