- 您的位置:
- 标准下载网 >>
- 标准分类 >>
- 国家标准(GB) >>
- GB/T 7261-2000 继电器及装置基本试验方法
- 标准号: - GB/T 7261-2000
- 标准名称: - 继电器及装置基本试验方法
- 标准类别: - 国家标准(GB)
- 标准状态: 已作废
- 
          	发布日期: 2000-10-17
- 
		 实施日期: 2001-07-01
- 
          	作废日期: 2009-03-01
- 出版语种: 简体中文
- 下载格式: .rar.pdf
- 下载大小: 2.27 MB
- 标准ICS号: 电气工程>>电工器件>>29.120.70 继电器电气工程>>输电网和配电网>>29.240.30电力系统用控制设备
- 中标分类号: 电工>>输变电设备>>K45继电保护及自动装置
 标准简介/下载
标准简介/下载点击下载
标准简介:
										 标准下载解压密码:www.bzxz.net
					 					 
						 
	        
	      本标准规定了电力系统二次回路中所用的有或无继电器、量度继电器、输电线路保护装置、主设备保护装置以及自动化装置和由这些继电器及装置所组成的屏、台、柜通用的基本试验方法。对于自动化装置中的测控单,也可按本标准执行。本标准适用于电力系统二次回路所用设备在进行检验时应遵循的通用的基本试验方法。本标准也适用其他行业,如冶金、化工、铁路等系统中所用电力系统二次回路产品试验。 GB/T 7261-2000 继电器及装置基本试验方法 GB/T7261-2000
 标准内容
标准内容部分标准内容:
					
					GB/T7261-2000
本标准是对GB/T7261:1987≤继器及继电保护装觉基本试验方法进行修订。修订后的标准名称为继电器及装置基本试验方法》。新标准在对GB/T7261--1987进行订时,保留原标准中仍然适用于继电器及装置试验方法的内容。同时,修订了标摊中不适用的内容,并根据科学技术发展增加新的试验方法,包括了电磁兼容方面所要求的新的内容,主要有:wwW.bzxz.Net
电磁兼睿试验:
-·一传导干优试验
凉击浪涌干扰试验
电磁发射限道
电气性能试验:
·突然施加激励量的试验方法
二·负序分量的模拟试验方法
自动化装量的基本性能试验方法—保护装置的整组功能试验内容本标准从2001年7月1日起实施自实施之日起将代替(GB/T72.61-1987。本标准中附录A、附录R为提示的附录。本标准由全国量度继电器和保护设备标准化技术委员会提出并归[1。本标准起草单位:许旨继电器研究所、国家继电器质查监督检验中心、阿城继电器股份有限公司、上:海维电器有限公司、国家电力科学研究院,保定继电器厂。本标准主要起草人韩天行,李全喜,李绍峰、胡金声、邱宇峰、周保根、邵晓非。33
1范围
中华人民共和国国家标准
继电器及装置基本试验方法
Rasic lesting method for relay and equipmentGB/T7261--2000
代替GB/7261
本标准规定了电力系统一次回路中所用的有或无继电器,量度继电器,输电线路保护装置,主设备保护装置以及自动化装置和由这些维电器及装置所组的屏、台、柜(以下简称产品)通用的基本试验方法:对于自动化装置中的测控单元,也可按本标推执行。本标准适用于电力系统二次同路所用设备在进行检验时应离循的通用的基本试验方法。本标准也适用其他行业,如冶金.化工,铁路等系统中所用电力系统二饮回路产品试验。2引用标准
下列标谁所包含的条文,通过在本标准中引用而构减为本标推的条义。本标准出版时,所示版本玛为有效,所有标准都会被修订,使用本标准的各方应深讨使用下列标准最新版本的可能性。GB/T2422--1995电工电子产品环境试验术语(egIEC60068-5-2:1990)GBT2423.11939电工电子产品基本环境试验规理试验A低温试验方法feqv IEC 60068 2 1:1974,IEC 60068-2-1A:1978)GB/门2423.2:1989电工电子产品基本环境诚验规程试验R:高温试验方法(e4v IEC 60068-2-2:1974,IEC 60068-2-2A,1078)GB/T2423.4---193电电子产品基本环境试验规程试验:交变湿热试验方法(enVEC60068-2-30:1180,1F.60068-2-30:1985GB/T2423.21199】电工电子产品基本环境试验规程试验M:低气压试验方法(ncg IEC 60068 213:1983)
GB/T2423.22-1987电工电子产品基本环境试验规程试验N:温度变化试验方法(e4vIEC 60068-2-14:1984,IEC.6C065-2-14A:1986)G3/T2900.1--1992电1术语#本米讲91E60050)GB/T2900.17---199电工术话电气继电器(eqIEC60050(IEV446):1977)/14365—1995电磁兼容术盾(1E600507161):1990GB/T6113.1-1995无线电骚扰抗千扰测设备规范(egCISPR16-1:1993)GB/8367—2987量度继电器直流辅助激厨量的中断及交流分量(纹波)(eqv IEC 60255-11:1979)
GB/T12872000电气继电器第21部分:量度继电器和保护装置的振动,冲击,碰撞和地露减验第|篇:振动试验(正弦)
GB/T14(047—1943量度继电器及保护装置(irl1IFC 60255-6:198R)GB/145371903量度继电器和保护装置的冲击与碰捧试验(idIEC60235-21-2.1988)GB/T14598.11993电气继电器电气继电器的剪点性脂(id1IEC60255020:1574)G3/T:4598.2-109:电气继电器有或无电继电器(enV[EC60255-1-00:1975)国象质量技术监督高2000-10-1批准i
2001-07-01实施
CB/T 7261—2000
3电气汽继电器第五部分:电气继电器的绝缘试验(eqVIECG0255-5:1977)G3/T 34598.2-1993
G1/T4598.81995电气继电器第20都分:保护系统idtTE60255-20:1984)电气继电器第22部分:量度继电器和保护装罩的电气下扰试验第三GE,T 11598.9—-1995#
篇:辐射电磁场干扰试验(idtTFC60255-22-3:1989)GB/T[4598.10.1996电气继电器第22部分:量度继电器租保护装置的电气干扰试验第1
篇:快速瞬变下扰试验(icllIFC60255 22-4:1992)GBT14598.-31998量度继电器和保拟装的电气:1扰试验第1部分:1M到z脉冲群干扰试验(e9v1EC 60255221:1988)
GRT 14598.14--1998
量度继电器和保护装置的电气下抗试验第2部分:静电放电试验(il: IEC 60255-22-2:1996)
GB,T17626.5-1999电磁兼容试验和测量技术浪(冲击)抗扰度试验1EC61000-4-5.1995
GB,17626.61998电磁兼弃试验痴测量技术射频场感应的传导骚扰抗优度(idt JEC 61G00 4-6:1596)
GH,T17626.81998电磁兼弃试验和测量技术上磁场抗扰度试验(idt IEC 61C00-4-8,1S93)
3定文
本标推所用术语的定义均符合GB/T2900.1,GB/T2900.17.GB/T2422和GB/T4365的规定,此外,本标准还采用下列定义。3.1基本试验法hasic resting method在规定的环境条性下进行试验的方法,民有通用性,但不包活某类产品专门试验,特定试验所遵循的方法,
3.2变差试验
varirian test
在试验期间,产品的某个影响量或影响因系处上标称范间的极限值,其余影响盘或影响因素处于基准条伴下所逊行的试验。
3.3试验条件允许偏差permissible deviation of the testing cnndition贴果规定试验条件的参数为M,实际试验条件为N,则试验条件的允许偏差见公试(1):NM×100%
也可以用绝对值表示。允许佣差是指这一数值的允许变动范围。3.4合闸相角the μhase-arugle of closing交流产品在合前瞬间施加于产品的电源电压(或电流)的相位角。3.5冷态cold state
产品在不施加激励最或特性量的情况下,其各部分的温度与周围环境温度之差不大于3C的状态。3.6热态(热稳定状密)thermai state(thetmrally slable stale)产品在规定的激励量或特性量的作用下,产品温升达到稳定状念,如每隔半小时测得的温度差不超过1
4试验条件
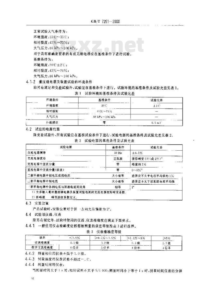
4.1试验的环境条件
4.1.1有或无继电器试验的环境条件除另有规定外,试验应在\E常试验大气条件下进行,正常试验人气条件为:
环境温度:15℃~-35{;
相对湿度:45%~75%;
大气压:8 kPa~-106 kP
GB/T 7261.-2000
对于具有准确度要求的有或无继电器应在基准件下进行试验。基推条性为:
环境温度:20℃±2么:
相对湿度:45%~75%,
大气压力:86 kPa~-106 kPa:
4.1.2量度维电器及装置试验的环境条件除另有规定和令差试验外,试验应在基准条件下进行。试验环境的基准案件及试验允差见表1。表1战验环境的基准条件改试验允差环境条件
巧境温度
相对湿段
大气乐力
外磁感府
4.2试验的电源性能
基准条件
%~75沟
86 kPit-106 kP
试验允差
除变差试验外,所有试验应在基准试验条件下进行,试验电源的基准条件及试验允差见表2。表2试验电源的基准条件及试验允差武验电源
交流电源率
交流电源波形
交流电源中直流分量
直流电源中交流分量(纹波)
三相平衡电源中相电压或线电庭兰柏平衡电源中相电流
:相平街电额中各相自监与该相电流间文角步准茶件
正弦波
大小相等
大小相等
1)为象糖人量的量度端电器及装置试验电源的交流电源波形畸变系数2)拉峰值
4. 3安装位置
峰宜波效系数定义,
产品试验时,安装位置对于狂方间问允许编差为2°。4.4试验川议器,仅表
成验充差
液形响变5%(或2%)
峰值的2%
差异忘不大于电压平均值的1%
差异应个大下该系统电流平均值1 25
除另有规定外,试验时使用的仪器,仪表准确度应满足下面要求。4.4.1一般使用仪准确度应根据被测量的误差等级接表3进行逐择。表3仪表准确度等级
仅表准确度
数字艾表准确度
6位平
4.2.2避量相位用仪表不低于1.0级。4.4.3则鼠温度币仪表误差不超过一。4.4.4测量时间用仪表:
20.%~1.5%
5位半
4位半
当测量时间火于1对,相对误差不大于5/00侧量时间小下等于1时,测年时间仪表的分辨F
率应为 0. 1 ms
GB/T 7261—2000
4.4.5其他测试仪表精度应满足相应标推要求,并符合有关计量认证的要求,5结构及外观检查
5.1检查内容及片达
5.1.1产品所有零件锡焊处的质量,如起否存在虚焊假焊现象。5.1.2产品按产品标准规定对有关部位否进行漆封。5.1.3产品表面的涂覆层的颜色是否均匀致,有无明显的色差和眩光,检查涂覆层表面是否有砂粒,趋被、流狼等缺陷。
5.1.4检查产品连接导线的额色、线径或连接力或等是否符合产品标准及有关的要求。5.1.5检查产品铭牌标志和端子号是否符台标准规楚的标志,是否止确、清晰、齐全。5.1.6插拔式产品应检存接插件的接触可靠性,插投的方便性和互换性。5.1.7产品包装应按有关包装标准要求进行检查。5.1.8产品的尺寸等成用钢板尺和钢带卷尺进行检查。5. 1. 9产品的质量用人平和磅秤等迹行检查。5.1.1检产产品内各儿器件的安装及装配是否符合产品的图纸和工艺的要求,5.1.11检存产品中电键零件,喷漆零件、塑料零件的表面质量,如有无划伤、碰伤和变形现象。5.1.12产品中是否存在引起电解魔蚀的不同金属材料的直接连接。5.2要求
5.2.1一胶格查应车无损(产品)试验下进行5.2.2-·般检查应在正带照明和视觉条作下进行5.2.3对于有严重缺陷战无法用文学叙述时,可以照像机拍摄记录。6基不参数试验
6. 1 触点基本参数试验
6. 1. 1触感正力测
6. 1. 1. 1测试方法
当产品标准没有规定时,可按下述测试方祛进行,触点力可用谢力计.础码和灯光讯号,片用表(欧姆表)配合测试,测试时,测力计!或码)作排的作方向沿触点接触面的法线方向,将灯光信号(或指针式方用表)同踏接人触点向路中,尚灯光停号熄天(或指针式力用表设有指示)时,测力计的读数(或法码的质量)即为被测触点压力。6- 1. 1. 2 测试程序
产品范加激励量为额定值时,产品处」动作状态,可单独测量动合触点的触点压力产品施如澈逆量为零时,产品处于释放狱态,可单独测敏动断触点的触点压力6.1.2触点间断测试
6.1.2.1侧试方法
触点间际测试用塞尺进行,以塞尺刚好通过并不使触点片产生位移时的间踪为触点闭隙。6.1.2.2谢试程
产品处于动作状态,可单独测望动断触点的触点问隙。-产品处于释放状态,可单独测量动合触点的触点间赋。6. 1. 3触点超行程序测试
6. 1. 3. 1 测试力法
用塞尺直接测最触点位移的方法改用问接测单并换算的方达,5
6. 1. 3. 2试程序
GB/T72612000
对于动会融点缓恒移动衔缺,从触点开始接慰起算,到衔铁完全接触闭合为止衔铁运动的直线臣离,然后根据图样的标称尺亡进行换算为动合触点的超行程;对丁动断触点,先使衔铁闭合。然后绥慢释放,从动断触点开始接触起算,到衔铁完会释放为山衔医运动的真线距离,筒根据图样的标称尺寸进行换算为动断触点闭盒时的超行程,6. 1. 4 触点接触同步测或
6. 1. 4. 1触点接触不同步没有时差要求的可以用日测,其方法是缓慢移动葡铁,利用灯光信号或万用表指示进行测试,
6.1. 4.2触点接触不同步有时差要求时,可分别测量各触点组的动作吨间或返回时间然后进行比较。
6- 1. 4. 3两纽触点接触不同步时差测试方法,可以用图 [ 所示线路进行测量,对于多组触点应以某一.组融点为基准,其他存组触点分别与该组触点进行测试。字式有建试仪
K:.K:·两组憋点
阁」树组触点接触不同少时差测试线路a)谢试厅法
触点K.,K,同叶接触+数字时间测试仪指示,为等:一触点K,先于K;接触,数字时间测试仪指示数值为两触点不同步时差触点K,后于K,接触,数学时间测试仪指示数值不停,成更换两触点测试回路信置再进行测试。
b)测试程序
对下动合独点不回步时差测试险,继电器应突然施肌额定励望或规定的特性监,使继电器动作。对于动断触点接触不同步时差测试时,继电器应突然取消激励量或特性量使继电器返回。6. 1.5触点接触电附测试
6. 1. 5. 1 测试方法
)伙安法测翘点接触电阻,
缺-案沃测触点接触日研按图2接线,按产品标准要求,便触点间路通过规定的电流,测量触点两端克,根据电流、电压值用公式(2)计算触点接触电阻,R,
触点两端电压,V
.通过点电流.A
GB/T 7261—2000
数试触点
C胜流电源R可期电附PA--电统表:PV电压表S一单刀开关国2状-安法测触点接触电阻线路b)直流双臂电桥测触点接触电阻测试线路如图3所示:数试赖点
直流汉路电桥
图3直流双臂电桥测触点接触电示意图c!低电阻测试仪或靠欧表测愈点接触电阻测试线路如图4所示兼范触点
低阻测试仪(或毫助表)
图低电阻测试仪或毫收表测触点接触电阻示点图6. 1.5.2谢试程序
a)维电器处于释故状态时,单然测动断触点的接触电阻:b)继电器处」动作状态时,单独测量动合触点的接触电阻:50
C)测且大,计算平均。
6. .5. 3要
GB/T 7261—2000
a)产品标准点指定测试接触电阻的方法,测试时电流和电压的大小,b)测试触点接触电阻,足惜包括触点的输出端在内的整个触点回路(如触点输山發、连接导或、触点缅等等!:
)利用尖安法测试时,电压装的内阻应不小于被测量电阻的103倍,用直流电源测试时可以用直流电位差计或数子式电压表代替电压表;d1利用真流也源测试接触电所时:成在两种极性下分别测量三次。计算第次测量平均值:c)职点在开闭过程F,触点问路不充许加负载,特别是感性负载:1)用四端子法测量接触电职时、电流两端子应接在电压两端子外面,端子连接应良好、同时被测部参连接导线应粗门短,减少接触利接线电阻所增大的测量误萃:!测试利,应防止触点受到超过规定的电流冲士6. 2线医基术参数测试
6.2.1线阅电阻测试
6. 2. 1. 1 测试方法
.)优-安法测量线电队
-电下型线阁电阻测量线路按图5接线1电流型线谢电阻测量线路报图5接线。A
图:电压幸线國电阻燃里线路
图「为被试产品(下同)。
)电桥法洲量线圆自阻
电小型线圈电阻用直流单电桥测量;单流型线调电阻用直流权臂电桥测量,电阻测仪测卓线医电阻
6.2.1.2测试要求
测量环境温度为20( ±2(;
h)测试前被测线图改置在测试环境的前间应不小于2h:」产品标准使规定测试方法:
图(电流型线圈电斑量线路
:)用伏安法测整线菌电阻时,电压表成采用高内阻电压表,电流表应采用低内阻电流表)用伏-安法测量线圈电阻叫,通过绒图的电压或电流不宜过大,一般不应超过继出器的数定工出低或额定「作电流.通过时间不宵过长,以免线間发热增大测最误差;)被测线图电阻较小时应注意尽量减少测试接线起的量误差:)测量线图电围时应包括线剧输人端在内的整个同路部分的电。6.2.2线离电感测试
6.2.2.1测战方让
a)出桥法H交流电桥测基线遥电感;GB/T 7261..- 2000
b)伏法达用交流伏安法测品线测电感,6.2.2.2交凝状安法测量线测电感挥序a)测世线翻的直流电附R;
注:在工频电源时,线断凶交流电阻与肖流电阻近拟相等,h)按产品标准规定的电流、频率值给线图施加电流,测量线菌两端电压降:找2-
计算线隆的凰抗值:
)接公)师线國的电感值。
我中:1.
线团电感H:
-线圈抗0:
·交流源频轻,E[
K-线图电乱.,
6.2.2.3要求
a)产品标谁成规定测试方达
)巡量用的交流电源波形应为正骇波,频牵为激励量的额定频率r)测试环境温度为202C.在测试前产品放置在测试环境的时应不小于2l;山)产品成安装在附近无金属部的地方:e)测量线电感应包括缓圈输人端了在内的个回路的电感值6.2.3静态继甩器各类变换器基本参数的测试6.2.3.生换器变比的测试
a压变换器接图7接线,电流变换器按阁&接线:Py
TV电压变换器iK可调电阳:TC电流变换器图?
电压变换器变比测试线路
出变换器:R可调电阻:IC--电流变换器图8电流变换器变比测试线路
GB/T 7261—2000
h)对电卡变换器初级绕组施额定电压1测单饮级统组电压2对电流变换器初级貌组施加额定电流1.,测量次级绕组电流12。e)Ⅱ算变比
电压变换器变比用公式(4】:
切级绕组额定电压,V;(为IPV电压表所测试值).U.-
U:一次级组电压,V,(为2PV电压表所测试值)电流变换器变比用公式(5):
式中:T,。初级缆组额定电流,A;为1PA电流表所测试值)F:一-次级绕组电流,A。(为 2PA 电流表所测试值)6.2.3.2转移阻抗和转移阻抗角测试a)转移阻抗测试按图9接线,转移阻抗角测试按图1接线。C
R可调电阻;UR电杭变典器
图S转移阻抗测试线路
料位4表
R可遇电限;UR拉含换器
图10转格阻抗角测试线略示意图52
b)初级绕组施加额定电流.:
GB/T 7261--2000
e)测量次级绕组的空较感应电动势E:d)北算转移阻抗公式(6):
式中:.“初级绕组额定电流、A,(为PA电流表所测试值)E——次级绕组感应电动势,V,(为PV电压表所测试值)63
e)转移阻抗角用相位电压表测氧初纸绕组电流1。:和次级绕组空载感应电动势E间的相角差。6.2.3.3伏要特性测试
)测试线路按图9接线:
h)变换器在试验前应先去:
c)初纸绕组输人不间的电流值了,l)测量不同电流值下改级绕组的空载电压;)作出伏-安特性曲线一(1)。6.2.3.4相序滤过耀轨出电压测试a)测试线路如图11所示,
b)输人二相止序额定电玉(或电流),测单二次输出电压,c)输人三相负序额定电压(或电流),测量二次输出电压。uO
7动作性能试验
7.1有或无继电器功能试验
7.1.1直统继电器
机序魂过册
相序滤让器输出电压测试线路示意阁直流维电器按图12所示的程序进行试验。试验时产品施加激励量采用突然施加的与法,每个程序试验五次。
2直流有或无继电器功能试验程序图图12
GE/T 7261-—2000
激励或及继电器相应的工作状态如表4所示。表4继电器T.作状态
匠12中符号
1)当产品标唯有要求时才进科试验。7.1.2交流维电器
施加值
不动作值
动作值
额定值
不返回值\
返回值
继电器工作状态
不动性
保持动作
保持动
交流继电器图12新示程序进行试验。试验时,产品施加激励量的方法采用突然施加的方法。7.1.3要求
a)除另有规定外,产品试验应在无口热然态下进行6)产品在突然施加激励鼠时,动作或返回前历电压变化不允许超过5%,当电压有变化时,应取动作前的电压为产品的动作电压,返回前的电正为产品的返可电正。为了保证电压变化不超过5光,有流电压采用电阻分压时的分电阳值,应小于线圈电阻的1/4.75;7)当产品标准规定产品在不同极性下进行试验时,应分别在不同电源极性下进行试验:小)产品的动作状态可以用中间维电器或灯光信显示;)对具有延时功能的继电器应注意延时特性对继血器1作状态的影响;[】对十多个输山触点的继电器应注意不同触点对继电器功能的影响:g)合格判据:根据所施加激励量的人小.产品是否处于规定的T.作状态米判断:包括第一次施加激励量在内:
h)如果不是按上述规定的试验方法进行试验,应在产品标准中另行规定;i)试捡的环境条件按4.1规定的试验环境条件。7.2量度继电器及装留特性量推确虚试验7.2.1单输.入激励量量度继电器及装管特性量准确度试验7.2. 1. 1试验方法
!激励望缓慢施加的方法;
b)激励尽然施加的力法。
7.2.1.2试验程序
a)单激励量缓慢施加法的式验程序1)过量继电器及装置
过量继电器及装置特性准确度缓慢施加方法的试验程序按图13所示程车进行试验。试验时,所族加的激感星从零开始逐断增大到动作值,然后逐渐减少至返回值.再巾返回值降至零,测量十次。静态产品允许测堂丘次(下略),2)久量继电器及装置
欠年继电器及装算特性量推确读經慢施加方法的试验程序按图!4所小难序进行试验,试验时,首先使激动尿以零并始增太到额定仍或两倍额定值。此阶段不测基产晶特性量的谁确度,然后,将激励基以额定值或两筛额定值开始下降至动作值(产品处下终止状态,即释放状念),再逐渐增大至返同值·然行由返国值增大至额定值或两倍额定宜,测量十次(静态产品允计测量点浓)
小提示:此标准内容仅展示完整标准里的部分截取内容,若需要完整标准请到上方自行免费下载完整标准文档。
	 
	        
	      本标准是对GB/T7261:1987≤继器及继电保护装觉基本试验方法进行修订。修订后的标准名称为继电器及装置基本试验方法》。新标准在对GB/T7261--1987进行订时,保留原标准中仍然适用于继电器及装置试验方法的内容。同时,修订了标摊中不适用的内容,并根据科学技术发展增加新的试验方法,包括了电磁兼容方面所要求的新的内容,主要有:wwW.bzxz.Net
电磁兼睿试验:
-·一传导干优试验
凉击浪涌干扰试验
电磁发射限道
电气性能试验:
·突然施加激励量的试验方法
二·负序分量的模拟试验方法
自动化装量的基本性能试验方法—保护装置的整组功能试验内容本标准从2001年7月1日起实施自实施之日起将代替(GB/T72.61-1987。本标准中附录A、附录R为提示的附录。本标准由全国量度继电器和保护设备标准化技术委员会提出并归[1。本标准起草单位:许旨继电器研究所、国家继电器质查监督检验中心、阿城继电器股份有限公司、上:海维电器有限公司、国家电力科学研究院,保定继电器厂。本标准主要起草人韩天行,李全喜,李绍峰、胡金声、邱宇峰、周保根、邵晓非。33
1范围
中华人民共和国国家标准
继电器及装置基本试验方法
Rasic lesting method for relay and equipmentGB/T7261--2000
代替GB/7261
本标准规定了电力系统一次回路中所用的有或无继电器,量度继电器,输电线路保护装置,主设备保护装置以及自动化装置和由这些维电器及装置所组的屏、台、柜(以下简称产品)通用的基本试验方法:对于自动化装置中的测控单元,也可按本标推执行。本标准适用于电力系统二次同路所用设备在进行检验时应离循的通用的基本试验方法。本标准也适用其他行业,如冶金.化工,铁路等系统中所用电力系统二饮回路产品试验。2引用标准
下列标谁所包含的条文,通过在本标准中引用而构减为本标推的条义。本标准出版时,所示版本玛为有效,所有标准都会被修订,使用本标准的各方应深讨使用下列标准最新版本的可能性。GB/T2422--1995电工电子产品环境试验术语(egIEC60068-5-2:1990)GBT2423.11939电工电子产品基本环境试验规理试验A低温试验方法feqv IEC 60068 2 1:1974,IEC 60068-2-1A:1978)GB/门2423.2:1989电工电子产品基本环境诚验规程试验R:高温试验方法(e4v IEC 60068-2-2:1974,IEC 60068-2-2A,1078)GB/T2423.4---193电电子产品基本环境试验规程试验:交变湿热试验方法(enVEC60068-2-30:1180,1F.60068-2-30:1985GB/T2423.21199】电工电子产品基本环境试验规程试验M:低气压试验方法(ncg IEC 60068 213:1983)
GB/T2423.22-1987电工电子产品基本环境试验规程试验N:温度变化试验方法(e4vIEC 60068-2-14:1984,IEC.6C065-2-14A:1986)G3/T2900.1--1992电1术语#本米讲91E60050)GB/T2900.17---199电工术话电气继电器(eqIEC60050(IEV446):1977)/14365—1995电磁兼容术盾(1E600507161):1990GB/T6113.1-1995无线电骚扰抗千扰测设备规范(egCISPR16-1:1993)GB/8367—2987量度继电器直流辅助激厨量的中断及交流分量(纹波)(eqv IEC 60255-11:1979)
GB/T12872000电气继电器第21部分:量度继电器和保护装置的振动,冲击,碰撞和地露减验第|篇:振动试验(正弦)
GB/T14(047—1943量度继电器及保护装置(irl1IFC 60255-6:198R)GB/145371903量度继电器和保护装置的冲击与碰捧试验(idIEC60235-21-2.1988)GB/T14598.11993电气继电器电气继电器的剪点性脂(id1IEC60255020:1574)G3/T:4598.2-109:电气继电器有或无电继电器(enV[EC60255-1-00:1975)国象质量技术监督高2000-10-1批准i
2001-07-01实施
CB/T 7261—2000
3电气汽继电器第五部分:电气继电器的绝缘试验(eqVIECG0255-5:1977)G3/T 34598.2-1993
G1/T4598.81995电气继电器第20都分:保护系统idtTE60255-20:1984)电气继电器第22部分:量度继电器和保护装罩的电气下扰试验第三GE,T 11598.9—-1995#
篇:辐射电磁场干扰试验(idtTFC60255-22-3:1989)GB/T[4598.10.1996电气继电器第22部分:量度继电器租保护装置的电气干扰试验第1
篇:快速瞬变下扰试验(icllIFC60255 22-4:1992)GBT14598.-31998量度继电器和保拟装的电气:1扰试验第1部分:1M到z脉冲群干扰试验(e9v1EC 60255221:1988)
GRT 14598.14--1998
量度继电器和保护装置的电气下抗试验第2部分:静电放电试验(il: IEC 60255-22-2:1996)
GB,T17626.5-1999电磁兼容试验和测量技术浪(冲击)抗扰度试验1EC61000-4-5.1995
GB,17626.61998电磁兼弃试验痴测量技术射频场感应的传导骚扰抗优度(idt JEC 61G00 4-6:1596)
GH,T17626.81998电磁兼弃试验和测量技术上磁场抗扰度试验(idt IEC 61C00-4-8,1S93)
3定文
本标推所用术语的定义均符合GB/T2900.1,GB/T2900.17.GB/T2422和GB/T4365的规定,此外,本标准还采用下列定义。3.1基本试验法hasic resting method在规定的环境条性下进行试验的方法,民有通用性,但不包活某类产品专门试验,特定试验所遵循的方法,
3.2变差试验
varirian test
在试验期间,产品的某个影响量或影响因系处上标称范间的极限值,其余影响盘或影响因素处于基准条伴下所逊行的试验。
3.3试验条件允许偏差permissible deviation of the testing cnndition贴果规定试验条件的参数为M,实际试验条件为N,则试验条件的允许偏差见公试(1):NM×100%
也可以用绝对值表示。允许佣差是指这一数值的允许变动范围。3.4合闸相角the μhase-arugle of closing交流产品在合前瞬间施加于产品的电源电压(或电流)的相位角。3.5冷态cold state
产品在不施加激励最或特性量的情况下,其各部分的温度与周围环境温度之差不大于3C的状态。3.6热态(热稳定状密)thermai state(thetmrally slable stale)产品在规定的激励量或特性量的作用下,产品温升达到稳定状念,如每隔半小时测得的温度差不超过1
4试验条件
4.1试验的环境条件
4.1.1有或无继电器试验的环境条件除另有规定外,试验应在\E常试验大气条件下进行,正常试验人气条件为:
环境温度:15℃~-35{;
相对湿度:45%~75%;
大气压:8 kPa~-106 kP
GB/T 7261.-2000
对于具有准确度要求的有或无继电器应在基准件下进行试验。基推条性为:
环境温度:20℃±2么:
相对湿度:45%~75%,
大气压力:86 kPa~-106 kPa:
4.1.2量度维电器及装置试验的环境条件除另有规定和令差试验外,试验应在基准条件下进行。试验环境的基准案件及试验允差见表1。表1战验环境的基准条件改试验允差环境条件
巧境温度
相对湿段
大气乐力
外磁感府
4.2试验的电源性能
基准条件
%~75沟
86 kPit-106 kP
试验允差
除变差试验外,所有试验应在基准试验条件下进行,试验电源的基准条件及试验允差见表2。表2试验电源的基准条件及试验允差武验电源
交流电源率
交流电源波形
交流电源中直流分量
直流电源中交流分量(纹波)
三相平衡电源中相电压或线电庭兰柏平衡电源中相电流
:相平街电额中各相自监与该相电流间文角步准茶件
正弦波
大小相等
大小相等
1)为象糖人量的量度端电器及装置试验电源的交流电源波形畸变系数2)拉峰值
4. 3安装位置
峰宜波效系数定义,
产品试验时,安装位置对于狂方间问允许编差为2°。4.4试验川议器,仅表
成验充差
液形响变5%(或2%)
峰值的2%
差异忘不大于电压平均值的1%
差异应个大下该系统电流平均值1 25
除另有规定外,试验时使用的仪器,仪表准确度应满足下面要求。4.4.1一般使用仪准确度应根据被测量的误差等级接表3进行逐择。表3仪表准确度等级
仅表准确度
数字艾表准确度
6位平
4.2.2避量相位用仪表不低于1.0级。4.4.3则鼠温度币仪表误差不超过一。4.4.4测量时间用仪表:
20.%~1.5%
5位半
4位半
当测量时间火于1对,相对误差不大于5/00侧量时间小下等于1时,测年时间仪表的分辨F
率应为 0. 1 ms
GB/T 7261—2000
4.4.5其他测试仪表精度应满足相应标推要求,并符合有关计量认证的要求,5结构及外观检查
5.1检查内容及片达
5.1.1产品所有零件锡焊处的质量,如起否存在虚焊假焊现象。5.1.2产品按产品标准规定对有关部位否进行漆封。5.1.3产品表面的涂覆层的颜色是否均匀致,有无明显的色差和眩光,检查涂覆层表面是否有砂粒,趋被、流狼等缺陷。
5.1.4检查产品连接导线的额色、线径或连接力或等是否符合产品标准及有关的要求。5.1.5检查产品铭牌标志和端子号是否符台标准规楚的标志,是否止确、清晰、齐全。5.1.6插拔式产品应检存接插件的接触可靠性,插投的方便性和互换性。5.1.7产品包装应按有关包装标准要求进行检查。5.1.8产品的尺寸等成用钢板尺和钢带卷尺进行检查。5. 1. 9产品的质量用人平和磅秤等迹行检查。5.1.1检产产品内各儿器件的安装及装配是否符合产品的图纸和工艺的要求,5.1.11检存产品中电键零件,喷漆零件、塑料零件的表面质量,如有无划伤、碰伤和变形现象。5.1.12产品中是否存在引起电解魔蚀的不同金属材料的直接连接。5.2要求
5.2.1一胶格查应车无损(产品)试验下进行5.2.2-·般检查应在正带照明和视觉条作下进行5.2.3对于有严重缺陷战无法用文学叙述时,可以照像机拍摄记录。6基不参数试验
6. 1 触点基本参数试验
6. 1. 1触感正力测
6. 1. 1. 1测试方法
当产品标准没有规定时,可按下述测试方祛进行,触点力可用谢力计.础码和灯光讯号,片用表(欧姆表)配合测试,测试时,测力计!或码)作排的作方向沿触点接触面的法线方向,将灯光信号(或指针式方用表)同踏接人触点向路中,尚灯光停号熄天(或指针式力用表设有指示)时,测力计的读数(或法码的质量)即为被测触点压力。6- 1. 1. 2 测试程序
产品范加激励量为额定值时,产品处」动作状态,可单独测量动合触点的触点压力产品施如澈逆量为零时,产品处于释放狱态,可单独测敏动断触点的触点压力6.1.2触点间断测试
6.1.2.1侧试方法
触点间际测试用塞尺进行,以塞尺刚好通过并不使触点片产生位移时的间踪为触点闭隙。6.1.2.2谢试程
产品处于动作状态,可单独测望动断触点的触点问隙。-产品处于释放状态,可单独测量动合触点的触点间赋。6. 1. 3触点超行程序测试
6. 1. 3. 1 测试力法
用塞尺直接测最触点位移的方法改用问接测单并换算的方达,5
6. 1. 3. 2试程序
GB/T72612000
对于动会融点缓恒移动衔缺,从触点开始接慰起算,到衔铁完全接触闭合为止衔铁运动的直线臣离,然后根据图样的标称尺亡进行换算为动合触点的超行程;对丁动断触点,先使衔铁闭合。然后绥慢释放,从动断触点开始接触起算,到衔铁完会释放为山衔医运动的真线距离,筒根据图样的标称尺寸进行换算为动断触点闭盒时的超行程,6. 1. 4 触点接触同步测或
6. 1. 4. 1触点接触不同步没有时差要求的可以用日测,其方法是缓慢移动葡铁,利用灯光信号或万用表指示进行测试,
6.1. 4.2触点接触不同步有时差要求时,可分别测量各触点组的动作吨间或返回时间然后进行比较。
6- 1. 4. 3两纽触点接触不同步时差测试方法,可以用图 [ 所示线路进行测量,对于多组触点应以某一.组融点为基准,其他存组触点分别与该组触点进行测试。字式有建试仪
K:.K:·两组憋点
阁」树组触点接触不同少时差测试线路a)谢试厅法
触点K.,K,同叶接触+数字时间测试仪指示,为等:一触点K,先于K;接触,数字时间测试仪指示数值为两触点不同步时差触点K,后于K,接触,数学时间测试仪指示数值不停,成更换两触点测试回路信置再进行测试。
b)测试程序
对下动合独点不回步时差测试险,继电器应突然施肌额定励望或规定的特性监,使继电器动作。对于动断触点接触不同步时差测试时,继电器应突然取消激励量或特性量使继电器返回。6. 1.5触点接触电附测试
6. 1. 5. 1 测试方法
)伙安法测翘点接触电阻,
缺-案沃测触点接触日研按图2接线,按产品标准要求,便触点间路通过规定的电流,测量触点两端克,根据电流、电压值用公式(2)计算触点接触电阻,R,
触点两端电压,V
.通过点电流.A
GB/T 7261—2000
数试触点
C胜流电源R可期电附PA--电统表:PV电压表S一单刀开关国2状-安法测触点接触电阻线路b)直流双臂电桥测触点接触电阻测试线路如图3所示:数试赖点
直流汉路电桥
图3直流双臂电桥测触点接触电示意图c!低电阻测试仪或靠欧表测愈点接触电阻测试线路如图4所示兼范触点
低阻测试仪(或毫助表)
图低电阻测试仪或毫收表测触点接触电阻示点图6. 1.5.2谢试程序
a)维电器处于释故状态时,单然测动断触点的接触电阻:b)继电器处」动作状态时,单独测量动合触点的接触电阻:50
C)测且大,计算平均。
6. .5. 3要
GB/T 7261—2000
a)产品标准点指定测试接触电阻的方法,测试时电流和电压的大小,b)测试触点接触电阻,足惜包括触点的输出端在内的整个触点回路(如触点输山發、连接导或、触点缅等等!:
)利用尖安法测试时,电压装的内阻应不小于被测量电阻的103倍,用直流电源测试时可以用直流电位差计或数子式电压表代替电压表;d1利用真流也源测试接触电所时:成在两种极性下分别测量三次。计算第次测量平均值:c)职点在开闭过程F,触点问路不充许加负载,特别是感性负载:1)用四端子法测量接触电职时、电流两端子应接在电压两端子外面,端子连接应良好、同时被测部参连接导线应粗门短,减少接触利接线电阻所增大的测量误萃:!测试利,应防止触点受到超过规定的电流冲士6. 2线医基术参数测试
6.2.1线阅电阻测试
6. 2. 1. 1 测试方法
.)优-安法测量线电队
-电下型线阁电阻测量线路按图5接线1电流型线谢电阻测量线路报图5接线。A
图:电压幸线國电阻燃里线路
图「为被试产品(下同)。
)电桥法洲量线圆自阻
电小型线圈电阻用直流单电桥测量;单流型线调电阻用直流权臂电桥测量,电阻测仪测卓线医电阻
6.2.1.2测试要求
测量环境温度为20( ±2(;
h)测试前被测线图改置在测试环境的前间应不小于2h:」产品标准使规定测试方法:
图(电流型线圈电斑量线路
:)用伏安法测整线菌电阻时,电压表成采用高内阻电压表,电流表应采用低内阻电流表)用伏-安法测量线圈电阻叫,通过绒图的电压或电流不宜过大,一般不应超过继出器的数定工出低或额定「作电流.通过时间不宵过长,以免线間发热增大测最误差;)被测线图电阻较小时应注意尽量减少测试接线起的量误差:)测量线图电围时应包括线剧输人端在内的整个同路部分的电。6.2.2线离电感测试
6.2.2.1测战方让
a)出桥法H交流电桥测基线遥电感;GB/T 7261..- 2000
b)伏法达用交流伏安法测品线测电感,6.2.2.2交凝状安法测量线测电感挥序a)测世线翻的直流电附R;
注:在工频电源时,线断凶交流电阻与肖流电阻近拟相等,h)按产品标准规定的电流、频率值给线图施加电流,测量线菌两端电压降:找2-
计算线隆的凰抗值:
)接公)师线國的电感值。
我中:1.
线团电感H:
-线圈抗0:
·交流源频轻,E[
K-线图电乱.,
6.2.2.3要求
a)产品标谁成规定测试方达
)巡量用的交流电源波形应为正骇波,频牵为激励量的额定频率r)测试环境温度为202C.在测试前产品放置在测试环境的时应不小于2l;山)产品成安装在附近无金属部的地方:e)测量线电感应包括缓圈输人端了在内的个回路的电感值6.2.3静态继甩器各类变换器基本参数的测试6.2.3.生换器变比的测试
a压变换器接图7接线,电流变换器按阁&接线:Py
TV电压变换器iK可调电阳:TC电流变换器图?
电压变换器变比测试线路
出变换器:R可调电阻:IC--电流变换器图8电流变换器变比测试线路
GB/T 7261—2000
h)对电卡变换器初级绕组施额定电压1测单饮级统组电压2对电流变换器初级貌组施加额定电流1.,测量次级绕组电流12。e)Ⅱ算变比
电压变换器变比用公式(4】:
切级绕组额定电压,V;(为IPV电压表所测试值).U.-
U:一次级组电压,V,(为2PV电压表所测试值)电流变换器变比用公式(5):
式中:T,。初级缆组额定电流,A;为1PA电流表所测试值)F:一-次级绕组电流,A。(为 2PA 电流表所测试值)6.2.3.2转移阻抗和转移阻抗角测试a)转移阻抗测试按图9接线,转移阻抗角测试按图1接线。C
R可调电阻;UR电杭变典器
图S转移阻抗测试线路
料位4表
R可遇电限;UR拉含换器
图10转格阻抗角测试线略示意图52
b)初级绕组施加额定电流.:
GB/T 7261--2000
e)测量次级绕组的空较感应电动势E:d)北算转移阻抗公式(6):
式中:.“初级绕组额定电流、A,(为PA电流表所测试值)E——次级绕组感应电动势,V,(为PV电压表所测试值)63
e)转移阻抗角用相位电压表测氧初纸绕组电流1。:和次级绕组空载感应电动势E间的相角差。6.2.3.3伏要特性测试
)测试线路按图9接线:
h)变换器在试验前应先去:
c)初纸绕组输人不间的电流值了,l)测量不同电流值下改级绕组的空载电压;)作出伏-安特性曲线一(1)。6.2.3.4相序滤过耀轨出电压测试a)测试线路如图11所示,
b)输人二相止序额定电玉(或电流),测单二次输出电压,c)输人三相负序额定电压(或电流),测量二次输出电压。uO
7动作性能试验
7.1有或无继电器功能试验
7.1.1直统继电器
机序魂过册
相序滤让器输出电压测试线路示意阁直流维电器按图12所示的程序进行试验。试验时产品施加激励量采用突然施加的与法,每个程序试验五次。
2直流有或无继电器功能试验程序图图12
GE/T 7261-—2000
激励或及继电器相应的工作状态如表4所示。表4继电器T.作状态
匠12中符号
1)当产品标唯有要求时才进科试验。7.1.2交流维电器
施加值
不动作值
动作值
额定值
不返回值\
返回值
继电器工作状态
不动性
保持动作
保持动
交流继电器图12新示程序进行试验。试验时,产品施加激励量的方法采用突然施加的方法。7.1.3要求
a)除另有规定外,产品试验应在无口热然态下进行6)产品在突然施加激励鼠时,动作或返回前历电压变化不允许超过5%,当电压有变化时,应取动作前的电压为产品的动作电压,返回前的电正为产品的返可电正。为了保证电压变化不超过5光,有流电压采用电阻分压时的分电阳值,应小于线圈电阻的1/4.75;7)当产品标准规定产品在不同极性下进行试验时,应分别在不同电源极性下进行试验:小)产品的动作状态可以用中间维电器或灯光信显示;)对具有延时功能的继电器应注意延时特性对继血器1作状态的影响;[】对十多个输山触点的继电器应注意不同触点对继电器功能的影响:g)合格判据:根据所施加激励量的人小.产品是否处于规定的T.作状态米判断:包括第一次施加激励量在内:
h)如果不是按上述规定的试验方法进行试验,应在产品标准中另行规定;i)试捡的环境条件按4.1规定的试验环境条件。7.2量度继电器及装留特性量推确虚试验7.2.1单输.入激励量量度继电器及装管特性量准确度试验7.2. 1. 1试验方法
!激励望缓慢施加的方法;
b)激励尽然施加的力法。
7.2.1.2试验程序
a)单激励量缓慢施加法的式验程序1)过量继电器及装置
过量继电器及装置特性准确度缓慢施加方法的试验程序按图13所示程车进行试验。试验时,所族加的激感星从零开始逐断增大到动作值,然后逐渐减少至返回值.再巾返回值降至零,测量十次。静态产品允许测堂丘次(下略),2)久量继电器及装置
欠年继电器及装算特性量推确读經慢施加方法的试验程序按图!4所小难序进行试验,试验时,首先使激动尿以零并始增太到额定仍或两倍额定值。此阶段不测基产晶特性量的谁确度,然后,将激励基以额定值或两筛额定值开始下降至动作值(产品处下终止状态,即释放状念),再逐渐增大至返同值·然行由返国值增大至额定值或两倍额定宜,测量十次(静态产品允计测量点浓)
小提示:此标准内容仅展示完整标准里的部分截取内容,若需要完整标准请到上方自行免费下载完整标准文档。
 标准图片预览
标准图片预览 标准图片预览:





- 热门标准
- 国家标准(GB)
- GB/T21666-2008 尿吸收辅助器具 评价的一般指南
- GB/T2828.1-2012 计数抽样检验程序 第1部分:按接收质量限(AQL)检索的逐批检验抽样计划
- GB/T32999-2016 表面化学分析 深度剖析 用机械轮廓仪栅网复型法测量溅射速率
- GB/T39454-2020 国际贸易业务数据规范货物跟踪与追溯
- GB/T13589-2007 锌及锌合金废料
- GB28355-2012 食品添加剂 水杨酸甲酯(柳酸甲酯)
- GB/T38948-2020 沥青混合料低温抗裂性能评价方法
- GB/T13070-1991 铀矿石中铀的测定 电位滴定法
- GB/T43912-2024 铸造机械 再制造 通用技术规范
- GB5585.3-1985 电工用铜、铝及其合金母线 第3部分:铝母线
- GB/T19561-2004 寒地节能日光温室建造规程
- GB/T7574-1987 信息处理交换用磁带标号和文卷结构
- GB/T24715-2009 氧源转换器
- GB/T35963-2018 家用和类似用途电器成套家电服务规范
- GB14880-2012 食品营养强化剂使用标准
- 行业新闻
请牢记:“bzxz.net”即是“标准下载”四个汉字汉语拼音首字母与国际顶级域名“.net”的组合。 ©2025 标准下载网 www.bzxz.net 本站邮件:bzxznet@163.com
网站备案号:湘ICP备2025141790号-2
网站备案号:湘ICP备2025141790号-2
