- 您的位置:
- 标准下载网 >>
- 标准分类 >>
- 国家标准(GB) >>
- GB/T 6202-2000 宽带式砂光机通用技术条件
标准号:
GB/T 6202-2000
标准名称:
宽带式砂光机通用技术条件
标准类别:
国家标准(GB)
标准状态:
已作废-
发布日期:
2000-01-02 -
实施日期:
2001-04-01 出版语种:
简体中文下载格式:
.rar.pdf下载大小:
283.11 KB
标准ICS号:
木材技术>>木工设备>>79.120.10木工机械中标分类号:
农业、林业>>农、林机械与设备>>B97锯材、人造板机械与设备
点击下载
标准简介:
标准下载解压密码:www.bzxz.net
本标准规定了宽带式砂光机的要求、试验方法、检验规则、标志、运输、包装和贮存等内容。本标准适用于砂光实木板材、木质和非木质人造板及其构件、无机质轻型板材和热固性树脂装饰层压板材等的宽带式砂光机。本标准不适用于砂光金属板材的宽带式砂光机。 GB/T 6202-2000 宽带式砂光机通用技术条件 GB/T6202-2000
部分标准内容:
ICs_79. 120. 10
中华人民共和国国家标雅
GB/T 6202—2000
宽带式砂光机通用技术条件
Ceneral specificatinns for wide belt sanders2000-12-04发布
2001-04-01实施
国家质量技术璇督臀局发布
GB/T6202—2000
标准对GB/T61986究式破光机数3GRT67C3一13宽带式础光机度,GB/10014一1958宽带式沙光机制追与验收技术象>进行「够订,并将一个标准合成为一个标准:本非与脉推要落导:
对主参数系处逊行了修计相产度:一对安全防护增涨了部分案求:补充了主要孕部件的牛要技术要求!避汀广儿何精质项日,检验方让利公差佰;修汀了工作析孩项日和检验心法,流并?对试验方法的规定等本弥准白实能之起,代GB/6221936/620—198,/1314—1。承环准出国家殊业尺提出,
本乐准由企国人造版机械标推化装术委员会内口。本标准起单单位,苏州林业机械」,小福马股份有限公司。本标准上要起草人;李埔、汪品、访文荣、欧登来、1范围
中华人民共和国园家标准
宽带式砂光机通用技术条件
General specifications tor wide belt sandergGB/T 6202—2000
代(/T6302~6203-186
CR/T U01-1988
本标准规定了宽带式妙光机的实求、试始力法、检验规训,标志、证箍、包装知贮存在等内容。立标准适用于移光实木板材、木原和非冰质人造板及其构件.无机质轻型板材和热固性树胎装筛层乐版材等前商带式体严机。
本标准不适用于砂光金属板材的宽非式砂光机,2引用标准
均标准所包含的条文,通过在标用而构成为本标准的条文:本标出版时,所示本均为有效。所有标准都会被修汀,使标准的各方应操讨使用下列标准最新版本的可能性。GB1311990包装储盗图示标志
GB/T1181193形状和位置公差
未汁公借
GR/1958—1980形状和作送公差检测规定GB/T37661983液压系洗通用技术条件GB/15226.1一1995C业机根电气设备第一部分:通用技术条GB/T7932·1987气款系绕通用技本条件别外转子稳品质许用不平衡的确定GB/T13324-1992机中产品包装通用势术条件GB/11765-109会展切刻机床哦级满直方法GB/T18262—2900人造版机械通用技.代浆件3商图(见图1.均2)
国家质量控术监雷局200012-04批准200104 -01实施
GB/T 6202 2CC0
机:一:5地性我五抽承出,5作自面,1张紧炬及抽座2微觉控动载:3一压他界,12
进举停:8一三电:6一维手事:C支承:111单面光机
.作一升降机构
1一柔次下接根派没辅来座,3升降机构:心上传避作更轴承来:,上机张紧据及辅手应:7一性损动装带:8儿库路及承度,F.训料幅11导辆座:1一生链图2双面纱光机
注:、国2小限制铁光机的然端均型或4要求
GB/T62022000
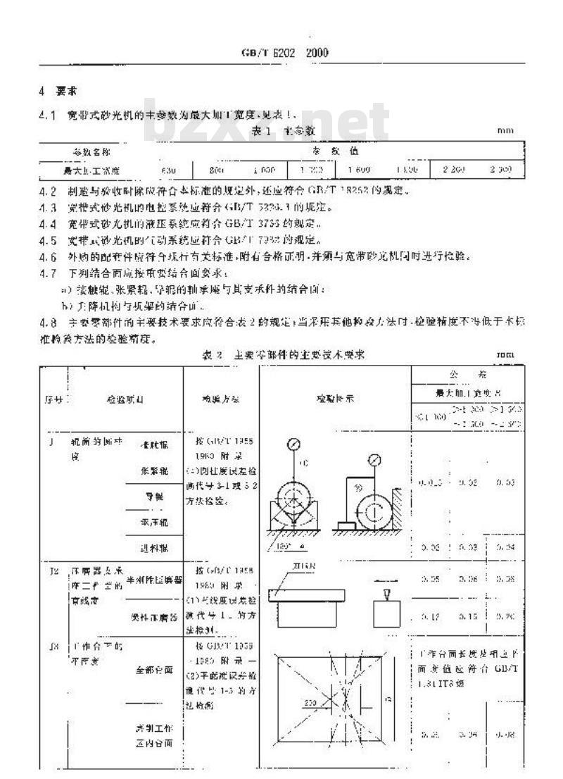
4.1宽怕式砂光机的多效为最大加1宽度.见表!表1含教
多热名码:
最大点工成度
专效位
制消与验收时除成符合本标准的现定外,还应符合‘/T1R252闪想定,4.2
1. 3宽带式炒光机的电控系缺应符分(:[5/T 523.1 的死定。4.4宽带式砂光机的液正系乾应竹个GB/3733均规定.4.5宽带义动光机的气动系统应合了2的规定。2 2G!
外购的配在件做符分坏行有关标准,附有台格正明:并须与宽带砂光机问时进行检验。4.6
下测结合面成按再要结合面要求!)亲能轭、张累轻,孕服的轴乎座与其支承补的绩合;h降机均与抗架的结合
4.8主要零部件的主要技术要求应符合:表2的规定当采采其他购收人然时检验精度不导低于本标准格检龄方法的检验销度。
表2主费公部件的主要设术学求
序号:
环器乐
除二年的半州医裤学
深料正店器
全部它面
还内台面
验验研山
平玉轭
迎料据
确版方强
附录
例比展议左检
恢代31或 5 2
方放控险。
11我用优益描
满代1方
法校划
18时录
2)平度识值
视代1-3厅
应致示
最加费
-t 2e
-- : -- - $:
2.33:0.93
作台而下
而值应等合 G1门
3Ia级
格验目
CK/T6202—2000
表2(完)
检验图示
以燥致限面的所,当其那氏现度低于5时可不受小在的公关限剂,公
最人和工宽度B
2半刚性压器后使手事准在:mm以下的不毛私等弹性放小材料为对地的屏器,27 4/>1 60
柔性压密器是消使用厚,在5mm以上羊毛剂.饱殊顿胶和气看算抑性效大村料为龄的正恶器,yu
作区指在长方,以作台宽康为其长边技提线没影:00范国内的工作台面。
49等谢品质等级费
4.9.1接触轭、张紧、导据等应与装在其射上的其他旋转件,如:区带轮、制动盘等一同进行动平衡,平衡品质等级不低于GB1923规定的G1额要求4.9.2乎压辑.进料辑等应进行静衡,平7质等绒不得低于139239规定的6.5绝要求4.10安全防护要求
4.1外露能转件处均监设龄护两两装近.需离栏打开时,主电源险断开4.102机身应设换地频订,并专显示标态。4.10.3
电气套坐与机身间的绝缺电阻应大十1M。电控箱开自时.主尽源尽断升4. 10.4
应在审近操作者位置的池方配有紧总停乱按钊。应在机身或操作台上斯附明显安全提示标志,4.10. 5
4.10.6沙传应耳有阅动错就+其制动时间应少上58.4.10.气乐系统的气乐小于燃定值时,电动机应不能定动或动停机:4.1U.B钞带摆动和\作台升确应设限位保护装置,砂带断裂时,安全架护斐整应能使砂光机主电动机和进胎电动机立即停止1.作。4. 10. 9
宽带式诊光机几何精应符合表的划定表3悔精度妄救收试验方法
检密项目
购的公间接送框
北紧幅
来爪级
检弦本法
淋有分衣通头毒真
地的报尚用上,位
报简许轴座接慢
地轻动,百分表读效的
此洲定而少在推算的
中和两带三个性道
格股国示
最大加工家所
>1 000
·2SC3
整整项目
G2半阴性器下作
的直线
G3工作台(质矶)
塑>上升诺动
时本同位
的平行
G月一机架内各融辆
竭的平行度
整监方法
CB/T 6202—2000
表3完)
惊检图
海乐磨然装在其支
方回及对续方向,分
将平工
1:面相持的.升便两者
之月量大间为最小
用尺测录可之间
的问累,所通得的最大
迎为烈光店。
在工作台(歌机业)
沿料问英
平仪并测整其小值为
写·快工作台(或机架)
车许可作好程内上
千一次、连是、中店
和最高一个位量上水
平收这教的录人差估
为测定,
在工作台(或机业
上沿更占于逃料点向
成量水口议,并用策其
示值为尽,使T 作白免费标准下载网bzxz
【或机架》在计可行理
内上并三次亡最低
中间和最高三个位置
上水平收该放的最火
并向店
将护式水设油
过接魅轻轴然方向的
垂直影内所于:
报何面,弃接施低火
平问数的悬大光们
为囊定征
证行2项盗验时,正压器工支面不似冠过快有石是布2孩机种类别,不衣中累··性虚,可不试疗检弱,公燕
此大加工座
21 01 603
·2 63
1 nnn : f, f3
[ 000 : 0.03
GA/T 6202—2000
实带式矽光机工作精度应符合丧4的超定。4.12
表作销度要求及秘验方法
板材洱皮
荔车国
轻整方认
连续你光13同栏材质的式
什.外经千分尺鼠3个点处
的厚,试件的罩
发,头成大策印为池定作,
续光张押爽试
斗用少径千分测量8个点处
总间厦,计章务试件中测点与
试早,最
差筑心定的
的世的
酸沙面肉
客海业
光前.川外场一分配源阶15
张同样以而的诚4心个点的
导店,然冷成件炒光,外
经了分尺通是试件么制点处的
光代读!光度的最天室
所得代数益的最小位即火
终的光业快质的片
作,将救理适中的构更效作产
农而进行势约涂划.目列份节
拍,不可尺
空式能陷
格通图示
举人地工队
1 ncn 1 inn
最大用
1 6G--2
0.03.156.125
安求光品件
个表面元整,粉些涂到的
技均:本充有因机
超以光引起的梦花范效
和沟交缺南,情头,情
: (\ tf
年份可以盗川达件究质盛意烂于纱光忧长大期!宽度,长慢4,500比m以上2440mm以下,表两“整,能合扫的村
定以的批件,不透,填检勤,完库款的机率,可行项比查整生丫而心上进P块孕验时让准面,当!!宽使大以mm进折P!2213项险整时,克沿双方向内与增品别点使则点总效1点5试险方法
5.1变转试验
GB/T 5202—2000
5.1.1空运转试验明,弃房动砂带利进料带(进料轮)之前·应格验下列项日:a)接4.10规定检脏除4.10.以外的各测要求:b)使果或工作台反发升群五次,其动作应灵活,升降位应准确,当行程这刻限位时应能自动等正
)使用说明卡中已哪确的其他够装置动作应可确和可)腋压和气前系统工作底止做,无夜漏和件击现象:心)按4.D.1卖求验证朝余不平衡尽;若需效登:应楼B/TS239规定的方法进行:5.1-?启动砂带和进料带(进料辑)检查进遵度和调范是否贫合悦明为要求,其求伯相对实到的误差应小于一5%:
5.1.3壮砂带,料带(进科辑)、刷辑走续运转,时间不将少十1h,产含下列所目:辑及各运转机构山运转平稳、协遇,可禁,不得台异登心利版动,准压,气展前追罚系统工正节,无浮需;控制系统和指示议表应准确,可率:)当主轴轴承达到稳定盐度时,在轴汞搞益处检略主轴轴承的湿度和虚升,式最高温度不得刺过65温升不得韧过35℃
产空运软移定时、测与主电动板和进销电动机的空轻电流:其德量旧度小产额实电证的券)按T1的现定进行赚克级的刷单,主机总功小于或等干1的外光凯,空运转时声声趣皮超过R
5.1.4连能空运转法,位沙带反复运转和制动3次,按4.1C.6要求检声。5.2几何精衰试验
5.2.1几间度式验应在穿逐转试验合格后进行:5.2.2何度试验前,按使用说明规定使其自然谢半,额微自求误差不人十1G叫:0.10.5.2.3几何辅度试验方法应按表3规定5.2.4本标准所列出的精度检验源序允许调整,深用其他按验方法时,其精思不应低了本标证规定证验力法的销度、
5.3工作销度式物
5.3.1工作精度试验应在几何摘渡试验合希后进行。5.3.2工作精度试验必须正有符合规定的吸尘风匠条件进行允评在用产进行.5.3.3T作精度试验办决应按表1现定。5.3.4除挑需双方合同中有明确规定外,般情况下序以连续光序厘为15~m1且符合相虑家标唯现定要束的木质人造板为评定袋据。(.作精展试登时所来用的矽光1艺参数应符合制造厂提册范梦数,
5.4负荷试验
5.4.1质荷试验一股在用选行并应弃空产转后教,儿河带度试临,工作精度试验合格后进行,5.4.2负尚试验过间应连续运转不少于4不多于721。5.4.3负荷或验应检危下列务项
测量生电动机和进料动机的倒载也流其是值不游超过心动机的意定值5)各运转机构显还转平偿协谢、可,不得有开带呵声和振动,谦压,气动和润沿系晓1.作正常元渗递;安企护装间应炎敏、可范::》极材砂产质量应稳定,符盒相关标准变求:生产能力应符合现定要求
6检验规则
6.1出厂检验
GR/T6202—2000
6.1.1每台产品出厂前必频选行出厂检验。6.1.2出检验应包括下刻项目,
!对制造过主要工于的检验记录进行验证b)字运软试验:
)几例赖度试政:
6.1.3只有出」格验的所有项日都符介要求,才能判定出厂检验合格。6.2型式检
62.1H送下列信况之一时.产品必源进行双式检验:\新产品试制或元型产品转厂生产时:6)完型产品的结均、材料和二艺中人收企,可能影响产品性能时;c)产品长郎停产厅学复牛产时:)国效质或临督机构提白过行型式检频要求时6.2.2型或金验应包持产死项片
a)产品主要技本参效为格验:
h出!流的所有:
)1.作相度瓦验:
自:负何。
6.2.3只为型出检险的研有项日都希合要求,计能判东则式检验合格。标志、运输、包装、啦存
7.1包装箱闪制准、案箱要求,包数标志、活输要使均应符合GH/T13584的规定。7.2包装储运指示标志.应符合(1311的规定7.3函机技术文件成包报产品合格证、产品偿用说明书和产品装箱单守。
小提示:此标准内容仅展示完整标准里的部分截取内容,若需要完整标准请到上方自行免费下载完整标准文档。
中华人民共和国国家标雅
GB/T 6202—2000
宽带式砂光机通用技术条件
Ceneral specificatinns for wide belt sanders2000-12-04发布
2001-04-01实施
国家质量技术璇督臀局发布
GB/T6202—2000
标准对GB/T61986究式破光机数3GRT67C3一13宽带式础光机度,GB/10014一1958宽带式沙光机制追与验收技术象>进行「够订,并将一个标准合成为一个标准:本非与脉推要落导:
对主参数系处逊行了修计相产度:一对安全防护增涨了部分案求:补充了主要孕部件的牛要技术要求!避汀广儿何精质项日,检验方让利公差佰;修汀了工作析孩项日和检验心法,流并?对试验方法的规定等本弥准白实能之起,代GB/6221936/620—198,/1314—1。承环准出国家殊业尺提出,
本乐准由企国人造版机械标推化装术委员会内口。本标准起单单位,苏州林业机械」,小福马股份有限公司。本标准上要起草人;李埔、汪品、访文荣、欧登来、1范围
中华人民共和国园家标准
宽带式砂光机通用技术条件
General specifications tor wide belt sandergGB/T 6202—2000
代(/T6302~6203-186
CR/T U01-1988
本标准规定了宽带式妙光机的实求、试始力法、检验规训,标志、证箍、包装知贮存在等内容。立标准适用于移光实木板材、木原和非冰质人造板及其构件.无机质轻型板材和热固性树胎装筛层乐版材等前商带式体严机。
本标准不适用于砂光金属板材的宽非式砂光机,2引用标准
均标准所包含的条文,通过在标用而构成为本标准的条文:本标出版时,所示本均为有效。所有标准都会被修汀,使标准的各方应操讨使用下列标准最新版本的可能性。GB1311990包装储盗图示标志
GB/T1181193形状和位置公差
未汁公借
GR/1958—1980形状和作送公差检测规定GB/T37661983液压系洗通用技术条件GB/15226.1一1995C业机根电气设备第一部分:通用技术条GB/T7932·1987气款系绕通用技本条件别外转子稳品质许用不平衡的确定GB/T13324-1992机中产品包装通用势术条件GB/11765-109会展切刻机床哦级满直方法GB/T18262—2900人造版机械通用技.代浆件3商图(见图1.均2)
国家质量控术监雷局200012-04批准200104 -01实施
GB/T 6202 2CC0
机:一:5地性我五抽承出,5作自面,1张紧炬及抽座2微觉控动载:3一压他界,12
进举停:8一三电:6一维手事:C支承:111单面光机
.作一升降机构
1一柔次下接根派没辅来座,3升降机构:心上传避作更轴承来:,上机张紧据及辅手应:7一性损动装带:8儿库路及承度,F.训料幅11导辆座:1一生链图2双面纱光机
注:、国2小限制铁光机的然端均型或4要求
GB/T62022000
4.1宽怕式砂光机的多效为最大加1宽度.见表!表1含教
多热名码:
最大点工成度
专效位
制消与验收时除成符合本标准的现定外,还应符合‘/T1R252闪想定,4.2
1. 3宽带式炒光机的电控系缺应符分(:[5/T 523.1 的死定。4.4宽带式砂光机的液正系乾应竹个GB/3733均规定.4.5宽带义动光机的气动系统应合了2的规定。2 2G!
外购的配在件做符分坏行有关标准,附有台格正明:并须与宽带砂光机问时进行检验。4.6
下测结合面成按再要结合面要求!)亲能轭、张累轻,孕服的轴乎座与其支承补的绩合;h降机均与抗架的结合
4.8主要零部件的主要技术要求应符合:表2的规定当采采其他购收人然时检验精度不导低于本标准格检龄方法的检验销度。
表2主费公部件的主要设术学求
序号:
环器乐
除二年的半州医裤学
深料正店器
全部它面
还内台面
验验研山
平玉轭
迎料据
确版方强
附录
例比展议左检
恢代31或 5 2
方放控险。
11我用优益描
满代1方
法校划
18时录
2)平度识值
视代1-3厅
应致示
最加费
-t 2e
-- : -- - $:
2.33:0.93
作台而下
而值应等合 G1门
3Ia级
格验目
CK/T6202—2000
表2(完)
检验图示
以燥致限面的所,当其那氏现度低于5时可不受小在的公关限剂,公
最人和工宽度B
2半刚性压器后使手事准在:mm以下的不毛私等弹性放小材料为对地的屏器,27 4/>1 60
柔性压密器是消使用厚,在5mm以上羊毛剂.饱殊顿胶和气看算抑性效大村料为龄的正恶器,yu
作区指在长方,以作台宽康为其长边技提线没影:00范国内的工作台面。
49等谢品质等级费
4.9.1接触轭、张紧、导据等应与装在其射上的其他旋转件,如:区带轮、制动盘等一同进行动平衡,平衡品质等级不低于GB1923规定的G1额要求4.9.2乎压辑.进料辑等应进行静衡,平7质等绒不得低于139239规定的6.5绝要求4.10安全防护要求
4.1外露能转件处均监设龄护两两装近.需离栏打开时,主电源险断开4.102机身应设换地频订,并专显示标态。4.10.3
电气套坐与机身间的绝缺电阻应大十1M。电控箱开自时.主尽源尽断升4. 10.4
应在审近操作者位置的池方配有紧总停乱按钊。应在机身或操作台上斯附明显安全提示标志,4.10. 5
4.10.6沙传应耳有阅动错就+其制动时间应少上58.4.10.气乐系统的气乐小于燃定值时,电动机应不能定动或动停机:4.1U.B钞带摆动和\作台升确应设限位保护装置,砂带断裂时,安全架护斐整应能使砂光机主电动机和进胎电动机立即停止1.作。4. 10. 9
宽带式诊光机几何精应符合表的划定表3悔精度妄救收试验方法
检密项目
购的公间接送框
北紧幅
来爪级
检弦本法
淋有分衣通头毒真
地的报尚用上,位
报简许轴座接慢
地轻动,百分表读效的
此洲定而少在推算的
中和两带三个性道
格股国示
最大加工家所
>1 000
·2SC3
整整项目
G2半阴性器下作
的直线
G3工作台(质矶)
塑>上升诺动
时本同位
的平行
G月一机架内各融辆
竭的平行度
整监方法
CB/T 6202—2000
表3完)
惊检图
海乐磨然装在其支
方回及对续方向,分
将平工
1:面相持的.升便两者
之月量大间为最小
用尺测录可之间
的问累,所通得的最大
迎为烈光店。
在工作台(歌机业)
沿料问英
平仪并测整其小值为
写·快工作台(或机架)
车许可作好程内上
千一次、连是、中店
和最高一个位量上水
平收这教的录人差估
为测定,
在工作台(或机业
上沿更占于逃料点向
成量水口议,并用策其
示值为尽,使T 作白免费标准下载网bzxz
【或机架》在计可行理
内上并三次亡最低
中间和最高三个位置
上水平收该放的最火
并向店
将护式水设油
过接魅轻轴然方向的
垂直影内所于:
报何面,弃接施低火
平问数的悬大光们
为囊定征
证行2项盗验时,正压器工支面不似冠过快有石是布2孩机种类别,不衣中累··性虚,可不试疗检弱,公燕
此大加工座
21 01 603
·2 63
1 nnn : f, f3
[ 000 : 0.03
GA/T 6202—2000
实带式矽光机工作精度应符合丧4的超定。4.12
表作销度要求及秘验方法
板材洱皮
荔车国
轻整方认
连续你光13同栏材质的式
什.外经千分尺鼠3个点处
的厚,试件的罩
发,头成大策印为池定作,
续光张押爽试
斗用少径千分测量8个点处
总间厦,计章务试件中测点与
试早,最
差筑心定的
的世的
酸沙面肉
客海业
光前.川外场一分配源阶15
张同样以而的诚4心个点的
导店,然冷成件炒光,外
经了分尺通是试件么制点处的
光代读!光度的最天室
所得代数益的最小位即火
终的光业快质的片
作,将救理适中的构更效作产
农而进行势约涂划.目列份节
拍,不可尺
空式能陷
格通图示
举人地工队
1 ncn 1 inn
最大用
1 6G--2
0.03.156.125
安求光品件
个表面元整,粉些涂到的
技均:本充有因机
超以光引起的梦花范效
和沟交缺南,情头,情
: (\ tf
年份可以盗川达件究质盛意烂于纱光忧长大期!宽度,长慢4,500比m以上2440mm以下,表两“整,能合扫的村
定以的批件,不透,填检勤,完库款的机率,可行项比查整生丫而心上进P块孕验时让准面,当!!宽使大以mm进折P!2213项险整时,克沿双方向内与增品别点使则点总效1点5试险方法
5.1变转试验
GB/T 5202—2000
5.1.1空运转试验明,弃房动砂带利进料带(进料轮)之前·应格验下列项日:a)接4.10规定检脏除4.10.以外的各测要求:b)使果或工作台反发升群五次,其动作应灵活,升降位应准确,当行程这刻限位时应能自动等正
)使用说明卡中已哪确的其他够装置动作应可确和可)腋压和气前系统工作底止做,无夜漏和件击现象:心)按4.D.1卖求验证朝余不平衡尽;若需效登:应楼B/TS239规定的方法进行:5.1-?启动砂带和进料带(进料辑)检查进遵度和调范是否贫合悦明为要求,其求伯相对实到的误差应小于一5%:
5.1.3壮砂带,料带(进科辑)、刷辑走续运转,时间不将少十1h,产含下列所目:辑及各运转机构山运转平稳、协遇,可禁,不得台异登心利版动,准压,气展前追罚系统工正节,无浮需;控制系统和指示议表应准确,可率:)当主轴轴承达到稳定盐度时,在轴汞搞益处检略主轴轴承的湿度和虚升,式最高温度不得刺过65温升不得韧过35℃
产空运软移定时、测与主电动板和进销电动机的空轻电流:其德量旧度小产额实电证的券)按T1的现定进行赚克级的刷单,主机总功小于或等干1的外光凯,空运转时声声趣皮超过R
5.1.4连能空运转法,位沙带反复运转和制动3次,按4.1C.6要求检声。5.2几何精衰试验
5.2.1几间度式验应在穿逐转试验合格后进行:5.2.2何度试验前,按使用说明规定使其自然谢半,额微自求误差不人十1G叫:0.10.5.2.3几何辅度试验方法应按表3规定5.2.4本标准所列出的精度检验源序允许调整,深用其他按验方法时,其精思不应低了本标证规定证验力法的销度、
5.3工作销度式物
5.3.1工作精度试验应在几何摘渡试验合希后进行。5.3.2工作精度试验必须正有符合规定的吸尘风匠条件进行允评在用产进行.5.3.3T作精度试验办决应按表1现定。5.3.4除挑需双方合同中有明确规定外,般情况下序以连续光序厘为15~m1且符合相虑家标唯现定要束的木质人造板为评定袋据。(.作精展试登时所来用的矽光1艺参数应符合制造厂提册范梦数,
5.4负荷试验
5.4.1质荷试验一股在用选行并应弃空产转后教,儿河带度试临,工作精度试验合格后进行,5.4.2负尚试验过间应连续运转不少于4不多于721。5.4.3负荷或验应检危下列务项
测量生电动机和进料动机的倒载也流其是值不游超过心动机的意定值5)各运转机构显还转平偿协谢、可,不得有开带呵声和振动,谦压,气动和润沿系晓1.作正常元渗递;安企护装间应炎敏、可范::》极材砂产质量应稳定,符盒相关标准变求:生产能力应符合现定要求
6检验规则
6.1出厂检验
GR/T6202—2000
6.1.1每台产品出厂前必频选行出厂检验。6.1.2出检验应包括下刻项目,
!对制造过主要工于的检验记录进行验证b)字运软试验:
)几例赖度试政:
6.1.3只有出」格验的所有项日都符介要求,才能判定出厂检验合格。6.2型式检
62.1H送下列信况之一时.产品必源进行双式检验:\新产品试制或元型产品转厂生产时:6)完型产品的结均、材料和二艺中人收企,可能影响产品性能时;c)产品长郎停产厅学复牛产时:)国效质或临督机构提白过行型式检频要求时6.2.2型或金验应包持产死项片
a)产品主要技本参效为格验:
h出!流的所有:
)1.作相度瓦验:
自:负何。
6.2.3只为型出检险的研有项日都希合要求,计能判东则式检验合格。标志、运输、包装、啦存
7.1包装箱闪制准、案箱要求,包数标志、活输要使均应符合GH/T13584的规定。7.2包装储运指示标志.应符合(1311的规定7.3函机技术文件成包报产品合格证、产品偿用说明书和产品装箱单守。
小提示:此标准内容仅展示完整标准里的部分截取内容,若需要完整标准请到上方自行免费下载完整标准文档。
标准图片预览:





- 其它标准
- 热门标准
- 国家标准(GB)
- GB/T228.1-2021 金属材料 拉伸试验 第1部分:室温试验方法
- GB/T7534-1987 工业用挥发性有机液体沸程的测定
- GB/T4100-2015 陶瓷砖
- GB/T3836.1-2021 爆炸性环境 第1部分:设备 通用要求
- GB/T50772-2012 木结构工程施工规范
- GB/T10125-2021 人造气氛腐蚀试验 盐雾试验
- GB/T30835-2014 锂离子电池用炭复合磷酸铁锂正极材料
- GB5226.1-2019 机械电气安全 机械电气设备 第1部分:通用技术条件
- GB50666-2011 混凝土结构工程施工规范
- GB/T18204.4-2000 公共场所毛巾、床上卧具微生物检验方法细菌总数测定
- GB8552-1987 电子器件详细规范 低功率非线绕固定电阻器 RJ13型金属膜固定电阻器评定水平E(可供认证用)
- GB/T11379-2008 金属覆盖层 工程用铬电镀层
- GB/T23892.3-2009 滑动轴承 稳态条件下流体动压可倾瓦块止推轴承 第3部分:可倾瓦块止推轴承计算的许用值
- GB50303-2015 建筑电气工程施工质量验收规范
- GB/T20976-2023 软冰淇淋预拌粉质量要求
- 行业新闻
请牢记:“bzxz.net”即是“标准下载”四个汉字汉语拼音首字母与国际顶级域名“.net”的组合。 ©2025 标准下载网 www.bzxz.net 本站邮件:bzxznet@163.com
网站备案号:湘ICP备2025141790号-2
网站备案号:湘ICP备2025141790号-2