- 您的位置:
- 标准下载网 >>
- 标准分类 >>
- 国家标准(GB) >>
- GB 6783-1994 食品添加剂 明胶
标准号:
GB 6783-1994
标准名称:
食品添加剂 明胶
标准类别:
国家标准(GB)
标准状态:
现行-
发布日期:
1994-01-02 -
实施日期:
1995-10-01 出版语种:
简体中文下载格式:
.rar.pdf下载大小:
425.63 KB
标准ICS号:
食品技术>>香料和调料、食品添加剂>>67.220.20食品添加剂中标分类号:
食品>>食品添加剂与食用香料>>X41天然食品添加剂
替代情况:
GB 6783-1986
点击下载
标准简介:
标准下载解压密码:www.bzxz.net
本标准规定了食品添加剂明胶的产品分类、技术要求、试验方法、检验规则及标志、包装、运输贮存。本标准适用于以动物之皮、骨及腱、鳞等为原料所生产的食用明胶。 GB 6783-1994 食品添加剂 明胶 GB6783-1994
部分标准内容:
中华人民共和国国家标准
食品添加
Food additive
Gelatine
1主题内容与适用范围
GB 6783--94
代替GB6783—86
本标准规定了食品添加剂明胶的产品分类、技术要求、试验方法、检验规则及标志、包装、运输贮存。本标准适用于以动物之皮、骨及腱、鳞等为原料所生产的食用明胶。2引用标准
GB4789.1食品卫生微生物学检验GB4789.2食品卫生微生物学检验菌落总数测定
GB4789.3食品卫生微生物学检验大肠菌群测定
食品卫生微生物学检验沙门氏菌检验GB 4789. 41
3产品分类
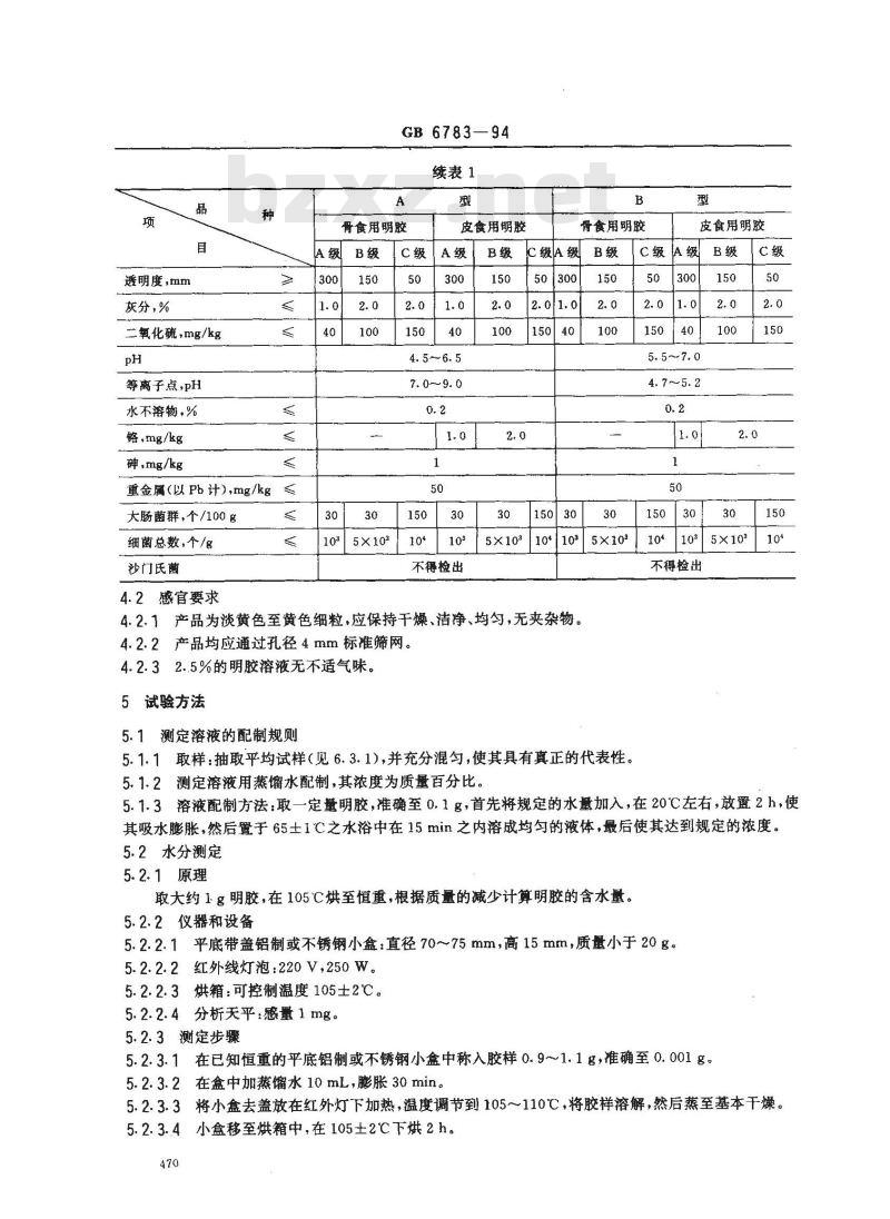
食用明胶,分成A型与B型(A型为酸法明胶,B型为碱法明胶,二者等离子点pI显著不同)以及骨类与皮类。再将每一类明胶都分为A、B、C三级,A级为国际先进水平,B级为国际一般水平,C级为合格产品(企业可再将A、B、C三级细分为A1、A、A、B1、Bz、B、Ci、Cz、C、C等小级,称为“骨A型A,级食用明胶”,“皮B型A,级食用明胶”,余此类推)。4技术要求
4.1理化及微生物指标
见表1。
食用明胶的理化、微生物指标
水分,%
凝冻强度(含水分12%的商
品胶 6.67%),Bloom g
勃氏粘度(6.67%,60℃),
mPa·s
骨食用明胶
国家技术监督局1994-12-30批准160
皮食用明胶
A级B级
骨食用明胶
皮食用明胶
A级B级
1995-10-01实施
透明度,mm
灰分,%
二氧化硫,mg/kg
等离子点,pH
水不溶物,%
铬+mg/kg
碑,mg/kg
重金属(以 Pb计),mg/kg
大肠菌群,个/100g
细菌总数,个/g
沙门氏菌
4.2感官要求
GB 6783—94
续表1
骨食用明胶
5×103
皮食用明胶
不得检出
骨食用明胶
C级A级
10*1035×103
4.2.1产品为淡黄色至黄色细粒,应保持干燥、洁净、均匀,无夹杂物。4.2.2产品均应通过孔径4mm标准筛网。4.2.32.5%的明胶溶液无不适气味。5试验方法
5.1测定溶液的配制规则
5.1.1取样:抽取平均试样(见6.3.1),并充分混,使其具有真正的代表性。5.1.2测定溶液用蒸馏水配制,其浓度为质量百分比。型
皮食用明胶
C级A级
5×103
不得检出
5.1.3溶液配制方法:取一定量明胶,准确至0.1g,首先将规定的水量加入,在20℃左右,放置2h,使其吸水膨胀,然后置于65士1℃之水浴中在15min之内溶成均勾的液体,最后使其达到规定的浓度。5.2水分测定
5.2.1原理
取大约1g明胶,在105C烘至恒重,根据质量的减少计算明胶的含水量。5.2.2仪器和设备
5.2.2.1平底带盖铝制或不锈钢小盒:直径70~75mm,高15mm,质量小于20g。5.2.2.2红外线灯泡:220V,250W。5.2.2.3烘箱:可控制温度105±2℃。5.2.2.4分析天平:感量1mg。
5.2.3测定步骤
5.2.3.1在已知恒重的平底铝制或不锈钢小盒中称入胶样0.9~1.1g,准确至0.001g。5.2.3.2在盒中加蒸馏水10mL,膨胀30min。5.2.3.3将小盒去盖放在红外灯下加热,温度调节到105~110℃,将胶样溶解,然后蒸至基本干燥。5.2.3.4小盒移至烘箱中,在105土2℃下烘2h。470
GB 6783--94
5.2.3.5在烘箱中,将小盒盖严,取出置于保干器内,冷却至室温,在分析天平上称量。5.2.3.6将小盒再移至烘箱中烘30min,重复5.2.3.5操作。如此反复数次,直至两次质量相差小于3mg。
5.2.4结果计算
胶样含水量X,(%)按式(1)计算。m -m2 × 100
式中:Xi-
胶样含水量,%;
空盒的质量,g;
空盒加烘干后胶样的总质量,g;空盒加原胶样总质量,g。
5.2.5允许误差
两次平行测定值相差应不超过0.4%。5.3凝冻强度测定
5.3.1原理
在严格规定的条件下,直径为12.7mm的圆柱,压入含6.67%明胶的胶冻表面以下4mm时,所施加的力为冻力,以Bloomg为单位。5.3.2仪器
5.3.2.1冻力仪:\LFRA”组织分析仪或Boucher”冻力仪或国产JS-I型冻力仪。5.3.2.2圆柱:直径12.700±0.013mm。5.3.2.3冻力瓶:容量150mL,内径59mm,高度85mm。5.3.2.4恒温槽:可控制温度10士0.1℃。5.3.2.5水浴:可调节到65士1℃。5.3.2.6三角烧瓶:250mL。
5.3.3测定步骤
5.3.3.1胶冻的制备:在三角烧瓶中配制6.67%胶液150mL,将120mL测定溶液放入冻力瓶内,加盖,在10±0.1℃低温恒槽内冷却16~18h。5.3.3.2测定胶冻强度:将冻力瓶从恒温水槽中取出,外面擦干,拿掉塞子,迅速放在冻力仪圆台上进行凝冻强度测定。
5.3.4结果表示
直接从冻力仪中读出试验胶的凝冻强度,单位以Bloom g表示。5.3.5允许误差
二次平行测定值相差不超过10 Bloomg。5.4勃氏粘度的测定
5.4.1原理
在60℃温度下,测定6.67%明胶溶液100mL流过标准毛细管所经过的时间。5.4.2仪器
粘度计:体积100mL,主要由上面漏斗和底部的标准毛细管组成。安装时还有恒温夹套,使之恒温60士0.1℃(见图1)。
超级恒温器。
秒表:准确到0.01 s。
三角烧瓶:250mL。
水浴:可调节到65士1℃。
温度计:准确至0.1C。
测定步骤
GB 6783-94
约中41
图1勃氏粘度管
内径±34±1
外径6.5
内径2.5±0. 1
在三角烧瓶中配制6.67%胶液,一次测定量需要100mL,将胶液冷却至61℃左右。5.4.3.1
5.4.3.2开启超级恒温器,使流过粘度计夹套的温度为60土0.1℃。5.4.3.3用手指项住毛细管末端,要避免空气或泡沫进入,迅速将胶液倒入粘度管里,直到超过上刻线2~3 cm。
将温度计插入粘度计里,当温度稳定在60士0.1℃时,将胶液水平调节到上刻线。5.4.3.4
5.4.3.5将手指移开毛细管末端时按下秒表。胶液水平达到下刻线时停下秒表,记下时间,准确到o.1 s。
5.4.4结果表示和计算
式中:n胶液粘度,mPa·s;
一流过时间,;
GB 6783—94
n = 1. 005At
A,B—一粘度计常数,通过校正测定。5.4.5允许误差
二次平行测定值相差不超过0.1 mPa·s。5.4.6粘度计校正
5.4.6.1分别测出100mL40%和60%的蔗糖(分析级)水溶液在60℃时流过粘度计上下刻度线的时间,然后根据式(3)和表2计算常数A和B。n= At -
式中:A,B
粘度计常数;
蔗糖密度,g·cm;
蔗糖粘度,mPa·s。
40%蔗糖水溶液
60%熊糖水溶液
(3)
n,mPa·s
5.4.6.2溶解蔗糖时将水加入250mL的三角烧瓶内加盖,在65土2℃水浴中溶解90min,注意切勿使水分蒸发,然后将其加入粘度计内测定。5.4.7
测定注意事项
所有样品必须在同一加热条件下处理,然后测定;测定溶液中不能有气泡;
连续进行几次测定时,要确定同一制备时间;粘度计不用时,漏斗应该盖住。5.5透明度测定
5.5.1原理
测40℃时,5%的明胶溶液在一特制的玻璃管中的透明程度。5.5.2仪器
测定透明度的仪器为--玻璃测定管,直径35~50mm,略高于500mm,沿着筒壁刻有毫米刻度(每一个分刻度为5mm),刻度自20mm起到500mm止。圆简的底部是由很平的玻璃构成,近底处有侧管,可放出胶液(见图2)。
5.5.3胶液配制
GB 6783-94
图2透明度测定装置
1--100W灯泡2-测定管,3支架,4—2号中文印刷铅字,笔划在10划以上
配制浓度5%的商品胶溶液约400~500mL,在65℃恒温水浴上溶解成均勾溶液,通过60目滤筛过滤。
5.5.4测定步骤
5.5.4.1在测定管的下面放置一张印有笔划为10~12划的2号中文铅字的纸,铅字正对测定管中心。在距离铅字中心500mm处放置一只100W的灯泡,使灯光以45°照到文字上,但不照着化验员的眼睛和测定管,在半暗室中进行试验。5.5.4.2沿简壁小心地倒入40℃的5%胶液,避免生成泡沫和气泡,直到从简口看不清简底下的文字为止,再在圆简外层套上一遮光的套简。5.5.4.3然后慢慢地通过侧管放出胶液,同时观察文字,在能够看清胶液下的文字时,停止放出胶液。5.5.5结果表示
按筒壁刻度读出简内留下胶液高度的毫米数,就是该胶的透明度。精确到5mm。5.6灰分测定
5.6.1原理
明胶在600士50℃高温炉中灼烧,留下白色或淡黄色灰分。称重,便可计算出灰分。5.6.2仪器
高温炉;
瓷埚,
分析天平,精确到1mg,
d.保干器。
5.6.3测定步骤
5.6.3.1预先将埚灼烧至恒重。
5.6.3.2称取胶样1g(以12%水分计),准确至1mg,置于埚中。5.6.3.3将埚置于弱火上焙灼,直至有机物完全烧去。5.6.3.4将埚置于600士50℃高温炉中灼烧,使黑色炭质氧化至埚中留下白色或淡黄色灰分为止。
\5.6.3.5将埚放在保干器中冷却至室温,然后称其质量。474
GB 6783-94
5.6.3.6重复5.6.3.4和5.6.3.5,直至二次质量相差小于2mg为恒重。5.6.4结果计算
灰分百分含量(X)按式(4)计算:X,=
式中:X2—一灰分百分含量,%;G胶样加措埚重,g;
G+重,g;
G—灼烧后埚与残渣总重,g。
5.6.5允许误差
二次平行测定值相差不超过0.2%。5.7二氧化硫测定
5.7.1原理
× 100
将明胶中的亚硫酸盐转变成硫酸,用碱滴定,通过所消耗的碱量计算出二氧化硫含量。5.7.2试剂
硫酸:分析纯,1+4。
过氧化氢:30%,分析纯,1+9。b.
氢氧化钠:分析纯,约0.025mol/L。甲基红-亚甲基蓝混合指示剂:0.5g甲基红和0.33g亚基蓝溶于200mL乙醇中。5.7.3仪器
二氧化硫测定装置,见图3。
图3二氧化硫测定装置
1—24标准磨塞接管;2—1000mL24\标准磨口三角烧瓶(8009/1000/24);3—可调式控温电阻炉,4—乳胶管;5—24\标准磨塞接管:6—500mL24标准磨口短颈平底烧瓶(8007/500/24),7-24\标准磨口平行三通连接管(U型连接管)(8053/24×3);8-24标准磨口回液管(氮球)(8057/24×2),9—400mm24\标准磨口直形冷凝管(8031/400/24×2);10—24#标准磨口蒸馏接受管(105°)(8086/24),11-冷凝液接受瓶,12—冰水浴(4)
GB 6783--94
5.7.4测定步骤
在500mL烧瓶内放入75mL蒸馏水和20.0g胶溶胀后加入25mL(1+4)的硫酸溶液,使烧瓶与冷凝管连接,另外在接受器内放入20mL(1十9)的过氧化氢,并中和至指示剂终点(在过氧化氢内加入2滴甲基红-亚甲基蓝指示剂,颜色即呈浅紫色,用氢氧化钠中和到终点时,颜色呈草绿色)。将冷凝管用接管导入过氧化氢底部,加热煮沸三角烧瓶中的蒸馅水,将蒸气通入烧瓶的底部,收集80mL馏出液,包括20mL过氧化氢,接受器内溶液总体积为100mL,补加甲基红-亚甲基蓝指示剂1滴,用氢氧化钠标准溶液滴定至颜色呈草绿色为终点。5.7.5明胶二氧化硫含量(X,)按式(5)计算:X = M(V-V)X0. 064 ×1/2 × 10G
式中:X,
二氧化硫含量,mg/kg;Www.bzxZ.net
M-标准氢氧化钠溶液的摩尔浓度,mol/L;V--—消耗标准氢氧化钠溶液的体积,mL;V,-—空白消耗标准氢氧化钠溶液的体积,mL,0.064二氧化硫的毫摩值,即毫摩质量 mg/mol。G—称取样品重量,g。
5.7.6允许误差
二次平行测定值相差不超过 10 mg/kg5.8pH值的测定
5.8.1原理
在35℃,用pH仪测定1%明胶溶液的pH。5.8.2仪器和试剂
a.pH仪:0.1刻度;
b.磷酸二氢钾:pH6.0。
5.8.3测定步骤
5.8.3.1校正pH仪,用pH6.0的磷酸二氢钾溶液校正pH仪。5.8.3.2配制1%胶液,在35℃温度下,用pH仪测定胶液的pH值。5.8.4结果表示
直接从pH仪上读出pH值。
5.8.5允许误差
二次测定允许误差为士0.1 pH。5.9等离子点测定
5.9.1原理
通过阴、阳离子交换树脂,将胶液去离子后,测定胶液的pH值。5.9.2仪器
pH仪:可读到0.01pH单位;
磁力搅拌器;
恒温水浴:可控制30士1℃。
(5)
5.9.3试剂
再生过的阳离子732:将732树脂用7%盐酸浸60~90min,然后倒去酸液,用纯水洗至a.
pH4~~5,浸在纯水中备用。
再生过的阴离子717:将717树脂用4%氢氧化钠浸120min,然后倒去碱液,用纯水洗至pH8~9,浸在纯水中备用。
5.9.4测定步骤
GB 6783—94
5.9.4.1精确称取胶样0.50g,放入有100mL纯水的250mL三角烧瓶中,在15℃左右膨胀2~3h,然后在65土2℃水中溶解
5.9.4.2待胶液冷却至32℃左右时,称取阴、阳离子各1.5g,置于胶液中,在胶液中放入-一根玻璃搅棒。
5.9.4.3将三角烧瓶置于磁力搅拌器平台上,于30士2℃水浴中自动搅拌1h。5.9.4.4倾出胶液到30ml.烧瓶中,用pH仪测定pH值。5.9.5结果表示
pH仪测定的pH值为胶的等离子点。5.9.6允许误差
二次测值相差不超过0.1pH。
5.10水不溶物测定
5.10.1原理
用玻璃埚过滤胶液而得出不溶物的量。5.10.2仪器
玻璃烧杯:(600mL),
砂芯玻璃埚。
测定步骤
将玻璃在105~110℃烘干,称重(W)。5.10.3.1
5.10.3.2称取10士1g胶样(W)。准确至0.1g,倒入烧杯中,加蒸馏水膨胀,并使之成500g胶液。将胶液用抽滤法通过玻璃埚。
5.10.3.4用热水洗埚上残渣3次。5.10.3.5将埚置于105~110℃烘箱里烘干。5.10.3.6从烘箱中取出,置于保干器中冷却至室温。5.10.3.7
取出埚称重。
重复5.10.3.5~5.10.3.7操作,直至恒重(W2)。5.10.3.8
5.10.4结果计算
_ Wz-Wi
式中:X.—一水不溶物含量,%;W,---埚重,g;
W.-埚与残渣重量,g;
W-胶样重量,g。
5.10.5允许误差
二次平行测定值相差不超过1%。5.11铬的测定
5.11.1原理
(6)
用二苯碳酰二耕(二苯胺基脲)比色法,可使微量铬在540nm波长处呈现明显的吸光度差别。5.11.2仪器
a.721型分光度计;
b.马福炉。
GB6783-94
5.11.3试剂
a.0.5%高锰酸钾溶液:称取0.5g高锰酸钾(分析纯),溶解并稀释至100mlL,存于棕色瓶中。b.10%尿素溶液称取10g尿素[CO(NH)z,分析纯],溶解并稀释至100mL,贮存于棕色瓶中,置于暗冷处。
c,10%亚硝酸钠溶液:称取10g亚硝酸钠,溶解并稀释至100mL,贮存于棕色瓶中,置于暗冷处,或临用临配。
d.二苯碳酰二肼丙酮溶液:称取 0.125 g 二苯碳酰二肼[CO(NH·NH·C,H,)2分析纯],溶于由25mL丙酮和25ml.水配成的混合液中,临用临配,放置于暗处。e.0.5%焦磷酸钠溶液:称取0.5g焦磷酸钠分析纯,溶解并稀释至100mL,贮存于试剂瓶中。f.铬标准贮备液(0.02mg/mL):准确称取0.0566g重铬酸钾(优级纯,在玛瑙研钵中研细,并在105~110℃干燥34h后,置下保干器中冷却),置于小烧杯中,用水溶解,移入100mL容量瓶中,加水至刻度。
g.1mol/L.硫酸溶液:量取28mL硫酸分析纯,缓缓加入盛有-一定量纯水的500mL容量瓶中,再加纯水至刻度。
5.11.4测定步骤
5.11.4.1绘制标准工作曲线:吸取铬标准溶液0.00.0.20,0.40,0.60,1.00,1.60,2.00,2.60mL,分别相当于含铬0.0,4.0,8.0,12.0,20.0,32.0,40.0,52.0mg。置于烧杯中,分别加入1mol/L硫酸10mL及纯水10ml,加热煮沸,滴加0.5%高锰酸钾至溶液不褪色,冷却,移入50mL容量瓶中,加入10%尿素溶液10mL,剧烈振摇下滴加10%亚硝酸钠溶液至溶液退色。加入0.5%焦磷酸钠溶液2.0mL,二苯碳酰二耕0.5ml。补足水分至刻度,摇匀,放置半小时于波长540nm处测定吸光度值,在坐标纸上绘制出Ccr-D540标准工作曲线。5.11.4.2样品预处理及测定:准确称取明胶样品1.000g于埚中,缓慢升温,使之炭化,放冷。加浓硝酸数滴,慢慢加热,气体停止逸出时,移入马福炉中600℃下热至所有黑色颗粒消失(2h),取出待冷却后加1mol/lL硫酸10mL和纯水20mL使残渣溶解,在水浴上加热5min。滴加0.5%高锰酸钾煮沸,溶液紫红色消失时再滴加0.5%高锰酸钾溶液煮沸,如此反复直至紫红色不褪为止,放冷、加10%尿素溶液10mL,剧烈振摇下滴加10%亚硝酸钠溶液,直至过量的高锰酸钾,完全消除,溶液呈无色。如二氧化锰明显存在则过滤。把溶液移入50mL容量瓶中,加入0.5%焦磷酸钠溶液2mL,二苯碳酰二耕溶液0.5mL,摇匀,加纯水至刻度。放置30min。取上述溶液,在540nm波长处测定出吸光度值,即可在ccr-D5o标准工作曲线上查到明胶样品的铬含量。
5.12碑的测定
5.12.1原理
溴化汞试纸与砷接触生成碑斑,随砷量的多少而有深浅不同的颜色。5.12.2仪器装置:见图4。
GB 6783--94
图4砷测定器
A--100 mL 三角瓶;B--橡皮塞,C—玻璃管,D一粘固的有机玻璃板,E一有机玻璃板B为橡皮塞,中有一孔。C为全长180mm,上粗下细的玻璃管,自管口D向下至140mm,一般的管内径为 6.5mm,自此以下渐狭细,末端内径约1~3mm,距末端约10 mm处管壁有一小孔(孔径2mm),狭细部紧密插入橡皮塞B中,使下部伸出小孔恰在塞下面,上面较粗部分装入乙酸铅棉花,长50~60mm,上端距管口D处至少30mm,C管顶端D为粘固的有机玻璃平板两块。使用时将E板置于C管顶端的D部,使圆孔相互吻合,中间夹一溴化汞试纸用橡皮筋或其他适宜的方法将E板与D部固定。
5.12.3试剂与溶液
盐酸(GB622);
碘化钾(GB1272):15%溶液;
氢化亚锡(GB638):40%盐酸溶液;无砷金属锌(GB2304);
三氧化二砷(GB673):优级纯;乙醇溴化汞试液:取溴化汞2.5g,加乙醇50mL,微热使溶解。置玻璃塞瓶内,暗处保存;溴化汞试纸:将滤纸条漫入乙醇溴化汞试液内,1h后取出滤纸,放在表面血上,在暗处干燥,即得。该纸应避光保存;
h.乙酸铅试液:取乙酸铅10g,加新煮沸过的冷蒸馏水溶解后,滴加乙酸,使溶液澄清,再加新煮沸过的冷蒸馏水使成100mL,即得;i。乙酸铅棉花:取脱脂棉,浸入乙酸铅试液与水的等容混合液中湿透后,挤压除去过多的溶液,并使疏松,在100℃以下干燥后,置玻璃塞瓶中干燥保存;j.标准砷溶液:精密称取在105℃干燥至恒重的三氧化二砷0.132g,置于1000mL容量瓶中,加氢氧化钠溶液(1+5)5mL,溶解后,用适量的10%稀硫酸中和,再加稀硫酸10ml.及水稀释至刻度。摇匀,即为贮备液。
精密量取贮备液10mL,置于1000mL容量瓶中,加稀硫酸10mL,用水稀释至刻度,摇勾,即得(1 mL相当于1 μg砷)。本液需临用新配;k.标准砷斑制备:精密量取标准砷溶液1mL,置砷测定器A瓶中,加盐酸5mL与水21mL,再179
GB 6783--94
加碘化钾试液5mL与酸性氯化亚锡试液5滴,在室温放置10min后,加锌粒1.5g。迅速照上法装妥C玻璃管,与E板的B塞塞紧,保持反应温度在25~40℃间。1h后,取出溴化汞试纸,即得。5.12.4测定步骤
称取胶样1.5g,加淀粉0.75g与氢氧化钙1.5g,加水少量搅拌均匀干燥后,先用小火灼烧使炭化,再在500至600℃灼烧成灰白色,放冷,加盐酸10mL与水20mL溶解。取上述试液20mL,置砷测定器A瓶中,加水8mL,加碘化钾试液5mL与酸性氯化亚锡试液5滴,在室温中放置10min后,加锌粒1.5g,迅速装妥C管,与E板的B塞塞紧,保持反应温度在25~40℃之间。1h后取出漠化汞试纸,将生成的碑斑与用标准碑溶液1mL制成的标准砷斑比较,如颜色不深于标准砷斑,即为胶样中的含砷量未超过1 mg/kg。5.13重金属(以铅计)测定
5.13.1原理
金属离子与硫化氢试液生成有色化合物,其颜色的深浅与重金属离子浓度成正比,用比色法测定。5.13.2试剂与试渡
盐酸(GB622);
硝酸(GB626);
冰乙酸(GB676):6%溶液
d硝酸铅(HG31070):分析纯,
硫化氢试液:取冷蒸馏水,通入硫化氢气,使饱和即得。应置于棕色玻璃瓶中,在凉暗处保存;e.
f.铅贮备液:精密称取在105℃干燥至恒重的硝酸铅0.1598g,置1000mL容量瓶中,加硝酸5mL与蒸馏水50mL,溶解后,加适量的蒸馏水,使全量成1000mL,播匀即得(1mL相当于0.1mg的铅)#
标准铅溶液:精密量取铅贮备液10mL,置100mL容量瓶中,加蒸馏水稀释至刻度,摇匀,即g.
得(1mL相当于10μg的铅)。本液须临用新配。5.13.3测定步骤
取5.6中1g明胶的全部灰分,加盐酸2mL与硝酸0.5mL,置水浴上蒸干,加水5mL再蒸干,加稀乙酸5mL与水20mL,温热数分钟加水适量使成50mL,吸取25ml,依下法检查。取50mL纳氏比色管两支,甲管中加一定量的标准铅溶液与稀乙酸2mL,加蒸馏水稀释至全量25mL,乙管中加上述试液25mL。再在甲乙两管中分别加硫化氢液各10mL,摇匀,在暗处放置10min同置白瓷板或白纸上,自上面透视,比较两管中显出的额色。如供试液的颜色与一定量标准铅溶液的颜色相同时,即得出该胶重金属含量。5.14细菌总数、大肠菌群,沙门氏菌检验细菌总数、大肠菌群的检样稀释方法为:以无菌操作,称取胶样25g(准确至0.1g),放入装有225mL灭菌生理盐水的玻璃瓶内,经振摇均匀后,在4士1℃膨胀90~150min,再置于46士1℃的水浴中溶解约15min(适当振播样品),即可制成1十10的均勾稀释液。其他均按GB4789.1~4789.4测定。6检验规则
6.1本产品内不准加入任何违反国家食品卫生法规的有害防腐剂、添加剂或其他提高粘度的物质。6.2本产品由生产厂的检验部门检验,检验合格才能出厂,每一批号产品都应附有质量检验报告单。6.3取样方法
6.3.1从同一批号产品中,在检验外部包装之后,按表3规定,挑出一定件数,进行取样。189
小提示:此标准内容仅展示完整标准里的部分截取内容,若需要完整标准请到上方自行免费下载完整标准文档。
食品添加
Food additive
Gelatine
1主题内容与适用范围
GB 6783--94
代替GB6783—86
本标准规定了食品添加剂明胶的产品分类、技术要求、试验方法、检验规则及标志、包装、运输贮存。本标准适用于以动物之皮、骨及腱、鳞等为原料所生产的食用明胶。2引用标准
GB4789.1食品卫生微生物学检验GB4789.2食品卫生微生物学检验菌落总数测定
GB4789.3食品卫生微生物学检验大肠菌群测定
食品卫生微生物学检验沙门氏菌检验GB 4789. 41
3产品分类
食用明胶,分成A型与B型(A型为酸法明胶,B型为碱法明胶,二者等离子点pI显著不同)以及骨类与皮类。再将每一类明胶都分为A、B、C三级,A级为国际先进水平,B级为国际一般水平,C级为合格产品(企业可再将A、B、C三级细分为A1、A、A、B1、Bz、B、Ci、Cz、C、C等小级,称为“骨A型A,级食用明胶”,“皮B型A,级食用明胶”,余此类推)。4技术要求
4.1理化及微生物指标
见表1。
食用明胶的理化、微生物指标
水分,%
凝冻强度(含水分12%的商
品胶 6.67%),Bloom g
勃氏粘度(6.67%,60℃),
mPa·s
骨食用明胶
国家技术监督局1994-12-30批准160
皮食用明胶
A级B级
骨食用明胶
皮食用明胶
A级B级
1995-10-01实施
透明度,mm
灰分,%
二氧化硫,mg/kg
等离子点,pH
水不溶物,%
铬+mg/kg
碑,mg/kg
重金属(以 Pb计),mg/kg
大肠菌群,个/100g
细菌总数,个/g
沙门氏菌
4.2感官要求
GB 6783—94
续表1
骨食用明胶
5×103
皮食用明胶
不得检出
骨食用明胶
C级A级
10*1035×103
4.2.1产品为淡黄色至黄色细粒,应保持干燥、洁净、均匀,无夹杂物。4.2.2产品均应通过孔径4mm标准筛网。4.2.32.5%的明胶溶液无不适气味。5试验方法
5.1测定溶液的配制规则
5.1.1取样:抽取平均试样(见6.3.1),并充分混,使其具有真正的代表性。5.1.2测定溶液用蒸馏水配制,其浓度为质量百分比。型
皮食用明胶
C级A级
5×103
不得检出
5.1.3溶液配制方法:取一定量明胶,准确至0.1g,首先将规定的水量加入,在20℃左右,放置2h,使其吸水膨胀,然后置于65士1℃之水浴中在15min之内溶成均勾的液体,最后使其达到规定的浓度。5.2水分测定
5.2.1原理
取大约1g明胶,在105C烘至恒重,根据质量的减少计算明胶的含水量。5.2.2仪器和设备
5.2.2.1平底带盖铝制或不锈钢小盒:直径70~75mm,高15mm,质量小于20g。5.2.2.2红外线灯泡:220V,250W。5.2.2.3烘箱:可控制温度105±2℃。5.2.2.4分析天平:感量1mg。
5.2.3测定步骤
5.2.3.1在已知恒重的平底铝制或不锈钢小盒中称入胶样0.9~1.1g,准确至0.001g。5.2.3.2在盒中加蒸馏水10mL,膨胀30min。5.2.3.3将小盒去盖放在红外灯下加热,温度调节到105~110℃,将胶样溶解,然后蒸至基本干燥。5.2.3.4小盒移至烘箱中,在105土2℃下烘2h。470
GB 6783--94
5.2.3.5在烘箱中,将小盒盖严,取出置于保干器内,冷却至室温,在分析天平上称量。5.2.3.6将小盒再移至烘箱中烘30min,重复5.2.3.5操作。如此反复数次,直至两次质量相差小于3mg。
5.2.4结果计算
胶样含水量X,(%)按式(1)计算。m -m2 × 100
式中:Xi-
胶样含水量,%;
空盒的质量,g;
空盒加烘干后胶样的总质量,g;空盒加原胶样总质量,g。
5.2.5允许误差
两次平行测定值相差应不超过0.4%。5.3凝冻强度测定
5.3.1原理
在严格规定的条件下,直径为12.7mm的圆柱,压入含6.67%明胶的胶冻表面以下4mm时,所施加的力为冻力,以Bloomg为单位。5.3.2仪器
5.3.2.1冻力仪:\LFRA”组织分析仪或Boucher”冻力仪或国产JS-I型冻力仪。5.3.2.2圆柱:直径12.700±0.013mm。5.3.2.3冻力瓶:容量150mL,内径59mm,高度85mm。5.3.2.4恒温槽:可控制温度10士0.1℃。5.3.2.5水浴:可调节到65士1℃。5.3.2.6三角烧瓶:250mL。
5.3.3测定步骤
5.3.3.1胶冻的制备:在三角烧瓶中配制6.67%胶液150mL,将120mL测定溶液放入冻力瓶内,加盖,在10±0.1℃低温恒槽内冷却16~18h。5.3.3.2测定胶冻强度:将冻力瓶从恒温水槽中取出,外面擦干,拿掉塞子,迅速放在冻力仪圆台上进行凝冻强度测定。
5.3.4结果表示
直接从冻力仪中读出试验胶的凝冻强度,单位以Bloom g表示。5.3.5允许误差
二次平行测定值相差不超过10 Bloomg。5.4勃氏粘度的测定
5.4.1原理
在60℃温度下,测定6.67%明胶溶液100mL流过标准毛细管所经过的时间。5.4.2仪器
粘度计:体积100mL,主要由上面漏斗和底部的标准毛细管组成。安装时还有恒温夹套,使之恒温60士0.1℃(见图1)。
超级恒温器。
秒表:准确到0.01 s。
三角烧瓶:250mL。
水浴:可调节到65士1℃。
温度计:准确至0.1C。
测定步骤
GB 6783-94
约中41
图1勃氏粘度管
内径±34±1
外径6.5
内径2.5±0. 1
在三角烧瓶中配制6.67%胶液,一次测定量需要100mL,将胶液冷却至61℃左右。5.4.3.1
5.4.3.2开启超级恒温器,使流过粘度计夹套的温度为60土0.1℃。5.4.3.3用手指项住毛细管末端,要避免空气或泡沫进入,迅速将胶液倒入粘度管里,直到超过上刻线2~3 cm。
将温度计插入粘度计里,当温度稳定在60士0.1℃时,将胶液水平调节到上刻线。5.4.3.4
5.4.3.5将手指移开毛细管末端时按下秒表。胶液水平达到下刻线时停下秒表,记下时间,准确到o.1 s。
5.4.4结果表示和计算
式中:n胶液粘度,mPa·s;
一流过时间,;
GB 6783—94
n = 1. 005At
A,B—一粘度计常数,通过校正测定。5.4.5允许误差
二次平行测定值相差不超过0.1 mPa·s。5.4.6粘度计校正
5.4.6.1分别测出100mL40%和60%的蔗糖(分析级)水溶液在60℃时流过粘度计上下刻度线的时间,然后根据式(3)和表2计算常数A和B。n= At -
式中:A,B
粘度计常数;
蔗糖密度,g·cm;
蔗糖粘度,mPa·s。
40%蔗糖水溶液
60%熊糖水溶液
(3)
n,mPa·s
5.4.6.2溶解蔗糖时将水加入250mL的三角烧瓶内加盖,在65土2℃水浴中溶解90min,注意切勿使水分蒸发,然后将其加入粘度计内测定。5.4.7
测定注意事项
所有样品必须在同一加热条件下处理,然后测定;测定溶液中不能有气泡;
连续进行几次测定时,要确定同一制备时间;粘度计不用时,漏斗应该盖住。5.5透明度测定
5.5.1原理
测40℃时,5%的明胶溶液在一特制的玻璃管中的透明程度。5.5.2仪器
测定透明度的仪器为--玻璃测定管,直径35~50mm,略高于500mm,沿着筒壁刻有毫米刻度(每一个分刻度为5mm),刻度自20mm起到500mm止。圆简的底部是由很平的玻璃构成,近底处有侧管,可放出胶液(见图2)。
5.5.3胶液配制
GB 6783-94
图2透明度测定装置
1--100W灯泡2-测定管,3支架,4—2号中文印刷铅字,笔划在10划以上
配制浓度5%的商品胶溶液约400~500mL,在65℃恒温水浴上溶解成均勾溶液,通过60目滤筛过滤。
5.5.4测定步骤
5.5.4.1在测定管的下面放置一张印有笔划为10~12划的2号中文铅字的纸,铅字正对测定管中心。在距离铅字中心500mm处放置一只100W的灯泡,使灯光以45°照到文字上,但不照着化验员的眼睛和测定管,在半暗室中进行试验。5.5.4.2沿简壁小心地倒入40℃的5%胶液,避免生成泡沫和气泡,直到从简口看不清简底下的文字为止,再在圆简外层套上一遮光的套简。5.5.4.3然后慢慢地通过侧管放出胶液,同时观察文字,在能够看清胶液下的文字时,停止放出胶液。5.5.5结果表示
按筒壁刻度读出简内留下胶液高度的毫米数,就是该胶的透明度。精确到5mm。5.6灰分测定
5.6.1原理
明胶在600士50℃高温炉中灼烧,留下白色或淡黄色灰分。称重,便可计算出灰分。5.6.2仪器
高温炉;
瓷埚,
分析天平,精确到1mg,
d.保干器。
5.6.3测定步骤
5.6.3.1预先将埚灼烧至恒重。
5.6.3.2称取胶样1g(以12%水分计),准确至1mg,置于埚中。5.6.3.3将埚置于弱火上焙灼,直至有机物完全烧去。5.6.3.4将埚置于600士50℃高温炉中灼烧,使黑色炭质氧化至埚中留下白色或淡黄色灰分为止。
\5.6.3.5将埚放在保干器中冷却至室温,然后称其质量。474
GB 6783-94
5.6.3.6重复5.6.3.4和5.6.3.5,直至二次质量相差小于2mg为恒重。5.6.4结果计算
灰分百分含量(X)按式(4)计算:X,=
式中:X2—一灰分百分含量,%;G胶样加措埚重,g;
G+重,g;
G—灼烧后埚与残渣总重,g。
5.6.5允许误差
二次平行测定值相差不超过0.2%。5.7二氧化硫测定
5.7.1原理
× 100
将明胶中的亚硫酸盐转变成硫酸,用碱滴定,通过所消耗的碱量计算出二氧化硫含量。5.7.2试剂
硫酸:分析纯,1+4。
过氧化氢:30%,分析纯,1+9。b.
氢氧化钠:分析纯,约0.025mol/L。甲基红-亚甲基蓝混合指示剂:0.5g甲基红和0.33g亚基蓝溶于200mL乙醇中。5.7.3仪器
二氧化硫测定装置,见图3。
图3二氧化硫测定装置
1—24标准磨塞接管;2—1000mL24\标准磨口三角烧瓶(8009/1000/24);3—可调式控温电阻炉,4—乳胶管;5—24\标准磨塞接管:6—500mL24标准磨口短颈平底烧瓶(8007/500/24),7-24\标准磨口平行三通连接管(U型连接管)(8053/24×3);8-24标准磨口回液管(氮球)(8057/24×2),9—400mm24\标准磨口直形冷凝管(8031/400/24×2);10—24#标准磨口蒸馏接受管(105°)(8086/24),11-冷凝液接受瓶,12—冰水浴(4)
GB 6783--94
5.7.4测定步骤
在500mL烧瓶内放入75mL蒸馏水和20.0g胶溶胀后加入25mL(1+4)的硫酸溶液,使烧瓶与冷凝管连接,另外在接受器内放入20mL(1十9)的过氧化氢,并中和至指示剂终点(在过氧化氢内加入2滴甲基红-亚甲基蓝指示剂,颜色即呈浅紫色,用氢氧化钠中和到终点时,颜色呈草绿色)。将冷凝管用接管导入过氧化氢底部,加热煮沸三角烧瓶中的蒸馅水,将蒸气通入烧瓶的底部,收集80mL馏出液,包括20mL过氧化氢,接受器内溶液总体积为100mL,补加甲基红-亚甲基蓝指示剂1滴,用氢氧化钠标准溶液滴定至颜色呈草绿色为终点。5.7.5明胶二氧化硫含量(X,)按式(5)计算:X = M(V-V)X0. 064 ×1/2 × 10G
式中:X,
二氧化硫含量,mg/kg;Www.bzxZ.net
M-标准氢氧化钠溶液的摩尔浓度,mol/L;V--—消耗标准氢氧化钠溶液的体积,mL;V,-—空白消耗标准氢氧化钠溶液的体积,mL,0.064二氧化硫的毫摩值,即毫摩质量 mg/mol。G—称取样品重量,g。
5.7.6允许误差
二次平行测定值相差不超过 10 mg/kg5.8pH值的测定
5.8.1原理
在35℃,用pH仪测定1%明胶溶液的pH。5.8.2仪器和试剂
a.pH仪:0.1刻度;
b.磷酸二氢钾:pH6.0。
5.8.3测定步骤
5.8.3.1校正pH仪,用pH6.0的磷酸二氢钾溶液校正pH仪。5.8.3.2配制1%胶液,在35℃温度下,用pH仪测定胶液的pH值。5.8.4结果表示
直接从pH仪上读出pH值。
5.8.5允许误差
二次测定允许误差为士0.1 pH。5.9等离子点测定
5.9.1原理
通过阴、阳离子交换树脂,将胶液去离子后,测定胶液的pH值。5.9.2仪器
pH仪:可读到0.01pH单位;
磁力搅拌器;
恒温水浴:可控制30士1℃。
(5)
5.9.3试剂
再生过的阳离子732:将732树脂用7%盐酸浸60~90min,然后倒去酸液,用纯水洗至a.
pH4~~5,浸在纯水中备用。
再生过的阴离子717:将717树脂用4%氢氧化钠浸120min,然后倒去碱液,用纯水洗至pH8~9,浸在纯水中备用。
5.9.4测定步骤
GB 6783—94
5.9.4.1精确称取胶样0.50g,放入有100mL纯水的250mL三角烧瓶中,在15℃左右膨胀2~3h,然后在65土2℃水中溶解
5.9.4.2待胶液冷却至32℃左右时,称取阴、阳离子各1.5g,置于胶液中,在胶液中放入-一根玻璃搅棒。
5.9.4.3将三角烧瓶置于磁力搅拌器平台上,于30士2℃水浴中自动搅拌1h。5.9.4.4倾出胶液到30ml.烧瓶中,用pH仪测定pH值。5.9.5结果表示
pH仪测定的pH值为胶的等离子点。5.9.6允许误差
二次测值相差不超过0.1pH。
5.10水不溶物测定
5.10.1原理
用玻璃埚过滤胶液而得出不溶物的量。5.10.2仪器
玻璃烧杯:(600mL),
砂芯玻璃埚。
测定步骤
将玻璃在105~110℃烘干,称重(W)。5.10.3.1
5.10.3.2称取10士1g胶样(W)。准确至0.1g,倒入烧杯中,加蒸馏水膨胀,并使之成500g胶液。将胶液用抽滤法通过玻璃埚。
5.10.3.4用热水洗埚上残渣3次。5.10.3.5将埚置于105~110℃烘箱里烘干。5.10.3.6从烘箱中取出,置于保干器中冷却至室温。5.10.3.7
取出埚称重。
重复5.10.3.5~5.10.3.7操作,直至恒重(W2)。5.10.3.8
5.10.4结果计算
_ Wz-Wi
式中:X.—一水不溶物含量,%;W,---埚重,g;
W.-埚与残渣重量,g;
W-胶样重量,g。
5.10.5允许误差
二次平行测定值相差不超过1%。5.11铬的测定
5.11.1原理
(6)
用二苯碳酰二耕(二苯胺基脲)比色法,可使微量铬在540nm波长处呈现明显的吸光度差别。5.11.2仪器
a.721型分光度计;
b.马福炉。
GB6783-94
5.11.3试剂
a.0.5%高锰酸钾溶液:称取0.5g高锰酸钾(分析纯),溶解并稀释至100mlL,存于棕色瓶中。b.10%尿素溶液称取10g尿素[CO(NH)z,分析纯],溶解并稀释至100mL,贮存于棕色瓶中,置于暗冷处。
c,10%亚硝酸钠溶液:称取10g亚硝酸钠,溶解并稀释至100mL,贮存于棕色瓶中,置于暗冷处,或临用临配。
d.二苯碳酰二肼丙酮溶液:称取 0.125 g 二苯碳酰二肼[CO(NH·NH·C,H,)2分析纯],溶于由25mL丙酮和25ml.水配成的混合液中,临用临配,放置于暗处。e.0.5%焦磷酸钠溶液:称取0.5g焦磷酸钠分析纯,溶解并稀释至100mL,贮存于试剂瓶中。f.铬标准贮备液(0.02mg/mL):准确称取0.0566g重铬酸钾(优级纯,在玛瑙研钵中研细,并在105~110℃干燥34h后,置下保干器中冷却),置于小烧杯中,用水溶解,移入100mL容量瓶中,加水至刻度。
g.1mol/L.硫酸溶液:量取28mL硫酸分析纯,缓缓加入盛有-一定量纯水的500mL容量瓶中,再加纯水至刻度。
5.11.4测定步骤
5.11.4.1绘制标准工作曲线:吸取铬标准溶液0.00.0.20,0.40,0.60,1.00,1.60,2.00,2.60mL,分别相当于含铬0.0,4.0,8.0,12.0,20.0,32.0,40.0,52.0mg。置于烧杯中,分别加入1mol/L硫酸10mL及纯水10ml,加热煮沸,滴加0.5%高锰酸钾至溶液不褪色,冷却,移入50mL容量瓶中,加入10%尿素溶液10mL,剧烈振摇下滴加10%亚硝酸钠溶液至溶液退色。加入0.5%焦磷酸钠溶液2.0mL,二苯碳酰二耕0.5ml。补足水分至刻度,摇匀,放置半小时于波长540nm处测定吸光度值,在坐标纸上绘制出Ccr-D540标准工作曲线。5.11.4.2样品预处理及测定:准确称取明胶样品1.000g于埚中,缓慢升温,使之炭化,放冷。加浓硝酸数滴,慢慢加热,气体停止逸出时,移入马福炉中600℃下热至所有黑色颗粒消失(2h),取出待冷却后加1mol/lL硫酸10mL和纯水20mL使残渣溶解,在水浴上加热5min。滴加0.5%高锰酸钾煮沸,溶液紫红色消失时再滴加0.5%高锰酸钾溶液煮沸,如此反复直至紫红色不褪为止,放冷、加10%尿素溶液10mL,剧烈振摇下滴加10%亚硝酸钠溶液,直至过量的高锰酸钾,完全消除,溶液呈无色。如二氧化锰明显存在则过滤。把溶液移入50mL容量瓶中,加入0.5%焦磷酸钠溶液2mL,二苯碳酰二耕溶液0.5mL,摇匀,加纯水至刻度。放置30min。取上述溶液,在540nm波长处测定出吸光度值,即可在ccr-D5o标准工作曲线上查到明胶样品的铬含量。
5.12碑的测定
5.12.1原理
溴化汞试纸与砷接触生成碑斑,随砷量的多少而有深浅不同的颜色。5.12.2仪器装置:见图4。
GB 6783--94
图4砷测定器
A--100 mL 三角瓶;B--橡皮塞,C—玻璃管,D一粘固的有机玻璃板,E一有机玻璃板B为橡皮塞,中有一孔。C为全长180mm,上粗下细的玻璃管,自管口D向下至140mm,一般的管内径为 6.5mm,自此以下渐狭细,末端内径约1~3mm,距末端约10 mm处管壁有一小孔(孔径2mm),狭细部紧密插入橡皮塞B中,使下部伸出小孔恰在塞下面,上面较粗部分装入乙酸铅棉花,长50~60mm,上端距管口D处至少30mm,C管顶端D为粘固的有机玻璃平板两块。使用时将E板置于C管顶端的D部,使圆孔相互吻合,中间夹一溴化汞试纸用橡皮筋或其他适宜的方法将E板与D部固定。
5.12.3试剂与溶液
盐酸(GB622);
碘化钾(GB1272):15%溶液;
氢化亚锡(GB638):40%盐酸溶液;无砷金属锌(GB2304);
三氧化二砷(GB673):优级纯;乙醇溴化汞试液:取溴化汞2.5g,加乙醇50mL,微热使溶解。置玻璃塞瓶内,暗处保存;溴化汞试纸:将滤纸条漫入乙醇溴化汞试液内,1h后取出滤纸,放在表面血上,在暗处干燥,即得。该纸应避光保存;
h.乙酸铅试液:取乙酸铅10g,加新煮沸过的冷蒸馏水溶解后,滴加乙酸,使溶液澄清,再加新煮沸过的冷蒸馏水使成100mL,即得;i。乙酸铅棉花:取脱脂棉,浸入乙酸铅试液与水的等容混合液中湿透后,挤压除去过多的溶液,并使疏松,在100℃以下干燥后,置玻璃塞瓶中干燥保存;j.标准砷溶液:精密称取在105℃干燥至恒重的三氧化二砷0.132g,置于1000mL容量瓶中,加氢氧化钠溶液(1+5)5mL,溶解后,用适量的10%稀硫酸中和,再加稀硫酸10ml.及水稀释至刻度。摇匀,即为贮备液。
精密量取贮备液10mL,置于1000mL容量瓶中,加稀硫酸10mL,用水稀释至刻度,摇勾,即得(1 mL相当于1 μg砷)。本液需临用新配;k.标准砷斑制备:精密量取标准砷溶液1mL,置砷测定器A瓶中,加盐酸5mL与水21mL,再179
GB 6783--94
加碘化钾试液5mL与酸性氯化亚锡试液5滴,在室温放置10min后,加锌粒1.5g。迅速照上法装妥C玻璃管,与E板的B塞塞紧,保持反应温度在25~40℃间。1h后,取出溴化汞试纸,即得。5.12.4测定步骤
称取胶样1.5g,加淀粉0.75g与氢氧化钙1.5g,加水少量搅拌均匀干燥后,先用小火灼烧使炭化,再在500至600℃灼烧成灰白色,放冷,加盐酸10mL与水20mL溶解。取上述试液20mL,置砷测定器A瓶中,加水8mL,加碘化钾试液5mL与酸性氯化亚锡试液5滴,在室温中放置10min后,加锌粒1.5g,迅速装妥C管,与E板的B塞塞紧,保持反应温度在25~40℃之间。1h后取出漠化汞试纸,将生成的碑斑与用标准碑溶液1mL制成的标准砷斑比较,如颜色不深于标准砷斑,即为胶样中的含砷量未超过1 mg/kg。5.13重金属(以铅计)测定
5.13.1原理
金属离子与硫化氢试液生成有色化合物,其颜色的深浅与重金属离子浓度成正比,用比色法测定。5.13.2试剂与试渡
盐酸(GB622);
硝酸(GB626);
冰乙酸(GB676):6%溶液
d硝酸铅(HG31070):分析纯,
硫化氢试液:取冷蒸馏水,通入硫化氢气,使饱和即得。应置于棕色玻璃瓶中,在凉暗处保存;e.
f.铅贮备液:精密称取在105℃干燥至恒重的硝酸铅0.1598g,置1000mL容量瓶中,加硝酸5mL与蒸馏水50mL,溶解后,加适量的蒸馏水,使全量成1000mL,播匀即得(1mL相当于0.1mg的铅)#
标准铅溶液:精密量取铅贮备液10mL,置100mL容量瓶中,加蒸馏水稀释至刻度,摇匀,即g.
得(1mL相当于10μg的铅)。本液须临用新配。5.13.3测定步骤
取5.6中1g明胶的全部灰分,加盐酸2mL与硝酸0.5mL,置水浴上蒸干,加水5mL再蒸干,加稀乙酸5mL与水20mL,温热数分钟加水适量使成50mL,吸取25ml,依下法检查。取50mL纳氏比色管两支,甲管中加一定量的标准铅溶液与稀乙酸2mL,加蒸馏水稀释至全量25mL,乙管中加上述试液25mL。再在甲乙两管中分别加硫化氢液各10mL,摇匀,在暗处放置10min同置白瓷板或白纸上,自上面透视,比较两管中显出的额色。如供试液的颜色与一定量标准铅溶液的颜色相同时,即得出该胶重金属含量。5.14细菌总数、大肠菌群,沙门氏菌检验细菌总数、大肠菌群的检样稀释方法为:以无菌操作,称取胶样25g(准确至0.1g),放入装有225mL灭菌生理盐水的玻璃瓶内,经振摇均匀后,在4士1℃膨胀90~150min,再置于46士1℃的水浴中溶解约15min(适当振播样品),即可制成1十10的均勾稀释液。其他均按GB4789.1~4789.4测定。6检验规则
6.1本产品内不准加入任何违反国家食品卫生法规的有害防腐剂、添加剂或其他提高粘度的物质。6.2本产品由生产厂的检验部门检验,检验合格才能出厂,每一批号产品都应附有质量检验报告单。6.3取样方法
6.3.1从同一批号产品中,在检验外部包装之后,按表3规定,挑出一定件数,进行取样。189
小提示:此标准内容仅展示完整标准里的部分截取内容,若需要完整标准请到上方自行免费下载完整标准文档。
标准图片预览:





- 其它标准
- 上一篇: GB 6782-1986 食品添加剂 柠檬酸钠
- 下一篇: GB 6819-2004 溶解乙炔
- 热门标准
- 国家标准(GB)
- GB/T30917—2014 /ISo 29941:2010 天然胶乳橡胶避孕套中可迁移亚硝胺的测定
- GB/T12777-1999 金属波纹管膨胀节通用技术条件
- GB15193.5-2003 骨髓细胞微核试验
- GB/T29633.4-2020 南极地名 第4部分:罗马字母拼写
- GB/T39964-2021 造纸行业能源管理体系实施指南
- GB/T43929-2024 空间用纤维光学器件测试指南
- GB/T43225-2023 空间物体登记要求
- GB15985-1995 丝虫病诊断标准及处理原则
- GB19159-2003 车用液化石油气
- GB/T7407-1997 中国及世界主要海运贸易港口代码
- GB1913.2-1990 漂白浸渍绝缘纸
- GB14287.4-2014 电气火灾监控系统 第4部分:故障电弧探测器
- GB5237.3-2008 铝合金建筑型材 第3部分:电泳涂漆型材
- GB/T9771.6-2020 通信用单模光纤 第6部分:宽波长段 光传输用非零色散单模光纤特性
- GB29140-2024 纯碱单位产品能源消耗限额
- 行业新闻
请牢记:“bzxz.net”即是“标准下载”四个汉字汉语拼音首字母与国际顶级域名“.net”的组合。 ©2025 标准下载网 www.bzxz.net 本站邮件:bzxznet@163.com
网站备案号:湘ICP备2025141790号-2
网站备案号:湘ICP备2025141790号-2