- 您的位置:
- 标准下载网 >>
- 标准分类 >>
- 机械行业标准(JB) >>
- JB/T 8118-1997 内燃机活塞销 技术条件
标准号:
JB/T 8118-1997
标准名称:
内燃机活塞销 技术条件
标准类别:
机械行业标准(JB)
英文名称:
Technical requirements for piston pins of internal combustion engines标准状态:
现行-
发布日期:
1997-06-20 -
实施日期:
1998-01-01 出版语种:
简体中文下载格式:
.rar.pdf下载大小:
245.28 KB
替代情况:
JB/T 8118-95采标情况:
BS 3537-79(88) NEQ DIN 73126-87
点击下载
标准简介:
标准下载解压密码:www.bzxz.net
JB/T 8118-1997 本标准参考了BS 3537:1979(1988)《直径≤200mm的活塞销规格》和DIN 73126:1987《往复式内燃机活塞销:尺寸、结构、要求、检验》标准,对JB/T 8118-1995进行了修改和补充。 本标准规定了内燃机活塞销的各部位名称,技术要求,检验方法,验收规则及标志、包装、运输和贮存。 本标准适用于气缸直径小于或等于200mm的往复式内燃机活塞销。 JB/T 8118-1997 内燃机活塞销 技术条件 JB/T8118-1997
部分标准内容:
中华人民共和国机械行业标推
JB/T8118—1997
内燃机活塞销技术条件
1997-06-20发布
中华人民共和国械械工业部Www.bzxZ.net
1998-01-01实施
JB/T81181997
症落内燃证学过机型的产塞跨国产化和出二新寒销的增多,为尽快与润际标准接软后时道空新艺发展步需要,本标准参考3719自轻的搭塞销规格311987往克式内燃机需销:尺,结构、要求,验验3标准对JB/8118--5进行了修改和款元:本际瑞玉本保留京以德酸层深离要求的技术指际,扑充广以化会要求的技术指际故变有本积总定性费以时的表函硬度偿范臣和活密筑倒而控制等现定牛损准从出效之起.同科代替JB/T8118-95.木标准山全国内凝款际增化技术委员会提出:本标准由机城工业部上海内燃机研究所归口产际唯起草单位,机核工业部上海内燃机研究所、断江两山活室销,、二海轮通汽车封件有公叫信阳河燃机配件厂、西汽车配件厂。车标准主要起带人:邱宁些,要以使、场家装,金张肖,强范。范离
中华人民共和国机械行业标准
内燃机活塞销技术条件
JB/I8118—1997
代JB/T 81155
个标准规定丁内燃机活赛消的各部位名称,技六要多,检验方必,致收热照及标志,点装,运转和忙存.
本际准适过于气缸直经小于或等于2的川药往反式内燃机将塞销。引用标准
下列标准所包合的条文·通过企本标准中学用而构成为本际准的条文,本际准出版时.流示版本均为有效。所有标准部今修订,使用本标准的各力应探讨使用下列民准感新版本的可能生。GH/T 230-3)
CB693-88
G/1184198
GR195880
GB283887
GB 3077-$>
GR2R40-84
GB 9450 -86
GB 3:51-88
N1325-84
3活塞销各部位名称
金网路氏硬质记验力运
比质碳素结构钢转术条件
形状和立贡公差未注公差值
形状和立置公差检测规定
遂批检直计数抽程及独弹表(道用于连续批的检款)合金结构钢废术条件
金喝维氏硬度试聘方法
判件渗萍水有效牌化层深度过定阳核率钢件碑表面总化尽深度或有效硬化层深度的测定广尴机活塞销金相检验净
内燃机活密悄磁新探们转本茶
商究各部应多称究国图1。
华国集
内孔典匠
机械工业部1997-06-20批准
活密销
内到革
或还标记
1998-01-01实族
()画用
4技术要求
B8118-10
)你进15
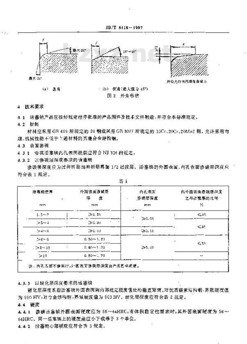
图2外牵形将
外径允灯可两期断小
4.1活塞销产品应技经越定性序批准的产品图栏及技术文件制道,并符合本标准规定。4.2材料
封料应采用GR659所现定的20烟或采用CB3077所规定的15Cr、20Cr20Mt2翊,充许采用动埋、机抗性能小活于述材料的其他食金结构钢,4.3老面炭
4.31您碳活塞销内孔表雨脱整应符合N336的规定,4.3.22净残层深度要京的清塞销淤碳房深度应为过共折层加共析层再加1/2过键层。活塞销的外圆表面,内升装面德碳层溪度应符合表 1 规定。
外团表国净碳区
>6~·5
>8--10
0. 50~ 1. 2:1
0. 6n~-1. 23
0. 80~~ :. 70
内孔表证
快保保
法:内礼回不协时,医衣您联深出产是医举。4.3.3以酸化属深感要求的活肇销疗外回表出李层
之占些的比划
砸化层深度系指活蛋销外园表而到内部规定度直处的垂直率商,对优质碳索结构钢,界限噪度值为550HV,对含金结放制.界据使度值为5C0IIV。睡化层探度应符合表2规定。4. 4硬度
4.4.1率哦活塞销外趣表面使穿应为58~64HRC,有体积稳定性要求时,其外因衰面限度为5心~64HRC,同一活毫销上的硬费毫应小下或等于3个单位。4. 4.2追塞链心部硬度应符合京3规定。2
2-5~10
治案销壁县
JB/T 8118—1997
-医囊面硬化层
0. F.0 1. 50
.50~1.70
1. 0~2. 心
内孔囊面
硬化豆深度
心部质度HRC:
,呆用其他合全药频制变的活基购,其心部差可接产品耐筛切定,4.5金相组织
内外表面化层深学
之和占些厚的比划
2心n2
3--- 4
活整销企托组织应符合NT326的规定.NJ32F现定之外的其偿合金构短剂的活塞销,其金柜组织可技产品国样现定。
4.夜函粗度
4.6.1活塞销外测表面粗糙度
径小于成等于50 mnl的适塞镇.R.为 .18un:外径大于-50 mur的培塞销、R,为0.25m。4.6.2活霉销灌而表面祖箍度
而面车郁的活塞销、R.为6.3m滴面薪削的活塞销,R为3.2αm。4.6.3活率销内孔装面粗辅度值席符合表4规定。表4
或内孔
内孔而输度,
4.7尺寸公些
4. 7. 1括塞片长度公差
持后商塞销中可阶山开
高径小于或辨于1cm的小乳
外轻小于或等于30mm的蜜销应不低于IT11级;外径大于Cmm的活括塞销应不低于IT12级,4.7.2活基谢外径公差
活寒销外径公差应不低于TT4级,如用户有特殊受求可按产品图样定,活寒销外国直轻充许向两端逐渐减小,任城小区域的轴向长虚外轻的减小取应符合装5规定。4.T.3活差销内径公差
活塞销内径公差应不断于TT14级。3
活整销外径
4.7.1活亲销谢角
4.7,.4.1适销外画角
JB/T8118—1997
精向长皮最大位
G, 1:
活率错外面倒用见图2并符合表6规定站心
>35 --5c
4.7.4.2活客销内机到用
冶塞销内机两端应有倒有泌两1.并应符合表7规定。表7
治空培生学
内恒*要
4.8形状即位或公差
4.8.1活蛋销孔对外刚同物度
活密销内孔对外圆同轴虐成不低于表5规定。表8
滑京随鉴军
司辅度
4.8.2将塞销外的圆离和四祥堂
“冠减小营最大值》
今医保南成医创半径
3. 2--0. 6
3,+--6. 8
活塞销外巨的园班和圆柱度应不低乎G1124中“尽皮,圆度公些等级“的级。4.8.3括塞销端而对外面射线的垂互变m
活寒销外径小平或等寸75mm时.应小于或等于0.1mm活亲销外径人十75mm时,应成小于或等于. mr
.9活塞销应经探快检要,并合N327的规定,4.10眼司体积变化的活塞销,外各小于或举mm的9径增盖小十就等十C.Cc6m:外径于50mm的外径增量座小或等于0.010mm。4.11修理用活案错的外径加大尺寸为:0.4,0.8,0.12mm兰种,4.12活寒销的寿命应不邮了土机的大悼期车保用期内,确固制造厂的制造质量而发生损不或不载正常使月时,减造厂应无偿给于更换。4.13外戏质量
4.13.1活塞销外网例角与活需销外遇圆止面之间应光滑过渡,不允计孕在任何在装配时可能导致境4
伤或划衡活密销孔的锐边战台阶:FLTA118--1997
4、13.2活密销所有表面不得有裂较、锈蚀,烧伤,并应去除尖角,毛刺和驾化皮,4.13.3活塞销外表面不得有麻点,黑班,到痕以及超过下列规定的瘤前缺陷和磁滚痘迹。4. 13. 3. 1磨削缺陷
外测丧面与外鱼角相区域的磨平嵌陷,最大长度为2mm,最大需度为1mm,仅限一处。4.13.3.2证换拍速
外四表面与外角处的避过痕迹最无长度为2ntm,最大深发为 G.01 mu1,仪限一处4.13.4活塞销消面允许湾业大长度为壁厚的1/4,最大添度为0.2mm的性捷痕迹,仅限一处,5检验方法
5.1游层深度内孔表面脱碳及金相组织的检验按NJ36的规定。5.?装而硬北层涤度的检验接GB9450或GB9451的测量方法进行:测定蝇度采用的试验力为3.别751kf,可按安94惑B91的数定进行测量。5.3硬度的按验
5.3.1外函表面硬度的检验
5.3.1.1外画表面硬率的测量点应不少于三点,减点在外四表面应均与分布,S.3.1.2当外时表面落费层探度小于或势亏06m时按340起量其表面硬也金许用其他方益前量。
5.3.2心部随度的检验
5.3.2.1心前硬的测量面应距端面10~15mm.井与端面平行,5.3.2.2心部硬度在不妥遂碳影嗨区域的中间位爱进行测量,测量点应不少下三点,5.3.2.3些对测量点的理度测量值有异设时,可有该点附近加测两点进行复验。以该三点阐度的算术平均值作为复险后的硬度值,
5.4表面短精准控检醇
5.4.1外表面粗避度采用轮哪仅逆行格。5.4.2其超表面造度乘用比较法进行拉验。5. 5尺寸的粒验
5.5.1括本销外链的检验
5.5,1.活塞销外径的检验应在三个横截面上进行,每个损载面应在两个相互垂直关方量·测量点应沿轴同均均分布,以测盘值中的最大值作为外径的检验结果。5.5.1.2外径向两端两小的活塞针,随心区域的轴向长度和外径的最人减小盘应采用技影仅进行检验,
5.5.3外面倒角的险题
外回倒余为团弦倒角的后案情侧角半径应采用投影仅进行检验。5.5.3长度的检验
长皮的检验用垂直于外网轴线的两十平面测量,测量平面应能息煎活塞销的端面,或将活塞销敬垂直于平板的V形块内,用百分表测量,5.5.4性孔直径的检验应在估画尴截面处两十相互重直的方向上测服,见图3。5.6形状和位整公差的龄验
5.6.1同轴度的检验
同轴度值以壁厚差的就大值为测量值,在任慧同一横截函处检整-见图35
5.6.2带面对外困的乘直检验
J1/8118-1997
国3测量内径和可轴
通量活塞钱端面对回的垂真展将活销定位于形改中:销的一端紧型车V形以一期均平技,当活销转动时,用百分表利量,测量装置见图4,图4测显端面对外圆的垂声度
5.6.3外网更和可持的控舱
活差消外回回度和且性宽的测量应在画候位可应性度位上进行.医栏变的轴问须量单位为12.5m,5.或按GK19E8共他方法行、
5.7活蜜销择
活座销深生接汀327的规定!
5.8牢积稳定堂腔
图 5国度和圆注度的测量
对限制详积变化的密销.其体积稳定性对查技以产规定逆行:X-医公
(b>西室
技 5.5.1 测量活塞均外轻后将活本销加热至(220士5):保组4h,险后冷却到测量前试分径舒6
J8/T 8118.-1997
温率、再接5.5.1测量,加热时要防止氧化及可能引起的其他外观损伤,5.9活塞销外观质罩
活席销外观所量以日测查,
验收规则
6.1、活塞销应经制道厂技术检验部门检整公格后才能出厂。6.2验收产品质量时,抽方案应符合GB2628的有关规定。活案销产品合格质庭水平AL值由供简欧方新定,
了抗忘,包装.运辑,贮存
7.1每活赛销上应按产品图样的规定应有制遭厂的专用标恶.标志在活塞情的整个使用期内应保持完。
7.2活星能在包装前应洗和油封,并用结实不避水的中性纸包好,再整入包装愈内。每盒应装入同一机型,同尺寸组的活塞料:
7.3包装监上应标明
a)制意厂名称,地址及南标:
b)产品名称及拓型:
)尺上分组代或加尺上代号:
d)数:
e)包装日期。
7.4每个包装盘内应时有经制造厂持术检验员签章的产品质合格证,了.多质包装盘装好的活寒销应装人打有防水纸的下梁包装面内并保证在正章的运输过程中不致损坏活案销。包装箱单直量不得超过0kg。7.(色装箱外部应标明:
s)制造厂名称地址:
i)产品名称机型及尺代:
c)毛重量及数盘:
d收资单位及地址;
e)\小心轻放”、“防率\、“防压”等际志:f)龄箱耳型,
7.,如订宽单位同意,可采月简易包装方法。7.8抢塞销应存放在通风,下媒的色库内。在正带保管情况下,自出厂之日起·制造」应保证产品在12个月内不数锈缺。
小提示:此标准内容仅展示完整标准里的部分截取内容,若需要完整标准请到上方自行免费下载完整标准文档。
JB/T8118—1997
内燃机活塞销技术条件
1997-06-20发布
中华人民共和国械械工业部Www.bzxZ.net
1998-01-01实施
JB/T81181997
症落内燃证学过机型的产塞跨国产化和出二新寒销的增多,为尽快与润际标准接软后时道空新艺发展步需要,本标准参考3719自轻的搭塞销规格311987往克式内燃机需销:尺,结构、要求,验验3标准对JB/8118--5进行了修改和款元:本际瑞玉本保留京以德酸层深离要求的技术指际,扑充广以化会要求的技术指际故变有本积总定性费以时的表函硬度偿范臣和活密筑倒而控制等现定牛损准从出效之起.同科代替JB/T8118-95.木标准山全国内凝款际增化技术委员会提出:本标准由机城工业部上海内燃机研究所归口产际唯起草单位,机核工业部上海内燃机研究所、断江两山活室销,、二海轮通汽车封件有公叫信阳河燃机配件厂、西汽车配件厂。车标准主要起带人:邱宁些,要以使、场家装,金张肖,强范。范离
中华人民共和国机械行业标准
内燃机活塞销技术条件
JB/I8118—1997
代JB/T 81155
个标准规定丁内燃机活赛消的各部位名称,技六要多,检验方必,致收热照及标志,点装,运转和忙存.
本际准适过于气缸直经小于或等于2的川药往反式内燃机将塞销。引用标准
下列标准所包合的条文·通过企本标准中学用而构成为本际准的条文,本际准出版时.流示版本均为有效。所有标准部今修订,使用本标准的各力应探讨使用下列民准感新版本的可能生。GH/T 230-3)
CB693-88
G/1184198
GR195880
GB283887
GB 3077-$>
GR2R40-84
GB 9450 -86
GB 3:51-88
N1325-84
3活塞销各部位名称
金网路氏硬质记验力运
比质碳素结构钢转术条件
形状和立贡公差未注公差值
形状和立置公差检测规定
遂批检直计数抽程及独弹表(道用于连续批的检款)合金结构钢废术条件
金喝维氏硬度试聘方法
判件渗萍水有效牌化层深度过定阳核率钢件碑表面总化尽深度或有效硬化层深度的测定广尴机活塞销金相检验净
内燃机活密悄磁新探们转本茶
商究各部应多称究国图1。
华国集
内孔典匠
机械工业部1997-06-20批准
活密销
内到革
或还标记
1998-01-01实族
()画用
4技术要求
B8118-10
)你进15
图2外牵形将
外径允灯可两期断小
4.1活塞销产品应技经越定性序批准的产品图栏及技术文件制道,并符合本标准规定。4.2材料
封料应采用GR659所现定的20烟或采用CB3077所规定的15Cr、20Cr20Mt2翊,充许采用动埋、机抗性能小活于述材料的其他食金结构钢,4.3老面炭
4.31您碳活塞销内孔表雨脱整应符合N336的规定,4.3.22净残层深度要京的清塞销淤碳房深度应为过共折层加共析层再加1/2过键层。活塞销的外圆表面,内升装面德碳层溪度应符合表 1 规定。
外团表国净碳区
>6~·5
>8--10
0. 50~ 1. 2:1
0. 6n~-1. 23
0. 80~~ :. 70
内孔表证
快保保
法:内礼回不协时,医衣您联深出产是医举。4.3.3以酸化属深感要求的活肇销疗外回表出李层
之占些的比划
砸化层深度系指活蛋销外园表而到内部规定度直处的垂直率商,对优质碳索结构钢,界限噪度值为550HV,对含金结放制.界据使度值为5C0IIV。睡化层探度应符合表2规定。4. 4硬度
4.4.1率哦活塞销外趣表面使穿应为58~64HRC,有体积稳定性要求时,其外因衰面限度为5心~64HRC,同一活毫销上的硬费毫应小下或等于3个单位。4. 4.2追塞链心部硬度应符合京3规定。2
2-5~10
治案销壁县
JB/T 8118—1997
-医囊面硬化层
0. F.0 1. 50
.50~1.70
1. 0~2. 心
内孔囊面
硬化豆深度
心部质度HRC:
,呆用其他合全药频制变的活基购,其心部差可接产品耐筛切定,4.5金相组织
内外表面化层深学
之和占些厚的比划
2心n2
3--- 4
活整销企托组织应符合NT326的规定.NJ32F现定之外的其偿合金构短剂的活塞销,其金柜组织可技产品国样现定。
4.夜函粗度
4.6.1活塞销外测表面粗糙度
径小于成等于50 mnl的适塞镇.R.为 .18un:外径大于-50 mur的培塞销、R,为0.25m。4.6.2活霉销灌而表面祖箍度
而面车郁的活塞销、R.为6.3m滴面薪削的活塞销,R为3.2αm。4.6.3活率销内孔装面粗辅度值席符合表4规定。表4
或内孔
内孔而输度,
4.7尺寸公些
4. 7. 1括塞片长度公差
持后商塞销中可阶山开
高径小于或辨于1cm的小乳
外轻小于或等于30mm的蜜销应不低于IT11级;外径大于Cmm的活括塞销应不低于IT12级,4.7.2活基谢外径公差
活寒销外径公差应不低于TT4级,如用户有特殊受求可按产品图样定,活寒销外国直轻充许向两端逐渐减小,任城小区域的轴向长虚外轻的减小取应符合装5规定。4.T.3活差销内径公差
活塞销内径公差应不断于TT14级。3
活整销外径
4.7.1活亲销谢角
4.7,.4.1适销外画角
JB/T8118—1997
精向长皮最大位
G, 1:
活率错外面倒用见图2并符合表6规定站心
>35 --5c
4.7.4.2活客销内机到用
冶塞销内机两端应有倒有泌两1.并应符合表7规定。表7
治空培生学
内恒*要
4.8形状即位或公差
4.8.1活蛋销孔对外刚同物度
活密销内孔对外圆同轴虐成不低于表5规定。表8
滑京随鉴军
司辅度
4.8.2将塞销外的圆离和四祥堂
“冠减小营最大值》
今医保南成医创半径
3. 2--0. 6
3,+--6. 8
活塞销外巨的园班和圆柱度应不低乎G1124中“尽皮,圆度公些等级“的级。4.8.3括塞销端而对外面射线的垂互变m
活寒销外径小平或等寸75mm时.应小于或等于0.1mm活亲销外径人十75mm时,应成小于或等于. mr
.9活塞销应经探快检要,并合N327的规定,4.10眼司体积变化的活塞销,外各小于或举mm的9径增盖小十就等十C.Cc6m:外径于50mm的外径增量座小或等于0.010mm。4.11修理用活案错的外径加大尺寸为:0.4,0.8,0.12mm兰种,4.12活寒销的寿命应不邮了土机的大悼期车保用期内,确固制造厂的制造质量而发生损不或不载正常使月时,减造厂应无偿给于更换。4.13外戏质量
4.13.1活塞销外网例角与活需销外遇圆止面之间应光滑过渡,不允计孕在任何在装配时可能导致境4
伤或划衡活密销孔的锐边战台阶:FLTA118--1997
4、13.2活密销所有表面不得有裂较、锈蚀,烧伤,并应去除尖角,毛刺和驾化皮,4.13.3活塞销外表面不得有麻点,黑班,到痕以及超过下列规定的瘤前缺陷和磁滚痘迹。4. 13. 3. 1磨削缺陷
外测丧面与外鱼角相区域的磨平嵌陷,最大长度为2mm,最大需度为1mm,仅限一处。4.13.3.2证换拍速
外四表面与外角处的避过痕迹最无长度为2ntm,最大深发为 G.01 mu1,仪限一处4.13.4活塞销消面允许湾业大长度为壁厚的1/4,最大添度为0.2mm的性捷痕迹,仅限一处,5检验方法
5.1游层深度内孔表面脱碳及金相组织的检验按NJ36的规定。5.?装而硬北层涤度的检验接GB9450或GB9451的测量方法进行:测定蝇度采用的试验力为3.别751kf,可按安94惑B91的数定进行测量。5.3硬度的按验
5.3.1外函表面硬度的检验
5.3.1.1外画表面硬率的测量点应不少于三点,减点在外四表面应均与分布,S.3.1.2当外时表面落费层探度小于或势亏06m时按340起量其表面硬也金许用其他方益前量。
5.3.2心部随度的检验
5.3.2.1心前硬的测量面应距端面10~15mm.井与端面平行,5.3.2.2心部硬度在不妥遂碳影嗨区域的中间位爱进行测量,测量点应不少下三点,5.3.2.3些对测量点的理度测量值有异设时,可有该点附近加测两点进行复验。以该三点阐度的算术平均值作为复险后的硬度值,
5.4表面短精准控检醇
5.4.1外表面粗避度采用轮哪仅逆行格。5.4.2其超表面造度乘用比较法进行拉验。5. 5尺寸的粒验
5.5.1括本销外链的检验
5.5,1.活塞销外径的检验应在三个横截面上进行,每个损载面应在两个相互垂直关方量·测量点应沿轴同均均分布,以测盘值中的最大值作为外径的检验结果。5.5.1.2外径向两端两小的活塞针,随心区域的轴向长度和外径的最人减小盘应采用技影仅进行检验,
5.5.3外面倒角的险题
外回倒余为团弦倒角的后案情侧角半径应采用投影仅进行检验。5.5.3长度的检验
长皮的检验用垂直于外网轴线的两十平面测量,测量平面应能息煎活塞销的端面,或将活塞销敬垂直于平板的V形块内,用百分表测量,5.5.4性孔直径的检验应在估画尴截面处两十相互重直的方向上测服,见图3。5.6形状和位整公差的龄验
5.6.1同轴度的检验
同轴度值以壁厚差的就大值为测量值,在任慧同一横截函处检整-见图35
5.6.2带面对外困的乘直检验
J1/8118-1997
国3测量内径和可轴
通量活塞钱端面对回的垂真展将活销定位于形改中:销的一端紧型车V形以一期均平技,当活销转动时,用百分表利量,测量装置见图4,图4测显端面对外圆的垂声度
5.6.3外网更和可持的控舱
活差消外回回度和且性宽的测量应在画候位可应性度位上进行.医栏变的轴问须量单位为12.5m,5.或按GK19E8共他方法行、
5.7活蜜销择
活座销深生接汀327的规定!
5.8牢积稳定堂腔
图 5国度和圆注度的测量
对限制详积变化的密销.其体积稳定性对查技以产规定逆行:X-医公
(b>西室
技 5.5.1 测量活塞均外轻后将活本销加热至(220士5):保组4h,险后冷却到测量前试分径舒6
J8/T 8118.-1997
温率、再接5.5.1测量,加热时要防止氧化及可能引起的其他外观损伤,5.9活塞销外观质罩
活席销外观所量以日测查,
验收规则
6.1、活塞销应经制道厂技术检验部门检整公格后才能出厂。6.2验收产品质量时,抽方案应符合GB2628的有关规定。活案销产品合格质庭水平AL值由供简欧方新定,
了抗忘,包装.运辑,贮存
7.1每活赛销上应按产品图样的规定应有制遭厂的专用标恶.标志在活塞情的整个使用期内应保持完。
7.2活星能在包装前应洗和油封,并用结实不避水的中性纸包好,再整入包装愈内。每盒应装入同一机型,同尺寸组的活塞料:
7.3包装监上应标明
a)制意厂名称,地址及南标:
b)产品名称及拓型:
)尺上分组代或加尺上代号:
d)数:
e)包装日期。
7.4每个包装盘内应时有经制造厂持术检验员签章的产品质合格证,了.多质包装盘装好的活寒销应装人打有防水纸的下梁包装面内并保证在正章的运输过程中不致损坏活案销。包装箱单直量不得超过0kg。7.(色装箱外部应标明:
s)制造厂名称地址:
i)产品名称机型及尺代:
c)毛重量及数盘:
d收资单位及地址;
e)\小心轻放”、“防率\、“防压”等际志:f)龄箱耳型,
7.,如订宽单位同意,可采月简易包装方法。7.8抢塞销应存放在通风,下媒的色库内。在正带保管情况下,自出厂之日起·制造」应保证产品在12个月内不数锈缺。
小提示:此标准内容仅展示完整标准里的部分截取内容,若需要完整标准请到上方自行免费下载完整标准文档。
标准图片预览:





- 其它标准
- 热门标准
- 机械行业标准(JB)
- JB/T9396-1999 环块磨损试验机 技术条件
- JB/T7422.2-1999 立式内圆珩磨机 精度检验
- JB/T7665-1995 通用机械噪声声功率级现场测定 声强法
- JB/T7732.1-1995 地膜覆盖机 技术条件
- JB/T9272-1999 氨压力表
- JB/T7273.8-1994 背面波纹手轮
- JB/T450-1992 PN16.0~32.0MPa锻造角式高压阀门、管件、紧固件 技术条件
- JB/T6664.2-1993 自吸泵 技术条件
- JB/T8368.1-1996 电锤钻
- JB/T9541-1999 家用换气扇用电动机 通用技术条件
- JB/T10438-2004 额定电压450/750V及以下交联聚氯乙烯绝缘电线和电缆
- JB/T3096-1999 自动带锯磨锯机 参数
- JB/T3411.87-1999 锥柄卡口镗铰刀杆 尺寸
- JB/T9294-1999 测磁仪器 基本系列
- JB/T11340.3-2012 阀控式铅酸蓄电池安全阀 第3部分:橡胶帽、阀芯
- 行业新闻
请牢记:“bzxz.net”即是“标准下载”四个汉字汉语拼音首字母与国际顶级域名“.net”的组合。 ©2025 标准下载网 www.bzxz.net 本站邮件:bzxznet@163.com
网站备案号:湘ICP备2025141790号-2
网站备案号:湘ICP备2025141790号-2