- 您的位置:
 - 标准下载网 >>
 - 标准分类 >>
 - 机械行业标准(JB) >>
 - JB 1655-1975 矿用叶轮式浮选机
 
标准号:
JB 1655-1975
标准名称:
矿用叶轮式浮选机
标准类别:
机械行业标准(JB)
英文名称:
Mining Impeller Flotation Machine标准状态:
已作废- 
          	
发布日期:
1975-12-30 - 
		 
实施日期:
1992-10-01 - 
          	
作废日期:
2008-11-01 出版语种:
简体中文下载格式:
.rar.pdf下载大小:
727.22 KB
替代情况:
被JB/T 1655-2008代替
归口单位:
沈阳选矿机械所相关标签:
叶轮式
部分标准内容:
					
					中华人民共和国第一机械工业部部标准
矿用叶轮式浮选机型式、
基本参数、尺寸与技术条件
JB1655~1656--75
JB1655—75
5矿用叶轮式浮选机型式、基本参数与尺寸5矿用叶轮式浮选机技术条件
JB1656-75
000000000000
......
..000.0
中华人民共和国第机械工业部
部标准
矿用叶轮式浮选机型式、
基本参数与尺寸
JB1655-75
本标准适用于浮选有色、黑色金属矿物的叶轮式浮选机,该机也可用于非金属矿物的选别。
1.浮选机的型式:
(1)该机为机械搅拌自吸式:bzxZ.net
(2)槽的配置:一般按偶数槽配置,在特殊情况下可按奇数槽配置或制成单槽机台;
(3)安装型式分左、右两种,面对泡沫刮板,矿浆从左给入者为左式,反之为右式。
2.基本参数与尺寸应符合下表规定。数
参数名称、
槽体有效容积(米3)
生产能力(矿浆流量)
(米*/分)
叶轮直径(毫米)
叶轮转速(转/分)
吸入空气量(米\/分)
叶轮用电动机功率
(千瓦)
二槽)
(二槽)
中华人民共和国第一机械工业部300
0.3~0.90.6~1.61.5~3.5
1976年5月1日
共2页第2页
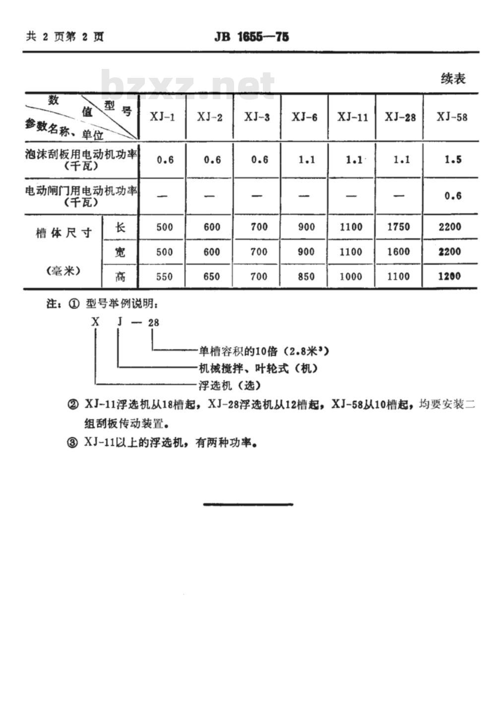
参数名称、单位
泡沫刮板用电动机功率
(千瓦)
电动闸门用电动机功率
(干瓦)
槽体尺寸
(毫米)
注:①型号举例说明:
JB1655-—75
单槽容积的10倍(2.8米”)
机械搅拌、叶轮式(机)
浮选机(选)
②XJ-11浮选机从18槽起,XJ-28浮选机从12槽起,XJ-58从10槽起,均要安装二组刮板传动装置。
③XJ-11以上的浮选机,有两种功率。
小提示:此标准内容仅展示完整标准里的部分截取内容,若需要完整标准请到上方自行免费下载完整标准文档。
	 
	        
	      矿用叶轮式浮选机型式、
基本参数、尺寸与技术条件
JB1655~1656--75
JB1655—75
5矿用叶轮式浮选机型式、基本参数与尺寸5矿用叶轮式浮选机技术条件
JB1656-75
000000000000
......
..000.0
中华人民共和国第机械工业部
部标准
矿用叶轮式浮选机型式、
基本参数与尺寸
JB1655-75
本标准适用于浮选有色、黑色金属矿物的叶轮式浮选机,该机也可用于非金属矿物的选别。
1.浮选机的型式:
(1)该机为机械搅拌自吸式:bzxZ.net
(2)槽的配置:一般按偶数槽配置,在特殊情况下可按奇数槽配置或制成单槽机台;
(3)安装型式分左、右两种,面对泡沫刮板,矿浆从左给入者为左式,反之为右式。
2.基本参数与尺寸应符合下表规定。数
参数名称、
槽体有效容积(米3)
生产能力(矿浆流量)
(米*/分)
叶轮直径(毫米)
叶轮转速(转/分)
吸入空气量(米\/分)
叶轮用电动机功率
(千瓦)
二槽)
(二槽)
中华人民共和国第一机械工业部300
0.3~0.90.6~1.61.5~3.5
1976年5月1日
共2页第2页
参数名称、单位
泡沫刮板用电动机功率
(千瓦)
电动闸门用电动机功率
(干瓦)
槽体尺寸
(毫米)
注:①型号举例说明:
JB1655-—75
单槽容积的10倍(2.8米”)
机械搅拌、叶轮式(机)
浮选机(选)
②XJ-11浮选机从18槽起,XJ-28浮选机从12槽起,XJ-58从10槽起,均要安装二组刮板传动装置。
③XJ-11以上的浮选机,有两种功率。
小提示:此标准内容仅展示完整标准里的部分截取内容,若需要完整标准请到上方自行免费下载完整标准文档。
标准图片预览:




- 其它标准
 
- 热门标准
 - 机械行业标准(JB)
 
- JB/T10288-2001 连栋温室结构
 - JB/T10056-1999 直流电流互感器 技术条件
 - JB/T7895-2008 永磁筒式磁选机
 - JB/T8679-2008 炭弧气刨炭棒 物理及使用性能试验方法
 - JB/T2756-2006 无轨电车用炭滑块
 - JB/T8082-2010 护指键式和护罩式木工平刨床 安全
 - JB/T9713-1999 工程机械 湿式铜基摩擦件 技术条件
 - JB/T9580-2008 炭石墨 产品分类及型号编制方法
 - JB/T8840-2013 电热器具用电源开关
 - JB/T11340.3-2012 阀控式铅酸蓄电池安全阀 第3部分:橡胶帽、阀芯
 - JB/T3411.50-1999 两爪顶拔器 尺寸
 - JB3704-1984 特种调压器用碳电阻片柱电气机械性能试验方法
 - JB/T10677-2006 投影机 光源
 - JB∕T12675-2016 拖拉机液压系统清洁度限值及测量方法
 - JB/T6316-2006 Z4系列直流电动机技术条件(机座号100~450)
 
- 行业新闻
 
请牢记:“bzxz.net”即是“标准下载”四个汉字汉语拼音首字母与国际顶级域名“.net”的组合。 ©2025 标准下载网 www.bzxz.net 本站邮件:bzxznet@163.com
网站备案号:湘ICP备2025141790号-2
网站备案号:湘ICP备2025141790号-2