- 您的位置:
- 标准下载网 >>
- 标准分类 >>
- 建筑材料行业标准(JC) >>
- JC/T 883-2001 石材用建筑密封胶
标准号:
JC/T 883-2001
标准名称:
石材用建筑密封胶
标准类别:
建筑材料行业标准(JC)
标准状态:
现行-
发布日期:
2001-02-20 -
实施日期:
2001-10-01 出版语种:
简体中文下载格式:
.rar.pdf下载大小:
291.64 KB
点击下载
标准简介:
标准下载解压密码:www.bzxz.net
本标准规定了天然石材接缝用建筑密封胶的分类、技术要求、试验方法、检验规则、标志、包装、运输和贮存本标准适用于建筑1程中天然石材接缝嵌填用建筑密封胶,不适用于建筑工程中承受荷载的结构密封胶. JC/T 883-2001 石材用建筑密封胶 JC/T883-2001
部分标准内容:
JCT883-2001
建筑工程中天然石材接缝的密封对工程的耐候密封、防水性能及外表美观有重要影响,为保证质量,便于设计和施工单位正确选用石材用建筑密封胶,特制定本标准。本标准非等效采用IS011600:1993《建筑结构--密封材料一分类及要求》中F类密封胶除体积损失、耐压缩性外的试验项目,其中对试件粘结性能的判定参考了IS0/DIS11600:2000中的有关规定,增加了污染性、挤出性、紫外线照射试验项目。污染性试验参照ASTMC1248-93(1998)《用于多孔性基材的接缝密封胶污染性试验方法》。
本标准的附录A是标准的附录。
本标准为首次发布,自2001年10月1日起实施。本标准由全国轻质与装饰装修建筑材料标准化技术委员会归口。本标准负责起草单位:中国化学建筑材料公司苏州防水材料研究设计所。本标准参加起草单位:广东省白云粘胶工程技术研究开发中心、杭州之江有机硅化工有限公司、道康宁(上海)有限公司、GE-东芝有机硅上海有限公司、浙江凌志化工有限公司。本标准主要起草人:朱志远、朱德明、王跃林、周文亮、周强、倪宏志、陈世龙。本标准委托中国化学建筑材料公司苏州防水材料研究设计所负责解释。标准授搜网客类标准行业格料免器范围
中华人民共和国建材行业标准
石材用建筑密封胶
Buildingsealantsforstone
JC/T883-2001
neqISo11600:1993
本标准规定了天然石材接缝用建筑密封胶的分类、技术要求、试验方法、检验规则、标志、包装、运输和贮存。
本标准适用于建筑工程中天然石材接缝嵌填用建筑密封胶,不适用于建筑工程中承受荷载的结构密封胶。
2引用标准
下列标准所包含的条文,通过在本标准中引用而构成本标准的条文。本标准出版时,所示版本均为有效。所有标准都会被修订,使用本标准的各方应探讨使用下列标准最新版本的可能性。GB/T13477-1992
GB16776-1997
JC/T881-2001
3分类
3.1品种
建筑密封材料试验方法
建筑用硅酮结构密封胶
混凝土建筑接缝用密封胶
密封胶按聚合物区分,如:硅酮类--代号SR、聚氨酯类一代号PU、聚硫类-代号PS、硅酮改性类-代号MS等。
密封胶按组份分为单组份(I)和多组份(I)3.2级别
3.2.1密封胶按位移能力分为25、20、12.5三个级别(见表1)。表1密封胶级别
3.3次级别
试验拉压幅度(%)
位移能力(%)
3.3.125、20级密封胶按拉伸模量分为低模量(LM)和高模量(HM)两个次级别。国家建筑材料工业局2001-02-20批准美远准业
2001-10-01实施
JC/T883-2001
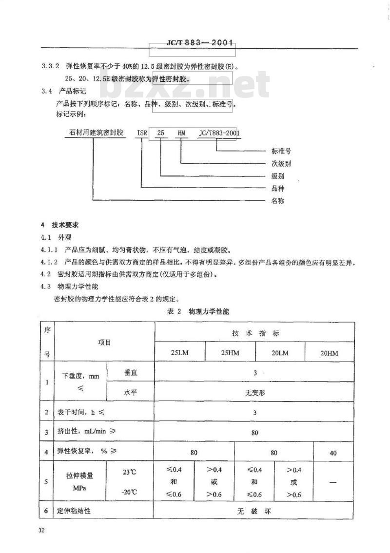
3.3.2弹性恢复率不少于40%的12.5级密封胶为弹性密封胶(E)。25、20、12.5E级密封胶称为弹性密封胶。3.4产品标记
产品按下列顺序标记:名称、品种、级别、次级别、标准号标记示例:
石材用建筑密封胶
4技术要求
4.1外观
JC/T883-20d
4.1.1产品应为细腻、均匀膏状物,不应有气泡、结皮或凝胶。标准号
次级别
4.1.2产品的颜色与供需双方商定的样品相比,不得有明显差异。多组份产品各组份的颜色应有明显差异。4.2密封胶适用期指标由供需双方商定(仅适用于多组份)。4.3物理力学性能
密封胶的物理力学性能应符合表2的规定。表2物理力学性能
下垂度,mm
表干时间,h≤
挤出性,mL/min
弹性恢复率,
拉伸模量
定伸粘结性
-20℃
标准神控区
技术指标
无变形
无破坏
各类标准行业务料免费
续表2
浸水后定伸粘结性
热压·冷拉后的粘结性
污染性,mm
紫外线处理
5试验方法
5.1一般规定
5.1.1标准试验条件
污染深度
污染宽度
JC/T883--2001
无破坏
抚破环
表面无粉比、龟裂,-25℃无裂纹试验室的标准试验条件:温度(23土2)℃,相对湿度(50土5)%。5.1.2试件制备
制备试件前,用于试验的密封胶应在标准条件下放置24h以上。试验基材选用合适的清洁剂清洁。制备时,单组份试样应用挤枪从包装容器中直接挤出注模,使试样充满模具内腔,避免形成气泡。挤注与修整应尽快完成,防止试样在成型完毕前结膜。多组份试样应按生产厂注明的比例混合均勾,避免形成气泡。若事先无特殊要求,混合后应在30min内完成注模和修整。
注:实际工程用基材应按GB16776-1997附录A进行相容性试验。粘结试件形状、数量、试件处理见表3。表3粘结试件数量
弹性恢复率
拉伸模量
定伸粘结性
-20℃
浸水后定伸粘结性
热压·冷拉后的粘结性
污染性
U型铝条
结构密
实的花
白色大
数量((个)
试验组
备用组
制备方法
按GB/T13477-1992
第11章图5
见图1
试件处理
按GB/T13477-1992
第9章A法
按JC/T881-2001
附录B
按GB/T13477-1992
第9章A法
注:1.2~5项可采用GB/T13447-1992中图6的试件形状,仲裁检验必须采用本标准图1的试件形状。2.按密封胶生产厂商的要求可以使用底涂料。3.基材也可按供需双方的要求选用其客观存在材料。4.A法试件处理的多组份密封胶试件可放置14d。33
各类标准行业
5.2外观
朝向光源面
JC/T883--2001
—石材:2-—垫块:3——密封胶图1试件
单组份密封胶挤出刮平后目测、多组份密封胶混合均匀后刮平目测。5.3下垂度
按GB/T13477-1992第7章试验,模具选用型b型,试件在(50士2)℃的恒温箱内放置24h。5.4表干时间
按GB/T13477-1992第5章试验。
5.5挤出性
按GB/T13477-1992第4章试验,喷嘴内径为6mm5.6适用期
按GB/T13477-1992中4.2.2试验,描绘出从混合开始的时间与挤出率的关系曲线,读取挤出速度为50mL/min的对应时间即为适用期。5.7弹性恢复率
按GB/T13477-1992第11章试验。试验伸长率见表4。5.8拉伸模量
拉伸模量以相应伸长率时的强度表示。按GB/T13477-1992第9章试验。测定并计算试件拉伸至表4规定的相应伸长率时的强度(MPa)作为模量,其平均值修约至小数点后一位。5.9定伸粘结性
5.9.1试验步骤
在标准条件下按GB/T13477-1992第10章试验。试验伸长率见表4。34
各类标准行业料免
弹性恢复率
拉伸模量
定伸粘结性
浸水后定伸粘结性bzxz.net
热压·冷拉
后粘结性
污染性
JCT883-2001
表4试验伸长率和压缩率
试验伸
100(24.0mm)
100(24.0mm)
100(24.0mm)
100(24.0mm)
-25(9.0mm)
+25(15.0mm)
-25(9.0mm)
率,(%)
60(19.2mm)
60(19.2mm)
60(19.2mm)
60(19.2mm)
-20(9.6mm)
+20(14.4mm)
-20(9.6mm)
60(19.2mm)
60(19.2mm)
60(19.2mm)
~12.5(10.5mm)
+12.5(13.5mm)
-12.5(10.5mm)
注:1.试验伸长率为相对于原始宽度的百分率:试验伸长率%=[(最终宽度-原始宽度)/原始宽度】×100。2.括号内数值为最终宽度值,原始宽度值为12.0mm。试验结束后,用精度为0.5mm的量具测量每个试件粘结和内聚破坏深度(试件端部2mm×12mm×12mm范围内的破坏不计,见图2中A区),记录试件最大破坏深度(mm)。试验后,三个试件中有两个试件“破坏”,则试验评定为“破坏”。若只有一个试件“破坏”,则另取备用的一组试件进行重复试验。若仍有一个试件“破坏”,则试验评定为“破坏”。5.9.2试件“破坏”的定义
弹性密封胶表面任何位置,如果粘结或内聚破坏深度超过2mm,则试件为“破坏”(见图2),即:A区:在2mm×12mm×12mm体积内允许破坏,且不报告。B区:允许破坏深度不大于2mm,报告为“无破坏”。C区:破坏从密封材料表面延伸到此区域报告为“破坏”。5.10浸水后定伸粘结性
按JC/T881-2001附录A试验,试验伸长率见表4。试件的检验和复验同5.9.1。5.11热压·冷拉后的粘结性
按JC/T881-2001附录B试验,试件的拉伸与压缩率见表4。第一周期结束后,检查每个试件粘结和内聚破坏情况(方法同5.9.1),无破坏的试件继续进行第二周期试验,若有两个或两个以上试件破坏。应停止试验。第二周期试验结束后,若只有一个试件破环,则另取备用的一组试件复验。5.12污染性
按附录A(标准的附录)试验,试验压缩率见表4。5.13紫外线处理
按GB/T13477-1992第8章制备三个试件,在标准条件下养护72h后,放入GB16776-1997附录A4规定的紫外线箱中照射240h,密封胶对着光源。然后取出,观察密封胶表面有无龟裂、粉化。试件表面有龟裂、粉化即为不合格。若无龟裂、粉化,将试件与直径12.5mm圆棒一起放入达到(-25土2)℃的低温箱中,在此温度下放置24h,将试件在此温度绕圆棒弯曲180°,密封胶面朝外,弯曲时间1s,35
各类标准行业器料
JC/T883--2001
弯曲后立即检查密封胶表面开裂、剥离及粘结破坏情况。试件紫外线处理后表面应无龟裂、粉化,低温弯曲后无裂纹及剥离与粘结破坏。X-Y轴规图
6检验规则
6.1检验分类
图2密封胶试件破坏区域图
密封胶产品检验分为出厂检验和型式检验。6.1.1出厂检验
X-X轴视图
出厂检验项目包括:外观、下垂度、表干时间、挤出性、拉伸模量、定伸粘结性。6.1.2型式检验
有下列情况之一时,须按第4章要求逐项进行检验:a:新产品试制或老产品转厂生产;b.正常生产时,每年至少进行一次c.正式生产后,产品的配方、原料或工艺有较大改变时d.产品停产半年以上,恢复生产时:e:出厂检验结果与上次型式检验有较大差异时;f.国家质量监督检验机构提出进行型式检验要求时。6.2组批
以同一品种、同一级别的产品每2t为一批进行检验,不足2t也可为一批。6.3抽样
支装产品在该批产品中随机抽取3件包装箱,从每件包装中随机抽取2-3支样品,共取6-9支,总体36
wwbtEos
各类标准行业浴料免费下
积不少于2700mL或净质量不小于3.5kg。JCT883--2001
单组份桶装产品、双组份产品随机取样,样品总量为4k名,取样后应立即密封包装。6.4判定规则
6.4.1单项判定
6.4.1.1下垂度、表干时间、定伸粘结性、浸水后定伸粘结性、热压·冷拉后的粘结性、紫外线处理,每个试件都符合标准规定,则判该项合格。6.4.1.2挤出性、适用期试验,每个试样均符合标准规定,则判该项合格6.4.1.3弹性恢复率、污染性,每组试件的算术平均值符合标准规定,则判该项合格。6.4.1.4拉伸模量取每种温度时每组试件的平均值。低模量产品在23℃C和-20℃C时的拉伸模量均符合表2中低模量(LM)指标规定时,则判该项合格(以修约值判定)。
高模量产品在23℃C和-20℃时的拉伸模量有一项符合表2中高模量(HM)指标规定时,则判该项合格(以修约值判定)。
6.4.2综合判定
检验结果符合第4章的全部要求时,则判该批产品合格。外观质量不符合4.1规定时,则判该批产品不合格。检验结果有两项以上指标不符合标准规定时,则判该批产品为不合格。若有一项检验结果不符合标准规定时,在该批产品中再抽取同样数量的产品对该项进行单项检验,合格则判该批产品合格,否则判该批产品不合格。
7标志、包装、运输、购存
7.1标志
产品最小包装上应有牢固的不褪色标志,内容包括:a.产品名称(含组份名称):
b.产品标记;
c.生产口期、批号及保质期:
d。净质量或净容量;
e,制造方名称:
f.商标;
g:使用说明及注意事项。
7.2包装
产品采用支装或桶装,包装容器应密闭。包装桶或包装箱除应有7.1规定的标志外,还应有防雨、防潮、防日晒、防撞击标志。7.3运输
运输时应防止日晒雨淋、撞击、挤压包装,产品按非危险品运输。7.4贮存
产品应在干燥、通风、阴凉的场所贮存,贮存温度不超过27℃。产品自生产之日起,保质期不少于6个月。37
资类标准行业器料
A1范围
JC/T883--2001
附录A
(标准的附录)
用于多孔性基材的接缝密封胶污染性标准试验方法本方法规定了接缝密封胶对多孔性基材(如大理石、石灰石、砂石、花岗石)污染的加速试验程序。A2试验方法概述
A2.1本试验方法包括的接缝试件应经受如下处理:a所有试件按制造商规定的位移能力等级压缩并夹紧。b.1/3的试件保持受压状态放置于标准条件下28d。e.1/3的试件保持受压状态放置于烘箱中28d。d.1/3的试件保持受压状态放置于荧光紫外线箱中28d。A2.2试验结果用目测评价表明产生的变化及污染深度和宽度的平均值。A2.3本试验方法适用于所有弹性密封胶和任何多孔性基材。A3意义和使用
A3.1建筑材料的污染是一种美学上不希望产生的现象。本试验方法评价由于密封胶内部物质渗出在多孔性基材上产生早期污染的可能性。由于这是一个加速试验,无法预测试验的密封胶长期使用使多孔性基材污染和变色的可能性。
A4仪器
A4.1通风干燥箱。
A4.2紫外线箱:符合GB16776—1997附录A4规定。A4.3“C”型夹或其它使试件保持压缩的装置。A4.4防粘垫块。
A4.5遮蔽带。
A5试验试件
A5.1基材尺寸为(25×25×75)mm(见图1),共需24块基材,制成12个试件。A5.2底涂料一当制造商推荐使用底涂料时,则每个试件的两块基材中,一块基材加底涂料,另一块不加底涂料,试验结束后,分别记录加底涂料和不加底涂料基材的污染值。A5.3试件制备
在标准条件下按5.1.2制备试件,把遮蔽带贴在上表面防止密封胶固化于表面,打胶后立即将遮蔽带除去。
A6条件
品各类标准行业料免费
JC/T883—2001
A6.1固化试件在标准条件下放置21d,在固化期内,于不损害密封胶的前提下,尽早除去垫块。注——若生产者要求的单组分密封胶固化条件不同于标准条件,需满足下列要求:固化期长于21d,固化期温度不超过50℃。
A7步骤
A7.1按制造商所述的密封胶位移能力将全部试件压缩并固定夹紧。A7.24个压缩试件放置于标准条件下,14d取出2个试件,28d再取出2个试件。A7.34个压缩试件放置于(70土2)℃C烘箱中,14d取出2个试件,28d再取出2个试件。A7.44个压缩试件放置于紫外线箱中,胶面朝向光源,按GB16776-1997附录A4方法照射。14d取出2个试件,28d再取出2个试件。
A7.5所有取出试件在标准条件下放置一天冷却,检查试件的每个基材表面,判定表面的任何变化,测量至少3点的污染宽度,记录其平均值精确到0.5mm。若使用底涂料,则需分别记录每个试件加底涂料和不加底涂料基材污染值。
A7.6将基材从25mm宽度方向中间敲成两块(最后的基材尺寸约为40mm×25mm×25mm),若表面有污染,则从最大污染表面处敲开基材,测量至少3点的污染深度,记录测量的平均值精确到0.5mm。若使用底涂料,则需分别记录每个试件加底涂料和不加底涂料基材污染值。39
小提示:此标准内容仅展示完整标准里的部分截取内容,若需要完整标准请到上方自行免费下载完整标准文档。
建筑工程中天然石材接缝的密封对工程的耐候密封、防水性能及外表美观有重要影响,为保证质量,便于设计和施工单位正确选用石材用建筑密封胶,特制定本标准。本标准非等效采用IS011600:1993《建筑结构--密封材料一分类及要求》中F类密封胶除体积损失、耐压缩性外的试验项目,其中对试件粘结性能的判定参考了IS0/DIS11600:2000中的有关规定,增加了污染性、挤出性、紫外线照射试验项目。污染性试验参照ASTMC1248-93(1998)《用于多孔性基材的接缝密封胶污染性试验方法》。
本标准的附录A是标准的附录。
本标准为首次发布,自2001年10月1日起实施。本标准由全国轻质与装饰装修建筑材料标准化技术委员会归口。本标准负责起草单位:中国化学建筑材料公司苏州防水材料研究设计所。本标准参加起草单位:广东省白云粘胶工程技术研究开发中心、杭州之江有机硅化工有限公司、道康宁(上海)有限公司、GE-东芝有机硅上海有限公司、浙江凌志化工有限公司。本标准主要起草人:朱志远、朱德明、王跃林、周文亮、周强、倪宏志、陈世龙。本标准委托中国化学建筑材料公司苏州防水材料研究设计所负责解释。标准授搜网客类标准行业格料免器范围
中华人民共和国建材行业标准
石材用建筑密封胶
Buildingsealantsforstone
JC/T883-2001
neqISo11600:1993
本标准规定了天然石材接缝用建筑密封胶的分类、技术要求、试验方法、检验规则、标志、包装、运输和贮存。
本标准适用于建筑工程中天然石材接缝嵌填用建筑密封胶,不适用于建筑工程中承受荷载的结构密封胶。
2引用标准
下列标准所包含的条文,通过在本标准中引用而构成本标准的条文。本标准出版时,所示版本均为有效。所有标准都会被修订,使用本标准的各方应探讨使用下列标准最新版本的可能性。GB/T13477-1992
GB16776-1997
JC/T881-2001
3分类
3.1品种
建筑密封材料试验方法
建筑用硅酮结构密封胶
混凝土建筑接缝用密封胶
密封胶按聚合物区分,如:硅酮类--代号SR、聚氨酯类一代号PU、聚硫类-代号PS、硅酮改性类-代号MS等。
密封胶按组份分为单组份(I)和多组份(I)3.2级别
3.2.1密封胶按位移能力分为25、20、12.5三个级别(见表1)。表1密封胶级别
3.3次级别
试验拉压幅度(%)
位移能力(%)
3.3.125、20级密封胶按拉伸模量分为低模量(LM)和高模量(HM)两个次级别。国家建筑材料工业局2001-02-20批准美远准业
2001-10-01实施
JC/T883-2001
3.3.2弹性恢复率不少于40%的12.5级密封胶为弹性密封胶(E)。25、20、12.5E级密封胶称为弹性密封胶。3.4产品标记
产品按下列顺序标记:名称、品种、级别、次级别、标准号标记示例:
石材用建筑密封胶
4技术要求
4.1外观
JC/T883-20d
4.1.1产品应为细腻、均匀膏状物,不应有气泡、结皮或凝胶。标准号
次级别
4.1.2产品的颜色与供需双方商定的样品相比,不得有明显差异。多组份产品各组份的颜色应有明显差异。4.2密封胶适用期指标由供需双方商定(仅适用于多组份)。4.3物理力学性能
密封胶的物理力学性能应符合表2的规定。表2物理力学性能
下垂度,mm
表干时间,h≤
挤出性,mL/min
弹性恢复率,
拉伸模量
定伸粘结性
-20℃
标准神控区
技术指标
无变形
无破坏
各类标准行业务料免费
续表2
浸水后定伸粘结性
热压·冷拉后的粘结性
污染性,mm
紫外线处理
5试验方法
5.1一般规定
5.1.1标准试验条件
污染深度
污染宽度
JC/T883--2001
无破坏
抚破环
表面无粉比、龟裂,-25℃无裂纹试验室的标准试验条件:温度(23土2)℃,相对湿度(50土5)%。5.1.2试件制备
制备试件前,用于试验的密封胶应在标准条件下放置24h以上。试验基材选用合适的清洁剂清洁。制备时,单组份试样应用挤枪从包装容器中直接挤出注模,使试样充满模具内腔,避免形成气泡。挤注与修整应尽快完成,防止试样在成型完毕前结膜。多组份试样应按生产厂注明的比例混合均勾,避免形成气泡。若事先无特殊要求,混合后应在30min内完成注模和修整。
注:实际工程用基材应按GB16776-1997附录A进行相容性试验。粘结试件形状、数量、试件处理见表3。表3粘结试件数量
弹性恢复率
拉伸模量
定伸粘结性
-20℃
浸水后定伸粘结性
热压·冷拉后的粘结性
污染性
U型铝条
结构密
实的花
白色大
数量((个)
试验组
备用组
制备方法
按GB/T13477-1992
第11章图5
见图1
试件处理
按GB/T13477-1992
第9章A法
按JC/T881-2001
附录B
按GB/T13477-1992
第9章A法
注:1.2~5项可采用GB/T13447-1992中图6的试件形状,仲裁检验必须采用本标准图1的试件形状。2.按密封胶生产厂商的要求可以使用底涂料。3.基材也可按供需双方的要求选用其客观存在材料。4.A法试件处理的多组份密封胶试件可放置14d。33
各类标准行业
5.2外观
朝向光源面
JC/T883--2001
—石材:2-—垫块:3——密封胶图1试件
单组份密封胶挤出刮平后目测、多组份密封胶混合均匀后刮平目测。5.3下垂度
按GB/T13477-1992第7章试验,模具选用型b型,试件在(50士2)℃的恒温箱内放置24h。5.4表干时间
按GB/T13477-1992第5章试验。
5.5挤出性
按GB/T13477-1992第4章试验,喷嘴内径为6mm5.6适用期
按GB/T13477-1992中4.2.2试验,描绘出从混合开始的时间与挤出率的关系曲线,读取挤出速度为50mL/min的对应时间即为适用期。5.7弹性恢复率
按GB/T13477-1992第11章试验。试验伸长率见表4。5.8拉伸模量
拉伸模量以相应伸长率时的强度表示。按GB/T13477-1992第9章试验。测定并计算试件拉伸至表4规定的相应伸长率时的强度(MPa)作为模量,其平均值修约至小数点后一位。5.9定伸粘结性
5.9.1试验步骤
在标准条件下按GB/T13477-1992第10章试验。试验伸长率见表4。34
各类标准行业料免
弹性恢复率
拉伸模量
定伸粘结性
浸水后定伸粘结性bzxz.net
热压·冷拉
后粘结性
污染性
JCT883-2001
表4试验伸长率和压缩率
试验伸
100(24.0mm)
100(24.0mm)
100(24.0mm)
100(24.0mm)
-25(9.0mm)
+25(15.0mm)
-25(9.0mm)
率,(%)
60(19.2mm)
60(19.2mm)
60(19.2mm)
60(19.2mm)
-20(9.6mm)
+20(14.4mm)
-20(9.6mm)
60(19.2mm)
60(19.2mm)
60(19.2mm)
~12.5(10.5mm)
+12.5(13.5mm)
-12.5(10.5mm)
注:1.试验伸长率为相对于原始宽度的百分率:试验伸长率%=[(最终宽度-原始宽度)/原始宽度】×100。2.括号内数值为最终宽度值,原始宽度值为12.0mm。试验结束后,用精度为0.5mm的量具测量每个试件粘结和内聚破坏深度(试件端部2mm×12mm×12mm范围内的破坏不计,见图2中A区),记录试件最大破坏深度(mm)。试验后,三个试件中有两个试件“破坏”,则试验评定为“破坏”。若只有一个试件“破坏”,则另取备用的一组试件进行重复试验。若仍有一个试件“破坏”,则试验评定为“破坏”。5.9.2试件“破坏”的定义
弹性密封胶表面任何位置,如果粘结或内聚破坏深度超过2mm,则试件为“破坏”(见图2),即:A区:在2mm×12mm×12mm体积内允许破坏,且不报告。B区:允许破坏深度不大于2mm,报告为“无破坏”。C区:破坏从密封材料表面延伸到此区域报告为“破坏”。5.10浸水后定伸粘结性
按JC/T881-2001附录A试验,试验伸长率见表4。试件的检验和复验同5.9.1。5.11热压·冷拉后的粘结性
按JC/T881-2001附录B试验,试件的拉伸与压缩率见表4。第一周期结束后,检查每个试件粘结和内聚破坏情况(方法同5.9.1),无破坏的试件继续进行第二周期试验,若有两个或两个以上试件破坏。应停止试验。第二周期试验结束后,若只有一个试件破环,则另取备用的一组试件复验。5.12污染性
按附录A(标准的附录)试验,试验压缩率见表4。5.13紫外线处理
按GB/T13477-1992第8章制备三个试件,在标准条件下养护72h后,放入GB16776-1997附录A4规定的紫外线箱中照射240h,密封胶对着光源。然后取出,观察密封胶表面有无龟裂、粉化。试件表面有龟裂、粉化即为不合格。若无龟裂、粉化,将试件与直径12.5mm圆棒一起放入达到(-25土2)℃的低温箱中,在此温度下放置24h,将试件在此温度绕圆棒弯曲180°,密封胶面朝外,弯曲时间1s,35
各类标准行业器料
JC/T883--2001
弯曲后立即检查密封胶表面开裂、剥离及粘结破坏情况。试件紫外线处理后表面应无龟裂、粉化,低温弯曲后无裂纹及剥离与粘结破坏。X-Y轴规图
6检验规则
6.1检验分类
图2密封胶试件破坏区域图
密封胶产品检验分为出厂检验和型式检验。6.1.1出厂检验
X-X轴视图
出厂检验项目包括:外观、下垂度、表干时间、挤出性、拉伸模量、定伸粘结性。6.1.2型式检验
有下列情况之一时,须按第4章要求逐项进行检验:a:新产品试制或老产品转厂生产;b.正常生产时,每年至少进行一次c.正式生产后,产品的配方、原料或工艺有较大改变时d.产品停产半年以上,恢复生产时:e:出厂检验结果与上次型式检验有较大差异时;f.国家质量监督检验机构提出进行型式检验要求时。6.2组批
以同一品种、同一级别的产品每2t为一批进行检验,不足2t也可为一批。6.3抽样
支装产品在该批产品中随机抽取3件包装箱,从每件包装中随机抽取2-3支样品,共取6-9支,总体36
wwbtEos
各类标准行业浴料免费下
积不少于2700mL或净质量不小于3.5kg。JCT883--2001
单组份桶装产品、双组份产品随机取样,样品总量为4k名,取样后应立即密封包装。6.4判定规则
6.4.1单项判定
6.4.1.1下垂度、表干时间、定伸粘结性、浸水后定伸粘结性、热压·冷拉后的粘结性、紫外线处理,每个试件都符合标准规定,则判该项合格。6.4.1.2挤出性、适用期试验,每个试样均符合标准规定,则判该项合格6.4.1.3弹性恢复率、污染性,每组试件的算术平均值符合标准规定,则判该项合格。6.4.1.4拉伸模量取每种温度时每组试件的平均值。低模量产品在23℃C和-20℃C时的拉伸模量均符合表2中低模量(LM)指标规定时,则判该项合格(以修约值判定)。
高模量产品在23℃C和-20℃时的拉伸模量有一项符合表2中高模量(HM)指标规定时,则判该项合格(以修约值判定)。
6.4.2综合判定
检验结果符合第4章的全部要求时,则判该批产品合格。外观质量不符合4.1规定时,则判该批产品不合格。检验结果有两项以上指标不符合标准规定时,则判该批产品为不合格。若有一项检验结果不符合标准规定时,在该批产品中再抽取同样数量的产品对该项进行单项检验,合格则判该批产品合格,否则判该批产品不合格。
7标志、包装、运输、购存
7.1标志
产品最小包装上应有牢固的不褪色标志,内容包括:a.产品名称(含组份名称):
b.产品标记;
c.生产口期、批号及保质期:
d。净质量或净容量;
e,制造方名称:
f.商标;
g:使用说明及注意事项。
7.2包装
产品采用支装或桶装,包装容器应密闭。包装桶或包装箱除应有7.1规定的标志外,还应有防雨、防潮、防日晒、防撞击标志。7.3运输
运输时应防止日晒雨淋、撞击、挤压包装,产品按非危险品运输。7.4贮存
产品应在干燥、通风、阴凉的场所贮存,贮存温度不超过27℃。产品自生产之日起,保质期不少于6个月。37
资类标准行业器料
A1范围
JC/T883--2001
附录A
(标准的附录)
用于多孔性基材的接缝密封胶污染性标准试验方法本方法规定了接缝密封胶对多孔性基材(如大理石、石灰石、砂石、花岗石)污染的加速试验程序。A2试验方法概述
A2.1本试验方法包括的接缝试件应经受如下处理:a所有试件按制造商规定的位移能力等级压缩并夹紧。b.1/3的试件保持受压状态放置于标准条件下28d。e.1/3的试件保持受压状态放置于烘箱中28d。d.1/3的试件保持受压状态放置于荧光紫外线箱中28d。A2.2试验结果用目测评价表明产生的变化及污染深度和宽度的平均值。A2.3本试验方法适用于所有弹性密封胶和任何多孔性基材。A3意义和使用
A3.1建筑材料的污染是一种美学上不希望产生的现象。本试验方法评价由于密封胶内部物质渗出在多孔性基材上产生早期污染的可能性。由于这是一个加速试验,无法预测试验的密封胶长期使用使多孔性基材污染和变色的可能性。
A4仪器
A4.1通风干燥箱。
A4.2紫外线箱:符合GB16776—1997附录A4规定。A4.3“C”型夹或其它使试件保持压缩的装置。A4.4防粘垫块。
A4.5遮蔽带。
A5试验试件
A5.1基材尺寸为(25×25×75)mm(见图1),共需24块基材,制成12个试件。A5.2底涂料一当制造商推荐使用底涂料时,则每个试件的两块基材中,一块基材加底涂料,另一块不加底涂料,试验结束后,分别记录加底涂料和不加底涂料基材的污染值。A5.3试件制备
在标准条件下按5.1.2制备试件,把遮蔽带贴在上表面防止密封胶固化于表面,打胶后立即将遮蔽带除去。
A6条件
品各类标准行业料免费
JC/T883—2001
A6.1固化试件在标准条件下放置21d,在固化期内,于不损害密封胶的前提下,尽早除去垫块。注——若生产者要求的单组分密封胶固化条件不同于标准条件,需满足下列要求:固化期长于21d,固化期温度不超过50℃。
A7步骤
A7.1按制造商所述的密封胶位移能力将全部试件压缩并固定夹紧。A7.24个压缩试件放置于标准条件下,14d取出2个试件,28d再取出2个试件。A7.34个压缩试件放置于(70土2)℃C烘箱中,14d取出2个试件,28d再取出2个试件。A7.44个压缩试件放置于紫外线箱中,胶面朝向光源,按GB16776-1997附录A4方法照射。14d取出2个试件,28d再取出2个试件。
A7.5所有取出试件在标准条件下放置一天冷却,检查试件的每个基材表面,判定表面的任何变化,测量至少3点的污染宽度,记录其平均值精确到0.5mm。若使用底涂料,则需分别记录每个试件加底涂料和不加底涂料基材污染值。
A7.6将基材从25mm宽度方向中间敲成两块(最后的基材尺寸约为40mm×25mm×25mm),若表面有污染,则从最大污染表面处敲开基材,测量至少3点的污染深度,记录测量的平均值精确到0.5mm。若使用底涂料,则需分别记录每个试件加底涂料和不加底涂料基材污染值。39
小提示:此标准内容仅展示完整标准里的部分截取内容,若需要完整标准请到上方自行免费下载完整标准文档。
标准图片预览:





- 其它标准
- 热门标准
- 建筑材料行业标准(JC)
- JC248-1981 水力旋流器铸石衬里
- JC/T1013-2006 盘转式压砖机
- JC253-1981 铸石制品检验、验收、标志、包装、运输规则
- JC255-1981 铸石粉中游离铁的试验方法
- JC/T872-2000 建筑装饰用微晶玻璃
- JC/T620-2009 石灰取样方法
- JC250-1981 水膜除尘器铸石衬里
- JC/T2044-2011 墙材工业用出口拉引机
- JC/T925-2003 玻璃窑用烧结AZS砖
- JC/T863-2011 高分子防水卷材胶粘剂
- JC/T833-2011 水泥工业用堆取料机
- JC/T2045-2011 墙材工业用液压顶车机
- JC/T806-1988(1996) 玻璃熔窑用耐火材料静态下抗玻璃液侵蚀试验方法
- JC/T834-2011 水泥工业用堆料机 技术条件
- JC/T835-2011 水泥工业用取料机 技术条件
- 行业新闻
请牢记:“bzxz.net”即是“标准下载”四个汉字汉语拼音首字母与国际顶级域名“.net”的组合。 ©2025 标准下载网 www.bzxz.net 本站邮件:bzxznet@163.com
网站备案号:湘ICP备2025141790号-2
网站备案号:湘ICP备2025141790号-2