- 您的位置:
- 标准下载网 >>
- 标准分类 >>
- 建筑材料行业标准(JC) >>
- JC/T 278-1994 中碱玻璃纤维无捻粗纱
标准号:
JC/T 278-1994
标准名称:
中碱玻璃纤维无捻粗纱
标准类别:
建筑材料行业标准(JC)
标准状态:
已作废-
实施日期:
2002-06-01 -
作废日期:
2001-12-01 出版语种:
简体中文下载格式:
.rar.pdf下载大小:
428.05 KB
替代情况:
被GB/T 18369-2001代替
部分标准内容:
中华人民共和国建材行业标翟
JC/T278-94
中碱玻璃纤维无捻粗纱
1994-12-30发布
国家建筑材料工业局发布
1995-10-01实施
中华人民共和国建材行业标准
中碱玻璃纤维无捻粗纱
主题内容与适用范围
JC/T 278—94
代替JC278—80
本标准规定了中碱玻璃纤维无捻粗纱(简称中碱无捡粗纱)的产品分类,技术要求、试验方法、检验规则、包装运输和此存等
本标准适用于中碱玻璃纤维原丝,单股或经合股而成的中碱无检粗纱。2引用标准
GB/T1549销钙硅铝硼玻璃化学分析方法GB2828
GR5430
GB 637
逐批检查计数抽样程序及抽样表(适用于连续批的检查)纺织玻璃纤维术语及定义
不合格品率的计量抽样检查程序及图表(适用手违续批的检变)GB7690.1纺织玻璃纤维连续纤维纱,定长纤维纱和无抢粗纱线密度的测定GB7690.3纺织玻璃纤维纱线断裂强力和断裂伸长的测定GB9914纺织玻璃纤维可燃物含量的测定3术语
本标准涉及到的术语及定义按GB5434的规定。4产品分类
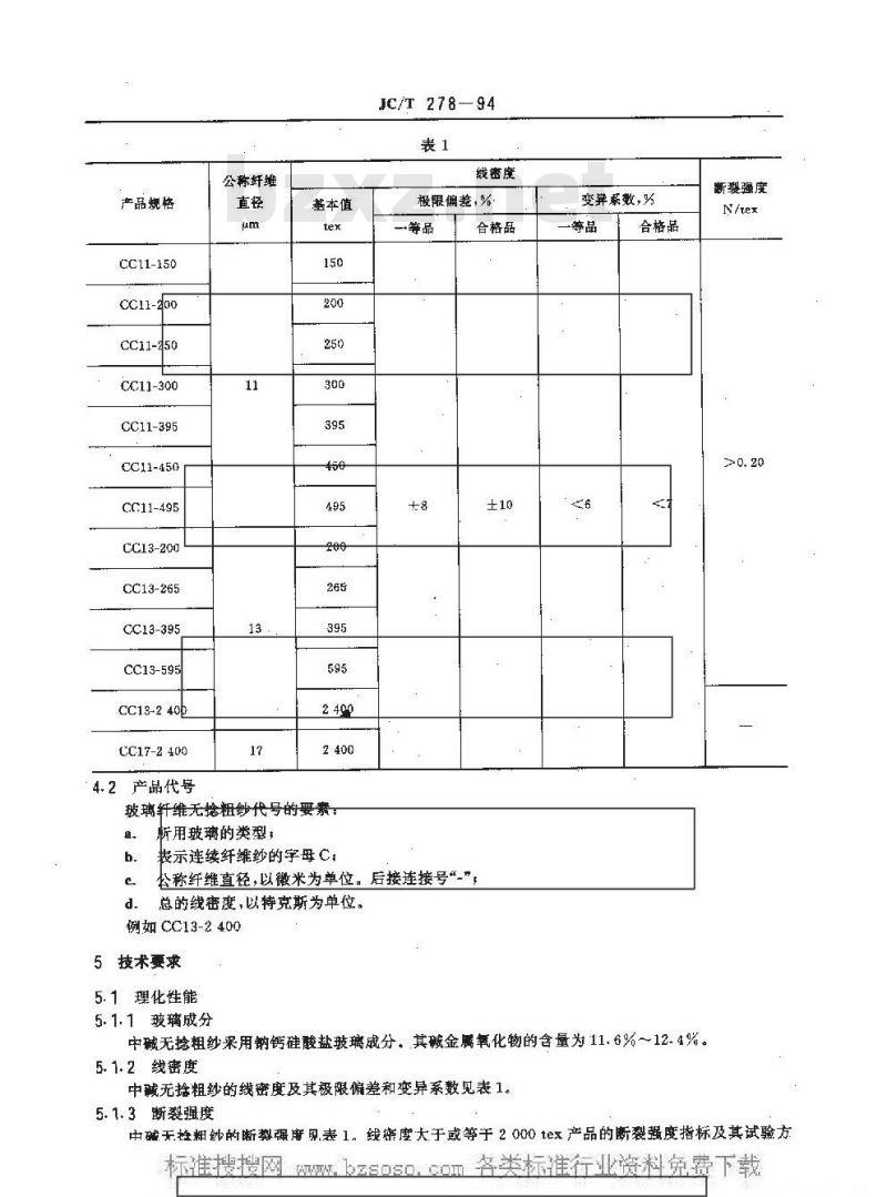
4.1产品规格
中碱无拨粗纱的产品规格见表1。符合原丝系列的其他产品规格。由供需双方商定。国家建筑材料工业局1994-12-30批准1995-10-01实施
产品规格
CC11-150
CC11-200
CC11-250
CC11-300
CC11-395
CC11-450
CC11-495
CC13-200
CC13-265
CC13-395
CC13-595
CC13-240p
CC17-2 400
公称纤维
基本值
4.2产品代号
玻璃轩纤维无挖粗纱代号的要素:a.
断用玻璃的类型;
JC/T 278-94
线密度
极限偏差,%
一等品
合格品
表示连续纤维纱的字母C,
公称纤维直径,以徽米为单位。后接连接号“-”,总的线密度,以特克斯为单位。例如CC13-2400
5技术要求
5.1理化性能免费标准bzxz.net
变异系数,%
合格品
一等品
5.1.1玻璃成分
中碱无捻粗纱采用钠钙硅酸盐玻璃成分。其碱金属氧化物的含量为11.6%-12.4%。5.1.2线密度
中碱无拾粗纱的线密度及其极限偏差和变异系数见表1。断裂强度
5.1.3断裂强度
中碱无检粗纱的断数强见表1,线密度大于或等于2000tex产品的断裂强度指标及其试验方bzsoso.cOm法,由供需双方商定。
5.1.4浸润剂含量
JC/T 278—94
中碱无捻粗纱的增强型漫润剂含量为0.5%~2.0%。其他浸润剂含量。由供需双方商定5.2外观质量
5.2.1卷装量小于7kg的中碱无抢粗纱简外观疵点程度允许范围和分等见表2。卷装盘等于或大于75. 2. 2. 1
凡以长度考核的疵点,在同一类型疵点中有几个并存时,均按最大长度计算。本标准未规定的疵点,可参考相似条文定等。中械无抢粗纱简的卷装量大于3.5kg,表艺
疵点名称
点状油污
集束接头
5.3其他要求
避点程度
3 cm以上,根
磨损和碰伤
a.缺股和多
b.号数用错
包括乱纱,个
翘头,个
片状污溃长 5 ~~ 30 mm, 宽
5~10 mm,处
5 mm以下点
3股及以上
,深度 5~10 mm,处
b,深度 5 mm 以下,处
中碱无粗纱的其他要求,由供需双方商定6试验方法
6. 1 试验室的环境
6.1.1试龄完的端准.温度步的+
一等品
不充许
不允许
不允许
不允许
不允许
平允许
不充许
对湿度以
合格品
3(-)
不允许
不充许
bzsoso,COmJC/T 278-94
6.1.2非仲裁检验允许在非标准环境下进行,但必须记录当时的温度和相对湿度。6.2玻璃成分
碱金属氧化物含量按 GB 1549 的规定,6.3线密度
按GB7690.1的规定。
6.4断裂强度
按GB7690.3的规定
6.5浸润剂含量
按 GB 9914 的规定。
6.6外规质量
在正常(光)照度,距离0.5m,用目测法逐个检验。7检验规则
7. 1检验分类
7.1.1中碱无捻粗纱的产品检验分出厂检验和型式检验。7.1.2出计检验的试验项目包括技术要求中除玻璃成分的各项。7.1.3型式检验的试验项目包括技术要求的各项。7.2抽样与组批规则
7.2.1 批
同一品种、间一规格、同一生产工艺.稳定连续生产的--定数量的产品为一批。7.2.2批样本
从提交检查批中,随机抽取表3规定数量的纱简为一个非仲裁检验批样本。从提交检查批中,随机抽取按 GB 2828一般检查水平 I规定数量的纱简为一个仲裁检验批样本,表3
批量范围
91--150
151-500
501~1 200
1201~10000
7.2.3试验室样本
7.2.3.1外观检验样本
取批样本为试验室样本。
7.2.3.2、理化性能试验室样本
样本大小
非仲裁检验样本按表4规定从表3中随机抽取,合格判定数 A。
不合格判定数 R。
仲裁检验样本按GB6378一般检查水平1的规定,从仲裁检验批样本中随机抽取。W7.3.判定规则
批量范围
91~150
151--280
281~500
501~1200
1 201~-3 200
3.201~10000
JC/T 278--94
样本大小
7.3.1:外观检验的合格质盈水平(AQL)为2.5,样本在等级范围内的不合格数必须小于表3中规定的不合格判定数
7.3.2理化性能试验结果必须符合5.1条的规定。如试验结果不符合该条规定时,应从间一批产品中抽取同样数量的样品进行复验,以二次试验的统计值进行判定。若复验的结果仍不符合该条规定时,则该批产品按降等处理。
7.3.3以理化性能和外观检验的最低等级为该批产品的等级。7.3.4用户根据本标准规定的抽样及试验方法,对所收到的产品进行验收检查。若产品的理化性能和外观质量不符合本标准的规定,用户应于发货后四个月内提出。7.4仲裁树验
用户与生产厂对某批产品的质量等级有争议时,由仲裁单位按本标准的规定抽样及检测,并按7.3条判定。
8包装、标志,运输、贮存
包装:
中碱无抢粗纱应采用交叉绕的紧密纱简,每个纱简筛用柔软的材料包装将包装好的纱简装在清洁、干燥的包装箱内,保持纱简干燥,避免撞击碰伤,包装箱封箱或捆扎必须牢固,其他包装要求,审供需双方商定。8.1.3
包装箱内应附有产品检验证,内容包括:生产厂名称;
产品代号及等级;
浸润剂类型:
加盖质量检验专用章,
净质量:
生产日期。
8.2包装箱外表面必须标明:
生产厂名称,
bzsoso.cOm 浸润剂类型
本标准编号:
净质量,
生产百期,
JC/T278—94
注明“小心轻放”及“切勿受潮”等字样。8.3中碱无搭粗纱应采用干燥的遮蓬运输工具运输。8.4中碱无粗处必须放量在自然条件下于爆、通风的房屋内忙存 JC/T 278-94
附录A
原丝过溅系列中碳无粗纱
(补充件)
A1原丝过渡系列中碱无捻粗纱产品规格见表A1。其技术要求、试验方法、检验规则等按本标推有关条文执行。
原丝过渡系列中碱无捻粗纱产品过渡期至1995年底。A2
产品规格
CC8-480
CC11-145
CC11-190
CC11-240
CC11-290
CC11-385
CC11-430
ccn-48d
附加说明:
公称纤维直径m
本标准由南京玻璃纤维研究设计院负责起草,上海耀华玻璃广参加起蕈。本标准起草人王淑芳。
线密度,ex
自本标准实施之日起,原国家建筑材料工业局部标准JC279-—80&无撤玻璃纤维钞分等规定》作废。
bzsoso.c(京)新登字023号
中华大民共种国建材
行业标准
中碱玻璃纤维无挽粗纱
JC/T 278—94
中国标准出版社出版
北京复兴门外三里河北街16号
邮政编码:100045
话:8522112
中国标准出版杜业皇岛印刷厂印刷新华书店北京发行所发行各地新华书店经售版权专有不得翻印
开本 880×1230 1/16
印张3/4字数13千字
1995年7月第一版
1995 年 7 月第一次印剩
印数 1—2 000
书号:155066:2-9983
定价3.50元
标耳269--56
准搜搜网18
小提示:此标准内容仅展示完整标准里的部分截取内容,若需要完整标准请到上方自行免费下载完整标准文档。
JC/T278-94
中碱玻璃纤维无捻粗纱
1994-12-30发布
国家建筑材料工业局发布
1995-10-01实施
中华人民共和国建材行业标准
中碱玻璃纤维无捻粗纱
主题内容与适用范围
JC/T 278—94
代替JC278—80
本标准规定了中碱玻璃纤维无捻粗纱(简称中碱无捡粗纱)的产品分类,技术要求、试验方法、检验规则、包装运输和此存等
本标准适用于中碱玻璃纤维原丝,单股或经合股而成的中碱无检粗纱。2引用标准
GB/T1549销钙硅铝硼玻璃化学分析方法GB2828
GR5430
GB 637
逐批检查计数抽样程序及抽样表(适用于连续批的检查)纺织玻璃纤维术语及定义
不合格品率的计量抽样检查程序及图表(适用手违续批的检变)GB7690.1纺织玻璃纤维连续纤维纱,定长纤维纱和无抢粗纱线密度的测定GB7690.3纺织玻璃纤维纱线断裂强力和断裂伸长的测定GB9914纺织玻璃纤维可燃物含量的测定3术语
本标准涉及到的术语及定义按GB5434的规定。4产品分类
4.1产品规格
中碱无拨粗纱的产品规格见表1。符合原丝系列的其他产品规格。由供需双方商定。国家建筑材料工业局1994-12-30批准1995-10-01实施
产品规格
CC11-150
CC11-200
CC11-250
CC11-300
CC11-395
CC11-450
CC11-495
CC13-200
CC13-265
CC13-395
CC13-595
CC13-240p
CC17-2 400
公称纤维
基本值
4.2产品代号
玻璃轩纤维无挖粗纱代号的要素:a.
断用玻璃的类型;
JC/T 278-94
线密度
极限偏差,%
一等品
合格品
表示连续纤维纱的字母C,
公称纤维直径,以徽米为单位。后接连接号“-”,总的线密度,以特克斯为单位。例如CC13-2400
5技术要求
5.1理化性能免费标准bzxz.net
变异系数,%
合格品
一等品
5.1.1玻璃成分
中碱无捻粗纱采用钠钙硅酸盐玻璃成分。其碱金属氧化物的含量为11.6%-12.4%。5.1.2线密度
中碱无拾粗纱的线密度及其极限偏差和变异系数见表1。断裂强度
5.1.3断裂强度
中碱无检粗纱的断数强见表1,线密度大于或等于2000tex产品的断裂强度指标及其试验方bzsoso.cOm法,由供需双方商定。
5.1.4浸润剂含量
JC/T 278—94
中碱无捻粗纱的增强型漫润剂含量为0.5%~2.0%。其他浸润剂含量。由供需双方商定5.2外观质量
5.2.1卷装量小于7kg的中碱无抢粗纱简外观疵点程度允许范围和分等见表2。卷装盘等于或大于7
凡以长度考核的疵点,在同一类型疵点中有几个并存时,均按最大长度计算。本标准未规定的疵点,可参考相似条文定等。中械无抢粗纱简的卷装量大于3.5kg,表艺
疵点名称
点状油污
集束接头
5.3其他要求
避点程度
3 cm以上,根
磨损和碰伤
a.缺股和多
b.号数用错
包括乱纱,个
翘头,个
片状污溃长 5 ~~ 30 mm, 宽
5~10 mm,处
5 mm以下点
3股及以上
,深度 5~10 mm,处
b,深度 5 mm 以下,处
中碱无粗纱的其他要求,由供需双方商定6试验方法
6. 1 试验室的环境
6.1.1试龄完的端准.温度步的+
一等品
不充许
不允许
不允许
不允许
不允许
平允许
不充许
对湿度以
合格品
3(-)
不允许
不充许
bzsoso,COmJC/T 278-94
6.1.2非仲裁检验允许在非标准环境下进行,但必须记录当时的温度和相对湿度。6.2玻璃成分
碱金属氧化物含量按 GB 1549 的规定,6.3线密度
按GB7690.1的规定。
6.4断裂强度
按GB7690.3的规定
6.5浸润剂含量
按 GB 9914 的规定。
6.6外规质量
在正常(光)照度,距离0.5m,用目测法逐个检验。7检验规则
7. 1检验分类
7.1.1中碱无捻粗纱的产品检验分出厂检验和型式检验。7.1.2出计检验的试验项目包括技术要求中除玻璃成分的各项。7.1.3型式检验的试验项目包括技术要求的各项。7.2抽样与组批规则
7.2.1 批
同一品种、间一规格、同一生产工艺.稳定连续生产的--定数量的产品为一批。7.2.2批样本
从提交检查批中,随机抽取表3规定数量的纱简为一个非仲裁检验批样本。从提交检查批中,随机抽取按 GB 2828一般检查水平 I规定数量的纱简为一个仲裁检验批样本,表3
批量范围
91--150
151-500
501~1 200
1201~10000
7.2.3试验室样本
7.2.3.1外观检验样本
取批样本为试验室样本。
7.2.3.2、理化性能试验室样本
样本大小
非仲裁检验样本按表4规定从表3中随机抽取,合格判定数 A。
不合格判定数 R。
仲裁检验样本按GB6378一般检查水平1的规定,从仲裁检验批样本中随机抽取。W7.3.判定规则
批量范围
91~150
151--280
281~500
501~1200
1 201~-3 200
3.201~10000
JC/T 278--94
样本大小
7.3.1:外观检验的合格质盈水平(AQL)为2.5,样本在等级范围内的不合格数必须小于表3中规定的不合格判定数
7.3.2理化性能试验结果必须符合5.1条的规定。如试验结果不符合该条规定时,应从间一批产品中抽取同样数量的样品进行复验,以二次试验的统计值进行判定。若复验的结果仍不符合该条规定时,则该批产品按降等处理。
7.3.3以理化性能和外观检验的最低等级为该批产品的等级。7.3.4用户根据本标准规定的抽样及试验方法,对所收到的产品进行验收检查。若产品的理化性能和外观质量不符合本标准的规定,用户应于发货后四个月内提出。7.4仲裁树验
用户与生产厂对某批产品的质量等级有争议时,由仲裁单位按本标准的规定抽样及检测,并按7.3条判定。
8包装、标志,运输、贮存
包装:
中碱无抢粗纱应采用交叉绕的紧密纱简,每个纱简筛用柔软的材料包装将包装好的纱简装在清洁、干燥的包装箱内,保持纱简干燥,避免撞击碰伤,包装箱封箱或捆扎必须牢固,其他包装要求,审供需双方商定。8.1.3
包装箱内应附有产品检验证,内容包括:生产厂名称;
产品代号及等级;
浸润剂类型:
加盖质量检验专用章,
净质量:
生产日期。
8.2包装箱外表面必须标明:
生产厂名称,
bzsoso.cOm 浸润剂类型
本标准编号:
净质量,
生产百期,
JC/T278—94
注明“小心轻放”及“切勿受潮”等字样。8.3中碱无搭粗纱应采用干燥的遮蓬运输工具运输。8.4中碱无粗处必须放量在自然条件下于爆、通风的房屋内忙存 JC/T 278-94
附录A
原丝过溅系列中碳无粗纱
(补充件)
A1原丝过渡系列中碱无捻粗纱产品规格见表A1。其技术要求、试验方法、检验规则等按本标推有关条文执行。
原丝过渡系列中碱无捻粗纱产品过渡期至1995年底。A2
产品规格
CC8-480
CC11-145
CC11-190
CC11-240
CC11-290
CC11-385
CC11-430
ccn-48d
附加说明:
公称纤维直径m
本标准由南京玻璃纤维研究设计院负责起草,上海耀华玻璃广参加起蕈。本标准起草人王淑芳。
线密度,ex
自本标准实施之日起,原国家建筑材料工业局部标准JC279-—80&无撤玻璃纤维钞分等规定》作废。
bzsoso.c(京)新登字023号
中华大民共种国建材
行业标准
中碱玻璃纤维无挽粗纱
JC/T 278—94
中国标准出版社出版
北京复兴门外三里河北街16号
邮政编码:100045
话:8522112
中国标准出版杜业皇岛印刷厂印刷新华书店北京发行所发行各地新华书店经售版权专有不得翻印
开本 880×1230 1/16
印张3/4字数13千字
1995年7月第一版
1995 年 7 月第一次印剩
印数 1—2 000
书号:155066:2-9983
定价3.50元
标耳269--56
准搜搜网18
小提示:此标准内容仅展示完整标准里的部分截取内容,若需要完整标准请到上方自行免费下载完整标准文档。
标准图片预览:





- 其它标准
- 热门标准
- 建筑材料行业标准(JC)
- JC248-1981 水力旋流器铸石衬里
- JC/T1013-2006 盘转式压砖机
- JC255-1981 铸石粉中游离铁的试验方法
- JC253-1981 铸石制品检验、验收、标志、包装、运输规则
- JC/T872-2000 建筑装饰用微晶玻璃
- JC250-1981 水膜除尘器铸石衬里
- JC/T620-2009 石灰取样方法
- JC/T925-2003 玻璃窑用烧结AZS砖
- JC/T2044-2011 墙材工业用出口拉引机
- JC/T863-2011 高分子防水卷材胶粘剂
- JC/T833-2011 水泥工业用堆取料机
- JC/T806-1988(1996) 玻璃熔窑用耐火材料静态下抗玻璃液侵蚀试验方法
- JC/T2045-2011 墙材工业用液压顶车机
- JC/T834-2011 水泥工业用堆料机 技术条件
- JC/T835-2011 水泥工业用取料机 技术条件
- 行业新闻
请牢记:“bzxz.net”即是“标准下载”四个汉字汉语拼音首字母与国际顶级域名“.net”的组合。 ©2025 标准下载网 www.bzxz.net 本站邮件:bzxznet@163.com
网站备案号:湘ICP备2025141790号-2
网站备案号:湘ICP备2025141790号-2