- 您的位置:
- 标准下载网 >>
- 标准分类 >>
- 轻工行业标准(QB) >>
- QB 1994-1994 浴液
标准号:
QB 1994-1994
标准名称:
浴液
标准类别:
轻工行业标准(QB)
标准状态:
已作废-
发布日期:
1994-08-23 -
实施日期:
1995-05-01 -
作废日期:
2005-06-01 出版语种:
简体中文下载格式:
.rar.pdf下载大小:
272.28 KB
替代情况:
被QB 1994-2004代替采标情况:
BS 1545-1990 NEQ

部分标准内容:
中华人民共和国轻工行业标准
1主题内容与适用范围
QB 1994---94
本标准规定了浴液的产品分类、技术要求、试验方法、检验规则和标志、包装、运输、贮存等要求。本标准适用于以表面活性剂和调理剂调制而成的具有清洁皮肤和滋润皮肤作用的浴液产品。2引用标准
GB6368表面活性剂水溶液pH值的测定电位法GB7916化妆品卫生标准
GB9986餐具洗涤剂试验方法
GB/T13173.1洗涤剂样品分样法
QB938阴离子表面活性剂生物降解度试验方法QB939非离子表面活性剂生物降解度试验方法3产品分类
3.1产品分类
浴液产品按其主要组分分为I型浴液和Ⅱ型浴液,按其使用对象又分为成人用品和儿童用品。1型浴液是以合成表面活性剂为主的浴液产品。1 型浴液是以脂肪酸盐为主的浴液产品。3.2产品标记
产品标记示例:
1型浴液标记为1型浴液QB1994”;b.儿童用Ⅱ型浴液标记为“直型浴液QB1994儿童用品”。4技术要求
4.1浴液产品所使用的原料要求
4.1.1浴液产品配方中所用表面活性剂的生物降解度应不低于80%。4.1.2浴液产品配方中所用色素和香料必须符合GB7916的规定。4.2浴液产品物理化学指标
浴液产品的物理化学指标必须符合表1的要求。中国轻工总会1994-08-23批准
1995-05-01实施
总活性物含量,%
pH值(25℃110溶液)
耐热稳定性
耐寒稳定性
甲醇含量、mg/g
碘含量(以 As 计),mg/kg
重金闻含量(以Pb计),mg/kg
4.3浴液产品的瓶装质量要求
QB 1994 --94
浴液产品瓶装质量的允许偏差应符合表2的规定。表2
瓶装质量规格,&
201~300
试验方法
允许的最大偏差,%
分析中应使用分析纯试剂和蒸馏水或去离子水。指
无异物的均匀液体
无舜味,符合规定香型
5. 5~7. 5
5.5~10.0,儿童用品5.5~8.5
40℃,24h。无沉淀、分离和变色现象-5℃,24h。无沉淀、分离和变色现象3
瓶装质量规格,gwww.bzxz.net
301~500
允许的最大偏差,%
5.1外观
取适量样品置于D20mm×120mm干燥洁净的试管内,装样高度约80mm,在非直射光线条件下进行观察,按技术要求进行评判。5.2气味
用辨香纸蘸取适量样品,以膜觉按技术要求进行评判。5.3总活性物含量的测定
在一般情况下,浴液产品的总活性物含量按5.3.1条的规定进行。当浴液产品配方中含有不溶于乙醇的表面活性剂组分时,或客商订货合同书中规定有总活性物含量检测结果不包括水助溶剂(指甲苯或二甲苯的磺酸盐及尿素等物质)时,则总活性物含量按5.3.2条的规定进行。5.3.1乙醇萃取法
5.3.1.1方法概要
95%以上的乙醇能溶解洗涤剂组分中的表面活性剂及部分氯化钠,而不能溶解其他无机盐,先以无水乙醇萃取浴液试验份(无水乙醇用量应保证混合液中乙醇的含量达到95%以上),无机盐则析出。过滤分离,从乙醇萃取液中分别测定出乙醇溶解物含量和氟化钠含量,计算试验份总活性物含量。本方法测定结果包括浴液配方组分中所有能溶解于乙醇的表面活性剂、调理剂和水助溶剂,不包括不溶于乙醇的表面活性剂。
5.3.1.2试剂
95%乙醇(GB679),新煮沸后冷却、酸度应小于0.2mmol/l..如酸度大于0.2mmol.1.,应中和a.
后蒸馏。
QB 1994--94
无水乙醇(GB678),新煮沸后冷却。c.
氢氧化钠(GB629),0.5mol/L溶液。硝酸(GB625)0.5mol/L溶液。
硝酸银(GB670),0.1mol/L标准溶液。酚(GB10729),10g/L溶液。
铬酸钾(HG3-918),50g/L溶液。5.3.1.3仪器
抽滤瓶,500ml.。
玻璃过滤埚:孔径1630μm,约30ml。烧杯,150mL和250mL。
量筒,50mLc
水浴锅,能控制温度于50C与沸腾状态两种。e.
f.干燥器,内盛变色硅胶或其他干燥剂。5.3.1.4取样
按GB/T13173.1的规定制备和贮存样品。5.3.1.5测定程序
a。试验份
称取2g均勾样品,称准至0.001g,置手150ml.烧杯中。b.乙醇溶解物含量的测定
加人50mL无水乙醇,置于水浴锅上加热至微沸,加热过程中需用玻璃棒不断地搅拌,使内溶物溶解。移开烧杯,静置沉降,倾倒上层澄清液通过玻璃过滤埚进行抽滤,滤液收集在500ml抽滤瓶中,尽可能将乙醇不溶物留在烧杯中。再以温热的(约40~~50C)95%乙醇重复洗涤抽滤三次,每次用95%乙醇20mL。
小心将乙醇溶液(滤液及洗液)由抽滤瓶转人已恒重的250ml.烧杯中,用少量温热的95%乙醇洗涤抽滤数次,洗液合并人已恒重的250mL烧杯中。置烧杯于沸腾水浴锅上(杯底不可接触水浴锅中的水)蒸去乙醇。然后将烧杯放入105土2C的烘箱内于燥2.5h,移人干燥器中冷却30min后称量(ml)。试验份乙醇溶解物的质量百分含量(X)按式(1)计算。ml×100.
式中:m乙醇溶解物的质量,g;
m试验份的质量,g。
c.乙醇溶解物中氯化物含量的测定。(1)
用80ml.蒸馏水溶解烧杯中的乙醇溶解物,加人酚酸溶液3滴,如呈红色,则以0.5n1ol/L硝酸溶液中和至红色刚好退去;如不呈红色,则以0.5mol/L氢氧化钠溶液中和至微红色,再以0.5mol/1.硝酸溶液回滴至红色刚好退去,然后加人50g/L铬酸钾指示剂2ml,用0.1mol/I.硝酸银标准溶液滴定至溶液由黄色变为橙色。试验份乙醇溶解物中氯化物(以NaCI计)的质量百分含量(X,)按式(2)计算。V×c×0. 0585×100
耗用硝酸银标准溶液的体积,ml;硝酸银标准溶液的浓度,mol/L
氯化钠的摩尔质量,g/mmol;
试验份的质量,g。
5.3.1.6结果计算
、(2)
QB1994-94
样品中总活性物的质量百分含量(X。)按式(3)计算。X.-X-X,
式中:X
试验份乙醇溶解物的质量百分含量,%;X,试验份乙醇溶解物中氯化物的质量百分含量,%。(3)
总活性物含量的两次平行测定之差应不超过0.3%。以两次平行测定结果的算术平均值为测定结果。
5.3.2三氯甲烷萃取法
5.3.2.1方法概要
三氯甲烷能溶解洗涤剂中的所有表面活性剂,而不溶解无机盐(包括氯化钠)。浴液试样经干燥脱水后用三氯甲烷反复萃取,收集萃取物,驱尽三氯甲烷,即可得试验份总活性物含量。本方法试验结果包含浴液配方组分中的全部表面活性剂和调理剂,不包括水助溶剂。5.3.2.2试剂
三氯甲烷(GB682)。
丙酮(GB686)。
5.3.2.3仪器
索氏抽提器,250ml。
烧杯,50mL。
量筒简,100mL。
水浴锅,能控制沸腾状态。
烘箱,能控制温度于105土2℃。快速滤纸。
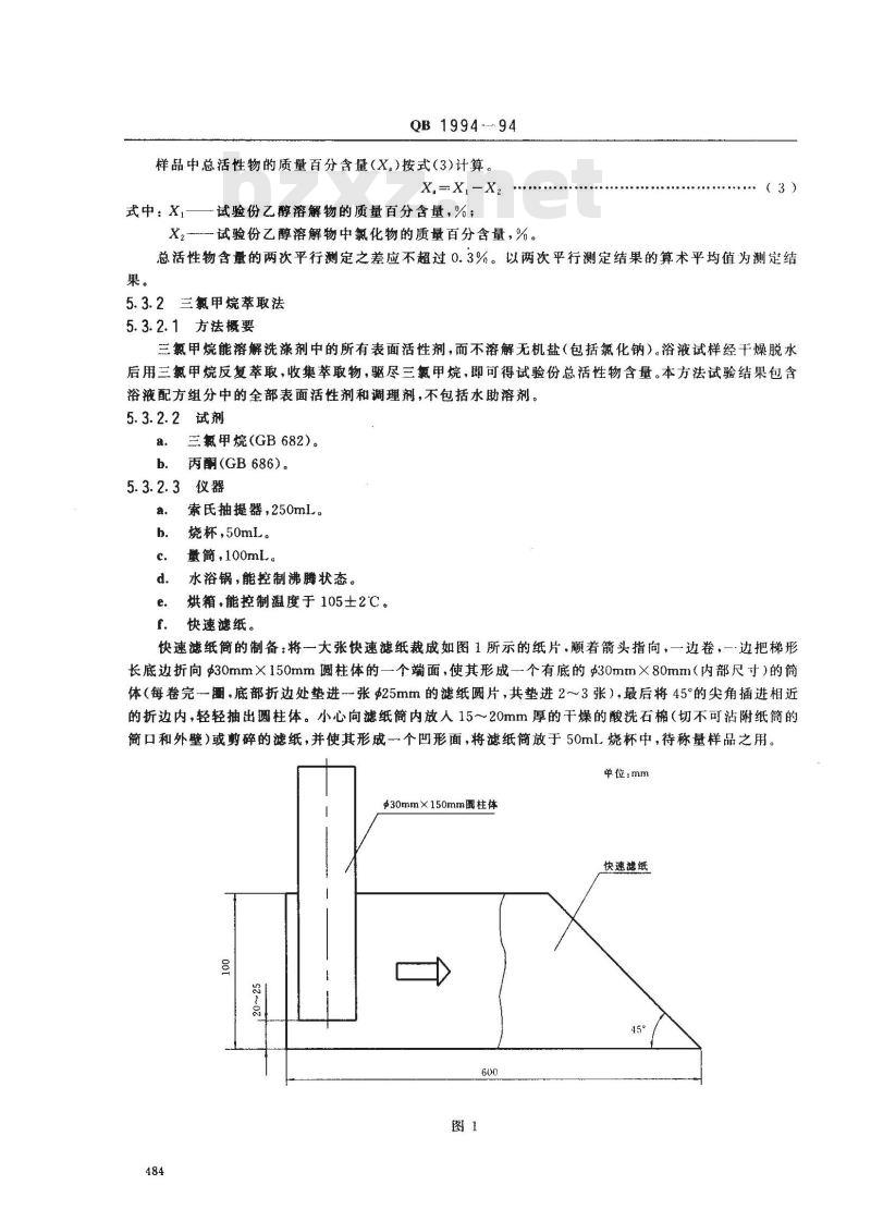
快速滤纸筒的制备:将一大张快速滤纸裁成如图1所示的纸片,顺着箭头指向,一边卷,一·边把梯形长底边折向$30mm×150mm圆柱体的一个端面,使其形成一个有底的30mm×80mm(内部尺寸)的简体(每卷完圈,底部折边处垫进-张$25mm的滤纸圆片,共垫进2~~3张),最后将45°的尖角插进相近的折边内,轻轻抽出圆柱体。小心向滤纸简内放入15~20mm厚的干燥的酸洗石棉(切不可沾附纸筒的简口和外壁)或剪碎的滤纸,并使其形成一个凹形面,将滤纸简放于50mL烧杯中,待称量样品之用。单位:mm
$30mm×150mm圆柱体
快速滤纸
5.3.2.4取样
QB 1994.-- 94
按GB/T13173.1的规定制备和贮存样品。5.3.2.5测定程序
a试验份
称取2g均勾样品,称准至0.001g,置于滤纸筒内的酸洗石棉或碎滤纸上(尽可能滴加在凹形面的中心部位,不能沾及滤纸筒壁);b.三氯甲烷的萃取操作
安全措施:三氯甲烷的挥发性强,且有毒,故其萃取过程应在通风柜中进行。将试验份连同烧杯起放入105士2C烘箱内烘1.5h,取出,将滤纸筒小心放人索氏抽提器中,接上已恒重的抽提器的烧瓶,分数次向滤纸简内加完150mL三氣甲烷(注意,每次都不使其溢出滤纸筒),接好回流冷凝器,在水浴锅上(烧瓶底不接触沸腾水)加热回流2h(以第-次萃取液虹吸至烧瓶为计时起点,控制6~8min虹吸--次的萃取速度)。弃去滤纸筒,回收三氯甲烷。待烧瓶内容物蒸干时,加3mL丙酮,待蒸去丙酮后,将烧瓶放人105土2℃烘箱内烘2h取出,在干燥器内冷却30min,称量(m2)。再于烘箱内干燥30min,冷却,称量,重复操作至恒重(相继两次称量之差小于3mg)。5.3.2.6结果计算
试验份总活性物的质量百分含量(X)按式(4)计算。m2×100
式中:m2-—至氯甲烷溶解物的质量,g;.试验份的质量,g.。
:(4)
总活性物的两次平行测定结果之差应不超过0.3%。以两次平行测定结果的算术平均值为测定结果,
5.4pH 值的测定
按GB6368的规定进行。测试温度为25C。用新煮沸并冷却的蒸馏水配制试样1:10溶液,即1份(g)试样和10份(mL)蒸馏水,混匀,测定。5.5耐热稳定性试验
5.5.1仪器
a、温度计,分度0.2C。
b.恒温箱,能控制温度于40士1℃。c.试管,D20mm×120mm。
5.5.2试验程序
将样品分别倒人两支干燥洁净的试管内,装料高度约80mm,塞上干净的软木塞,其中一支放入预先调控在40士1C的恒温箱内,24h后取出,待恢复至室温后与另一支试管中的样品进行比较,按技术要求进行评判。
5.6耐寒稳定性试验
5.6.1仪器
温度计,分度0.2℃。
冰箱:能控制温度于5土2C。
试管,D20mm×120mm。
5.6.2试验程序
将样品分别倒人两支干燥洁净的试管内,装料高度约80mm,塞上干净的软木塞,其中一支放人预先调控在一5士2℃:的冰箱内,24h后取出,待恢复至室温后与另一支试管中的样品进行比较、按技术要求进行评判。
5.7甲醇含量的测定
按(GB9986第8条的规定进行。
5.8砷含量的测定
QB 1994-94
按(B9986第9条的规定进行。在按第9.2条砷斑法测定时,用5.0g样品3ml.砷标准使用溶液,按规定程序测定。
5.9重金属含量的测定
按(B9986第10条的规定进行。测定时用5.0g样品,2mL铅标准使用溶液,按规定程序测定。5.10表而活性剂生物降解度的测定浴液产品配方中所用表面活性剂的生物降解度的测定按QB938和QB939的规定进行。5.11瓶装质量的测定
5.11.1仪器
架盘天平,称量范围1000g,精度0.1g。5.11.2试验程序
取10瓶样品,用架盘天平逐称量,并记录。然后倒出瓶内样品,用清水洗净瓶体,待晾干后称量,并记录。
5.11.3计算
产品平均瓶装质量(X,)按式(5)计算。X,-
式中:m---10瓶试样毛重质量总和,g;m.-10瓶试样的空瓶质量总和,.。产品瓶装质量的偏差(X)按式(6)计算。m3---m.
Xg--mo
式中:X:产品平均瓶装质量.g;m.产品的瓶装质量规格.g。
计算结果,按数值修约规则进行修约,保留…位小数5.11.4产品瓶装质量的评判
瓶装质量偏差符合表2规定时,则判产品的瓶装质量符合瓶装质量要求。6检验规则
6.1检验分类
(5)
(6)
6.1.1出厂检验:本标准第4章,除4.1条中表面活性剂生物降解度的测定和4.2条中的甲醇含量、碑含量和重金属含量外.其余指标项目均为出厂检验项目。产品出厂交付验收和质量监督机构进行监督检查时必须检验全部出厂检验项目。6.1.2型式检验:型式检验包括本标准第4章规定的全部指标项日。在下列情况下必须进行型式检验。a.
当原料、配方和工艺等方面有重大变化且可能影响产品质量和性能时;在出检验结果与上次型式检验有较大差异时;在长期停产后再恢复生产时;
在正常生产情况下,每半年必须进行次型式检验;在收货力要求进行型式检验时和国家质量监督机构提出进行型式检验要求时。6.2组批与抽样规则
6.2.1产品按批交付和抽样检验。街次交付的同牌号、同规格的产品维成交付批486
QB1994--94
6.2.2产品须经生产厂出厂检验合格并出具产品合格证,方可出厂。收货单位凭产品合格证验收。必要时可按下述规定进行抽样检验。6.2.3以箱为单位,根据批量的大小,按表3的规定确定样本大小,在交货地点随机抽取样箱。表3
51~150
151500
6.2.4验收产品的小包装时,应检查样箱中全部小包装,合格判定率1为10%。为检查瓶装质量,从样箱中随机抽取10瓶样品。验收物理化学指标时,从每箱中任取相同的瓶数,播匀倒出,收集在一干燥洁净的容器中,使收集的总量不少于3kg,搅匀,分装在三个干燥洁净的密封容器中,并封签。标签上应注明产品名称、类型、批号(或生产日期)抽样日期、生产厂名及双方抽样人签名等项目。交收双方各执一份进行检验,第三份由交货方保管,备仲裁检验之用,其保管期不超过-个月。注:1)合格判定率是判定批产品合格所允许的最大不合格品率。本处是指渗漏瓶数、漏贴商标和标志不清的瓶数与样品总瓶数的百分数。
6.3判定规则
6.3.1检验结果按修约值比较法判定合格与否。如-一次检验不合格、应再取双倍数量的样品对不合格的项目进行复验。复验合格,应予收货。6.3.2交收双方因检验结果不间而不能取得协议时,可商请仲裁检验,以仲裁检验结果为最后依据。7标志、包装、运输、贮存
7.1标志
7.1.1产品小包装所用塑料瓶或玻璃瓶上,应有如下标志:a.
产品名称及商标;
产品执行的标准(包括类型);产品批号或生产日期、产品的保质期;产品的瓶装质量规格:
生产厂的厂名、厂广址和邮政编码;使用说明及必要的注意事项。
产品大包装纸箱工应有如下标志:产品名称及商标:
产品所执行的标准(包括类型);产品批号或生产日期;
瓶装质量规格及装箱瓶数;
货箱毛重、箱体尺寸及体积;
有防水防潮、小心轻放和防业倒置等文宇或标记;生产厂的厂名、厂址和邮政编码。g.
7.2包装
7.2.1小包装的要求
产品用塑料瓶或玻璃瓶小包装,487
QB1994--94
瓶盖必须拧紧,不得有漏液沾污瓶身和瓶盖。瓶身与瓶盖上印刷或粘贴的标签,应放置端正,粘贴牢靠,图案和字迹应清晰完整。如标签上印有条形码,其条幅比例、数码和颜色等均应符合我国条形码的有关规定。7.2.2大包装的要求
产品用双瓦楞双折盖纸箱大包装,箱内再用小纸箱中包装或用纸板间隔。大包装纸箱上印刷或粘贴的标签,应放置端正,粘贴牢靠,图案和字迹应清晰完整,若印有条形码,其条幅比例、数码和颜色等均应符合我国条形码的有关规定。瓶装产品在包装箱中必须排列整齐,不得有缺瓶现象,封箱应严实可靠。包装箱内应放有产品合格证。
7.3运输
产品在运输时应轻装轻卸,不得倒置,避免日晒雨淋,严禁在箱上踩踏和堆放重物。7.4存
7.4.1产品应贮存在温度不高于40C和不低于一10℃C的通风干燥的场所。7.4.2产品在堆放时必须用木垫垫离地面至少20cm。堆垛离内墙至少20cm,离外墙至少50cm,避免接近水源和暖气装置,堆箱不得倒置,严禁在堆垛上踩踏和放置重物,堆垛净高应不超过2ml。7.4.3在本标准规定的运输和贮存条件下,在包装完整未经启封的情况下,产品的保质期为十八个月。附加说明:
本标准由中国轻工总会质量标准部提出。本标准由全国表面活性剂洗涤用品标准化中心技术归口。本标准由广州市浪奇实业股份有限公司和广东省江门市肥皂厂负责起草。本标准主要起草人沈征玲、徐梅娟、黄守德、谭婉莲、本标准非等效采用英国标准BS1545--1990《液体香皂》。488
小提示:此标准内容仅展示完整标准里的部分截取内容,若需要完整标准请到上方自行免费下载完整标准文档。
1主题内容与适用范围
QB 1994---94
本标准规定了浴液的产品分类、技术要求、试验方法、检验规则和标志、包装、运输、贮存等要求。本标准适用于以表面活性剂和调理剂调制而成的具有清洁皮肤和滋润皮肤作用的浴液产品。2引用标准
GB6368表面活性剂水溶液pH值的测定电位法GB7916化妆品卫生标准
GB9986餐具洗涤剂试验方法
GB/T13173.1洗涤剂样品分样法
QB938阴离子表面活性剂生物降解度试验方法QB939非离子表面活性剂生物降解度试验方法3产品分类
3.1产品分类
浴液产品按其主要组分分为I型浴液和Ⅱ型浴液,按其使用对象又分为成人用品和儿童用品。1型浴液是以合成表面活性剂为主的浴液产品。1 型浴液是以脂肪酸盐为主的浴液产品。3.2产品标记
产品标记示例:
1型浴液标记为1型浴液QB1994”;b.儿童用Ⅱ型浴液标记为“直型浴液QB1994儿童用品”。4技术要求
4.1浴液产品所使用的原料要求
4.1.1浴液产品配方中所用表面活性剂的生物降解度应不低于80%。4.1.2浴液产品配方中所用色素和香料必须符合GB7916的规定。4.2浴液产品物理化学指标
浴液产品的物理化学指标必须符合表1的要求。中国轻工总会1994-08-23批准
1995-05-01实施
总活性物含量,%
pH值(25℃110溶液)
耐热稳定性
耐寒稳定性
甲醇含量、mg/g
碘含量(以 As 计),mg/kg
重金闻含量(以Pb计),mg/kg
4.3浴液产品的瓶装质量要求
QB 1994 --94
浴液产品瓶装质量的允许偏差应符合表2的规定。表2
瓶装质量规格,&
201~300
试验方法
允许的最大偏差,%
分析中应使用分析纯试剂和蒸馏水或去离子水。指
无异物的均匀液体
无舜味,符合规定香型
5. 5~7. 5
5.5~10.0,儿童用品5.5~8.5
40℃,24h。无沉淀、分离和变色现象-5℃,24h。无沉淀、分离和变色现象3
瓶装质量规格,gwww.bzxz.net
301~500
允许的最大偏差,%
5.1外观
取适量样品置于D20mm×120mm干燥洁净的试管内,装样高度约80mm,在非直射光线条件下进行观察,按技术要求进行评判。5.2气味
用辨香纸蘸取适量样品,以膜觉按技术要求进行评判。5.3总活性物含量的测定
在一般情况下,浴液产品的总活性物含量按5.3.1条的规定进行。当浴液产品配方中含有不溶于乙醇的表面活性剂组分时,或客商订货合同书中规定有总活性物含量检测结果不包括水助溶剂(指甲苯或二甲苯的磺酸盐及尿素等物质)时,则总活性物含量按5.3.2条的规定进行。5.3.1乙醇萃取法
5.3.1.1方法概要
95%以上的乙醇能溶解洗涤剂组分中的表面活性剂及部分氯化钠,而不能溶解其他无机盐,先以无水乙醇萃取浴液试验份(无水乙醇用量应保证混合液中乙醇的含量达到95%以上),无机盐则析出。过滤分离,从乙醇萃取液中分别测定出乙醇溶解物含量和氟化钠含量,计算试验份总活性物含量。本方法测定结果包括浴液配方组分中所有能溶解于乙醇的表面活性剂、调理剂和水助溶剂,不包括不溶于乙醇的表面活性剂。
5.3.1.2试剂
95%乙醇(GB679),新煮沸后冷却、酸度应小于0.2mmol/l..如酸度大于0.2mmol.1.,应中和a.
后蒸馏。
QB 1994--94
无水乙醇(GB678),新煮沸后冷却。c.
氢氧化钠(GB629),0.5mol/L溶液。硝酸(GB625)0.5mol/L溶液。
硝酸银(GB670),0.1mol/L标准溶液。酚(GB10729),10g/L溶液。
铬酸钾(HG3-918),50g/L溶液。5.3.1.3仪器
抽滤瓶,500ml.。
玻璃过滤埚:孔径1630μm,约30ml。烧杯,150mL和250mL。
量筒,50mLc
水浴锅,能控制温度于50C与沸腾状态两种。e.
f.干燥器,内盛变色硅胶或其他干燥剂。5.3.1.4取样
按GB/T13173.1的规定制备和贮存样品。5.3.1.5测定程序
a。试验份
称取2g均勾样品,称准至0.001g,置手150ml.烧杯中。b.乙醇溶解物含量的测定
加人50mL无水乙醇,置于水浴锅上加热至微沸,加热过程中需用玻璃棒不断地搅拌,使内溶物溶解。移开烧杯,静置沉降,倾倒上层澄清液通过玻璃过滤埚进行抽滤,滤液收集在500ml抽滤瓶中,尽可能将乙醇不溶物留在烧杯中。再以温热的(约40~~50C)95%乙醇重复洗涤抽滤三次,每次用95%乙醇20mL。
小心将乙醇溶液(滤液及洗液)由抽滤瓶转人已恒重的250ml.烧杯中,用少量温热的95%乙醇洗涤抽滤数次,洗液合并人已恒重的250mL烧杯中。置烧杯于沸腾水浴锅上(杯底不可接触水浴锅中的水)蒸去乙醇。然后将烧杯放入105土2C的烘箱内于燥2.5h,移人干燥器中冷却30min后称量(ml)。试验份乙醇溶解物的质量百分含量(X)按式(1)计算。ml×100.
式中:m乙醇溶解物的质量,g;
m试验份的质量,g。
c.乙醇溶解物中氯化物含量的测定。(1)
用80ml.蒸馏水溶解烧杯中的乙醇溶解物,加人酚酸溶液3滴,如呈红色,则以0.5n1ol/L硝酸溶液中和至红色刚好退去;如不呈红色,则以0.5mol/L氢氧化钠溶液中和至微红色,再以0.5mol/1.硝酸溶液回滴至红色刚好退去,然后加人50g/L铬酸钾指示剂2ml,用0.1mol/I.硝酸银标准溶液滴定至溶液由黄色变为橙色。试验份乙醇溶解物中氯化物(以NaCI计)的质量百分含量(X,)按式(2)计算。V×c×0. 0585×100
耗用硝酸银标准溶液的体积,ml;硝酸银标准溶液的浓度,mol/L
氯化钠的摩尔质量,g/mmol;
试验份的质量,g。
5.3.1.6结果计算
、(2)
QB1994-94
样品中总活性物的质量百分含量(X。)按式(3)计算。X.-X-X,
式中:X
试验份乙醇溶解物的质量百分含量,%;X,试验份乙醇溶解物中氯化物的质量百分含量,%。(3)
总活性物含量的两次平行测定之差应不超过0.3%。以两次平行测定结果的算术平均值为测定结果。
5.3.2三氯甲烷萃取法
5.3.2.1方法概要
三氯甲烷能溶解洗涤剂中的所有表面活性剂,而不溶解无机盐(包括氯化钠)。浴液试样经干燥脱水后用三氯甲烷反复萃取,收集萃取物,驱尽三氯甲烷,即可得试验份总活性物含量。本方法试验结果包含浴液配方组分中的全部表面活性剂和调理剂,不包括水助溶剂。5.3.2.2试剂
三氯甲烷(GB682)。
丙酮(GB686)。
5.3.2.3仪器
索氏抽提器,250ml。
烧杯,50mL。
量筒简,100mL。
水浴锅,能控制沸腾状态。
烘箱,能控制温度于105土2℃。快速滤纸。
快速滤纸筒的制备:将一大张快速滤纸裁成如图1所示的纸片,顺着箭头指向,一边卷,一·边把梯形长底边折向$30mm×150mm圆柱体的一个端面,使其形成一个有底的30mm×80mm(内部尺寸)的简体(每卷完圈,底部折边处垫进-张$25mm的滤纸圆片,共垫进2~~3张),最后将45°的尖角插进相近的折边内,轻轻抽出圆柱体。小心向滤纸简内放入15~20mm厚的干燥的酸洗石棉(切不可沾附纸筒的简口和外壁)或剪碎的滤纸,并使其形成一个凹形面,将滤纸简放于50mL烧杯中,待称量样品之用。单位:mm
$30mm×150mm圆柱体
快速滤纸
5.3.2.4取样
QB 1994.-- 94
按GB/T13173.1的规定制备和贮存样品。5.3.2.5测定程序
a试验份
称取2g均勾样品,称准至0.001g,置于滤纸筒内的酸洗石棉或碎滤纸上(尽可能滴加在凹形面的中心部位,不能沾及滤纸筒壁);b.三氯甲烷的萃取操作
安全措施:三氯甲烷的挥发性强,且有毒,故其萃取过程应在通风柜中进行。将试验份连同烧杯起放入105士2C烘箱内烘1.5h,取出,将滤纸筒小心放人索氏抽提器中,接上已恒重的抽提器的烧瓶,分数次向滤纸简内加完150mL三氣甲烷(注意,每次都不使其溢出滤纸筒),接好回流冷凝器,在水浴锅上(烧瓶底不接触沸腾水)加热回流2h(以第-次萃取液虹吸至烧瓶为计时起点,控制6~8min虹吸--次的萃取速度)。弃去滤纸筒,回收三氯甲烷。待烧瓶内容物蒸干时,加3mL丙酮,待蒸去丙酮后,将烧瓶放人105土2℃烘箱内烘2h取出,在干燥器内冷却30min,称量(m2)。再于烘箱内干燥30min,冷却,称量,重复操作至恒重(相继两次称量之差小于3mg)。5.3.2.6结果计算
试验份总活性物的质量百分含量(X)按式(4)计算。m2×100
式中:m2-—至氯甲烷溶解物的质量,g;.试验份的质量,g.。
:(4)
总活性物的两次平行测定结果之差应不超过0.3%。以两次平行测定结果的算术平均值为测定结果,
5.4pH 值的测定
按GB6368的规定进行。测试温度为25C。用新煮沸并冷却的蒸馏水配制试样1:10溶液,即1份(g)试样和10份(mL)蒸馏水,混匀,测定。5.5耐热稳定性试验
5.5.1仪器
a、温度计,分度0.2C。
b.恒温箱,能控制温度于40士1℃。c.试管,D20mm×120mm。
5.5.2试验程序
将样品分别倒人两支干燥洁净的试管内,装料高度约80mm,塞上干净的软木塞,其中一支放入预先调控在40士1C的恒温箱内,24h后取出,待恢复至室温后与另一支试管中的样品进行比较,按技术要求进行评判。
5.6耐寒稳定性试验
5.6.1仪器
温度计,分度0.2℃。
冰箱:能控制温度于5土2C。
试管,D20mm×120mm。
5.6.2试验程序
将样品分别倒人两支干燥洁净的试管内,装料高度约80mm,塞上干净的软木塞,其中一支放人预先调控在一5士2℃:的冰箱内,24h后取出,待恢复至室温后与另一支试管中的样品进行比较、按技术要求进行评判。
5.7甲醇含量的测定
按(GB9986第8条的规定进行。
5.8砷含量的测定
QB 1994-94
按(B9986第9条的规定进行。在按第9.2条砷斑法测定时,用5.0g样品3ml.砷标准使用溶液,按规定程序测定。
5.9重金属含量的测定
按(B9986第10条的规定进行。测定时用5.0g样品,2mL铅标准使用溶液,按规定程序测定。5.10表而活性剂生物降解度的测定浴液产品配方中所用表面活性剂的生物降解度的测定按QB938和QB939的规定进行。5.11瓶装质量的测定
5.11.1仪器
架盘天平,称量范围1000g,精度0.1g。5.11.2试验程序
取10瓶样品,用架盘天平逐称量,并记录。然后倒出瓶内样品,用清水洗净瓶体,待晾干后称量,并记录。
5.11.3计算
产品平均瓶装质量(X,)按式(5)计算。X,-
式中:m---10瓶试样毛重质量总和,g;m.-10瓶试样的空瓶质量总和,.。产品瓶装质量的偏差(X)按式(6)计算。m3---m.
Xg--mo
式中:X:产品平均瓶装质量.g;m.产品的瓶装质量规格.g。
计算结果,按数值修约规则进行修约,保留…位小数5.11.4产品瓶装质量的评判
瓶装质量偏差符合表2规定时,则判产品的瓶装质量符合瓶装质量要求。6检验规则
6.1检验分类
(5)
(6)
6.1.1出厂检验:本标准第4章,除4.1条中表面活性剂生物降解度的测定和4.2条中的甲醇含量、碑含量和重金属含量外.其余指标项目均为出厂检验项目。产品出厂交付验收和质量监督机构进行监督检查时必须检验全部出厂检验项目。6.1.2型式检验:型式检验包括本标准第4章规定的全部指标项日。在下列情况下必须进行型式检验。a.
当原料、配方和工艺等方面有重大变化且可能影响产品质量和性能时;在出检验结果与上次型式检验有较大差异时;在长期停产后再恢复生产时;
在正常生产情况下,每半年必须进行次型式检验;在收货力要求进行型式检验时和国家质量监督机构提出进行型式检验要求时。6.2组批与抽样规则
6.2.1产品按批交付和抽样检验。街次交付的同牌号、同规格的产品维成交付批486
QB1994--94
6.2.2产品须经生产厂出厂检验合格并出具产品合格证,方可出厂。收货单位凭产品合格证验收。必要时可按下述规定进行抽样检验。6.2.3以箱为单位,根据批量的大小,按表3的规定确定样本大小,在交货地点随机抽取样箱。表3
51~150
151500
6.2.4验收产品的小包装时,应检查样箱中全部小包装,合格判定率1为10%。为检查瓶装质量,从样箱中随机抽取10瓶样品。验收物理化学指标时,从每箱中任取相同的瓶数,播匀倒出,收集在一干燥洁净的容器中,使收集的总量不少于3kg,搅匀,分装在三个干燥洁净的密封容器中,并封签。标签上应注明产品名称、类型、批号(或生产日期)抽样日期、生产厂名及双方抽样人签名等项目。交收双方各执一份进行检验,第三份由交货方保管,备仲裁检验之用,其保管期不超过-个月。注:1)合格判定率是判定批产品合格所允许的最大不合格品率。本处是指渗漏瓶数、漏贴商标和标志不清的瓶数与样品总瓶数的百分数。
6.3判定规则
6.3.1检验结果按修约值比较法判定合格与否。如-一次检验不合格、应再取双倍数量的样品对不合格的项目进行复验。复验合格,应予收货。6.3.2交收双方因检验结果不间而不能取得协议时,可商请仲裁检验,以仲裁检验结果为最后依据。7标志、包装、运输、贮存
7.1标志
7.1.1产品小包装所用塑料瓶或玻璃瓶上,应有如下标志:a.
产品名称及商标;
产品执行的标准(包括类型);产品批号或生产日期、产品的保质期;产品的瓶装质量规格:
生产厂的厂名、厂广址和邮政编码;使用说明及必要的注意事项。
产品大包装纸箱工应有如下标志:产品名称及商标:
产品所执行的标准(包括类型);产品批号或生产日期;
瓶装质量规格及装箱瓶数;
货箱毛重、箱体尺寸及体积;
有防水防潮、小心轻放和防业倒置等文宇或标记;生产厂的厂名、厂址和邮政编码。g.
7.2包装
7.2.1小包装的要求
产品用塑料瓶或玻璃瓶小包装,487
QB1994--94
瓶盖必须拧紧,不得有漏液沾污瓶身和瓶盖。瓶身与瓶盖上印刷或粘贴的标签,应放置端正,粘贴牢靠,图案和字迹应清晰完整。如标签上印有条形码,其条幅比例、数码和颜色等均应符合我国条形码的有关规定。7.2.2大包装的要求
产品用双瓦楞双折盖纸箱大包装,箱内再用小纸箱中包装或用纸板间隔。大包装纸箱上印刷或粘贴的标签,应放置端正,粘贴牢靠,图案和字迹应清晰完整,若印有条形码,其条幅比例、数码和颜色等均应符合我国条形码的有关规定。瓶装产品在包装箱中必须排列整齐,不得有缺瓶现象,封箱应严实可靠。包装箱内应放有产品合格证。
7.3运输
产品在运输时应轻装轻卸,不得倒置,避免日晒雨淋,严禁在箱上踩踏和堆放重物。7.4存
7.4.1产品应贮存在温度不高于40C和不低于一10℃C的通风干燥的场所。7.4.2产品在堆放时必须用木垫垫离地面至少20cm。堆垛离内墙至少20cm,离外墙至少50cm,避免接近水源和暖气装置,堆箱不得倒置,严禁在堆垛上踩踏和放置重物,堆垛净高应不超过2ml。7.4.3在本标准规定的运输和贮存条件下,在包装完整未经启封的情况下,产品的保质期为十八个月。附加说明:
本标准由中国轻工总会质量标准部提出。本标准由全国表面活性剂洗涤用品标准化中心技术归口。本标准由广州市浪奇实业股份有限公司和广东省江门市肥皂厂负责起草。本标准主要起草人沈征玲、徐梅娟、黄守德、谭婉莲、本标准非等效采用英国标准BS1545--1990《液体香皂》。488
小提示:此标准内容仅展示完整标准里的部分截取内容,若需要完整标准请到上方自行免费下载完整标准文档。

标准图片预览:





- 热门标准
- 轻工行业标准(QB)
- QB/T1832-1993 往复式磨革机
- QB/T5087一2017 箱包用皮革
- QB/T4767-2014 家具用钢构件
- QB/T4338-2012 鞋类化学试验方法烷基酚聚氧乙烯醚的测定
- QB2353—1998 膨化食品
- QB/T3504—1999 铸涂白纸板
- QB/T1704-1993 铝箔衬纸
- QB/T2242-2011 3,7-二甲基-7-甲氧基-2-辛醇(檀香醚)
- QB/T2742-2005 数码信息历
- QB/T2623.6-2003 肥皂试验方法 肥皂中氯化物含量的测定 滴定法
- QB/T4572-2013 酵母-葡聚糖
- QB/T4749-2014 牙线棒
- QB/T5601-2021 口腔清洁护理用品牙膏和口腔清洁护理液中溶菌酶抗菌活性的测定
- QB1872-1993 服装用皮革
- QB/T2578—2002 陶瓷原料化学成分光度分析方法
- 行业新闻
请牢记:“bzxz.net”即是“标准下载”四个汉字汉语拼音首字母与国际顶级域名“.net”的组合。 ©2009 标准下载网 www.bzxz.net 本站邮件:bzxznet@163.com
网站备案号:湘ICP备2023016450号-1
网站备案号:湘ICP备2023016450号-1