- 您的位置:
- 标准下载网 >>
- 标准分类 >>
- 轻工行业标准(QB) >>
- QB/T 1234-1991 旅行剪刀
标准号:
QB/T 1234-1991
标准名称:
旅行剪刀
标准类别:
轻工行业标准(QB)
标准状态:
现行-
发布日期:
1991-09-10 -
实施日期:
1992-04-01 出版语种:
简体中文下载格式:
.rar.pdf下载大小:
133.69 KB

点击下载
标准简介:
标准下载解压密码:www.bzxz.net
本标准规定了旅行剪刀的产品分类、技术要求、试验方法、检验规则和标志、包装、运输、贮存。本标准适用于折叠式旅行剪刀〔以下简称剪刀) QB/T 1234-1991 旅行剪刀 QB/T1234-1991

部分标准内容:
中华人民共和国轻工行业标准
1主题内容与适用范围
Q/T1234~-1991
本标准规定了旅行剪刀的产品分类、技术要求试验方法、检验规则和标志、包装、运输、贮存。本标准适用于折叠式旅行剪刀(以下简称剪刀)。2群用标准
GB/T406本色棉布技术要求
GB/T2828遥批检查计数抽样程序及抽样表(适用于连续批的检查)CB/T2829周期检查计数样程序及抽样表(适用于生产过程稳定性的检查)GB5936轻工产品黑色金属化学保护层的试方法浸渍点滴法GB5938轻工产品金属镀层和化学处理层的耐腐蚀试验方法中性盐雾试验(NSS)法轻工产品金属镀层腐蚀试验结果的评价GB5944
SG/T251日用刃具热处理技术要求3产品分类
3.1型式及各部位名称
3.1.1型式:按表面处理方式分电镀剪刀和发蓝剪刀两种。3.1.2各部位名称:剪刀的各部位名称见图。尖
外口面
(V)
(8)专镇
剪把宽(C)
里口面
匙圖孔
折叠式旅行剪刀各部位名称图
中华人民共和国轻工业部1991-09-10批准326
1992-04-01实施
3.2规格尺寸
QB/T 1234—1991
以剪刀全长表示,分大、中、小号三种,其偏差应符合表1的规定。剪刀各部位尺寸由企业自定。表1
规格尺寸(剪全长)
号 >110
90~110
4技术要求
4.1产品应符合本标准要求,并按照经规定程序批准的图样及设计文件制造。4.2产品质量等级
质量等级分优等品、一级品、合格品三个等级。C
4.3剪头材料
采用含碳量大于0.42%的优质碳素结构钢,材质应符合国家标准的要求。若有特殊需要的可按用户提供的材质要求制造。
4.4刃口硬度
优等品为HRC52以上,其两月刃口对应点硬度差不大于HRC4。一级品为HRC50以上,其两刃口对应点硬度差不大于HRC6。合格品为HRC50以上,其两刃口对应点硬度差不大于HRC8。4.5金相组织
热处理部位的金相组织回火马氏体级别不大于4级。4.6剪切性能
手感轻松、均勾,剪布锋利,不咬口,不扎布。4.7簧片性能
剪刀经30次张合后,簧片仍应能正常使用。4.8粗糙度
4.8.1表面粗糙度:优等品为R.0.8um;一级品为Ra1.6um;合格品为R3.2μm。4.8.2里、外口面粗糙度:优等品为R.1.6μm;级品为Ra3.2μm;合格品为Ra6.3μm。4.9抗腐蚀性能
4.9.1电镀剪刀:电镀层耐腐蚀级别:优等品为5级;一级品为4级;合格品为3级。4.9.2发蓝剪刀:经3%硫酸铜溶液漫泡后,无铜置换出。4.10外观
4.10.1电镀剪刀:镀层光亮,色泽一致。发蓝剪刀:发蓝光亮,无漏底,无发黄等杂色。4.10.2
4.10.3商标:字迹应清晰、端正。试验方法
规格尺寸检查
用精度不低于0.02mm游标卡尺检查,其检查结果应符合表1的规定。5.2硬度测定
用洛氏硬度计测定,测试部位按SG/T251的规定,并应符合4.4的规定。327
5.3金相组织测定
QB/T 1234-—1991
用金属显微分析法在测定硬度后的剪刀上进行。5.3.1金相试样:取剪刃口中部横截面。5.3.2观测部位:距刃口线2~~4mm处。5.3.3级别评定:取试样上一般的马氏体针叶长度进行评定,并应符合4.5的规定。5.4剪切性能试验
按4.6的规定进行,每把剪刀均应正、反剪布次,试布采用122号中平布,其布质应符合GB/T406的规定。
5.5簧片性能试验
按4.7的规定,采用手工或仪器试验。5.6粗糙度测定
用粗糙度样块或粗糙度测定仪测试(以仪器测定作为仲裁方法),并应符合4.8的规定。5.7抗腐蚀性能试验
5.7.1电镀剪刀:按GB5938规定执行,试验时间为连续喷雾4h,评级按GB5944规定,以把为单位进行,其结果应符合4.9.1的规定。5.7.2发蓝剪刀:按GB5936规定执行,试验时间为20s,并应符合4.9.2的规定。5.8外观检查
在光线充足的条件下或采用3001x的均勾照度下,目距可见面距离为300mm处,用肉眼观察检查,并应符合4.10的规定。
6检验规则
6.1产品经制造厂质量检验部门按本标准检验合格后,方可出厂。6.2产品分出厂检验和型式检验
6.3出广检验
按GB/T2828规定执行,采用正常检查二次抽样方案,按每百单位产品不合格品数计算。其检查项目、不合格分类、检查水平和合格质量水平应符合表2的规定。表2
检查项目
剪切性能
粗麯度
不合格分类
本标准所属章、条
技术要求
试验方法
6.4型式检验
在下列情况之时应进行型式检验:6.4.1
新产品或老产品转厂生产的试制定型鉴定;5.8
检查水平 IL
正式生产后,如结构、材料、工艺有较大改变,可能影响产品性能时;正常生产时,每一年应周期性进行一次检验;产品停产年后,恢复生产时;
出厂检验结果与上次型式检验有较大差异时;国家质量监督机构提出进行型式检验的要求时。合格质量水平(AQL)
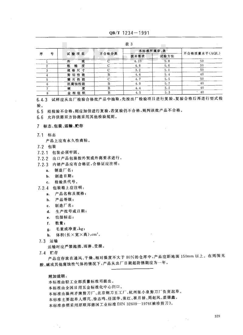
6.4.2型式检验按GB/T2829规定执行,采用判别水平1的一次抽样方案,按每百单位产品不合格品数计算,样本大小均为n一10,其试验项目、不合格分类、不合格质量水平应符合表3的规定。328
试验项目
粗糙度
规格尺寸
剪切性能
簧片性能
抗腐蚀性能
金相组织
QB/T 1234--1991
不合格分类
本标准所属章、条
技术要求
试验方法
不合格质量水平(AQL)
6.4.3试样应从出厂检验合格批产品中抽取,先按出厂检验项目进行复验,复验合格后再进行型式检验。
经检验不合格,则应加倍进行复验,若复验仍不合格,则判该批产品不合格。6.5
6.6允许供需双方协商采用其他检验规则。标志、包装、运输、贮存
7.1标志
产品上应有永久性商标。
7.2包装
7.2.1包装必须牢固。
出口产品包装按外贸或外商要求进行。7.2.2
7.2.3内销产品应有合格证,合格证应注明:a.
制造厂名;
制造日期;
检验员代号。
包装箱上应注明:
产品名称及规格;
产品等级;
制造厂名:
生产批号或日期;
怕湿标志;
数量;
毛重或净重,kg;
体积(长×宽×高),cm。
运输时应严禁抛掷、雨淋、受潮。贮存www.bzxz.net
产品应存放在通风、干燥、相对湿度不大于80%的仓库中,产品应距地面150mm以上。在周围无酸、碱或其他腐蚀性气体的情况下,产品从出厂日期起防锈期应为一年。附加说明:
本标准由轻工业部质量标准司提出。本标准由全国日用五金标准化中心归口。本标准由温州矛牌剪刀厂、北京钢刀王工厂、杭州张小泉剪刀厂负责起草,本标准主要起草人缪芃、徐志鸣、任国华、张红、崔月禄、周赵凤、裘德鑫。本标准参照采用原联邦德国工业标准DIN32609—1976《袖珍剪刀》。329
小提示:此标准内容仅展示完整标准里的部分截取内容,若需要完整标准请到上方自行免费下载完整标准文档。
1主题内容与适用范围
Q/T1234~-1991
本标准规定了旅行剪刀的产品分类、技术要求试验方法、检验规则和标志、包装、运输、贮存。本标准适用于折叠式旅行剪刀(以下简称剪刀)。2群用标准
GB/T406本色棉布技术要求
GB/T2828遥批检查计数抽样程序及抽样表(适用于连续批的检查)CB/T2829周期检查计数样程序及抽样表(适用于生产过程稳定性的检查)GB5936轻工产品黑色金属化学保护层的试方法浸渍点滴法GB5938轻工产品金属镀层和化学处理层的耐腐蚀试验方法中性盐雾试验(NSS)法轻工产品金属镀层腐蚀试验结果的评价GB5944
SG/T251日用刃具热处理技术要求3产品分类
3.1型式及各部位名称
3.1.1型式:按表面处理方式分电镀剪刀和发蓝剪刀两种。3.1.2各部位名称:剪刀的各部位名称见图。尖
外口面
(V)
(8)专镇
剪把宽(C)
里口面
匙圖孔
折叠式旅行剪刀各部位名称图
中华人民共和国轻工业部1991-09-10批准326
1992-04-01实施
3.2规格尺寸
QB/T 1234—1991
以剪刀全长表示,分大、中、小号三种,其偏差应符合表1的规定。剪刀各部位尺寸由企业自定。表1
规格尺寸(剪全长)
号 >110
90~110
4技术要求
4.1产品应符合本标准要求,并按照经规定程序批准的图样及设计文件制造。4.2产品质量等级
质量等级分优等品、一级品、合格品三个等级。C
4.3剪头材料
采用含碳量大于0.42%的优质碳素结构钢,材质应符合国家标准的要求。若有特殊需要的可按用户提供的材质要求制造。
4.4刃口硬度
优等品为HRC52以上,其两月刃口对应点硬度差不大于HRC4。一级品为HRC50以上,其两刃口对应点硬度差不大于HRC6。合格品为HRC50以上,其两刃口对应点硬度差不大于HRC8。4.5金相组织
热处理部位的金相组织回火马氏体级别不大于4级。4.6剪切性能
手感轻松、均勾,剪布锋利,不咬口,不扎布。4.7簧片性能
剪刀经30次张合后,簧片仍应能正常使用。4.8粗糙度
4.8.1表面粗糙度:优等品为R.0.8um;一级品为Ra1.6um;合格品为R3.2μm。4.8.2里、外口面粗糙度:优等品为R.1.6μm;级品为Ra3.2μm;合格品为Ra6.3μm。4.9抗腐蚀性能
4.9.1电镀剪刀:电镀层耐腐蚀级别:优等品为5级;一级品为4级;合格品为3级。4.9.2发蓝剪刀:经3%硫酸铜溶液漫泡后,无铜置换出。4.10外观
4.10.1电镀剪刀:镀层光亮,色泽一致。发蓝剪刀:发蓝光亮,无漏底,无发黄等杂色。4.10.2
4.10.3商标:字迹应清晰、端正。试验方法
规格尺寸检查
用精度不低于0.02mm游标卡尺检查,其检查结果应符合表1的规定。5.2硬度测定
用洛氏硬度计测定,测试部位按SG/T251的规定,并应符合4.4的规定。327
5.3金相组织测定
QB/T 1234-—1991
用金属显微分析法在测定硬度后的剪刀上进行。5.3.1金相试样:取剪刃口中部横截面。5.3.2观测部位:距刃口线2~~4mm处。5.3.3级别评定:取试样上一般的马氏体针叶长度进行评定,并应符合4.5的规定。5.4剪切性能试验
按4.6的规定进行,每把剪刀均应正、反剪布次,试布采用122号中平布,其布质应符合GB/T406的规定。
5.5簧片性能试验
按4.7的规定,采用手工或仪器试验。5.6粗糙度测定
用粗糙度样块或粗糙度测定仪测试(以仪器测定作为仲裁方法),并应符合4.8的规定。5.7抗腐蚀性能试验
5.7.1电镀剪刀:按GB5938规定执行,试验时间为连续喷雾4h,评级按GB5944规定,以把为单位进行,其结果应符合4.9.1的规定。5.7.2发蓝剪刀:按GB5936规定执行,试验时间为20s,并应符合4.9.2的规定。5.8外观检查
在光线充足的条件下或采用3001x的均勾照度下,目距可见面距离为300mm处,用肉眼观察检查,并应符合4.10的规定。
6检验规则
6.1产品经制造厂质量检验部门按本标准检验合格后,方可出厂。6.2产品分出厂检验和型式检验
6.3出广检验
按GB/T2828规定执行,采用正常检查二次抽样方案,按每百单位产品不合格品数计算。其检查项目、不合格分类、检查水平和合格质量水平应符合表2的规定。表2
检查项目
剪切性能
粗麯度
不合格分类
本标准所属章、条
技术要求
试验方法
6.4型式检验
在下列情况之时应进行型式检验:6.4.1
新产品或老产品转厂生产的试制定型鉴定;5.8
检查水平 IL
正式生产后,如结构、材料、工艺有较大改变,可能影响产品性能时;正常生产时,每一年应周期性进行一次检验;产品停产年后,恢复生产时;
出厂检验结果与上次型式检验有较大差异时;国家质量监督机构提出进行型式检验的要求时。合格质量水平(AQL)
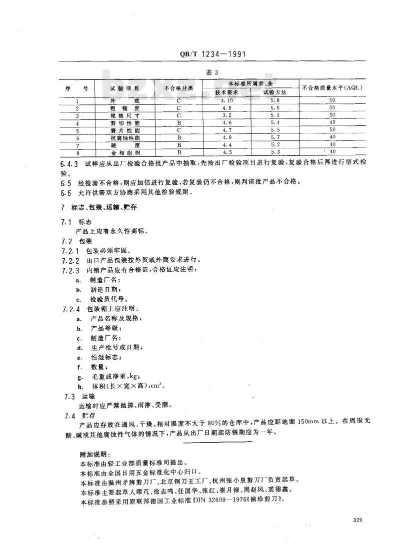
6.4.2型式检验按GB/T2829规定执行,采用判别水平1的一次抽样方案,按每百单位产品不合格品数计算,样本大小均为n一10,其试验项目、不合格分类、不合格质量水平应符合表3的规定。328
试验项目
粗糙度
规格尺寸
剪切性能
簧片性能
抗腐蚀性能
金相组织
QB/T 1234--1991
不合格分类
本标准所属章、条
技术要求
试验方法
不合格质量水平(AQL)
6.4.3试样应从出厂检验合格批产品中抽取,先按出厂检验项目进行复验,复验合格后再进行型式检验。
经检验不合格,则应加倍进行复验,若复验仍不合格,则判该批产品不合格。6.5
6.6允许供需双方协商采用其他检验规则。标志、包装、运输、贮存
7.1标志
产品上应有永久性商标。
7.2包装
7.2.1包装必须牢固。
出口产品包装按外贸或外商要求进行。7.2.2
7.2.3内销产品应有合格证,合格证应注明:a.
制造厂名;
制造日期;
检验员代号。
包装箱上应注明:
产品名称及规格;
产品等级;
制造厂名:
生产批号或日期;
怕湿标志;
数量;
毛重或净重,kg;
体积(长×宽×高),cm。
运输时应严禁抛掷、雨淋、受潮。贮存www.bzxz.net
产品应存放在通风、干燥、相对湿度不大于80%的仓库中,产品应距地面150mm以上。在周围无酸、碱或其他腐蚀性气体的情况下,产品从出厂日期起防锈期应为一年。附加说明:
本标准由轻工业部质量标准司提出。本标准由全国日用五金标准化中心归口。本标准由温州矛牌剪刀厂、北京钢刀王工厂、杭州张小泉剪刀厂负责起草,本标准主要起草人缪芃、徐志鸣、任国华、张红、崔月禄、周赵凤、裘德鑫。本标准参照采用原联邦德国工业标准DIN32609—1976《袖珍剪刀》。329
小提示:此标准内容仅展示完整标准里的部分截取内容,若需要完整标准请到上方自行免费下载完整标准文档。

标准图片预览:




- 其它标准
- 上一篇: QB 1232-1991 软质聚氨脂泡沫塑料复合材料
- 下一篇: QB/T 1236-1991 电磁灶
- 热门标准
- 轻工行业标准(QB)
- QB/T2485-2000 香皂
- QB/T5396-2019 水晶自动研磨机
- QB/T2686-2005 马铃薯片
- QB/T1975—2004 护发素
- QB/T2894-2007 丙烯腈-丁二烯-苯乙烯(ABS)色母料
- QB/T2896-2007 纸和纸板湿拉毛和湿排 斥的测定
- QB/T5287一2018 口腔清洁护理用品牙膏用美洲大蠊提取物
- QB/T5201-2017 冰衬疫苗保存箱
- QB/T2961-2017 美工刀
- QB/T4428-2012 电动自行车用锂离子电池产品规格尺寸
- QB/T5281-2018 数显花洒
- QB/T5033-2017 藤椅
- QB/T4328-2012 电子鼓用音箱通用技术条件
- QB/T2601-2013 体育场馆公共座椅
- QB/T5087一2017 箱包用皮革
- 行业新闻
请牢记:“bzxz.net”即是“标准下载”四个汉字汉语拼音首字母与国际顶级域名“.net”的组合。 ©2009 标准下载网 www.bzxz.net 本站邮件:bzxznet@163.com
网站备案号:湘ICP备2023016450号-1
网站备案号:湘ICP备2023016450号-1