- 您的位置:
- 标准下载网 >>
- 标准分类 >>
- 国家标准(GB) >>
- GB/T 16666-1996 泵类及液体输送系统节能监测方法
标准号:
GB/T 16666-1996
标准名称:
泵类及液体输送系统节能监测方法
标准类别:
国家标准(GB)
标准状态:
现行-
发布日期:
1996-01-02 -
实施日期:
1997-07-01 出版语种:
简体中文下载格式:
.rar.pdf下载大小:
119.20 KB
点击下载
标准简介:
标准下载解压密码:www.bzxz.net
本标准规定了泵类及液体输送系统能源利用状况的监测内容、监测方法和合格指标。本标准适用于5kW及以上电动机拖动的离心泵及其液体输送系统的节能监测。 GB/T 16666-1996 泵类及液体输送系统节能监测方法 GB/T16666-1996
部分标准内容:
ICS.27.010
中华人民共和国国家标准
GB/T16666-1996
泵类及液体输送系统
节能监测方法
Monitoring and testing method for energysaving of motor-pump liquid transport system1996-12-19发布
1997-07-01实施
国家技术监督局
中华人民共和国国家标准
泵类及液体输送系统
节能监测方法
Monitoring and testing method for energysaving of motor-pump liquid transport system1主题内容与适用范围
GB/T16666-1996
本标准规定了泵类及液体输送系统能源利用状况的监测内容、监测方法和合格指标。本标准适用于5kW及以上电动机拖动的离心泵及其液体输送系统的节能监测。2引用标准
GB/T3216离心泵、混流泵、轴流泵和旋涡泵试验方法GB/T3485评价企业合理用电技术导则GB/T12497三相异步电动机经济运行GB/T13468泵类系统电能平衡测试与计算方法GB/T15316节能监测技术通则
3泵类及液体输送系统节能监测项目3.1监测检查项目
3.1.1泵及电动机不得使用国家规定的淘汰产品;3.1.2功率为50kW及以上的电动机应配备电流表、电压表和电度表。功率为100kW及以上的电动机应采取就地无功补偿等节电措施。泵机组与管网匹配,运行正常,管网布置合理,无明显泄漏。3.2监测测试项目
3.2.1电动机负载率。
3.2.2泵类及效率。
3.2.3泵类及液体输送系统效率。4泵类及液体输送系统节能监测方法4.1泵类及液体输送系统节能监测应在正常生产实际运行工况下进行。4.2监测所用的仪器仪表应能满足监测项目的要求,仪器、仪表必须完好,在检定周期内并满足以下准确度要求:
交流功率表准确度不应低于1.5级;a.
b.(高压电机时)电度表准确度不应低于2.0级:流量仪表准确度不应低于2.5级;c
d.压力仪表准确度不应低于2.5级。4.3监测时间不少于30min,每隔10min记录一组数据,取算术平均值。国家技术监督局1996-12-19批准1997-07-01实施
4.4电动机负载率。
4.4.1电动机输入功率;
GB/T16666—1996wwW.bzxz.Net
当电动机电源为低压时,采用功率法直接测量a.
b.当电动机电源电压为高压时,电机输入功率可利用电动机控制柜上的电度表配合秒表进行测量,并用式(1)计算:
PRr=KerKr
式中:Kcr
电流互感器的变比:
电压互感器的变比;
一测量期内电度表铝盘所转的圈数,I一电能表转n圈所用的时间,s
g—电能表常数,r/(kW.h)。
4.4.2电动机负载率的测试计算按GB12497的有关规定进行。4.5泵类效率
泵类效率按式(2)计算:
式中:-
一泵类效率,%;
泵输出功率,kW,按式(3)计算;P.
P。= pgHQ × 10-3
式中:e-
一液体密度,kg/m2,
重力加速度,为9.81m/s;
一泵的总扬程,m,按式(4)计算;一泵实际排量,m/s。
P=P+z.-2+Vi=V
式中:P2、P—泵出、进口压力,Pa;pg
Z.—Z-——泵出、进口压力表高度差,m;Vi.V
泵进、出口处液体流速,m/s。
(3)
(4)
当泵的出、进口压力表高度差(Z一Z,)和动能差((V一V)/2g)可以忽略的情况下允许按式(5)计算泵输出功率:
P.=(P,-P)×Q×10-3
4.6泵类及液体输送系统效率
泵类及液体输送系统效率按式(6)计算:Tys=X×100
式中:Nen
式中:Hi
式中:Ps-
泵类及液体输送系统效率,%;
·(5)
(6)
指用于液体输送有效利用功率与泵类及输出功率比值的百分数,%,按式(6)计算:7. = Pg(H - H,)Q × 10-
调节阀引起的扬程损失,m,按式(8)计算:Pp+z -z,+V-V
一调节阀出口后的压力,Pa
(7)
(8)
GB/T16666—1996
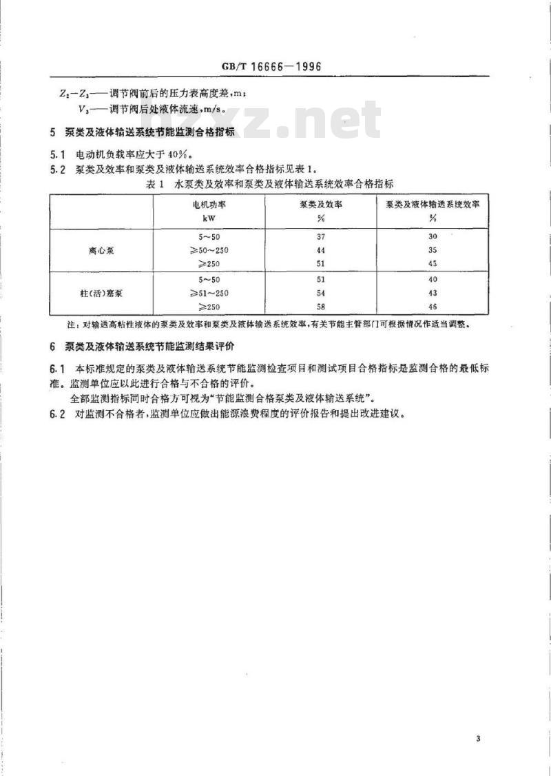
Z,一Z,—一调节阀前后的压力表高度差,mV—调节阀后处液体流速,m/s。5泵类及液体输送系统节能监测合格指标5.1电动机负载率应大于40%。
5.2泵类及效率和泵类及液体输送系统效率合格指标见表1。表1水泵类及效率和泵类及液体输送系统效率合格指标电机功率
离心泵
柱(活)塞泵
≥50~250
≥250
≥51~250
≥250
泵类及效率
泵类及液体输送系统效率
注:对输送高粘性液体的泵类及效率和泵类及液体输送系统效率,有关节能主管部门可根据情况作适当调整。6泵类及液体输送系统节能监测结果评价6.1本标准规定的泵类及液体输送系统节能监测检查项目和测试项目合格指标是监测合格的最低标准。监测单位应以此进行合格与不合格的评价。全部监测指标同时合格方可视为“节能监测合格泵类及液体输送系统”。6.2对监测不合格者,监测单位应做出能源浪费程度的评价报告和提出改进建议。被监测单位
泵型号
电机型号
监测结果
监测项目
GB/T16666-1996
附录A
泵类及液体输送系统节能监测报告(补充件)
监测通知号
监测日期
监测依据
监测数据
电动机负载率
泵类及效率
泵类及液体输送系统效率
评价结论、处理意见及建议:
监测负责人:
审核人:
技术负责人:
附加说明:
(签字)
(签字)
(签字)
本标准由国家经贸委资源节约综合利用司、国家技术监督局标准化司提出。年月日
编号:
合格指标
监测单位:(盖章)
年月日
本标准由全国能源基础与管理标准化技术委员会能源管理分技术委员会技术归口。本标准由中国石油天然气总公司油田节能监测中心负责起草。本标准主要起草人于忠民、李卫东、宁英男、闫长伟、李敬杰等。中华人民共和国
国家标准
泵类及液体输送系统
监测方法
GB/T16666--1996
中国标准出版社出版
北京复兴门外三里河北街16号
邮政编码:100045
话:68522112
中国标准出版社秦皇岛印刷厂印刷新华书店北京发行所发行各地新华书店经售版权专有不得翻印
开本880×12301/16
印张1/2字数8千字
1997年5月第一版1997年5月第一次印刷印数1-1000
书号:155066·1-13804
标目311-52
小提示:此标准内容仅展示完整标准里的部分截取内容,若需要完整标准请到上方自行免费下载完整标准文档。
中华人民共和国国家标准
GB/T16666-1996
泵类及液体输送系统
节能监测方法
Monitoring and testing method for energysaving of motor-pump liquid transport system1996-12-19发布
1997-07-01实施
国家技术监督局
中华人民共和国国家标准
泵类及液体输送系统
节能监测方法
Monitoring and testing method for energysaving of motor-pump liquid transport system1主题内容与适用范围
GB/T16666-1996
本标准规定了泵类及液体输送系统能源利用状况的监测内容、监测方法和合格指标。本标准适用于5kW及以上电动机拖动的离心泵及其液体输送系统的节能监测。2引用标准
GB/T3216离心泵、混流泵、轴流泵和旋涡泵试验方法GB/T3485评价企业合理用电技术导则GB/T12497三相异步电动机经济运行GB/T13468泵类系统电能平衡测试与计算方法GB/T15316节能监测技术通则
3泵类及液体输送系统节能监测项目3.1监测检查项目
3.1.1泵及电动机不得使用国家规定的淘汰产品;3.1.2功率为50kW及以上的电动机应配备电流表、电压表和电度表。功率为100kW及以上的电动机应采取就地无功补偿等节电措施。泵机组与管网匹配,运行正常,管网布置合理,无明显泄漏。3.2监测测试项目
3.2.1电动机负载率。
3.2.2泵类及效率。
3.2.3泵类及液体输送系统效率。4泵类及液体输送系统节能监测方法4.1泵类及液体输送系统节能监测应在正常生产实际运行工况下进行。4.2监测所用的仪器仪表应能满足监测项目的要求,仪器、仪表必须完好,在检定周期内并满足以下准确度要求:
交流功率表准确度不应低于1.5级;a.
b.(高压电机时)电度表准确度不应低于2.0级:流量仪表准确度不应低于2.5级;c
d.压力仪表准确度不应低于2.5级。4.3监测时间不少于30min,每隔10min记录一组数据,取算术平均值。国家技术监督局1996-12-19批准1997-07-01实施
4.4电动机负载率。
4.4.1电动机输入功率;
GB/T16666—1996wwW.bzxz.Net
当电动机电源为低压时,采用功率法直接测量a.
b.当电动机电源电压为高压时,电机输入功率可利用电动机控制柜上的电度表配合秒表进行测量,并用式(1)计算:
PRr=KerKr
式中:Kcr
电流互感器的变比:
电压互感器的变比;
一测量期内电度表铝盘所转的圈数,I一电能表转n圈所用的时间,s
g—电能表常数,r/(kW.h)。
4.4.2电动机负载率的测试计算按GB12497的有关规定进行。4.5泵类效率
泵类效率按式(2)计算:
式中:-
一泵类效率,%;
泵输出功率,kW,按式(3)计算;P.
P。= pgHQ × 10-3
式中:e-
一液体密度,kg/m2,
重力加速度,为9.81m/s;
一泵的总扬程,m,按式(4)计算;一泵实际排量,m/s。
P=P+z.-2+Vi=V
式中:P2、P—泵出、进口压力,Pa;pg
Z.—Z-——泵出、进口压力表高度差,m;Vi.V
泵进、出口处液体流速,m/s。
(3)
(4)
当泵的出、进口压力表高度差(Z一Z,)和动能差((V一V)/2g)可以忽略的情况下允许按式(5)计算泵输出功率:
P.=(P,-P)×Q×10-3
4.6泵类及液体输送系统效率
泵类及液体输送系统效率按式(6)计算:Tys=X×100
式中:Nen
式中:Hi
式中:Ps-
泵类及液体输送系统效率,%;
·(5)
(6)
指用于液体输送有效利用功率与泵类及输出功率比值的百分数,%,按式(6)计算:7. = Pg(H - H,)Q × 10-
调节阀引起的扬程损失,m,按式(8)计算:Pp+z -z,+V-V
一调节阀出口后的压力,Pa
(7)
(8)
GB/T16666—1996
Z,一Z,—一调节阀前后的压力表高度差,mV—调节阀后处液体流速,m/s。5泵类及液体输送系统节能监测合格指标5.1电动机负载率应大于40%。
5.2泵类及效率和泵类及液体输送系统效率合格指标见表1。表1水泵类及效率和泵类及液体输送系统效率合格指标电机功率
离心泵
柱(活)塞泵
≥50~250
≥250
≥51~250
≥250
泵类及效率
泵类及液体输送系统效率
注:对输送高粘性液体的泵类及效率和泵类及液体输送系统效率,有关节能主管部门可根据情况作适当调整。6泵类及液体输送系统节能监测结果评价6.1本标准规定的泵类及液体输送系统节能监测检查项目和测试项目合格指标是监测合格的最低标准。监测单位应以此进行合格与不合格的评价。全部监测指标同时合格方可视为“节能监测合格泵类及液体输送系统”。6.2对监测不合格者,监测单位应做出能源浪费程度的评价报告和提出改进建议。被监测单位
泵型号
电机型号
监测结果
监测项目
GB/T16666-1996
附录A
泵类及液体输送系统节能监测报告(补充件)
监测通知号
监测日期
监测依据
监测数据
电动机负载率
泵类及效率
泵类及液体输送系统效率
评价结论、处理意见及建议:
监测负责人:
审核人:
技术负责人:
附加说明:
(签字)
(签字)
(签字)
本标准由国家经贸委资源节约综合利用司、国家技术监督局标准化司提出。年月日
编号:
合格指标
监测单位:(盖章)
年月日
本标准由全国能源基础与管理标准化技术委员会能源管理分技术委员会技术归口。本标准由中国石油天然气总公司油田节能监测中心负责起草。本标准主要起草人于忠民、李卫东、宁英男、闫长伟、李敬杰等。中华人民共和国
国家标准
泵类及液体输送系统
监测方法
GB/T16666--1996
中国标准出版社出版
北京复兴门外三里河北街16号
邮政编码:100045
话:68522112
中国标准出版社秦皇岛印刷厂印刷新华书店北京发行所发行各地新华书店经售版权专有不得翻印
开本880×12301/16
印张1/2字数8千字
1997年5月第一版1997年5月第一次印刷印数1-1000
书号:155066·1-13804
标目311-52
小提示:此标准内容仅展示完整标准里的部分截取内容,若需要完整标准请到上方自行免费下载完整标准文档。
标准图片预览:





- 其它标准
- 热门标准
- 国家标准(GB)
- GB15193.5-2003 骨髓细胞微核试验
- GB/T29633.4-2020 南极地名 第4部分:罗马字母拼写
- GB29140-2024 纯碱单位产品能源消耗限额
- GB/T42970-2023 半导体集成电路 视频编解码电路测试方法
- GB/T43225-2023 空间物体登记要求
- GB/T4074.3-1999 绕组线试验方法 第3部分:机械性能
- GB15985-1995 丝虫病诊断标准及处理原则
- GB19159-2003 车用液化石油气
- GB/T5515-1985 粮食、油料检验 粗纤维素测定法
- GB/T7407-1997 中国及世界主要海运贸易港口代码
- GB/T9718-1988 信息处理 互换计测磁带用8mm中心孔通用带盘
- GB/T10599-1998 多绳摩擦式提升机
- GB1913.2-1990 漂白浸渍绝缘纸
- GB14287.4-2014 电气火灾监控系统 第4部分:故障电弧探测器
- GB5237.3-2008 铝合金建筑型材 第3部分:电泳涂漆型材
- 行业新闻
请牢记:“bzxz.net”即是“标准下载”四个汉字汉语拼音首字母与国际顶级域名“.net”的组合。 ©2025 标准下载网 www.bzxz.net 本站邮件:bzxznet@163.com
网站备案号:湘ICP备2025141790号-2
网站备案号:湘ICP备2025141790号-2