- 您的位置:
- 标准下载网 >>
- 标准分类 >>
- 机械行业标准(JB) >>
- JB/T 4088-1999 日用管状电热元件
标准号:
JB/T 4088-1999
标准名称:
日用管状电热元件
标准类别:
机械行业标准(JB)
标准状态:
现行-
发布日期:
1999-08-06 -
实施日期:
2000-01-01 出版语种:
简体中文下载格式:
.rar.pdf下载大小:
331.71 KB
替代情况:
JB 4088-1985
点击下载
标准简介:
标准下载解压密码:www.bzxz.net
本标准规定了日用管状电热元件(以下简称“元件”)的定义、产品分类、技术要求、试验方法、检验规则及标志、包装、贮存。本标准适用于安装在日用电器中的、其工作电压不超过440V ,额定功率不超过4000W 的元件。本标准不适用于真空中或绝对压力超过1M Pa大气压及易燃易爆场合下工作的元件。 JB/T 4088-1999 日用管状电热元件 JB/T4088-1999
部分标准内容:
JB/T4088-1999
本标准是对JB4088一85《日用管状电热元件》进行的修订。本标准与JB4088-85的主要不同是:1按GB/T1.1-1993和GB/T1.3—1997的规定,对JB4088—85进行了格式调整:2删去原标准规定的额定功率、引出棒外露长度和元件展开长度的优选值:3把元件的最高表面负荷“规定值”修改为“推荐使用值”;4电气强度要求等同GB4706.1--92进行修改,并规定电气强度试验设备的动作电流为5mA;5完善试验方法。
本标准的附录 A 为提示的附录。本标准自实施之日起代替JB4088-85。本标准由广州电器科学研究所提出并归口。本标准起草单位:广州电器科学研究所、上海环球日用电器实业公司、北京电热器厂、海尔集团江苏百乐电热电器有限公司、广东顺华电热管电器厂、镇江市东方制冷空调设备配件广。本标准主要起草人:徐艳容、汤培砚、孟宪鹏、孙琦、侯德隆、林祥锐、谭金虎。本标准于1985年8月首次发布。
本标准委托广州电器科学研究所负责解释。26
1范围
中华人民共和国机械行业标准
日用管状电热元件
Daily-use metallic tube electric heating elementsJB/T4088—1999
代替JB4088-85
本标准规定了日用管状电热元件(以下简称“元件”)的定义、产品分类、技术要求、试验方法、检验规则及标志、包装、贮存。本标准适用于安装在日用电器中的、其工作电压不超过440V、额定功率不超过4000W的元件。本标准不适用于真空中或绝对压力超过1MPa大气压及易燃易爆场合下工作的元件。2引用标准
下列标准所包含的条文,通过在本标准中引用而构成为本标准的条文。在标准出版时,所示版本均为有效。所有标准都会被修订,使用本标准的各方应探讨使用下列标准最新版本的可能性。GB/T 1804-1992
般公差线性尺寸的未注公差
GB/T 2423.3-1993
GB 4706.1---1992
GB 4706.12—1995
3定义
本标准采用下列定义
电工电子产品基本环境试验规程试验Ca:恒定湿热试验方法家用和类似用途电器的安全通用要求家用和类似用途电器的安全贮水式电热水器的特殊要求3.1管状电热元件Metallic tube electric heating element以金属管为外壳、合金电热丝作发热体、在一端或二端具有引出棒、在金属管内填装密实的氧化镁粉末绝缘介质以固定发热体的元件。3.2发热体Heaten
是一种合金电热丝,元件的发热源。3.3 引出棒 Lead-out rod
是导电的金属零件且与发热体有良好的连接,供元件与电源连接用。3.4展开长度Unfolding length
元件金属管的直线与弯曲部分长度的总和。3.5发热长度Heatinglength
元件图样上安装发热体部分的长度。3.6发热表面Heating surface
发热长度上金属管表面。
3.7表面负荷Surfaceload
发热表面上单位面积的功率,单位W/cm。国家机械工业局1999-08-06 批准2000-01-01 实施
JB/F 4088 -1999
3.8充分放热条件Conditions of adequate heat discharge元件在正常使用条件下的工作状态。3.9工作温度Working temperature在额定输人功率月在充分放热条件下,发热表面的平均温度。3.10模拟条件Simulationcondition在本标准各章条的状态下,采取一些措施,使元件发热表面的平均温度值与工作温度基本相符的工作条件。
3.11损坏Damage
元件有下列情况之一即被认为损坏:a)元件电气强度低于允许值;
b)元件泄漏电流大于3.5mA;
c)元件外壳有火焰发射及熔融物或其它不允许修复的损坏。3.12工作寿命Life
元件在充分放热条件下工作至损坏的累计工作时间。4产品分类
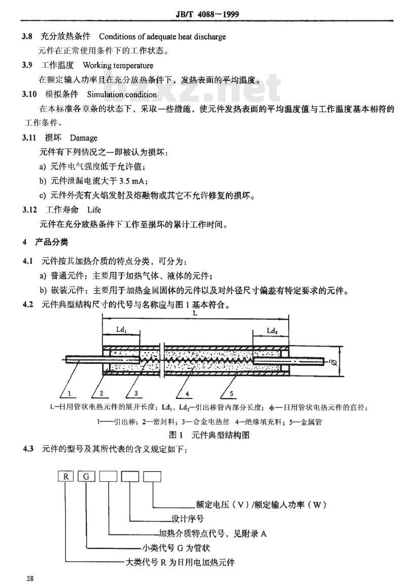
4.1元件按其加热介质的特点分类,可分为:a)普通元件:主要用于加热气体、液体的元件:b)嵌装元件:主要用于加热金属固体的元件以及对外径尺寸偏差有特定要求的元件。4.2元件典型结构尺寸的代号与名称应与图1基本符合。Ld,
L-日用管状电热元件的展开长度;Ld,、Ld2一引出棒管内部分长度;中一日用管状电热元件的直径;-引出棒;2-密封料;3-合金电热丝4-绝缘填充料;5—金属管图1元件典型结构图
4.3元件的型号及其所代表的含义规定如下;RG
额定电压(V)/额定输人功率(W)设计序号
加热介质特点代号,见附录A
小类代号G为管状
大类代号R为日用电加热元件
型号示例:
JB/T 4088-1999
RGM220/750嵌装在铝合金内的日用管状电热元件,电压为220V,额定功率为750W,第一次设计(省略)
4.4主要参数
元件的主要参数如下:
a)电源电压,V;
b)电源频率,Hz;
c)额定电压,V;
d)额定功率,kW;
e)工作温度,℃;
f)外径,mm;
g)展开长度,mm;
h)外形尺寸,mm;
i)重量,kg;
j)加热介质。
5技术要求
5.1基本要求
5.1.1元件应符合本标准要求,并按照规定程序批准的图样和技术文件制造。5.1.2元件应在下列条件下能正常工作:a)周围环境温度:-25~+50℃。b)周围空气相对湿度不大于90%(温度为25℃时);C)周围环境无易燃、易爆、腐蚀性气体和导电粉尘;d)没有明显的冲击与振动。
5.2安全卫生要求
5.2.1额定功率偏差
在充分放热条件下,元件的额定输人功率偏差应不大于表1的要求:裴1
额定输入功率W
>25~200
5.2.2泄漏电流
+5%或20W(以较大者为准)
工作温度下的泄漏电流,水压试验,密封试验后的泄漏电流均不应超过0.5mA。5.2.3电气强度
元件的绝缘应能承受1min的50Hz基本正弦波电压的试验,试验期间,不应有闪络击穿发生。试验电压为:
-工作温度下:1000V;
一潮态条件下:1250V。
5.2.4过载能力
JB/T 4088-1999
元件在规定的条件下,应能承受30次循环过载试验而不发生损坏。一对于额定输人功率不超过100W的元件,过载试验的输人功率为额定值的1.33倍。一对于额定输人功率超过100W的元件,过载试验的输人功率为额定值的1.27倍或1.21倍加12W,两者中选取较大者。
5.2.5与食品和饮食用具接触的元件的外壳或涂层必须符合国家卫生标准的要求。5.3性能要求
5.3.1外观
5.3.1.1不得有显著的机械伤痕或者局部膨胀。5.3.1.2弯曲处不得有皱纹、凹凸等现象。5.3.1.3漆层、电镀层、金属或非金属的喷镀层或渗铝层应均匀牢靠,不应有气泡、剥落或局部堆积现象。
5.3.2一般结构
5.3.2.1元件金属管常用材料的极限工作温度如表2所示。表2
材料及其牌号
铝合金
不锈钢1Cr18Ni9Ti
镍基合金钢 Incoloy800
5.3.2.2元件外壳壁厚尺寸及其它。极限温度
a)外壳为普通钢材或机械性能优于普通钢材的其它合金材料的,其壁厚应不小于0.35mm;b)外壳为铜和铜合金等材料时必须具有相应的机械强度,使其能适应恶劣的工作环境。5.3.2.3用于侵蚀性介质的元件,必须用耐腐蚀的金属管或有保护层。保证元件的工作寿命。5.3.2.4元件的内部结构
a)元件的弯曲形状必须保证引出棒的内端处在管子直线部分,且与弯曲起点的距离应不小于10mm:
b)元件中电位差大于40V的两载流部分之间,以及载流部分与外壳之间的绝缘填充物的厚度应不小于1 mm;
c)元件中电位差大于40V的两载流部分之间,以及载流部分与外壳之间的间隙应不小于1mm外露引出棒与外壳之间的距离应不小于1mm。5.3.2.5元件中引出棒管内部分长度应不少于表3所允许的值。30
引出棒外径
5.3.2.6元件(包括端部)必须是密封的。JB/T 4088-1999
管外径
注:若有协议,端部可采用临时的密封措施或不密封。且密封性能不作考核。5.3.2.7元件的外径尺寸偏差应不超过表4规定表4
普通型
嵌装型
管外径
5.3.2.8弯曲成型后的元件的安装尺寸及一些需要考核的几何尺寸偏差,按GB/T1804的JS18来检验,其余不作考核。
5.3.3发热体均匀性
元件发热体应是均匀的,沿管子轴线方向单位长度的电热丝圈数偏差应不大于15%。注:对发热体有特殊要求者须另作考核。5.3.4工作寿命
元件的工作寿命应不小于3000h。5.3.5制造
5.3.5.1凡焊有法兰或紧固装置并用于加热液体的、接头安装在液面以下的元件,应能承受1.2MPa或0.3MPa历时5min的静水压力试验,无渗漏现象。分别打上永久性的0.6MPa或H,0.1MPa或P的标志。
5.3.5.2出棒应能承受拉力为该零件抗拉力的70%,但不大于1000N、历时3min的拉力试验,不应发生位移和断裂现象。
6试验方法
6.1试验般要求
6.1.1元件的通电试验应在下列条件下进行:a)环境温度为20±5℃,无风无强烈热辐射,相对湿度不大于85%;b)电源电压偏差不超过±1%;
c)元件装在电器内或在模拟条件下进行6.1.2试验用仪器仪表:
JB/T 4088--1999
a)用于型式检验的电工测量仪表,其精度应不低于0.5级,用于出厂检验的,应不低于1.0级;b)测量温度的仪表,其允许误差在±1%;c)测量时间的仪表,其精度在0.1s内;d)测量长度的量具,其允许误差为被测长度的±0.5%以内。6.2额定功率的测量
使元件在额定电压及充分放热条件下工作,当输人功率稳定后,测量输入功率,应符合5.2.1的要求。
6.3泄漏电流的测量
6.3.1工作温度下的泄漏电流测量元件在充分放热条件下工作,试验电压应调整到使输人功率等于最大额定输人功率的1.15倍,在元件达到工作温度后,测量泄漏电流,测量方法见GB4706.1一1992中13.2。测得结果应符合5.2.2的要求。
6.3.2密封试验、水压试验后的泄漏电流测量试验应在元件不连接电源,并做完密封试验或水压试验后进行。试验电压为额定电压的1.06倍,在施加试验电压后5s之内测量泄漏电流,测量方法见GB4706.11992中13.2。测得结果应符合5.2.2的要求。6.4电气强度试验
6.4.1工作温度下的电气强度试验试验在6.3.1的试验后立即按GB4706.1-1992中13.3的规定进行,电气强度试验设备的整定电流为5mA,试验电压为1000V,应符合5.2.3的要求。6.4.2密封试验、水压试验后的电气强度试验试验在6.3.2的试验后立即按GB4706.1一1992中16.4的规定进行,电气强度试验设备的整定电流为5mA。试验电压为1250V。应符合5.2.3的要求。6.5过载能力试验
使元件接入电源,调节电压使输人功率达到规定值,元件在充分放热条件下通电1h,然后断电冷却0.5h至室温(允许强迫冷却)。通、断电循环30次,应符合5.2.4的要求。6.6密封试验
6.6.1元件外壳密封试验
把元件浸在酸化水中(在水中加2%~3%的盐酸、硫酸或硝酸)3h,并使元件的两个端面至少露出液面5mm(若进行6.9的水压试验,可不做本项试验)。6.6.2元件端部密封试验
在6.6.1试验后,立即按GB/T2423.3规定的程序和试验条件,使元件对地绝缘,在试验箱(室)内进行48h的恒定湿热试验。然后立即进行6.3.2和6.4.2的试验。6.7发热体均匀性、管内引出棒长度和管内结构的测量用X光机显示测量,方法如下:
根据元件的设计图样,在引出棒与发热体连接处紧靠管子放置100mm长的铅条,中间每隔200mm放置一条50mm长的铅条,至少不得少于一条。32
JB/T 4088 -1999
试验时以铅条的长度为基准,铅条的长度偏差应不超过±0.5 mm,允许在元件压缩定长后弯曲前进行测量。
铅条放置简图(图2)如下所示。·L'd
L'd,-20 50
100mm长的铅条
50mm长的铅条
50-/L\dz20
L\d,,L\d2—引出棒管内部分的设计长度;L'dj,L'd2—引出棒管内~端与100mm长铅条外端沿中心线的重叠投影长度;Ld,Ld2——实测的引出棒管内部分长度图2
a)发热体均匀性(电热丝圈数偏差)的测量计算:在X光片上,数记50mm铅条长度上的电热丝圈数,然后按下式计算:A=max:(1 ii-, 2, ..K
式中:△——单位长度电热丝圈偏差;n第i条50mm长铅条长度上的电热丝圈数;K—-50mm长铅条总数,包括自两端引出棒起的50mm长的各—段(见图2);n由测量结果计算出来的50mm长度上的电热丝圈数平均值。注:当X光机能够全部显示元件时,可按显示的实际尺寸乘上比例系数计算之。测量计算结果应符合5.3.4的要求。b)管内引出棒长度的测量、计算:在X光片上测量L'd、L'd,然后按下列式子计算:Ld,=(L\d, - 20)+ L'd, :
Ld=(L\dz - 20) +L'dz
测量计算结果符合5.3.2.5的要求。C)在X光片上用量具测量元件的内部结构尺寸,结果应符合5.3.2.4的要求。6.8水压试验
按GB4706.12一1995中22.101所规定的方法进行水压试验,然后立即进行6.3.2和6.4.2的试验应符合5.3.5.1的要求。
6.9拉力试验
在符合国家计量要求的拉力试验机上进行拉力试验,历时3min。然后进行检验,应符合5.3.5.2的要求。
6.10工作寿命试验
JB/T4088—1999
将元件接上额定电压,在充分放热条件下通电1h,冷却0.5h到室温(允许采用强迫冷却),累计工作时间达3000h,应符合5.3.4的要求。7检验规则
7.1检验分类
检验分为出厂检验和型式检验。7.2出厂检验
凡提出交货的产品,均须按规定的出厂检验项目进行试验。每个产品由企业质检管理部门检验合格。并附有产品合格证或在产品上有厂方规定的合格标志方能出厂。出厂检验项目、要求和方法如表5。表5
标志检查
外观检查
检验项目
功率偏差测量
水压试验
工作温度下电气强度试验
工作温度下泄漏电流
型式检验
型式检验在下列情况之一者进行:a)试制的新产品;
b)设计和工艺或材料有重大改变时;c)停产年以上,再恢复生产;
技术要求
d)对连续批生产的产品,至少一年进行一次。其中寿命试验二年进行一次。型式检验的样品应在经过出厂检验且经包装后的产品中随机抽取。7.3.2
型式检验的产品分二组,每组三件7.3.3
第一组型式检验的项目、要求和方法如表6:表6
标志检查
试验项目
结构要求检验
外观检验
发热体均勾性引出棒管内长度及元件内部结构测量
水压试验
密封性能试验
技术要求
5.3.2.1~5.3.2.3
5.3.2.7~5.3.2.8免费标准bzxz.net
5.3.4、5.3.2.5
验方法
试验方法
试验项目
功率偏差测量
工作温度下的泄漏电流测量
工作温度下的电气强度试验
过载试验
引出棒承受拉力试验
JB/T 4088 --1999
表6(完)
技术要求
试验方法
第二组型式检验项目是寿命试验,按本标准6.11的方法进行,应符合5.3.4的要求。7.3.4
经型式检验后的产品不得作为成品交货。7.3.5型式检验判定
7.3.5.1在表7第1,5,6,8,9,10项检验项目中,只要出现一项不合格,则判该型式检验不合格。7.3.5.2在表7的其它检验项目中,如果有一个以上试样不合格,则判型式检验不合格;如果只有一个试样不合格,则可以从该批产品中抽取加倍数量的试样重复该项试验,重复试验的试样均应合格,只要有一个试样不合格,则判该型式检验不合格。7.4其它
订货方有权检查产品是否符合本标准要求,交收时按出厂检验项目验收,若对产品质量有疑问时,有权要求增加检验项目。若检验合格则连同试样一起交货。8标志、包装、运输、贮存
8.1标志
8.1.1元件上必须有永久性的标志。标志的内容应包括:a)制造厂名或代号或商标;
b)产品型号;
c)出厂年月。
8.1.2凡焊有法兰或紧固装置并用于加热液体的、接头安装在液面以下的元件,必须有承受水压力的标志。
8.1.3包装箱外应有耐久明显的标志。其内容应包括:a)制造厂名称;
b)产品名称及型号;
c)元件的数量:
d)净重、毛重;
e)采用的标准编号;
f)箱子尺寸(长×宽×高);
g)装箱编号;
h)轻放、防晒、防雨、防潮;
i)出厂年月。
8.2包装
JB/T4088--1999
8.2.1元件应装在有合适衬垫的包装箱内,箱内必须有合格证、装箱数量、使用说明书若干份。8.2.2元件的外壳是10号钢或类似材料而又未经电镀喷漆等处理的应在外壳上涂上防锈油。8.3运输
元件在运输过程中应避免受到冲击振动及雨雪直接淋袭。元件应存放在空气流通、无腐蚀性气体并且不会受到雨、雪侵袭的仓库中。8.4
表面负荷
JB/T 4088—1999
附录A
(提示的附录)
元件在常用介质中允许的最高表面负荷推荐使用值元件外壳材料
铅合金
不锈钢ICr18Ni9Ti
铜 T4、钢10
不锈钢1Cr18Ni9Ti
不锈钢 1Cr18Ni9Ti
镍基合金钢Incoloy800
不锈钢 1Cr18Ni9Ti
镍基合金钢Incoloy800
不锈钢1Cr18Ni9Ti
加热介质、加热特点及代号
水、弱酸、弱碱溶液的煮沸
食物油
静止空气Q
流速不小于6 m/s
空气L
元件被浇铸、嵌装、压制在铝、铜、钢等材料中M
小提示:此标准内容仅展示完整标准里的部分截取内容,若需要完整标准请到上方自行免费下载完整标准文档。
本标准是对JB4088一85《日用管状电热元件》进行的修订。本标准与JB4088-85的主要不同是:1按GB/T1.1-1993和GB/T1.3—1997的规定,对JB4088—85进行了格式调整:2删去原标准规定的额定功率、引出棒外露长度和元件展开长度的优选值:3把元件的最高表面负荷“规定值”修改为“推荐使用值”;4电气强度要求等同GB4706.1--92进行修改,并规定电气强度试验设备的动作电流为5mA;5完善试验方法。
本标准的附录 A 为提示的附录。本标准自实施之日起代替JB4088-85。本标准由广州电器科学研究所提出并归口。本标准起草单位:广州电器科学研究所、上海环球日用电器实业公司、北京电热器厂、海尔集团江苏百乐电热电器有限公司、广东顺华电热管电器厂、镇江市东方制冷空调设备配件广。本标准主要起草人:徐艳容、汤培砚、孟宪鹏、孙琦、侯德隆、林祥锐、谭金虎。本标准于1985年8月首次发布。
本标准委托广州电器科学研究所负责解释。26
1范围
中华人民共和国机械行业标准
日用管状电热元件
Daily-use metallic tube electric heating elementsJB/T4088—1999
代替JB4088-85
本标准规定了日用管状电热元件(以下简称“元件”)的定义、产品分类、技术要求、试验方法、检验规则及标志、包装、贮存。本标准适用于安装在日用电器中的、其工作电压不超过440V、额定功率不超过4000W的元件。本标准不适用于真空中或绝对压力超过1MPa大气压及易燃易爆场合下工作的元件。2引用标准
下列标准所包含的条文,通过在本标准中引用而构成为本标准的条文。在标准出版时,所示版本均为有效。所有标准都会被修订,使用本标准的各方应探讨使用下列标准最新版本的可能性。GB/T 1804-1992
般公差线性尺寸的未注公差
GB/T 2423.3-1993
GB 4706.1---1992
GB 4706.12—1995
3定义
本标准采用下列定义
电工电子产品基本环境试验规程试验Ca:恒定湿热试验方法家用和类似用途电器的安全通用要求家用和类似用途电器的安全贮水式电热水器的特殊要求3.1管状电热元件Metallic tube electric heating element以金属管为外壳、合金电热丝作发热体、在一端或二端具有引出棒、在金属管内填装密实的氧化镁粉末绝缘介质以固定发热体的元件。3.2发热体Heaten
是一种合金电热丝,元件的发热源。3.3 引出棒 Lead-out rod
是导电的金属零件且与发热体有良好的连接,供元件与电源连接用。3.4展开长度Unfolding length
元件金属管的直线与弯曲部分长度的总和。3.5发热长度Heatinglength
元件图样上安装发热体部分的长度。3.6发热表面Heating surface
发热长度上金属管表面。
3.7表面负荷Surfaceload
发热表面上单位面积的功率,单位W/cm。国家机械工业局1999-08-06 批准2000-01-01 实施
JB/F 4088 -1999
3.8充分放热条件Conditions of adequate heat discharge元件在正常使用条件下的工作状态。3.9工作温度Working temperature在额定输人功率月在充分放热条件下,发热表面的平均温度。3.10模拟条件Simulationcondition在本标准各章条的状态下,采取一些措施,使元件发热表面的平均温度值与工作温度基本相符的工作条件。
3.11损坏Damage
元件有下列情况之一即被认为损坏:a)元件电气强度低于允许值;
b)元件泄漏电流大于3.5mA;
c)元件外壳有火焰发射及熔融物或其它不允许修复的损坏。3.12工作寿命Life
元件在充分放热条件下工作至损坏的累计工作时间。4产品分类
4.1元件按其加热介质的特点分类,可分为:a)普通元件:主要用于加热气体、液体的元件:b)嵌装元件:主要用于加热金属固体的元件以及对外径尺寸偏差有特定要求的元件。4.2元件典型结构尺寸的代号与名称应与图1基本符合。Ld,
L-日用管状电热元件的展开长度;Ld,、Ld2一引出棒管内部分长度;中一日用管状电热元件的直径;-引出棒;2-密封料;3-合金电热丝4-绝缘填充料;5—金属管图1元件典型结构图
4.3元件的型号及其所代表的含义规定如下;RG
额定电压(V)/额定输人功率(W)设计序号
加热介质特点代号,见附录A
小类代号G为管状
大类代号R为日用电加热元件
型号示例:
JB/T 4088-1999
RGM220/750嵌装在铝合金内的日用管状电热元件,电压为220V,额定功率为750W,第一次设计(省略)
4.4主要参数
元件的主要参数如下:
a)电源电压,V;
b)电源频率,Hz;
c)额定电压,V;
d)额定功率,kW;
e)工作温度,℃;
f)外径,mm;
g)展开长度,mm;
h)外形尺寸,mm;
i)重量,kg;
j)加热介质。
5技术要求
5.1基本要求
5.1.1元件应符合本标准要求,并按照规定程序批准的图样和技术文件制造。5.1.2元件应在下列条件下能正常工作:a)周围环境温度:-25~+50℃。b)周围空气相对湿度不大于90%(温度为25℃时);C)周围环境无易燃、易爆、腐蚀性气体和导电粉尘;d)没有明显的冲击与振动。
5.2安全卫生要求
5.2.1额定功率偏差
在充分放热条件下,元件的额定输人功率偏差应不大于表1的要求:裴1
额定输入功率W
>25~200
5.2.2泄漏电流
+5%或20W(以较大者为准)
工作温度下的泄漏电流,水压试验,密封试验后的泄漏电流均不应超过0.5mA。5.2.3电气强度
元件的绝缘应能承受1min的50Hz基本正弦波电压的试验,试验期间,不应有闪络击穿发生。试验电压为:
-工作温度下:1000V;
一潮态条件下:1250V。
5.2.4过载能力
JB/T 4088-1999
元件在规定的条件下,应能承受30次循环过载试验而不发生损坏。一对于额定输人功率不超过100W的元件,过载试验的输人功率为额定值的1.33倍。一对于额定输人功率超过100W的元件,过载试验的输人功率为额定值的1.27倍或1.21倍加12W,两者中选取较大者。
5.2.5与食品和饮食用具接触的元件的外壳或涂层必须符合国家卫生标准的要求。5.3性能要求
5.3.1外观
5.3.1.1不得有显著的机械伤痕或者局部膨胀。5.3.1.2弯曲处不得有皱纹、凹凸等现象。5.3.1.3漆层、电镀层、金属或非金属的喷镀层或渗铝层应均匀牢靠,不应有气泡、剥落或局部堆积现象。
5.3.2一般结构
5.3.2.1元件金属管常用材料的极限工作温度如表2所示。表2
材料及其牌号
铝合金
不锈钢1Cr18Ni9Ti
镍基合金钢 Incoloy800
5.3.2.2元件外壳壁厚尺寸及其它。极限温度
a)外壳为普通钢材或机械性能优于普通钢材的其它合金材料的,其壁厚应不小于0.35mm;b)外壳为铜和铜合金等材料时必须具有相应的机械强度,使其能适应恶劣的工作环境。5.3.2.3用于侵蚀性介质的元件,必须用耐腐蚀的金属管或有保护层。保证元件的工作寿命。5.3.2.4元件的内部结构
a)元件的弯曲形状必须保证引出棒的内端处在管子直线部分,且与弯曲起点的距离应不小于10mm:
b)元件中电位差大于40V的两载流部分之间,以及载流部分与外壳之间的绝缘填充物的厚度应不小于1 mm;
c)元件中电位差大于40V的两载流部分之间,以及载流部分与外壳之间的间隙应不小于1mm外露引出棒与外壳之间的距离应不小于1mm。5.3.2.5元件中引出棒管内部分长度应不少于表3所允许的值。30
引出棒外径
5.3.2.6元件(包括端部)必须是密封的。JB/T 4088-1999
管外径
注:若有协议,端部可采用临时的密封措施或不密封。且密封性能不作考核。5.3.2.7元件的外径尺寸偏差应不超过表4规定表4
普通型
嵌装型
管外径
5.3.2.8弯曲成型后的元件的安装尺寸及一些需要考核的几何尺寸偏差,按GB/T1804的JS18来检验,其余不作考核。
5.3.3发热体均匀性
元件发热体应是均匀的,沿管子轴线方向单位长度的电热丝圈数偏差应不大于15%。注:对发热体有特殊要求者须另作考核。5.3.4工作寿命
元件的工作寿命应不小于3000h。5.3.5制造
5.3.5.1凡焊有法兰或紧固装置并用于加热液体的、接头安装在液面以下的元件,应能承受1.2MPa或0.3MPa历时5min的静水压力试验,无渗漏现象。分别打上永久性的0.6MPa或H,0.1MPa或P的标志。
5.3.5.2出棒应能承受拉力为该零件抗拉力的70%,但不大于1000N、历时3min的拉力试验,不应发生位移和断裂现象。
6试验方法
6.1试验般要求
6.1.1元件的通电试验应在下列条件下进行:a)环境温度为20±5℃,无风无强烈热辐射,相对湿度不大于85%;b)电源电压偏差不超过±1%;
c)元件装在电器内或在模拟条件下进行6.1.2试验用仪器仪表:
JB/T 4088--1999
a)用于型式检验的电工测量仪表,其精度应不低于0.5级,用于出厂检验的,应不低于1.0级;b)测量温度的仪表,其允许误差在±1%;c)测量时间的仪表,其精度在0.1s内;d)测量长度的量具,其允许误差为被测长度的±0.5%以内。6.2额定功率的测量
使元件在额定电压及充分放热条件下工作,当输人功率稳定后,测量输入功率,应符合5.2.1的要求。
6.3泄漏电流的测量
6.3.1工作温度下的泄漏电流测量元件在充分放热条件下工作,试验电压应调整到使输人功率等于最大额定输人功率的1.15倍,在元件达到工作温度后,测量泄漏电流,测量方法见GB4706.1一1992中13.2。测得结果应符合5.2.2的要求。
6.3.2密封试验、水压试验后的泄漏电流测量试验应在元件不连接电源,并做完密封试验或水压试验后进行。试验电压为额定电压的1.06倍,在施加试验电压后5s之内测量泄漏电流,测量方法见GB4706.11992中13.2。测得结果应符合5.2.2的要求。6.4电气强度试验
6.4.1工作温度下的电气强度试验试验在6.3.1的试验后立即按GB4706.1-1992中13.3的规定进行,电气强度试验设备的整定电流为5mA,试验电压为1000V,应符合5.2.3的要求。6.4.2密封试验、水压试验后的电气强度试验试验在6.3.2的试验后立即按GB4706.1一1992中16.4的规定进行,电气强度试验设备的整定电流为5mA。试验电压为1250V。应符合5.2.3的要求。6.5过载能力试验
使元件接入电源,调节电压使输人功率达到规定值,元件在充分放热条件下通电1h,然后断电冷却0.5h至室温(允许强迫冷却)。通、断电循环30次,应符合5.2.4的要求。6.6密封试验
6.6.1元件外壳密封试验
把元件浸在酸化水中(在水中加2%~3%的盐酸、硫酸或硝酸)3h,并使元件的两个端面至少露出液面5mm(若进行6.9的水压试验,可不做本项试验)。6.6.2元件端部密封试验
在6.6.1试验后,立即按GB/T2423.3规定的程序和试验条件,使元件对地绝缘,在试验箱(室)内进行48h的恒定湿热试验。然后立即进行6.3.2和6.4.2的试验。6.7发热体均匀性、管内引出棒长度和管内结构的测量用X光机显示测量,方法如下:
根据元件的设计图样,在引出棒与发热体连接处紧靠管子放置100mm长的铅条,中间每隔200mm放置一条50mm长的铅条,至少不得少于一条。32
JB/T 4088 -1999
试验时以铅条的长度为基准,铅条的长度偏差应不超过±0.5 mm,允许在元件压缩定长后弯曲前进行测量。
铅条放置简图(图2)如下所示。·L'd
L'd,-20 50
100mm长的铅条
50mm长的铅条
50-/L\dz20
L\d,,L\d2—引出棒管内部分的设计长度;L'dj,L'd2—引出棒管内~端与100mm长铅条外端沿中心线的重叠投影长度;Ld,Ld2——实测的引出棒管内部分长度图2
a)发热体均匀性(电热丝圈数偏差)的测量计算:在X光片上,数记50mm铅条长度上的电热丝圈数,然后按下式计算:A=max:(1 ii-, 2, ..K
式中:△——单位长度电热丝圈偏差;n第i条50mm长铅条长度上的电热丝圈数;K—-50mm长铅条总数,包括自两端引出棒起的50mm长的各—段(见图2);n由测量结果计算出来的50mm长度上的电热丝圈数平均值。注:当X光机能够全部显示元件时,可按显示的实际尺寸乘上比例系数计算之。测量计算结果应符合5.3.4的要求。b)管内引出棒长度的测量、计算:在X光片上测量L'd、L'd,然后按下列式子计算:Ld,=(L\d, - 20)+ L'd, :
Ld=(L\dz - 20) +L'dz
测量计算结果符合5.3.2.5的要求。C)在X光片上用量具测量元件的内部结构尺寸,结果应符合5.3.2.4的要求。6.8水压试验
按GB4706.12一1995中22.101所规定的方法进行水压试验,然后立即进行6.3.2和6.4.2的试验应符合5.3.5.1的要求。
6.9拉力试验
在符合国家计量要求的拉力试验机上进行拉力试验,历时3min。然后进行检验,应符合5.3.5.2的要求。
6.10工作寿命试验
JB/T4088—1999
将元件接上额定电压,在充分放热条件下通电1h,冷却0.5h到室温(允许采用强迫冷却),累计工作时间达3000h,应符合5.3.4的要求。7检验规则
7.1检验分类
检验分为出厂检验和型式检验。7.2出厂检验
凡提出交货的产品,均须按规定的出厂检验项目进行试验。每个产品由企业质检管理部门检验合格。并附有产品合格证或在产品上有厂方规定的合格标志方能出厂。出厂检验项目、要求和方法如表5。表5
标志检查
外观检查
检验项目
功率偏差测量
水压试验
工作温度下电气强度试验
工作温度下泄漏电流
型式检验
型式检验在下列情况之一者进行:a)试制的新产品;
b)设计和工艺或材料有重大改变时;c)停产年以上,再恢复生产;
技术要求
d)对连续批生产的产品,至少一年进行一次。其中寿命试验二年进行一次。型式检验的样品应在经过出厂检验且经包装后的产品中随机抽取。7.3.2
型式检验的产品分二组,每组三件7.3.3
第一组型式检验的项目、要求和方法如表6:表6
标志检查
试验项目
结构要求检验
外观检验
发热体均勾性引出棒管内长度及元件内部结构测量
水压试验
密封性能试验
技术要求
5.3.2.1~5.3.2.3
5.3.2.7~5.3.2.8免费标准bzxz.net
5.3.4、5.3.2.5
验方法
试验方法
试验项目
功率偏差测量
工作温度下的泄漏电流测量
工作温度下的电气强度试验
过载试验
引出棒承受拉力试验
JB/T 4088 --1999
表6(完)
技术要求
试验方法
第二组型式检验项目是寿命试验,按本标准6.11的方法进行,应符合5.3.4的要求。7.3.4
经型式检验后的产品不得作为成品交货。7.3.5型式检验判定
7.3.5.1在表7第1,5,6,8,9,10项检验项目中,只要出现一项不合格,则判该型式检验不合格。7.3.5.2在表7的其它检验项目中,如果有一个以上试样不合格,则判型式检验不合格;如果只有一个试样不合格,则可以从该批产品中抽取加倍数量的试样重复该项试验,重复试验的试样均应合格,只要有一个试样不合格,则判该型式检验不合格。7.4其它
订货方有权检查产品是否符合本标准要求,交收时按出厂检验项目验收,若对产品质量有疑问时,有权要求增加检验项目。若检验合格则连同试样一起交货。8标志、包装、运输、贮存
8.1标志
8.1.1元件上必须有永久性的标志。标志的内容应包括:a)制造厂名或代号或商标;
b)产品型号;
c)出厂年月。
8.1.2凡焊有法兰或紧固装置并用于加热液体的、接头安装在液面以下的元件,必须有承受水压力的标志。
8.1.3包装箱外应有耐久明显的标志。其内容应包括:a)制造厂名称;
b)产品名称及型号;
c)元件的数量:
d)净重、毛重;
e)采用的标准编号;
f)箱子尺寸(长×宽×高);
g)装箱编号;
h)轻放、防晒、防雨、防潮;
i)出厂年月。
8.2包装
JB/T4088--1999
8.2.1元件应装在有合适衬垫的包装箱内,箱内必须有合格证、装箱数量、使用说明书若干份。8.2.2元件的外壳是10号钢或类似材料而又未经电镀喷漆等处理的应在外壳上涂上防锈油。8.3运输
元件在运输过程中应避免受到冲击振动及雨雪直接淋袭。元件应存放在空气流通、无腐蚀性气体并且不会受到雨、雪侵袭的仓库中。8.4
表面负荷
JB/T 4088—1999
附录A
(提示的附录)
元件在常用介质中允许的最高表面负荷推荐使用值元件外壳材料
铅合金
不锈钢ICr18Ni9Ti
铜 T4、钢10
不锈钢1Cr18Ni9Ti
不锈钢 1Cr18Ni9Ti
镍基合金钢Incoloy800
不锈钢 1Cr18Ni9Ti
镍基合金钢Incoloy800
不锈钢1Cr18Ni9Ti
加热介质、加热特点及代号
水、弱酸、弱碱溶液的煮沸
食物油
静止空气Q
流速不小于6 m/s
空气L
元件被浇铸、嵌装、压制在铝、铜、钢等材料中M
小提示:此标准内容仅展示完整标准里的部分截取内容,若需要完整标准请到上方自行免费下载完整标准文档。
标准图片预览:





- 其它标准
- 热门标准
- 机械行业标准(JB)
- JB/T9396-1999 环块磨损试验机 技术条件
- JB/T6396-2006 大型合金结构钢锻件 技术条件
- JB/T9868.1-1999 散装饲料运输车 型式与参数
- JB/T10549-2006 SF6气体密度继电器和密度表 通用技术条件
- JB/T9018-2011 自动化立体仓库 设计规范
- JB/T5761.1-1999 数控弯管机 技术条件
- JB/T6427-2001 变压吸附制氧、制氮设备
- JB/T7665-1995 通用机械噪声声功率级现场测定 声强法
- JB/T7732.1-1995 地膜覆盖机 技术条件
- JB/T8368.1-1996 电锤钻
- JB/T10438-2004 额定电压450/750V及以下交联聚氯乙烯绝缘电线和电缆
- JB/T9159.9-1999 单轴纵切自动车床辅具 丝锥夹套 B 型尺寸
- JB/T3411.87-1999 锥柄卡口镗铰刀杆 尺寸
- JB/T4746-2002 钢制压力容器用封头
- JB/T6619.1-1999 轻型机械密封 技术条件
- 行业新闻
请牢记:“bzxz.net”即是“标准下载”四个汉字汉语拼音首字母与国际顶级域名“.net”的组合。 ©2025 标准下载网 www.bzxz.net 本站邮件:bzxznet@163.com
网站备案号:湘ICP备2025141790号-2
网站备案号:湘ICP备2025141790号-2