- 您的位置:
- 标准下载网 >>
- 标准分类 >>
- 国家标准(GB) >>
- GB 12045-1989 船用防爆灯技术条件
标准号:
GB 12045-1989
标准名称:
船用防爆灯技术条件
标准类别:
国家标准(GB)
英文名称:
Technical conditions for marine explosion-proof lights标准状态:
已作废-
发布日期:
1989-12-29 -
实施日期:
1990-07-01 -
作废日期:
2004-05-01 出版语种:
简体中文下载格式:
.rar.pdf下载大小:
904.28 KB
标准ICS号:
造船和海上建筑物>>船舶和海上建筑物综合>>47.020.60船用电气设备中标分类号:
船舶>>船舶电气、观通、导航设备>>U63床用照明与其他电器
部分标准内容:
UDC621.32:629.12
中华人民共和国国家标准
GB12045—89
船用防爆灯技术条件
Marine explosion-proof light-Specification1989-12-29发布
国家技术监督局
1990-07-01实施
中华人民共和国国家标准
船用防爆灯技术条件
Marine explosion-proof lightSpecification主题内容与适用范围
GB12045—89
本标准规定了船用防爆灯的分类、技术要求、试验方法、检验规则和标志、包装、运输、贮存等。本标准适用于装设在可能产生或积聚爆炸性气体混合物舱室中的,额定电压250V以下,以白炽灯、荧光灯、自整流高压汞灯为光源的隔爆型和增安型防爆灯具(以下简称防爆灯)。2引用标准
GB531-83橡胶邵尔A型硬度试验方法GB1444—78
螺旋式防爆灯座
GB2900.35--83电工名词术语爆炸性环境用防爆电气设备爆炸性环境用防爆电气设备通用要求GB3836.1—83
爆炸性环境用防爆电气设备隔爆型电气设备“d”GB3836.2—83
增安型电气设备\e”
GB3836.3—83爆炸性环境用防爆电气设备GB4208-84
GB9720—88
外壳防护等级的分类
船用荧光灯通用技术条件
试验Db:交变湿热
CB1146.5—85船舶设备环境试验方法船舶设备环境试验方法
CB1146.9—85
CB 1146.1185
CB 1146.12-85
CB 1146.1385
JB2759—80
3术语
船舶设备环境试验方法
船舶设备环境试验方法
试验Fc:振动
试验J:长霉
试验Ka:盐雾www.bzxz.net
船舶设备环境试验方法
机电产品包装通用技术条件
试验Kb:交变盐雾
本标准中使用的术语按GB2900.35的规定。4分类
4.1结构
4.1.1按防爆型式分为隔爆型“d\和增安型“e\。4.1.2按光源分为白炽灯F、荧光灯YE、自整流高压汞灯GF。4.2型号和标记
4.2.1防爆灯的型号示例:
国家技术监督局1989-12-29批准1990-07-01实施
GB12045—89
-功率,w
电压,V
光源见4.1.2条
防爆型式见4.1.1条
4.2.2标记示例:
8.额定电压为110V,功率为60W的隔爆型白炽防爆灯,标记为:防爆灯dF110-60GB12045—89;
额定电压为220V,功率为30W增安型双管荧光灯防爆灯,标记为:b.
防爆灯eYF220-2X30GB12045—89。5技术要求
5.1通用要求
5.1.1防爆灯除应符合本标准的要求外,还应符合GB3836.1~3836.3的规定。5.1.2环境条件
5.1.2.1防爆灯应能在下列规定的环境空气温度下正常工作:a.白炽灯为-25~+50℃;
b.荧光灯为10~45C。
5.1.2.2防爆灯应能在电源电压变化为额定电压的一10%~十6%和频率变化为额定频率的士5%的范围内正常工作。
5.1.2.3防爆灯在正常试验大气条件下绝缘电阻应符合表1的规定。表1
额定绝缘电压
兆欧表电压等级
绝缘电阻
≥>100
5.1.2.4防爆灯导电零部件之间及其与外表间的绝缘介电强度,在正常大气条件下,承受下列规定的交流电压试验1min,应无击穿或闪络现象。a.
额定电压小于或等于60V时,试验电压为1000V;额定电压60~300V时,试验电压为2000V。5.1.2.5防爆灯应具有耐潮性能,经55土2℃两周期交变湿热试验后应符合下列规定:绝缘电阻:额定电压小于或等于65V时,应不低于1MS1额定电压大于65V时,应不低于a.
防爆灯的绝缘强度应承受表2规定的介电强度试验电压,历时1min,应无击穿或闪络现象;表2
额定电压
60~300
试验电压
GB1204589
c.油漆层不得脱落,电镀件不得出现锈蚀或斑点等现象。5.1.2.6防爆灯不同电位的导电零件之间的电气间隙和爬电距离,应符合GB3836.3中第5章和第6章的规定。
5.1.2.7防爆灯的外壳应具有防护性能,室内用防爆灯防护等级应不低于IP44;室外用防爆灯防护等级应不低于IP56。
5.1.2.8防爆灯应具有耐振性能,经垂、横、纵三个互相垂直方向的振动试验后,各零部件不应松动、断裂和变形,电气性能不应有异变。其振动试验参数如下:a.
频率变化范围在2~13.2Hz时,位移幅值为士1.0mm;频率变化范围在13.2~80Hz时,加速度幅值为7m/s。5.1.2.9防爆灯各金属零部件除其材料本身具有良好的耐蚀性能外,尚须有可靠的保护层。其金属零部件经48h盐雾试验,室外整灯经28昼夜交变湿热试验后,其结果应符合表3规定。表3
底金属
铜、铜合金
铜、铜合金
铜-镍-铬
主要表面无白色或灰黑色腐蚀物主要表面无棕锈
主要表面无灰色或浅绿色腐蚀物主要表面无浅绿色腐蚀物
5.1.2.10防爆灯绝缘零部件和油漆件应具有耐霉菌性能,经28昼夜长霉试验后,其长霉等级应不低于CB1146.11规定的二级要求。
5.1.2.11荧光防爆灯应采取措施,防止对其他电器设备的电磁干扰。5.1.3材料要求
5.1.3.1防爆灯的外壳和其他零部件须采用对化学、机械等作用具有充分抵抗能力的材料制成。对于可携式防爆灯的外壳和保护网应采用不会受冲击或跌落而产生危险火花的金属材料制成,或用安全性材料加以包覆。外壳材料也可采用轻合金或塑料。轻合金外壳须符合GB3836.1第8章规定;塑料外壳须符合GB3836.1第7章的规定。
5.1.3.2防爆灯采用的绝缘材料耐泄痕性级别为GB3836.3附录D中的b级。5.1.3.3防爆灯密封件应采用邵氏A型硬度为45~55度橡胶制造,经热老炼试验后的硬度变化,不得超过试验前的20%。
5.1.3.4防爆灯的透明罩应采用钢化或硬质玻璃以及其他抗机械、热和化学作用而不影响其光学性能的材料制造。并能承受冲击、跌落和热剧变试验而不损坏;产品出厂时应提供灯具的配光曲线。5.1.4结构要求
5.1.4.1防爆灯外壳部件采用胶封结构时,须对胶封工艺采取措施,以保证胶封处的机械强度;其胶封处,即外壳内缘至外缘的最短胶封长度:当外壳容积不大于0.1L时,须不小于6.0mm,容积大于0.1L时,须不小于10.0mm;经热稳定试验后,仍须保证防爆性能。5.1.4.2防爆灯的外壳与接线盒内壁均应涂耐弧漆。5.1.4.3防爆灯的紧固件(螺栓和螺母),须附有防松装置(双螺帽、弹簧垫圈等)。具体要求应符合GB3836.1中第9章的规定。
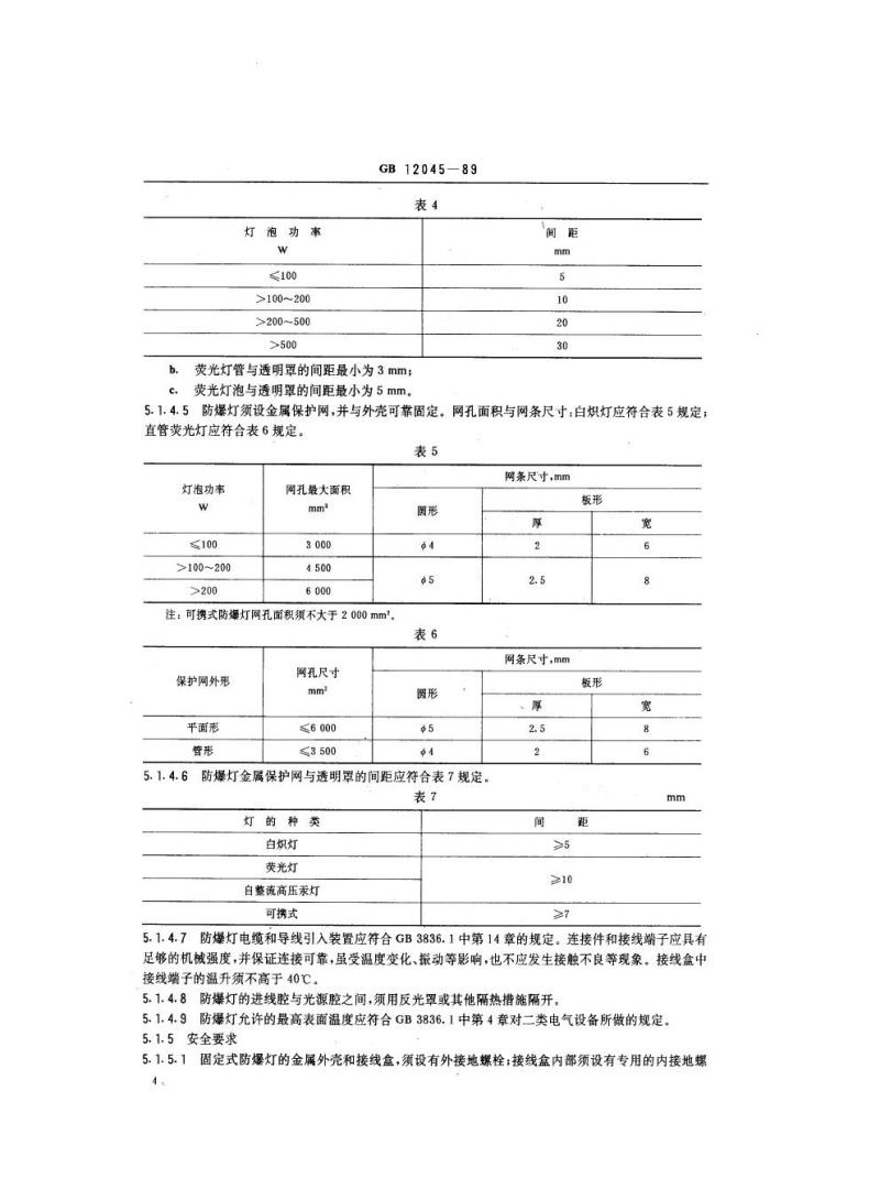
5.1.4.4防爆灯的灯泡与透明罩的间距应符合下列规定:a.白炽灯泡与透明罩的间距应符合表4规定;3
灯泡功率
>100~200
>200~500
GB12045—89
荧光灯管与透明罩的间距最小为3mm;荧光灯泡与透明罩的间距最小为5mm。间距
防爆灯须设金属保护网,并与外壳可靠固定。网孔面积与网条尺寸:白炽灯应符合表5规定;5.1.4.5
直管荧光灯应符合表6规定。
灯泡功率
≤100
>100~200
网孔最大面积
注:可携式防爆灯网孔面积须不大于2000mm2网孔尺寸
保护网外形
平面形
防爆灯金属保护网与透明罩的间距应符合表7规定。5.1.4.6
灯的种类
白炽灯
荧光灯
自整流高压汞灯
可携式
网条尺寸,mm
网条尺寸,mm
5.1.4.7防爆灯电缆和导线引入装置应符合GB3836.1中第14章的规定。连接件和接线端子应具有足够的机械强度,并保证连接可靠,虽受温度变化、振动等影响,也不应发生接触不良等现象。接线盒中接线端子的温升须不高于40℃。5.1.4.8防爆灯的进线腔与光源腔之间,须用反光罩或其他隔热措施隔开、5.1.4.9防爆灯允许的最高表面温度应符合GB3836.1中第4章对二类电气设备所做的规定。5.1.5安全要求
5.1.5.1固定式防爆灯的金属外壳和接线盒,须设有外接地螺栓;接线盒内部须设有专用的内接地螺4
GB12045-89
栓,并均须标志接地符号“↓”。接地螺栓的直径应符合GB3836.1中第15.4条和第15.5条的规定。5.1.5.2防爆灯应设断开电源后才能打开透明罩的联锁装置。如采用螺栓紧固时,须在开盖处设“断电源后开盖”的红色警告牌。
5.1.5.3防爆灯的灯头与灯座的配合应安全可靠,并应符合GB1444的规定。与灯座口金连通的连接件应标志符号“0”。
5.2隔爆型防爆灯补充要求
5.2.1隔爆型灯的外壳分为主壳体和接线盒两个空腔。其外壳强度应能承受动态和静态强度试验而不损坏,或不出现影响隔爆性能的变形。5.2.2隔爆型灯的接线盒空腔与主空腔之间,可采用隔爆结构、胶封结构或密封结构。其要求应符合GB3836.2中第13章规定。
5.2.3隔爆型灯的隔爆结构,如壳体、接线盒、压圈、接线端子的有关部位的隔爆接合面,采用平面、止口、圆筒等接合面。其接合面的最大间隙或直径差W,最小有效长度L,以及螺纹孔边缘至接合面边缘的最小有效长度L的参数,应符合GB3836.2中第6章的规定。5.2.4隔爆型灯的隔爆接合面的粗糙度不低于6.3μm;但与操纵杆配合的隔爆接合面的粗糙度应不低于3.2μm
隔燥型灯的隔爆接合面应有防锈措施,但不准涂油漆。隔爆型灯螺纹隔爆结构应符合GB3836.1中6.2条二类电气设备的要求,隔爆型灯的透明罩与外壳的固定不应采用螺纹结构,但可直接与外壳胶封固定。胶封要求应符合GB3836.2中第8章、第9章规定。隔爆型灯的紧固应符合下列规定5.2.8
a.螺栓和螺母不允许用塑料或轻合金材料制造;螺栓和不透螺孔紧固后,须留有大于防松垫圈2倍厚度的余量;b.
外壳上的不透螺孔,其周围与底部的厚度应不小于螺栓直径的三分之一,但至少为3.0mm。隔燥型灯的电缆和导线的引入应采用间接引入方式,但冷起动的荧光灯具可采用直接引入方5.2.9
5.3增安型防爆灯补充要求
5.3.1增安型灯电缆或导线的引入和连接应符合GB3836.3中第3章、第4章的规定。5.3.2增安型灯的固体绝缘材料应采用吸潮性小、耐电弧性好、不燃或难燃,以及耐热性强的材料制造,在高于电气设备连续额定运行温度至少20℃(但不低于+80℃)的情况下,仍应具有良好的机械强度。
5.3.3由馈电网络供电的增安型灯具允许采用的光源:a.带有单插头无起动器的荧光灯;b.一般用途的白炽灯;
c.自整流高压汞灯。
5.3.4增安型灯座可以用金属或非金属制成。灯座与灯头的配合部分应装入单独的隔爆腔内,隔爆腔须符合本标准第5.2.3条的要求。螺旋灯泡在灯座中必须防止自动松脱,灯座须承受6.20条规定的旋入和旋出试验
5.3.5如果增安型灯具内部的灯泡最高表面温度比灯具使用环境中的爆炸性混合物在灯具内部进行引燃试验所测得的引燃温度至少低50℃,则灯具内部灯泡的温度可以超过最高表面温度的规定。5.3.6灯头边缘和灯泡焊接部位的温度须不超过195℃。但应符合最高表面温度的规定。5.3.73
荧光灯的镇流器应能承受灯管(泡)老化产生的整流效应。5
6试验方法
6.1外观检验与材料检验
GB12045-89
防爆灯的外观检验可用外观法和量具进行检验,对已有材质检验单的材料,在检验单的有效期内可免做试验。
6.2环境温度试验
环境温度试验分为低温试验和高温试验两种。6.2.1低温试验
低温试验是防爆灯放到低温箱(室)中,以温度变化的平均值为0.7~1℃/min的速率将试验箱(室)的温度降到规定值,保持2h,通电检查防爆灯工作是否正常。然后以降温的速率逐渐升到正常大气条件(除去水滴),进行恢复。
6:2.2高温试验
低温试验恢复后的防爆灯,放到高温箱(室)中,以温度变化的平均值为0.7~1C/min的速率将试验箱(室)的温度升至规定值,保持2h,通电检查防爆灯在高温条件下工作是否正常。6.3电源变化试验
防爆灯按表8规定的电源变化状态,各运行15min,应能正常工作。表8
电压变化
6.4绝缘电阻试验
6.4.1测量绝缘电阻的兆欧表电压等级应符合表1的规定。频率变化
6.4.2测量绝缘电阻应在带电零部件之间、带电零部件与外壳之间进行,绝缘电阻值应符合表1的规定。
6.5绝缘介电强度试验
6.5.1试验部位6.4.2条。
6.5.2按表2规定的试验电压,电源容量不小于0.5kVA。试验时,应从小于1/2试验电压开始逐步升到规定值,保持1min,然后降至零,切断电源。6.6湿热试验
防爆灯的耐潮性能试验是将防爆灯按实际安装状态置于试验箱(室)中,然后按CB1146.5交变湿热试验方法进行。试验结束后,将防爆灯从箱内取出,在正常大气条件下进行恢复(允许用手将防燥灯表面的水溃抹去),在30min内完成全部性能检测。检测首先按6.4条的方法检验绝缘电阻,按6.5条的方法检验绝缘介电强度,然后进行外观检验。其结果应符合5.1.2.5条的规定,6.7防护性能试验
将防爆灯按正常工作状态固定在试验架上,分别按GB4208中第6.4,7.5,6.5,7.6条的规定进行。试验后对灯具应无有害影响。
6.8振动试验
防爆灯的耐振性能按CB1146.9中规定的振动试验方法进行。试验前对防爆灯的外观及电气性能进行全面检查,然后将防爆灯按实船安装状态固定在振动台上(可携式防爆灯可用适当的箍带固定)接通电源,按5.1.2.8条规定的振动参数和CB1146.9中5.2条规定的试验方法进行,试验过程中和试验后,防爆灯应工作正常,零部件无松动变形,外观和电气性能与试验前一致为合格。6
6.9盐雾试验
GB12045—89
防爆灯按金属零部件和室外整灯分别进行盐雾试验。6.9.1金属零部件按CB1146.12规定的盐雾试验方法进行。经48h试验后,用室温流动清水轻轻冲洗样品表面盐沉积物,再在蒸馏水中漂洗,然后检查样品表面的腐蚀和质变,应符合本标准表3规定。注:如制造厂具备金属零部件的盐雾试验合格报告,在有效期内可免于试验,6.9.2室外整灯按CB1146.13规定的交变盐雾试验方法进行。试验后,对灯具进行全面检查,其结果应符合本标准表3规定。
6.10长霉试验
防爆灯的绝缘零部件和油漆件耐霉菌性能按CB1146.11规定的长霉试验方法进行。试验后其菌生长程度和等级,应符合2级规定。6.11电磁干扰试验
荧光防爆灯对其他电器设备的电磁干扰试验方法和结果评定应符合GB9720的规定。6.12冲击试验
防爆灯的塑料外壳和外壳部件、轻合金外壳、铸铁外壳和透明罩的冲击试验,按GB3836.1中21.1条冲击试验方法进行。试验后,不得产生影响防爆性能的变形或损坏。6.13跌落试验
可携式防爆灯的抗机械性能按GB3836.1中21.2条规定的跌落试验方法进行。试验后,不得产生影响防爆性能的变形或损坏。
6.14橡胶硬度与热老炼试验
防爆灯采用的橡胶密封件按GB531中规定的硬度试验方法进行硬度试验;按GB3836.1中第29章进行热老炼试验,其结果应符合本标准5.1.3.3条的规定。6.15热稳定性试验
防爆灯采用的塑料外壳或外壳部件、塑料衬垫、胶封件等的热稳定性试验包括耐热试验和耐寒试验。试验时,将样品置于下列条件的环境中进行。试验后不得影响防爆灯的防爆性能。a.耐热试验:当防爆灯在工作的最高表面温度小于或等于80℃时,试验温度须高于20℃,最低为80℃,相对湿度为90%,试验时间为28d;当最高表面温度大于80℃时,试验分两个阶段进行第一阶段,试验温度为95士2℃,相对湿度为90%,时间为14d。第二阶段,试验温度为最高表面温度加20℃,时间为14d。b.耐寒试验:试验温度为防爆灯最低表面温度减5~10℃,试验时间为24h。6.16热剧变试验
防爆灯透明罩的热剧变试验是将防爆灯置于最高环境温度中,用0.9~1.1倍的额定电压将防爆灯通电工作,待温升稳定后(温度变化每分钟不超过士2℃时),用一个直径为1mm的专用喷嘴或电泵,将温度为十10士5C的水喷射到透明罩的最高表面温度处。每个透明罩仅作1次试验,共试5个,以均不损坏为合格。6.17温度试验
6.17.1最高表面温度试验:固定式防爆灯按正常工作状态;可携式防爆灯按向上、向下、水平、向上倾斜45°、向下倾斜45°五种状态放到50℃的恒温箱(室)中,以0.9~1.1倍的额定电压值将防爆灯通电工作,待温升稳定后,检查防爆灯各部位的温度,测得的最高表面温度,须符合GB3836.1中24.1.4条的规定。
6.17.2最高表面温度也可用实测最高表面温度减去实测时环境温度加上规定的最高环境温度而间接得到。
6.17.3接线端子温升试验,是将防爆灯接线盒盖打开,接通电源,待温升稳定后,用半导体点温计或水银温度计测出接线端子的最高温度减去实测时的环境温度,其值应不高于40℃。7
GB12045-89
6.17.4灯头边缘和灯泡焊接部位的温度试验可与6.17.1条的试验同时进行,试验结果以不超过195℃为合格。
6.18电缆引入装置试验
防爆灯的电缆和导线引入装置的夹紧试验按GB3836.1中第27章规定进行;密封性能和机械强度试验按GB3836.2中第21章规定进行。6.19外壳水压试验
隔爆型防爆灯的外壳,接线盒和透明罩的浇注部位的水压试验,分别按GB3836.2中附录A规定进行。
6.20增安型防爆灯的灯头在灯座中的旋入和旋出试验,按GB3836.3中17.3条规定进行。6.21结构强度与隔爆性能试验
隔爆型防爆灯的结构强度与隔爆性能试验,由国家指定的检验单位,根据GB3836.2中第19和20章的规定进行。
7检验规则
防爆灯必须按国家规定的检验单位和检验程序审查的图样和技术文件,并取得检验单位签发的7.1
“防爆合格证”方可生产。
7.2防爆灯须送国家指定的检验单位及国家船检局检验、认可,检验程序按GB3836.1中第31章规定进行。
7.3防爆灯出厂前必须申请国家船检局进行批量检验,未经船检局检验和批量认可的产品不准出厂。7.4型式检验、出厂检验项目和抽样数量按表9的规定进行。表9
标准规定
外观检验与材料检验
环境温度
电源变化
绝缘电阻
介电强度
防护性能
电磁干扰
橡胶硬度与热老燃
技术要求
5. 1.2.10
检验方法
型式检验
抽样数量
出厂检验
各三件(三台)
各三件
各三件
小提示:此标准内容仅展示完整标准里的部分截取内容,若需要完整标准请到上方自行免费下载完整标准文档。
中华人民共和国国家标准
GB12045—89
船用防爆灯技术条件
Marine explosion-proof light-Specification1989-12-29发布
国家技术监督局
1990-07-01实施
中华人民共和国国家标准
船用防爆灯技术条件
Marine explosion-proof lightSpecification主题内容与适用范围
GB12045—89
本标准规定了船用防爆灯的分类、技术要求、试验方法、检验规则和标志、包装、运输、贮存等。本标准适用于装设在可能产生或积聚爆炸性气体混合物舱室中的,额定电压250V以下,以白炽灯、荧光灯、自整流高压汞灯为光源的隔爆型和增安型防爆灯具(以下简称防爆灯)。2引用标准
GB531-83橡胶邵尔A型硬度试验方法GB1444—78
螺旋式防爆灯座
GB2900.35--83电工名词术语爆炸性环境用防爆电气设备爆炸性环境用防爆电气设备通用要求GB3836.1—83
爆炸性环境用防爆电气设备隔爆型电气设备“d”GB3836.2—83
增安型电气设备\e”
GB3836.3—83爆炸性环境用防爆电气设备GB4208-84
GB9720—88
外壳防护等级的分类
船用荧光灯通用技术条件
试验Db:交变湿热
CB1146.5—85船舶设备环境试验方法船舶设备环境试验方法
CB1146.9—85
CB 1146.1185
CB 1146.12-85
CB 1146.1385
JB2759—80
3术语
船舶设备环境试验方法
船舶设备环境试验方法
试验Fc:振动
试验J:长霉
试验Ka:盐雾www.bzxz.net
船舶设备环境试验方法
机电产品包装通用技术条件
试验Kb:交变盐雾
本标准中使用的术语按GB2900.35的规定。4分类
4.1结构
4.1.1按防爆型式分为隔爆型“d\和增安型“e\。4.1.2按光源分为白炽灯F、荧光灯YE、自整流高压汞灯GF。4.2型号和标记
4.2.1防爆灯的型号示例:
国家技术监督局1989-12-29批准1990-07-01实施
GB12045—89
-功率,w
电压,V
光源见4.1.2条
防爆型式见4.1.1条
4.2.2标记示例:
8.额定电压为110V,功率为60W的隔爆型白炽防爆灯,标记为:防爆灯dF110-60GB12045—89;
额定电压为220V,功率为30W增安型双管荧光灯防爆灯,标记为:b.
防爆灯eYF220-2X30GB12045—89。5技术要求
5.1通用要求
5.1.1防爆灯除应符合本标准的要求外,还应符合GB3836.1~3836.3的规定。5.1.2环境条件
5.1.2.1防爆灯应能在下列规定的环境空气温度下正常工作:a.白炽灯为-25~+50℃;
b.荧光灯为10~45C。
5.1.2.2防爆灯应能在电源电压变化为额定电压的一10%~十6%和频率变化为额定频率的士5%的范围内正常工作。
5.1.2.3防爆灯在正常试验大气条件下绝缘电阻应符合表1的规定。表1
额定绝缘电压
兆欧表电压等级
绝缘电阻
≥>100
5.1.2.4防爆灯导电零部件之间及其与外表间的绝缘介电强度,在正常大气条件下,承受下列规定的交流电压试验1min,应无击穿或闪络现象。a.
额定电压小于或等于60V时,试验电压为1000V;额定电压60~300V时,试验电压为2000V。5.1.2.5防爆灯应具有耐潮性能,经55土2℃两周期交变湿热试验后应符合下列规定:绝缘电阻:额定电压小于或等于65V时,应不低于1MS1额定电压大于65V时,应不低于a.
防爆灯的绝缘强度应承受表2规定的介电强度试验电压,历时1min,应无击穿或闪络现象;表2
额定电压
60~300
试验电压
GB1204589
c.油漆层不得脱落,电镀件不得出现锈蚀或斑点等现象。5.1.2.6防爆灯不同电位的导电零件之间的电气间隙和爬电距离,应符合GB3836.3中第5章和第6章的规定。
5.1.2.7防爆灯的外壳应具有防护性能,室内用防爆灯防护等级应不低于IP44;室外用防爆灯防护等级应不低于IP56。
5.1.2.8防爆灯应具有耐振性能,经垂、横、纵三个互相垂直方向的振动试验后,各零部件不应松动、断裂和变形,电气性能不应有异变。其振动试验参数如下:a.
频率变化范围在2~13.2Hz时,位移幅值为士1.0mm;频率变化范围在13.2~80Hz时,加速度幅值为7m/s。5.1.2.9防爆灯各金属零部件除其材料本身具有良好的耐蚀性能外,尚须有可靠的保护层。其金属零部件经48h盐雾试验,室外整灯经28昼夜交变湿热试验后,其结果应符合表3规定。表3
底金属
铜、铜合金
铜、铜合金
铜-镍-铬
主要表面无白色或灰黑色腐蚀物主要表面无棕锈
主要表面无灰色或浅绿色腐蚀物主要表面无浅绿色腐蚀物
5.1.2.10防爆灯绝缘零部件和油漆件应具有耐霉菌性能,经28昼夜长霉试验后,其长霉等级应不低于CB1146.11规定的二级要求。
5.1.2.11荧光防爆灯应采取措施,防止对其他电器设备的电磁干扰。5.1.3材料要求
5.1.3.1防爆灯的外壳和其他零部件须采用对化学、机械等作用具有充分抵抗能力的材料制成。对于可携式防爆灯的外壳和保护网应采用不会受冲击或跌落而产生危险火花的金属材料制成,或用安全性材料加以包覆。外壳材料也可采用轻合金或塑料。轻合金外壳须符合GB3836.1第8章规定;塑料外壳须符合GB3836.1第7章的规定。
5.1.3.2防爆灯采用的绝缘材料耐泄痕性级别为GB3836.3附录D中的b级。5.1.3.3防爆灯密封件应采用邵氏A型硬度为45~55度橡胶制造,经热老炼试验后的硬度变化,不得超过试验前的20%。
5.1.3.4防爆灯的透明罩应采用钢化或硬质玻璃以及其他抗机械、热和化学作用而不影响其光学性能的材料制造。并能承受冲击、跌落和热剧变试验而不损坏;产品出厂时应提供灯具的配光曲线。5.1.4结构要求
5.1.4.1防爆灯外壳部件采用胶封结构时,须对胶封工艺采取措施,以保证胶封处的机械强度;其胶封处,即外壳内缘至外缘的最短胶封长度:当外壳容积不大于0.1L时,须不小于6.0mm,容积大于0.1L时,须不小于10.0mm;经热稳定试验后,仍须保证防爆性能。5.1.4.2防爆灯的外壳与接线盒内壁均应涂耐弧漆。5.1.4.3防爆灯的紧固件(螺栓和螺母),须附有防松装置(双螺帽、弹簧垫圈等)。具体要求应符合GB3836.1中第9章的规定。
5.1.4.4防爆灯的灯泡与透明罩的间距应符合下列规定:a.白炽灯泡与透明罩的间距应符合表4规定;3
灯泡功率
>100~200
>200~500
GB12045—89
荧光灯管与透明罩的间距最小为3mm;荧光灯泡与透明罩的间距最小为5mm。间距
防爆灯须设金属保护网,并与外壳可靠固定。网孔面积与网条尺寸:白炽灯应符合表5规定;5.1.4.5
直管荧光灯应符合表6规定。
灯泡功率
≤100
>100~200
网孔最大面积
注:可携式防爆灯网孔面积须不大于2000mm2网孔尺寸
保护网外形
平面形
防爆灯金属保护网与透明罩的间距应符合表7规定。5.1.4.6
灯的种类
白炽灯
荧光灯
自整流高压汞灯
可携式
网条尺寸,mm
网条尺寸,mm
5.1.4.7防爆灯电缆和导线引入装置应符合GB3836.1中第14章的规定。连接件和接线端子应具有足够的机械强度,并保证连接可靠,虽受温度变化、振动等影响,也不应发生接触不良等现象。接线盒中接线端子的温升须不高于40℃。5.1.4.8防爆灯的进线腔与光源腔之间,须用反光罩或其他隔热措施隔开、5.1.4.9防爆灯允许的最高表面温度应符合GB3836.1中第4章对二类电气设备所做的规定。5.1.5安全要求
5.1.5.1固定式防爆灯的金属外壳和接线盒,须设有外接地螺栓;接线盒内部须设有专用的内接地螺4
GB12045-89
栓,并均须标志接地符号“↓”。接地螺栓的直径应符合GB3836.1中第15.4条和第15.5条的规定。5.1.5.2防爆灯应设断开电源后才能打开透明罩的联锁装置。如采用螺栓紧固时,须在开盖处设“断电源后开盖”的红色警告牌。
5.1.5.3防爆灯的灯头与灯座的配合应安全可靠,并应符合GB1444的规定。与灯座口金连通的连接件应标志符号“0”。
5.2隔爆型防爆灯补充要求
5.2.1隔爆型灯的外壳分为主壳体和接线盒两个空腔。其外壳强度应能承受动态和静态强度试验而不损坏,或不出现影响隔爆性能的变形。5.2.2隔爆型灯的接线盒空腔与主空腔之间,可采用隔爆结构、胶封结构或密封结构。其要求应符合GB3836.2中第13章规定。
5.2.3隔爆型灯的隔爆结构,如壳体、接线盒、压圈、接线端子的有关部位的隔爆接合面,采用平面、止口、圆筒等接合面。其接合面的最大间隙或直径差W,最小有效长度L,以及螺纹孔边缘至接合面边缘的最小有效长度L的参数,应符合GB3836.2中第6章的规定。5.2.4隔爆型灯的隔爆接合面的粗糙度不低于6.3μm;但与操纵杆配合的隔爆接合面的粗糙度应不低于3.2μm
隔燥型灯的隔爆接合面应有防锈措施,但不准涂油漆。隔爆型灯螺纹隔爆结构应符合GB3836.1中6.2条二类电气设备的要求,隔爆型灯的透明罩与外壳的固定不应采用螺纹结构,但可直接与外壳胶封固定。胶封要求应符合GB3836.2中第8章、第9章规定。隔爆型灯的紧固应符合下列规定5.2.8
a.螺栓和螺母不允许用塑料或轻合金材料制造;螺栓和不透螺孔紧固后,须留有大于防松垫圈2倍厚度的余量;b.
外壳上的不透螺孔,其周围与底部的厚度应不小于螺栓直径的三分之一,但至少为3.0mm。隔燥型灯的电缆和导线的引入应采用间接引入方式,但冷起动的荧光灯具可采用直接引入方5.2.9
5.3增安型防爆灯补充要求
5.3.1增安型灯电缆或导线的引入和连接应符合GB3836.3中第3章、第4章的规定。5.3.2增安型灯的固体绝缘材料应采用吸潮性小、耐电弧性好、不燃或难燃,以及耐热性强的材料制造,在高于电气设备连续额定运行温度至少20℃(但不低于+80℃)的情况下,仍应具有良好的机械强度。
5.3.3由馈电网络供电的增安型灯具允许采用的光源:a.带有单插头无起动器的荧光灯;b.一般用途的白炽灯;
c.自整流高压汞灯。
5.3.4增安型灯座可以用金属或非金属制成。灯座与灯头的配合部分应装入单独的隔爆腔内,隔爆腔须符合本标准第5.2.3条的要求。螺旋灯泡在灯座中必须防止自动松脱,灯座须承受6.20条规定的旋入和旋出试验
5.3.5如果增安型灯具内部的灯泡最高表面温度比灯具使用环境中的爆炸性混合物在灯具内部进行引燃试验所测得的引燃温度至少低50℃,则灯具内部灯泡的温度可以超过最高表面温度的规定。5.3.6灯头边缘和灯泡焊接部位的温度须不超过195℃。但应符合最高表面温度的规定。5.3.73
荧光灯的镇流器应能承受灯管(泡)老化产生的整流效应。5
6试验方法
6.1外观检验与材料检验
GB12045-89
防爆灯的外观检验可用外观法和量具进行检验,对已有材质检验单的材料,在检验单的有效期内可免做试验。
6.2环境温度试验
环境温度试验分为低温试验和高温试验两种。6.2.1低温试验
低温试验是防爆灯放到低温箱(室)中,以温度变化的平均值为0.7~1℃/min的速率将试验箱(室)的温度降到规定值,保持2h,通电检查防爆灯工作是否正常。然后以降温的速率逐渐升到正常大气条件(除去水滴),进行恢复。
6:2.2高温试验
低温试验恢复后的防爆灯,放到高温箱(室)中,以温度变化的平均值为0.7~1C/min的速率将试验箱(室)的温度升至规定值,保持2h,通电检查防爆灯在高温条件下工作是否正常。6.3电源变化试验
防爆灯按表8规定的电源变化状态,各运行15min,应能正常工作。表8
电压变化
6.4绝缘电阻试验
6.4.1测量绝缘电阻的兆欧表电压等级应符合表1的规定。频率变化
6.4.2测量绝缘电阻应在带电零部件之间、带电零部件与外壳之间进行,绝缘电阻值应符合表1的规定。
6.5绝缘介电强度试验
6.5.1试验部位6.4.2条。
6.5.2按表2规定的试验电压,电源容量不小于0.5kVA。试验时,应从小于1/2试验电压开始逐步升到规定值,保持1min,然后降至零,切断电源。6.6湿热试验
防爆灯的耐潮性能试验是将防爆灯按实际安装状态置于试验箱(室)中,然后按CB1146.5交变湿热试验方法进行。试验结束后,将防爆灯从箱内取出,在正常大气条件下进行恢复(允许用手将防燥灯表面的水溃抹去),在30min内完成全部性能检测。检测首先按6.4条的方法检验绝缘电阻,按6.5条的方法检验绝缘介电强度,然后进行外观检验。其结果应符合5.1.2.5条的规定,6.7防护性能试验
将防爆灯按正常工作状态固定在试验架上,分别按GB4208中第6.4,7.5,6.5,7.6条的规定进行。试验后对灯具应无有害影响。
6.8振动试验
防爆灯的耐振性能按CB1146.9中规定的振动试验方法进行。试验前对防爆灯的外观及电气性能进行全面检查,然后将防爆灯按实船安装状态固定在振动台上(可携式防爆灯可用适当的箍带固定)接通电源,按5.1.2.8条规定的振动参数和CB1146.9中5.2条规定的试验方法进行,试验过程中和试验后,防爆灯应工作正常,零部件无松动变形,外观和电气性能与试验前一致为合格。6
6.9盐雾试验
GB12045—89
防爆灯按金属零部件和室外整灯分别进行盐雾试验。6.9.1金属零部件按CB1146.12规定的盐雾试验方法进行。经48h试验后,用室温流动清水轻轻冲洗样品表面盐沉积物,再在蒸馏水中漂洗,然后检查样品表面的腐蚀和质变,应符合本标准表3规定。注:如制造厂具备金属零部件的盐雾试验合格报告,在有效期内可免于试验,6.9.2室外整灯按CB1146.13规定的交变盐雾试验方法进行。试验后,对灯具进行全面检查,其结果应符合本标准表3规定。
6.10长霉试验
防爆灯的绝缘零部件和油漆件耐霉菌性能按CB1146.11规定的长霉试验方法进行。试验后其菌生长程度和等级,应符合2级规定。6.11电磁干扰试验
荧光防爆灯对其他电器设备的电磁干扰试验方法和结果评定应符合GB9720的规定。6.12冲击试验
防爆灯的塑料外壳和外壳部件、轻合金外壳、铸铁外壳和透明罩的冲击试验,按GB3836.1中21.1条冲击试验方法进行。试验后,不得产生影响防爆性能的变形或损坏。6.13跌落试验
可携式防爆灯的抗机械性能按GB3836.1中21.2条规定的跌落试验方法进行。试验后,不得产生影响防爆性能的变形或损坏。
6.14橡胶硬度与热老炼试验
防爆灯采用的橡胶密封件按GB531中规定的硬度试验方法进行硬度试验;按GB3836.1中第29章进行热老炼试验,其结果应符合本标准5.1.3.3条的规定。6.15热稳定性试验
防爆灯采用的塑料外壳或外壳部件、塑料衬垫、胶封件等的热稳定性试验包括耐热试验和耐寒试验。试验时,将样品置于下列条件的环境中进行。试验后不得影响防爆灯的防爆性能。a.耐热试验:当防爆灯在工作的最高表面温度小于或等于80℃时,试验温度须高于20℃,最低为80℃,相对湿度为90%,试验时间为28d;当最高表面温度大于80℃时,试验分两个阶段进行第一阶段,试验温度为95士2℃,相对湿度为90%,时间为14d。第二阶段,试验温度为最高表面温度加20℃,时间为14d。b.耐寒试验:试验温度为防爆灯最低表面温度减5~10℃,试验时间为24h。6.16热剧变试验
防爆灯透明罩的热剧变试验是将防爆灯置于最高环境温度中,用0.9~1.1倍的额定电压将防爆灯通电工作,待温升稳定后(温度变化每分钟不超过士2℃时),用一个直径为1mm的专用喷嘴或电泵,将温度为十10士5C的水喷射到透明罩的最高表面温度处。每个透明罩仅作1次试验,共试5个,以均不损坏为合格。6.17温度试验
6.17.1最高表面温度试验:固定式防爆灯按正常工作状态;可携式防爆灯按向上、向下、水平、向上倾斜45°、向下倾斜45°五种状态放到50℃的恒温箱(室)中,以0.9~1.1倍的额定电压值将防爆灯通电工作,待温升稳定后,检查防爆灯各部位的温度,测得的最高表面温度,须符合GB3836.1中24.1.4条的规定。
6.17.2最高表面温度也可用实测最高表面温度减去实测时环境温度加上规定的最高环境温度而间接得到。
6.17.3接线端子温升试验,是将防爆灯接线盒盖打开,接通电源,待温升稳定后,用半导体点温计或水银温度计测出接线端子的最高温度减去实测时的环境温度,其值应不高于40℃。7
GB12045-89
6.17.4灯头边缘和灯泡焊接部位的温度试验可与6.17.1条的试验同时进行,试验结果以不超过195℃为合格。
6.18电缆引入装置试验
防爆灯的电缆和导线引入装置的夹紧试验按GB3836.1中第27章规定进行;密封性能和机械强度试验按GB3836.2中第21章规定进行。6.19外壳水压试验
隔爆型防爆灯的外壳,接线盒和透明罩的浇注部位的水压试验,分别按GB3836.2中附录A规定进行。
6.20增安型防爆灯的灯头在灯座中的旋入和旋出试验,按GB3836.3中17.3条规定进行。6.21结构强度与隔爆性能试验
隔爆型防爆灯的结构强度与隔爆性能试验,由国家指定的检验单位,根据GB3836.2中第19和20章的规定进行。
7检验规则
防爆灯必须按国家规定的检验单位和检验程序审查的图样和技术文件,并取得检验单位签发的7.1
“防爆合格证”方可生产。
7.2防爆灯须送国家指定的检验单位及国家船检局检验、认可,检验程序按GB3836.1中第31章规定进行。
7.3防爆灯出厂前必须申请国家船检局进行批量检验,未经船检局检验和批量认可的产品不准出厂。7.4型式检验、出厂检验项目和抽样数量按表9的规定进行。表9
标准规定
外观检验与材料检验
环境温度
电源变化
绝缘电阻
介电强度
防护性能
电磁干扰
橡胶硬度与热老燃
技术要求
5. 1.2.10
检验方法
型式检验
抽样数量
出厂检验
各三件(三台)
各三件
各三件
小提示:此标准内容仅展示完整标准里的部分截取内容,若需要完整标准请到上方自行免费下载完整标准文档。
标准图片预览:





- 热门标准
- 国家标准(GB)
- GB∕T38992-2020 军民通用资源 语义关系分类与表示
- GBZ/T240.20-2011 化学品毒理学评价程序和试验方法 第20部分:亚慢性吸入毒性试验
- GB∕T38117-2019 电动汽车产品使用说明 应急救援
- GB/T43831-2024 棉及化纤纯纺、混纺本色布检验、标志与包装
- GB9330.2-1988 塑料绝缘控制电缆聚氯乙烯绝缘和护套控制电缆
- GB∕T22777-2019 数码信息历
- GB/T28606-2012 涂料中全氟辛酸及其盐的测定 高效液相色谱-串联质谱法
- GB16487.9-2017 进口可用作原料的固体废物环境保护控制标准—废电线电缆
- GB/T42459-2023 信息技术 系统间远程通信和信息交换 局域网和城域网 特定要求 站点和媒体访问控制连通性发现
- GB/T42639-2023 潮间带调查规范
- GB15146.2-1994 反应堆外易裂变材料的核临界安全易裂变材料操作、加工、处理的基本技术准则与次临界限值
- GB9041-1988 通信设备条形机架用小型机电件通用技术条件
- GB/T16606.3-2009 快递封装用品 第3部分:包装袋
- GB/T24496-2009 钢筋混凝土大板间有连接筋并用混凝土浇灌的键槽式竖向接缝 实验室力学试验 平面内切向荷载的影响
- GB/T43749-2024 微束分析 电子探针显微分析 无水碳酸盐矿物的定量分析方法
- 行业新闻
请牢记:“bzxz.net”即是“标准下载”四个汉字汉语拼音首字母与国际顶级域名“.net”的组合。 ©2025 标准下载网 www.bzxz.net 本站邮件:bzxznet@163.com
网站备案号:湘ICP备2025141790号-2
网站备案号:湘ICP备2025141790号-2