- 您的位置:
 - 标准下载网 >>
 - 标准分类 >>
 - 国家标准(GB) >>
 - GB/T 5378-1994 摩托车和轻便摩托车道路试验总则
 
标准号:
GB/T 5378-1994
标准名称:
摩托车和轻便摩托车道路试验总则
标准类别:
国家标准(GB)
英文名称:
General principles for road testing of motorcycles and mopeds标准状态:
已作废- 
          	
发布日期:
1994-01-02 - 
		 
实施日期:
1995-07-01 - 
          	
作废日期:
2009-04-01 出版语种:
简体中文下载格式:
.rar.pdf下载大小:
166.61 KB
点击下载
标准简介:
										 标准下载解压密码:www.bzxz.net
					 					 
						 
	        
	      本标准规定了摩托车和轻便摩托车道路试验前的准备工作、一般试验条件、取值规则、试验记录。本标准适用于摩托车和轻便摩托车(越野车和赛车除外)的道路试验。 GB/T 5378-1994 摩托车和轻便摩托车道路试验总则 GB/T5378-1994
部分标准内容:
					
					中华人民共和国国家标准
摩托车和轻便摩托车道路试验总则General rules of running test formotorcycles and mopeds
1主题内容与适用范围
GB/T 5378--94
GB5378—85
代替GB4559—84
本标准规定了摩托车和轻便摩托车道路试验前的准备工作、一般试验条件,取值规则、试验记录。本标准适用于摩托车和轻便摩托车越野车和赛车除外)的道路试验。2引用标准
GB5373摩托车和轻便摩托车尺寸和质量参数的测定方法GB5376摩托车和轻便摩托车车速里程表指示值校核方法GB8170数值修约规则
3试验前的准备工作
3.1受试车的检查和调整
3.1.1受试车必须随车带有使用维护说明书及有关的技术文件。3.1.2检查受试车的制造厂名、牌号、型号、车架编号、发动机编号和出厂日期等并记录于附录B(补充件)表B1 中。
3.1.3检查受试车各总成、部件、附件的装配质量和完整性,各外露零部件有否明显损伤,随车工具是否齐全。按使用维护说明书及有关技术文件的规定,检查重要紧固件的拧紧程度、各润滑点的润滑状态及密封状况、电气系统的工作状况、各操纵控制和制动系统的工作状况。3.1.4允许按使用维护说明书规定的要求进行调整,使受试车具备正常的技术状态。3.2受试车的走合
3.2.1受试车的走合应选择在平坦的、坡度较小的公路上行驶。3.2.2受试车的走合应按使用维护说明书及有关技术文件进行,走合期间应经常检查车辆各部分的紧固情况和工作状况,发现故障应及时排除、及时调整、并详细记录故障情况。走合里程不多于2500km。3.2.3需要时,按下述公式计算走合期的每百公里汽油消耗量。a.
当燃油箱内为纯汽油时,按式(1)计算:G。100G
当燃油箱内为汽油和润滑油的混合油时,按式(2)计算:b.
式中:G。-百公里汽油消耗量,L/100km;G
一实测汽油消耗量,L,
G2—实测汽油和润滑油混合的燃油消耗量,L;国家技术监督局1994~12-27批准(1)
(2)
1995-07-01实施
S-—实际行驶里程,km
M--汽油和润滑油容积混合比。
3.2.4平均技术车速按式(3)计算:式中:v-
一平均技术车速,km/h;
S—一实际行驶总里程,km;下载标准就来标准下载网
实际行驶总时间,h。
GB/T 5378—94
3.2.5走合过程的详细情况记录于附录B表B1中。3.2.6受试车走合后按使用维护说明书进行维护保养。3.3其他
3.3.1走合前,按GB5376对受试车的车速里程表进行校核。3.3.2性能试验前,需要时按GB5373测量受试车的尺寸和质量参数。4一般试验条件
4.1受试车
(3)
4.1.1受试车使用的燃油、润滑油的牌号及混合比,均应符合该车技术文件的规定。必要时在试验前应对燃油、润滑油、混合比进行检验。同一次试验的各项性能指标必须使用同一批燃油和润滑油。4.1.2受试车轮胎充气的压力应符合该车技术文件的规定,误差不允许超过士10kPa。4.1.3在性能试验过程中,不允许再调整受试车。4.1.4除起动性能试验外,在进行其他各项性能试验前,受试车应进行预热行驶,以达到使用维护说明书和技术文件规定的正常热状态。如无规定时,受试车应在正常行驶条件下,一般行驶15min,使发动机及传动系统达到正常热状态。4.1.5受试车的装载质量根据试验目的而定。无特殊要求时,两轮车为一名驾驶员的规定质量。边三轮摩托车为一名驾驶员,两名乘员的规定质量之和。允许用压载物来代替乘员,但压载物的位置应与乘员乘坐的位置接近。每名乘员的质量按75kg计算。正三轮摩托车为该车技术文件规定的厂定最大装载质量。以上各项的质量记入附录B表B2中。4.2试验用器具
基本的试验器具如下:
卷尺:长度为3m,分辨力为0.001m;长度为50m,分辨力为0.01m;
标杆:长2m,杆上涂红、白相间的色带;手旗:颜色为红色、白色和黄色;秒表:推确度为一级,分辨力为0.01s;电子计时器:分辨力为0.1ms
五轮仪;
声级计:一型,误差不大于士0.7dB(A);燃油消耗测量装置:误差不大于土2%;量筒:容量为500mL,分辨力为5mL;制动打(喷)印器:滞后时间小于0.05s;不分光红外线气体分析仪:准确度不低于土3%,响应时间t≤10s,温度计:分辨力为1℃;
风速仪:0~30m/s,误差不大于士0.4m/s;n.
GB/T5378—94
大气压力计:误差不大于士70Pa,湿度计:误差不大于士6%;
转速表:30~12000r/min,误差不大于士0.5%,轮胎压力表:分辨力为10kPa;
坡度仪:误差不大于士0.5°;
照度计:误差不大于士7%,
衡器:分辨力为0.2kg。
其他仪器,如能满足上述要求也可以采用。试验用仪器,在使用时必须有法定计量部门签发的有效期内的检定合格证。4.3试验道路
4.3.1除特殊规定外,各项性能试验均应在沥青或混凝土的直线道路上进行,路面应平坦、干燥、整洁。4.3.2除特殊规定外,试验路段应尽量水平,其纵向坡度不允许超过1%,且任意两点之间的高度差不允许超过1m,横向坡度不允许超过3%。4.4驾驶员
4.4.1驾驶员及其装备的总质量为75kg。4.4.2驾驶员应持有驾驶证,具有熟练的驾驶技术,并应熟悉试验方法。4.4.3驾驶员必须配备头盔、防护眼镜、紧身试车衣裤、手套、试车鞋、以及其他必备的防护用品。带驾驶室的三轮摩托车驾驶员除外。4.4.4驾驶时,驾驶员应坐在规定的驾驶位置上,双手控制方向把,双脚放在脚上,双臂应正常伸展。4.5气候条件
除特殊规定外,各项性能试验应在风速不大于3m/s的条件下进行。4.6其他
有关事项见附录A(补充件)。
5取值规则
5.1试验次数根据试验目的而定,无特殊要求时,一般规定为二次,一个往返为一次,每个往返必须连续进行,取其往返的算术平均值。往返的测量值偏差率不允许超过表1的规定,超过时此次为无效,应重做。
试验项目
燃油消耗
制动距离
加速性能
测试内容
燃油消耗量,mL
修正后的制动距离,m
时间,s
距离,m
偏差率,%
当试验次数为二次或二次以上时,怠速排放值取平均值,噪声值取最大值,其他性能指标值取最优5.2
5.3测量值偏差率按式(4)计算:2IA— B
式中:e—
偏差率;
“往”时测量值;
× 100%
(4)
“返”时测量值。
GB/T537894
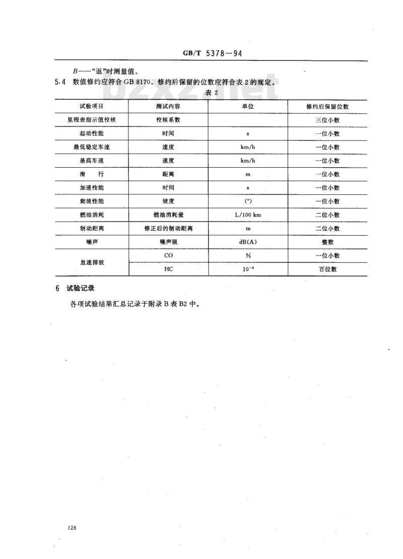
5.4数值修约应符合GB8170。修约后保留的位数应符合表2的规定。表2
试验项目
里程表指示值校核
起动性能
最低稳定车速
最高车速
加速性能
爬坡性能
燃油消耗
制动距离
怠速排放
试验记录
测试内容
校核系数
燃油消耗量
修正后的制动距离
噪声级
各项试验结果汇总记录于附录B表B2中。128
L/100km
修约后保留位数
三位小数
一位小数
一位小数
位小数
-位小数
一位小数
一位小数
二位小数
二位小数
位小数
百位数
AT秒表
GB/T 5378-94
附录A
补充说明
(补充件)
若用秒表计时,必须用三块秒表同时计时,测量值取其算术平均值。每块秒表的测量值与三块秒表算术平均值的偏差值不允许超过土0.3s。若其中有一块秒表的测量值与三块秒表算术平均值的偏差值超过规定值,则该秒表的测量值无效,按其他两块秒表的算术平均值作为测量值。若其中有两块秒表的测量值与三块秒表算术平均值的偏差超过规定值,则这次试验无效。A2在等效的条件下,各项道路试验允许在试验台上进行,对等效条件有争议时,仲裁以路试为准。附录B
走合行驶记录和性能试验汇总表(补充件)
表B1走合行驶记录表
制造厂名
车架编号
走合里程
空车质量
汽油牌号
驾驶员
车辆型号
发动机编号
km开始日期
kg驾驶员质量
润滑油牌号
检验员
里程表
检验编号
出广日期
结束日期
kg加载质量
容积混合比
百公里
汽油故障里程、
车速消耗量
km/h|km/hl
消耗量情况与采取
的措施
制造厂名
车架编号
空车质量
汽油牌号
附加说明:
试验项目
GB/T 5378—94
表B2性能试验汇总表
车辆型号
发动机编号
kg检验开始日期
润滑油牌号
本标准由中国汽车工业总公司提出。本标准由全国汽车标准化技术委员会归口。本标准由国家摩托车质量监督检验中心负责起草。主要起草人张德秀、许敬勋。
检验编号
出厂日期
检验结束日期
容积混合比
性能指标
试验结果
小提示:此标准内容仅展示完整标准里的部分截取内容,若需要完整标准请到上方自行免费下载完整标准文档。
	 
	        
	      摩托车和轻便摩托车道路试验总则General rules of running test formotorcycles and mopeds
1主题内容与适用范围
GB/T 5378--94
GB5378—85
代替GB4559—84
本标准规定了摩托车和轻便摩托车道路试验前的准备工作、一般试验条件,取值规则、试验记录。本标准适用于摩托车和轻便摩托车越野车和赛车除外)的道路试验。2引用标准
GB5373摩托车和轻便摩托车尺寸和质量参数的测定方法GB5376摩托车和轻便摩托车车速里程表指示值校核方法GB8170数值修约规则
3试验前的准备工作
3.1受试车的检查和调整
3.1.1受试车必须随车带有使用维护说明书及有关的技术文件。3.1.2检查受试车的制造厂名、牌号、型号、车架编号、发动机编号和出厂日期等并记录于附录B(补充件)表B1 中。
3.1.3检查受试车各总成、部件、附件的装配质量和完整性,各外露零部件有否明显损伤,随车工具是否齐全。按使用维护说明书及有关技术文件的规定,检查重要紧固件的拧紧程度、各润滑点的润滑状态及密封状况、电气系统的工作状况、各操纵控制和制动系统的工作状况。3.1.4允许按使用维护说明书规定的要求进行调整,使受试车具备正常的技术状态。3.2受试车的走合
3.2.1受试车的走合应选择在平坦的、坡度较小的公路上行驶。3.2.2受试车的走合应按使用维护说明书及有关技术文件进行,走合期间应经常检查车辆各部分的紧固情况和工作状况,发现故障应及时排除、及时调整、并详细记录故障情况。走合里程不多于2500km。3.2.3需要时,按下述公式计算走合期的每百公里汽油消耗量。a.
当燃油箱内为纯汽油时,按式(1)计算:G。100G
当燃油箱内为汽油和润滑油的混合油时,按式(2)计算:b.
式中:G。-百公里汽油消耗量,L/100km;G
一实测汽油消耗量,L,
G2—实测汽油和润滑油混合的燃油消耗量,L;国家技术监督局1994~12-27批准(1)
(2)
1995-07-01实施
S-—实际行驶里程,km
M--汽油和润滑油容积混合比。
3.2.4平均技术车速按式(3)计算:式中:v-
一平均技术车速,km/h;
S—一实际行驶总里程,km;下载标准就来标准下载网
实际行驶总时间,h。
GB/T 5378—94
3.2.5走合过程的详细情况记录于附录B表B1中。3.2.6受试车走合后按使用维护说明书进行维护保养。3.3其他
3.3.1走合前,按GB5376对受试车的车速里程表进行校核。3.3.2性能试验前,需要时按GB5373测量受试车的尺寸和质量参数。4一般试验条件
4.1受试车
(3)
4.1.1受试车使用的燃油、润滑油的牌号及混合比,均应符合该车技术文件的规定。必要时在试验前应对燃油、润滑油、混合比进行检验。同一次试验的各项性能指标必须使用同一批燃油和润滑油。4.1.2受试车轮胎充气的压力应符合该车技术文件的规定,误差不允许超过士10kPa。4.1.3在性能试验过程中,不允许再调整受试车。4.1.4除起动性能试验外,在进行其他各项性能试验前,受试车应进行预热行驶,以达到使用维护说明书和技术文件规定的正常热状态。如无规定时,受试车应在正常行驶条件下,一般行驶15min,使发动机及传动系统达到正常热状态。4.1.5受试车的装载质量根据试验目的而定。无特殊要求时,两轮车为一名驾驶员的规定质量。边三轮摩托车为一名驾驶员,两名乘员的规定质量之和。允许用压载物来代替乘员,但压载物的位置应与乘员乘坐的位置接近。每名乘员的质量按75kg计算。正三轮摩托车为该车技术文件规定的厂定最大装载质量。以上各项的质量记入附录B表B2中。4.2试验用器具
基本的试验器具如下:
卷尺:长度为3m,分辨力为0.001m;长度为50m,分辨力为0.01m;
标杆:长2m,杆上涂红、白相间的色带;手旗:颜色为红色、白色和黄色;秒表:推确度为一级,分辨力为0.01s;电子计时器:分辨力为0.1ms
五轮仪;
声级计:一型,误差不大于士0.7dB(A);燃油消耗测量装置:误差不大于土2%;量筒:容量为500mL,分辨力为5mL;制动打(喷)印器:滞后时间小于0.05s;不分光红外线气体分析仪:准确度不低于土3%,响应时间t≤10s,温度计:分辨力为1℃;
风速仪:0~30m/s,误差不大于士0.4m/s;n.
GB/T5378—94
大气压力计:误差不大于士70Pa,湿度计:误差不大于士6%;
转速表:30~12000r/min,误差不大于士0.5%,轮胎压力表:分辨力为10kPa;
坡度仪:误差不大于士0.5°;
照度计:误差不大于士7%,
衡器:分辨力为0.2kg。
其他仪器,如能满足上述要求也可以采用。试验用仪器,在使用时必须有法定计量部门签发的有效期内的检定合格证。4.3试验道路
4.3.1除特殊规定外,各项性能试验均应在沥青或混凝土的直线道路上进行,路面应平坦、干燥、整洁。4.3.2除特殊规定外,试验路段应尽量水平,其纵向坡度不允许超过1%,且任意两点之间的高度差不允许超过1m,横向坡度不允许超过3%。4.4驾驶员
4.4.1驾驶员及其装备的总质量为75kg。4.4.2驾驶员应持有驾驶证,具有熟练的驾驶技术,并应熟悉试验方法。4.4.3驾驶员必须配备头盔、防护眼镜、紧身试车衣裤、手套、试车鞋、以及其他必备的防护用品。带驾驶室的三轮摩托车驾驶员除外。4.4.4驾驶时,驾驶员应坐在规定的驾驶位置上,双手控制方向把,双脚放在脚上,双臂应正常伸展。4.5气候条件
除特殊规定外,各项性能试验应在风速不大于3m/s的条件下进行。4.6其他
有关事项见附录A(补充件)。
5取值规则
5.1试验次数根据试验目的而定,无特殊要求时,一般规定为二次,一个往返为一次,每个往返必须连续进行,取其往返的算术平均值。往返的测量值偏差率不允许超过表1的规定,超过时此次为无效,应重做。
试验项目
燃油消耗
制动距离
加速性能
测试内容
燃油消耗量,mL
修正后的制动距离,m
时间,s
距离,m
偏差率,%
当试验次数为二次或二次以上时,怠速排放值取平均值,噪声值取最大值,其他性能指标值取最优5.2
5.3测量值偏差率按式(4)计算:2IA— B
式中:e—
偏差率;
“往”时测量值;
× 100%
(4)
“返”时测量值。
GB/T537894
5.4数值修约应符合GB8170。修约后保留的位数应符合表2的规定。表2
试验项目
里程表指示值校核
起动性能
最低稳定车速
最高车速
加速性能
爬坡性能
燃油消耗
制动距离
怠速排放
试验记录
测试内容
校核系数
燃油消耗量
修正后的制动距离
噪声级
各项试验结果汇总记录于附录B表B2中。128
L/100km
修约后保留位数
三位小数
一位小数
一位小数
位小数
-位小数
一位小数
一位小数
二位小数
二位小数
位小数
百位数
AT秒表
GB/T 5378-94
附录A
补充说明
(补充件)
若用秒表计时,必须用三块秒表同时计时,测量值取其算术平均值。每块秒表的测量值与三块秒表算术平均值的偏差值不允许超过土0.3s。若其中有一块秒表的测量值与三块秒表算术平均值的偏差值超过规定值,则该秒表的测量值无效,按其他两块秒表的算术平均值作为测量值。若其中有两块秒表的测量值与三块秒表算术平均值的偏差超过规定值,则这次试验无效。A2在等效的条件下,各项道路试验允许在试验台上进行,对等效条件有争议时,仲裁以路试为准。附录B
走合行驶记录和性能试验汇总表(补充件)
表B1走合行驶记录表
制造厂名
车架编号
走合里程
空车质量
汽油牌号
驾驶员
车辆型号
发动机编号
km开始日期
kg驾驶员质量
润滑油牌号
检验员
里程表
检验编号
出广日期
结束日期
kg加载质量
容积混合比
百公里
汽油故障里程、
车速消耗量
km/h|km/hl
消耗量情况与采取
的措施
制造厂名
车架编号
空车质量
汽油牌号
附加说明:
试验项目
GB/T 5378—94
表B2性能试验汇总表
车辆型号
发动机编号
kg检验开始日期
润滑油牌号
本标准由中国汽车工业总公司提出。本标准由全国汽车标准化技术委员会归口。本标准由国家摩托车质量监督检验中心负责起草。主要起草人张德秀、许敬勋。
检验编号
出厂日期
检验结束日期
容积混合比
性能指标
试验结果
小提示:此标准内容仅展示完整标准里的部分截取内容,若需要完整标准请到上方自行免费下载完整标准文档。
标准图片预览:





- 热门标准
 - 国家标准(GB)
 
- GB/T13070-1991 铀矿石中铀的测定 电位滴定法
 - GB/T21666-2008 尿吸收辅助器具 评价的一般指南
 - GB/T2670.2-2017 内六角花形沉头自攻螺钉
 - GB/T19561-2004 寒地节能日光温室建造规程
 - GB/T7574-1987 信息处理交换用磁带标号和文卷结构
 - GB/T24715-2009 氧源转换器
 - GB/T38684-2020 金属材料 薄板和薄带 双轴应力-应变曲线胀形试验 光学测量方法
 - GB/T9003-1988 调音台基本特性测量方法
 - GB5585.3-1985 电工用铜、铝及其合金母线 第3部分:铝母线
 - GB11564-2008 机动车回复反射器
 - GB/Z21193.2-2008 矿物燃烧蒸汽发电站 第2部分:汽包水位控制
 - GB/T18442.6-2011 固定式真空绝热深冷压力容器 第6部分:安全防护
 - GB∕T33370-2016 铜及铜合金软化温度的测定方法
 - GB/Z18039.7-2011 电磁兼容 环境公用供电系统中的电压暂降、短时中断及其测量统计结果
 - GB/T283-2007 滚动轴承圆柱滚子轴承外形尺寸
 
- 行业新闻
 
请牢记:“bzxz.net”即是“标准下载”四个汉字汉语拼音首字母与国际顶级域名“.net”的组合。 ©2025 标准下载网 www.bzxz.net 本站邮件:bzxznet@163.com
网站备案号:湘ICP备2025141790号-2
网站备案号:湘ICP备2025141790号-2