- 您的位置:
- 标准下载网 >>
- 标准分类 >>
- 其他行业标准 >>
- FZ/T 54122-2020抗菌涤纶低弹丝
标准号:
FZ/T 54122-2020
标准名称:
抗菌涤纶低弹丝
标准类别:
其他行业标准
英文名称:
Antibacterial polyester(PET) drawn textured yarns标准状态:
现行-
发布日期:
2020-04-16 -
实施日期:
2020-10-01 出版语种:
简体中文下载格式:
.pdf .zip下载大小:
2.17 MB
点击下载
标准简介:
本标准规定了抗菌涤纶低弹丝的术语和定义、产品标识、技术要求、试验方法、检验规则和标志、包装、运输、贮存的要求。
本标准适用于以聚对苯二甲酸乙二醇酯为原料,添加以银离子、氧化亚铜、铜单质为主要抗菌成分的抗菌剂加工而成的,总线密度30 dtex~255 dtex、单丝线密度0.8d tex~5.6 dtex,截面形状为圆形、十字形、本色的抗菌涤纶低弹丝,其它抗菌剂、规格或类型的抗菌涤纶低弹丝可参照使用。
部分标准内容:
ICS59.060.20
中华人民共和国纺织行业标准
FZ/T54122—2020
抗菌涤纶低弹丝
Antibacterial polyester(PET) drawn textured yarns2020-04-16发布
中华人民共和国工业和信息化部发布
2020-10-01实施
本标准按照GB/T1.1-2009给出的规则起草。本标准由中国纺织工业联合会提出。本标准由上海市纺织工业技术监督所归口。FZ/T54122—2020
本标准起草单位:新凤鸣集团股份有限公司、苏州申久高新纤维有限公司、安徽东锦资源再生科技有限公司、浙江古纤道股份有限公司、厦门翔鹭化纤股份有限公司、太仓荣文合成纤维有限公司、浙江银瑜新材料股份有限公司、晋大纳米科技(厦门)有限公司、江苏微笑新材料科技有限公司、桐昆集团股份有限公司、苏州宝丽迪材料科技股份有限公司、嘉兴学院、上海市纺织工业技术监督所、中国化学纤维工业协会。
本标准主要起草人:崔利、曹小芬、何正锋、邢朝东、李蓉、张冬贵、全潇、李刚、吴永鑫、汪荣华、杨卫星、孙伟辰、颜志勇、李红杰、刘世扬。I
1范围
抗菌涤纶低弹丝
FZ/T54122—2020
本标准规定了抗菌涤纶低弹丝的术语和定义、产品标识、技术要求、试验方法、检验规则和标志、包装、运输、贮存的要求。
本标准适用于以聚对苯二甲酸乙二醇酯为原料,添加以银离子、氧化亚铜、铜单质为主要抗菌成分的抗菌剂加工而成的,总线密度为30dtex~255dtex、单丝线密度为0.8dtex5.6dtex,截面形状为圆形、十字形、本色的抗菌涤纶低弹丝,其他抗菌剂、规格或类型的抗菌涤纶低弹丝可参照使用。2规范性引用文件
下列文件对于本文件的应用是必不可少的。凡是注日期的引用文件,仅注日期的版本适用于本文件。凡是不注日期的引用文件,其最新版本(包括所有的修改单)适用于本文件。GB/T250纺织品色牢度试验评定变色用灰色样卡GB/T2828.1一2012计数抽样检验程序第1部分:按接收质量限(AQL)检索的逐批检验抽样计划
GB/T3291.1
纺织材料性能和试验术语第1部分:纤维和纱线GB/T3291.3纺织
纺织材料性能和试验术语第3部分:通用GB/T4146(所有部分):
纺织品化学纤维
GB/T6502
GB/T6504
GB/T6505
GB/T6506
GB/T6508
化学纤维
长丝取样方法
化学纤维
化学纤维
含油率试验方法
长丝热收缩率试验方法(处理后)变形丝卷缩性能试验方法
合成纤维
涤纶长丝染色均匀度试验方法
GB/T8170一2008数值修约规则与极限数值的表示和判定GB/T14343
GB/T14344
化学纤维长丝线密度试验方法
化学纤维长丝拉伸性能试验方法纺织品抗菌性能的评价第3部分:振荡法GB/T20944.3
FZ/T50001一2017合成纤维长丝网络度试验方法FZ/T50002
化学纤维异形度试验方法
3术语和定义
GB/T3291.1、GB/T3291.3和GB/T4146(所有部分)界定的以及下列术语和定义适用于本文件3.1
抗菌涤纶低弹丝
antibacterialpolyester(PET)drawntexturedyarns在聚合或纺丝过程中添加抗菌物质,纺制而成的涤纶低弹丝。4产品标识
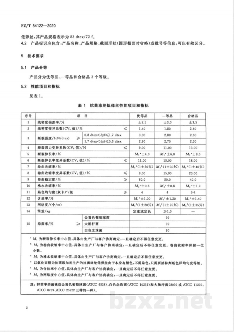
4.1产品规格以线密度(dtex)、单丝根数(f)表示。例如:线密度为83dtex,单丝根数为72的抗菌涤纶1
FZ/T54122—2020
低弹丝,其产品规格表示为83dtex/72f。4.2产品标识应包含:产品名称、产品规格、截面形状(圆形截面时省略)或批号等信息,可以有效区分。技术要求
5.1产品分等
产品分为优等品、一等品和合格品3个等级。性能项目和指标
见表1。
表1抗菌涤纶低弹丝性能项目和指标序号
线密度偏差率/%
线密度变异系数(CV值)/%
断裂强度/(cN/dtex)
0.8dtex1.7 dtex断裂强力变异系数(CV值)/%
断裂伸长率/%
断裂伸长率变异系数(CV,值)/%卷曲收缩率/%
卷曲收缩率变异系数(CV,值)/%卷曲稳定度/%
沸水收缩率/%
染色均匀度(灰卡)/级
含油率/%
网络度/(个/m)
简重/kg
金黄色葡萄球菌
抑菌率/%
大肠杆菌
白色念珠菌
优等品
Mz(1±20%)
M3°±0.6
M,*±1.00
Ms(1±20%)
定重或定长
一等品
Mz(1±30%)
M°±1.20
Ms(1±25%)
·M,为断裂伸长率中心值,具体由生产厂与客户协商确定,一旦确定后不得任意变更。合格品
M2*(1±40%)
Me°±1.2
M·±1.40
Ms(1±35%)
bM2为卷曲收缩率中心值,具体由生产厂与客户协商确定,一旦确定后不得任意变更。卷曲收缩率保留一位
小数。
“Ms为沸水收缩率中心值,具体由生产厂与客户协商确定,一旦确定后不得任意变更。。以氧化亚铜为抗菌添加剂生产的抗菌涤纶低弹丝由于本身有颜色,不需染色,只需要摇袜判断色泽均匀度等级。:M为含油率中心值,具体由生产厂与客户协商确定,一且确定后不得任意变更。↑M,为网络度中心值,具体由生产厂与客户协商确定,一旦确定后不得任意变更。注:抑菌率的菌株指金黄色葡萄球菌(ATCC6538)、白色念珠菌(ATCC10231)和大肠杆菌(8099或ATCC11229、ATCC8739、ATCC25922三种的一种)。2
5.3截面形状和异形度
由供需双方协商确定。
5.4外观项目和指标
由供需双方根据后道产品的要求协商确定。试验方法
线密度试验
按GB/T14343规定执行。
拉伸性能试验
按GB/T14344规定执行。
6.3卷缩性能试验
按GB/T6506规定执行。
6.4沸水收缩性能试验
按GB/T6505规定执行。bZxz.net
染色均匀度试验
FZ/T54122—2020
按GB/T6508规定执行。以氧化亚铜为抗菌添加剂生产的抗菌涤纶低弹丝只需要摇袜判断色泽均匀度等级。
含油率试验
按GB/T6504规定执行。
6.7网络度试验
按FZ/T50001一2017规定执行,仲裁时采用手工移针法,测试结果修约至整数。6.8
3筒重试验
用检定分度值小于等于卷装质量0.1%、最大秤量的20%~80%能覆盖卷装质量的磅秤、电子秤等衡器称取卷装的质量,扣除已知的皮质量,该净质量即为筒重,精确至0.5%,并记录。9抗菌性能试验
按GB/T20944.3规定执行。
6.10异形度
按FZ/T50002规定执行。
6.11外观检验
6.11.1设备
分级台:黑色台面,高度为75cm~80cm,上面平行挂二支D65高显色荧光灯(或40W普通荧光3
FZ/T54122—2020
灯),周围环境应无其他散射光和反射光。工作点的照度大于或等于6001x。6.11.2检验步骤
6.11.2.1仔细观察卷装的二个端面和一个柱表面。6.11.2.2对每个被检卷装进行外观检验,并记录。7检验规则
7.1检验类型
检验类型分为型式检验和出厂检验。当出现下列情况之一时须进行型式检验:a)规定的周期性检验时;
b)正式生产过程中,生产设计、工艺或原料有变化,可能影响产品质量时;出厂检验的结果与上次型式检验有较大差异时;c)
生产装置检修,恢复生产时;
国家检验机构要求进行型式检验时。7.2检验项目
7.2.1表1中1~14项目为出厂检验项目,表1中1~15项目为型式检验项目。7.2.2外观检验项目按5.4规定。7.3
组批规定
在一定范围内采用周期性取样组成检验批。一个生产批可由一个检验批组成,也可由若干检验批组成。
7.4取样规定
7.4.1表1中各项目试验的实验室样品按GB/T6502规定取样,其中染色均匀度全数检验。7.4.2外观检验、筒重逐筒取样。7.5检验结果评定
7.5.1表1中的指标项目的测定值或计算值按GB/T8170一2008中修约值比较法与表1的极限数值比较,评定等级。其中染色均匀度根据染色极差(含同一段袜带内的深浅条纹)按GB/T250逐筒评定等级。
外观检验按5.4规定,逐筒评定等级。7.5.3产品综合等级的评定,以检验批中性能指标和外观指标最低项的等级定为该批产品的等级。7.6复验规则
7.6.1通则
一批产品到收货方1个月内,作为验收或对品质有异议时可提请复验。若该批产品的数量使用了三分之一以上时,不得申请复验。但如果收货方可以出示相关证据证明该批产品确实影响到后加工产品的品质,并造成严重损失时,应分析原因,明确双方责任、协商处理。7.6.2检验项目
同7.2。
7.6.3组批规定
按原生产批组批,但生产日期间隔超过90天的产品不能按同一批号组批。7.6.4取样规定
性能项目的实验室样品按GB/T6502规定取样。7.6.4.1
FZ/T54122—2020
7.6.4.2外观为抽样检验。根据批量按GB/T2828.1一2012表1中一般检验水平Ⅱ规定确定样本大小(字码)。
7.6.5复验评定
7.6.5.1表1中的指标项目的测定值或计算值按GB/T8170一2008中修约值比较法与表1的指标的极限数值比较,评定等级。其中染色均匀度根据所有样品卷装的极差(含同一段袜带内的深浅条纹)按GB/T250评定等级。
7.6.5.2外观项目按7.6.4.2样本大小,根据GB/T2828.1一2012表2-A中正常检验一次抽样方案AQL值为4.0,确定接收数Ac和拒收数Re,并按供需双方合同指标评定,当不合格的卷装数8标志、包装、运输、贮存
8.1标志
包装箱上应标明产品名称、规格、等级、批号、净重、毛重、卷装个数、包装日期、产品标准编号、商标、生产企业名称、详细地址等相关信息和防潮、小心轻放等警示标志。8.2包装
8.2.1每个卷装都必须套一个塑料袋后放人包装箱。包装的质量应能保证卷装不受损伤。8.2.2每个包装箱内的卷装大小尽量均匀。不同品种、规格、批号、等级要分别装箱,严禁混装。8.2.3每批产品应附质量检验单。8.3运输
运输过程中禁止包装箱损坏、受潮、曝晒、倾斜和倒置。8.4购存
包装箱按批堆放,贮存在干燥、清洁、通风且不可日光直晒的场所。5
小提示:此标准内容仅展示完整标准里的部分截取内容,若需要完整标准请到上方自行免费下载完整标准文档。
中华人民共和国纺织行业标准
FZ/T54122—2020
抗菌涤纶低弹丝
Antibacterial polyester(PET) drawn textured yarns2020-04-16发布
中华人民共和国工业和信息化部发布
2020-10-01实施
本标准按照GB/T1.1-2009给出的规则起草。本标准由中国纺织工业联合会提出。本标准由上海市纺织工业技术监督所归口。FZ/T54122—2020
本标准起草单位:新凤鸣集团股份有限公司、苏州申久高新纤维有限公司、安徽东锦资源再生科技有限公司、浙江古纤道股份有限公司、厦门翔鹭化纤股份有限公司、太仓荣文合成纤维有限公司、浙江银瑜新材料股份有限公司、晋大纳米科技(厦门)有限公司、江苏微笑新材料科技有限公司、桐昆集团股份有限公司、苏州宝丽迪材料科技股份有限公司、嘉兴学院、上海市纺织工业技术监督所、中国化学纤维工业协会。
本标准主要起草人:崔利、曹小芬、何正锋、邢朝东、李蓉、张冬贵、全潇、李刚、吴永鑫、汪荣华、杨卫星、孙伟辰、颜志勇、李红杰、刘世扬。I
1范围
抗菌涤纶低弹丝
FZ/T54122—2020
本标准规定了抗菌涤纶低弹丝的术语和定义、产品标识、技术要求、试验方法、检验规则和标志、包装、运输、贮存的要求。
本标准适用于以聚对苯二甲酸乙二醇酯为原料,添加以银离子、氧化亚铜、铜单质为主要抗菌成分的抗菌剂加工而成的,总线密度为30dtex~255dtex、单丝线密度为0.8dtex5.6dtex,截面形状为圆形、十字形、本色的抗菌涤纶低弹丝,其他抗菌剂、规格或类型的抗菌涤纶低弹丝可参照使用。2规范性引用文件
下列文件对于本文件的应用是必不可少的。凡是注日期的引用文件,仅注日期的版本适用于本文件。凡是不注日期的引用文件,其最新版本(包括所有的修改单)适用于本文件。GB/T250纺织品色牢度试验评定变色用灰色样卡GB/T2828.1一2012计数抽样检验程序第1部分:按接收质量限(AQL)检索的逐批检验抽样计划
GB/T3291.1
纺织材料性能和试验术语第1部分:纤维和纱线GB/T3291.3纺织
纺织材料性能和试验术语第3部分:通用GB/T4146(所有部分):
纺织品化学纤维
GB/T6502
GB/T6504
GB/T6505
GB/T6506
GB/T6508
化学纤维
长丝取样方法
化学纤维
化学纤维
含油率试验方法
长丝热收缩率试验方法(处理后)变形丝卷缩性能试验方法
合成纤维
涤纶长丝染色均匀度试验方法
GB/T8170一2008数值修约规则与极限数值的表示和判定GB/T14343
GB/T14344
化学纤维长丝线密度试验方法
化学纤维长丝拉伸性能试验方法纺织品抗菌性能的评价第3部分:振荡法GB/T20944.3
FZ/T50001一2017合成纤维长丝网络度试验方法FZ/T50002
化学纤维异形度试验方法
3术语和定义
GB/T3291.1、GB/T3291.3和GB/T4146(所有部分)界定的以及下列术语和定义适用于本文件3.1
抗菌涤纶低弹丝
antibacterialpolyester(PET)drawntexturedyarns在聚合或纺丝过程中添加抗菌物质,纺制而成的涤纶低弹丝。4产品标识
4.1产品规格以线密度(dtex)、单丝根数(f)表示。例如:线密度为83dtex,单丝根数为72的抗菌涤纶1
FZ/T54122—2020
低弹丝,其产品规格表示为83dtex/72f。4.2产品标识应包含:产品名称、产品规格、截面形状(圆形截面时省略)或批号等信息,可以有效区分。技术要求
5.1产品分等
产品分为优等品、一等品和合格品3个等级。性能项目和指标
见表1。
表1抗菌涤纶低弹丝性能项目和指标序号
线密度偏差率/%
线密度变异系数(CV值)/%
断裂强度/(cN/dtex)
0.8dtex
断裂伸长率/%
断裂伸长率变异系数(CV,值)/%卷曲收缩率/%
卷曲收缩率变异系数(CV,值)/%卷曲稳定度/%
沸水收缩率/%
染色均匀度(灰卡)/级
含油率/%
网络度/(个/m)
简重/kg
金黄色葡萄球菌
抑菌率/%
大肠杆菌
白色念珠菌
优等品
Mz(1±20%)
M3°±0.6
M,*±1.00
Ms(1±20%)
定重或定长
一等品
Mz(1±30%)
M°±1.20
Ms(1±25%)
·M,为断裂伸长率中心值,具体由生产厂与客户协商确定,一旦确定后不得任意变更。合格品
M2*(1±40%)
Me°±1.2
M·±1.40
Ms(1±35%)
bM2为卷曲收缩率中心值,具体由生产厂与客户协商确定,一旦确定后不得任意变更。卷曲收缩率保留一位
小数。
“Ms为沸水收缩率中心值,具体由生产厂与客户协商确定,一旦确定后不得任意变更。。以氧化亚铜为抗菌添加剂生产的抗菌涤纶低弹丝由于本身有颜色,不需染色,只需要摇袜判断色泽均匀度等级。:M为含油率中心值,具体由生产厂与客户协商确定,一且确定后不得任意变更。↑M,为网络度中心值,具体由生产厂与客户协商确定,一旦确定后不得任意变更。注:抑菌率的菌株指金黄色葡萄球菌(ATCC6538)、白色念珠菌(ATCC10231)和大肠杆菌(8099或ATCC11229、ATCC8739、ATCC25922三种的一种)。2
5.3截面形状和异形度
由供需双方协商确定。
5.4外观项目和指标
由供需双方根据后道产品的要求协商确定。试验方法
线密度试验
按GB/T14343规定执行。
拉伸性能试验
按GB/T14344规定执行。
6.3卷缩性能试验
按GB/T6506规定执行。
6.4沸水收缩性能试验
按GB/T6505规定执行。bZxz.net
染色均匀度试验
FZ/T54122—2020
按GB/T6508规定执行。以氧化亚铜为抗菌添加剂生产的抗菌涤纶低弹丝只需要摇袜判断色泽均匀度等级。
含油率试验
按GB/T6504规定执行。
6.7网络度试验
按FZ/T50001一2017规定执行,仲裁时采用手工移针法,测试结果修约至整数。6.8
3筒重试验
用检定分度值小于等于卷装质量0.1%、最大秤量的20%~80%能覆盖卷装质量的磅秤、电子秤等衡器称取卷装的质量,扣除已知的皮质量,该净质量即为筒重,精确至0.5%,并记录。9抗菌性能试验
按GB/T20944.3规定执行。
6.10异形度
按FZ/T50002规定执行。
6.11外观检验
6.11.1设备
分级台:黑色台面,高度为75cm~80cm,上面平行挂二支D65高显色荧光灯(或40W普通荧光3
FZ/T54122—2020
灯),周围环境应无其他散射光和反射光。工作点的照度大于或等于6001x。6.11.2检验步骤
6.11.2.1仔细观察卷装的二个端面和一个柱表面。6.11.2.2对每个被检卷装进行外观检验,并记录。7检验规则
7.1检验类型
检验类型分为型式检验和出厂检验。当出现下列情况之一时须进行型式检验:a)规定的周期性检验时;
b)正式生产过程中,生产设计、工艺或原料有变化,可能影响产品质量时;出厂检验的结果与上次型式检验有较大差异时;c)
生产装置检修,恢复生产时;
国家检验机构要求进行型式检验时。7.2检验项目
7.2.1表1中1~14项目为出厂检验项目,表1中1~15项目为型式检验项目。7.2.2外观检验项目按5.4规定。7.3
组批规定
在一定范围内采用周期性取样组成检验批。一个生产批可由一个检验批组成,也可由若干检验批组成。
7.4取样规定
7.4.1表1中各项目试验的实验室样品按GB/T6502规定取样,其中染色均匀度全数检验。7.4.2外观检验、筒重逐筒取样。7.5检验结果评定
7.5.1表1中的指标项目的测定值或计算值按GB/T8170一2008中修约值比较法与表1的极限数值比较,评定等级。其中染色均匀度根据染色极差(含同一段袜带内的深浅条纹)按GB/T250逐筒评定等级。
外观检验按5.4规定,逐筒评定等级。7.5.3产品综合等级的评定,以检验批中性能指标和外观指标最低项的等级定为该批产品的等级。7.6复验规则
7.6.1通则
一批产品到收货方1个月内,作为验收或对品质有异议时可提请复验。若该批产品的数量使用了三分之一以上时,不得申请复验。但如果收货方可以出示相关证据证明该批产品确实影响到后加工产品的品质,并造成严重损失时,应分析原因,明确双方责任、协商处理。7.6.2检验项目
同7.2。
7.6.3组批规定
按原生产批组批,但生产日期间隔超过90天的产品不能按同一批号组批。7.6.4取样规定
性能项目的实验室样品按GB/T6502规定取样。7.6.4.1
FZ/T54122—2020
7.6.4.2外观为抽样检验。根据批量按GB/T2828.1一2012表1中一般检验水平Ⅱ规定确定样本大小(字码)。
7.6.5复验评定
7.6.5.1表1中的指标项目的测定值或计算值按GB/T8170一2008中修约值比较法与表1的指标的极限数值比较,评定等级。其中染色均匀度根据所有样品卷装的极差(含同一段袜带内的深浅条纹)按GB/T250评定等级。
7.6.5.2外观项目按7.6.4.2样本大小,根据GB/T2828.1一2012表2-A中正常检验一次抽样方案AQL值为4.0,确定接收数Ac和拒收数Re,并按供需双方合同指标评定,当不合格的卷装数
8.1标志
包装箱上应标明产品名称、规格、等级、批号、净重、毛重、卷装个数、包装日期、产品标准编号、商标、生产企业名称、详细地址等相关信息和防潮、小心轻放等警示标志。8.2包装
8.2.1每个卷装都必须套一个塑料袋后放人包装箱。包装的质量应能保证卷装不受损伤。8.2.2每个包装箱内的卷装大小尽量均匀。不同品种、规格、批号、等级要分别装箱,严禁混装。8.2.3每批产品应附质量检验单。8.3运输
运输过程中禁止包装箱损坏、受潮、曝晒、倾斜和倒置。8.4购存
包装箱按批堆放,贮存在干燥、清洁、通风且不可日光直晒的场所。5
小提示:此标准内容仅展示完整标准里的部分截取内容,若需要完整标准请到上方自行免费下载完整标准文档。
标准图片预览:





- 其它标准
- 上一篇: FZ/T 54109-2018有色对位芳纶长丝
- 下一篇: FZ/T 54120-2019有色氨纶长丝
- 热门标准
- 其他行业标准
- QB/T4785-2015 往复锯条
- QB/T4698-2014 家用和类似用途软水机
- FZ/T54085-2016 阻燃涤纶低弹丝
- QB/T1042-2014 数字式世界钟
- FZ/T61008-2015 摇粒绒毯
- FZ/T62036-2017 乳胶枕、垫
- FZ/T61002-2019 化纤仿毛毛毯
- T/CMAJY047-2021 加油机在线监督管理规范
- NB/T31048.1-2014 风力发电机用绕组线 第1部分 一般规定
- FZ/T73043-2012 针织衬衫
- YB/T5315-2016 硅钙合金 磷含量的测定 磷钼蓝分光光度法
- FZ/T54091-2016 导电锦纶6牵伸丝
- FZ/T66310-1995 特种工业用厚型带
- JB/T8645-2011 潜水螺杆泵
- FZ/T92036-2017 弹簧加压摇架
- 行业新闻
请牢记:“bzxz.net”即是“标准下载”四个汉字汉语拼音首字母与国际顶级域名“.net”的组合。 ©2025 标准下载网 www.bzxz.net 本站邮件:bzxznet@163.com
网站备案号:湘ICP备2025141790号-2
网站备案号:湘ICP备2025141790号-2