- 您的位置:
- 标准下载网 >>
- 标准分类 >>
- 其他行业标准 >>
- FZ/T 52052-2018低熔点聚酯(LMPET)/再生聚酯(RPET)复合短纤维
标准号:
FZ/T 52052-2018
标准名称:
低熔点聚酯(LMPET)/再生聚酯(RPET)复合短纤维
标准类别:
其他行业标准
英文名称:
Low melting point polyester(LMPET)/recycled polyester(RPET)bicomponent staple fiber标准状态:
现行-
发布日期:
2018-04-30 -
实施日期:
2018-09-01 出版语种:
简体中文下载格式:
.pdf .zip
点击下载
标准简介:
本标准规定了低熔点聚酯(LMPET)/再生聚酯(RPET)复合短纤维的术语和定义、产品标识、技术要求、试验方法、检验规则和标志、包装、运输、贮存的要求。
本标准适用于线密度为3.3dtex~6.0dtex的皮芯结构、圆形截面、本色的低熔点聚酯(LMPET)/再生聚酯(RPET)复合短纤维。其它规格及类型的低熔点聚酯(LMPET)/再生聚酯(RPET)复合短纤维可参照使用。
部分标准内容:
ICS59.060.20
中华人民共和国纺织行业标准
FZ/T52052—2018
低熔点聚酯(LMPET)/再生聚酯(RPET)复合短纤维
Low meltingpoint polyester(LMPET)/recycled polyester(RPET)bicomponentstaplefiber
2018-04-30发布
中华人民共和国工业和信息化部2018-09-01实施
本标准按照GB/T1.1一2009给出的规则起草。本标准由中国纺织工业联合会提出。本标准由上海市纺织工业技术监督所归口。FZ/T52052-2018
本标准起草单位:宁波大发化纤有限公司、浙江理工大学、扬州富威尔复合材料有限公司、上海市纺织工业技术监督所、上海纺织集团检测标准有限公司、中国化学纤维工业协会。本标准主要起草人:钱军、邢喜全、王秀华、朱兴荣、周祯德、蔡雯嫣、吴文静。I
1范围
低熔点聚酯(LMPET)/再生聚酯(RPET)复合短纤维
FZ/T52052—2018
本标准规定了低熔点聚酯(LMPET)/再生聚酯(RPET)复合短纤维的产品标识、技术要求、试验方法、检验规则和标志、包装、运输、贮存的要求。本标准适用于线密度为3.3dtex~6.0dtex的皮芯结构、圆形截面、本色的低熔点聚酯(LMPET)/再生聚酯(RPET)复合短纤维。其他规格及类型的低熔点聚酯(LMPET)/再生聚酯(RPET)复合短纤维可参照使用。
2规范性引用文件
下列文件对于本文件的应用是必不可少的。凡是注日期的引用文件,仅注日期的版本适用于本文件。凡是不注日期的引用文件,其最新版本(包括所有的修改单)适用于本文件。GB/T3291.1
GB/T3291.3
纺织材料性能和试验术语第1部分:纤维和纱线纺织
纺织材料性能和试验术语第3部分:通用GB/T4146(所有部分)全
纺织品化学纤维
GB/T6503
化学纤维
GB/T6504—2008
GB/T8170—2008
GB/T14334
GB/T14335
GB/T14336
GB/T14337
GB/T14338
GB/T14339
GB/T14342
回潮率试验方法
化学纤维含油率试验方法
数值修约规则与极限数值的表示和判定化学纤维
化学纤维
化学纤维
化学纤维
化学纤维
化学纤维
化学纤维
GB/T17593(所有部分)
FZ/T50004
3术语和定义
短纤维取样方法
短纤维线密度试验方法
短纤维长度试验方法
短纤维拉伸性能试验方法
短纤维卷曲性能试验方法
短纤维疵点试验方法
短纤维比电阻试验方法
纺织品重金属的测定
涤纶短纤维干热收缩率试验方法GB/T3291.1、GB/T3291.3和GB/T4146(所有部分)界定的以及下列术语和定义适用于本标准。3.1
低熔点聚酯(LMPET)
lowmeltingpointpolyester
通过改性制得的熔点低于常规聚酯的聚酯产品。3.2
lowmeltingpointpolyester(LMPET)/低熔点聚酯(LMPET)/再生聚酯(RPET)复合短纤维recycled polyester(RPET)bicomponent staple fiber由低熔点聚酯(LMPET)与再生聚酯(RPET)经复合纺丝工艺制成的短纤维。1
FZ/T52052-—2018
婴幼儿用品
productsforinfants
36个月及以下的婴幼儿穿着或使用的产品。3.4
直接接触皮肤用品
products with direct contact to skin在穿着或使用时,其大部分面积与人体皮肤直接接触的产品(如衬衫、内衣、毛巾、床单等)。3.5
非直接接触皮肤用品
productswithoutdirectcontacttoskin在穿着或使用时,不直接接触皮肤或其小部分与人体皮肤接触的产品(如外衣)。3.6
装饰材料
home decorations
用于装饰的产品(如桌布、墙布、窗帘、地毯等)4
产品标识
产品规格以线密度(dtex)和切断长度(mm)表示。示例:线密度为5.0dtex、切断长度为51mm的低熔点聚酯(LMPET)/再生聚酯(RPET)复合短纤维,其规格表示为5.0dtexX51mm。
产品标识应包含:规格、产品名称或批号等信息,可以有效区分。4.2
技术要求
产品分等
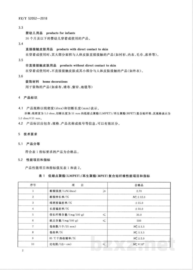
符合表1指标要求的产品为合格品。性能项目和指标
产品性能项目和指标值见表1和表2。表1
低熔点聚酯(LMPET)/再生聚酯(RPET)复合短纤维性能项目和指标项
断裂强度/(cN/dtex)
断裂伸长率/%
线密度偏差率/%
长度偏差率/%
倍长纤维含量/(mg/100g)
症点含量/(mg/100g)
卷曲数/(个/25mm)
卷曲率/%
85℃干热收缩率/%
比电阻/(a·cm)
合格品
M;x109
粘结温度/℃
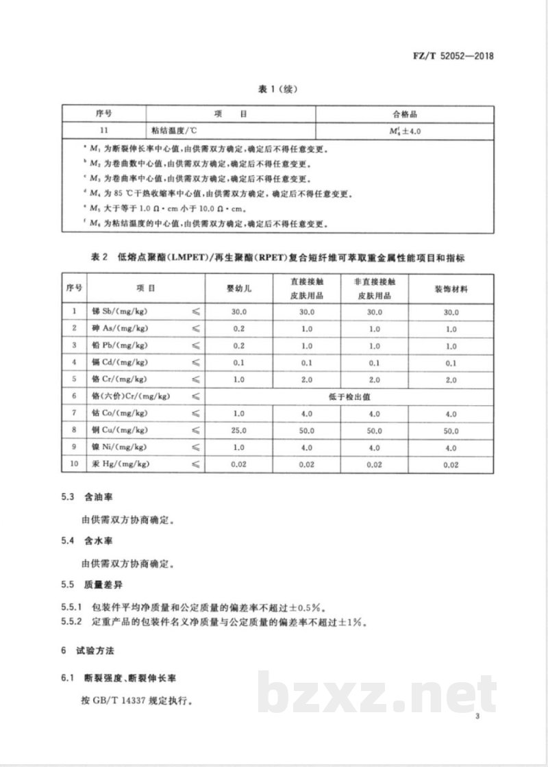
表1(续)
,M,为断裂伸长率中心值,由供需双方确定,确定后不得任意变更。“M2为卷曲数中心值,由供需双方确定,确定后不得任意变更“M,为卷曲率中心值,由供需双方确定,确定后不得任意变更。“M,为85℃干热收缩率中心值,由供需双方确定,确定后不得任意变更。“Ms大于等于1.0n·cm小于10.0a·cm。fM。为粘结温度的中心值,由供需双方确定,确定后不得任意变更。表2
FZ/T52052-2018
合格品
低熔点聚酯(LMPET)/再生聚酯(RPET)复合短纤维可萃取重金属性能项目和指标项目
Sb/(mg/kg)
砷As/(mg/kg)
铅Pb/(mg/kg)
镉Cd/(mg/kg)
铬Cr/(mg/kg)
铬(六价)Cr/(mg/kg)
钻Co/(mg/kg)
铜Cu/(mg/kg)
镍Ni/(mg/kg)
汞Hg/(mg/kg)
含油率
由供需双方协商确定。
含水率
由供需双方协商确定。
质量差异
婴幼儿
直接接触
皮肤用品
包装件平均净质量和公定质量的偏差率不超过士0.5%。非直接接触
皮肤用品
低于检出值
定重产品的包装件名义净质量与公定质量的偏差率不超过士1%试验方法
断裂强度、断裂伸长率
按GB/T14337规定执行。
装饰材料
FZ/T52052—2018
线密度偏差率
按GB/T14335规定执行。
6.3长度偏差率、倍长纤维含量
按GB/T14336规定执行。
疵点含量
按GB/T14339规定执行。
卷曲数、卷曲率
按GB/T14338规定执行。
85℃干热收缩率
按FZ/T50004规定执行,其中放人烘箱中热处理的温度为85℃,时间为15min。6.7
比电阻
按GB/T14342规定执行。
6.8含油率
按GB/T6504—2008中附录C快速挤压法规定执行。6.9
含水率
按GB/T6503规定执行。
可萃取重金属含量
按GB/T17593规定执行。
质量差异的测定
将批样品按GB/T14334规定得到包装件的净质量。6.11.1
将实验室样品按GB/T6503规定得到实测含水率。6.11.2
3对N个包装件质量差异的计算公式见式(1)~式(4):6.11.3
m=m×(1-W)×(1+R。)
式中:
包装件平均净质量,单位为千克(kg);(1)
.·(3)
.....(4)
-每个包装件净质量,单位为千克(kg);包装件数量;
包装件公定质量,单位为千克(kg);实测含水率,%;
低熔点酯/再生聚酯复合短纤维的公定回潮率,其值为0.4%;包装件平均净质量和公定质量的偏差率,%;包装件名义净质量和公定质量的偏差率,%;包装件名义质量,单位为千克(kg)。7检验规则
检验项目
FZ/T52052—2018
表1中所有项目均为考核项目,并按本标准规定的试验方法进行检验。表2检测项目为非考核项目,作为贸易协定内容,由供需双方协商确定。7.2组批规则
一个生产批可由一个检验批或由若干个检验批组成。7.3取样规定
性能项目的取样按GB/T14334中产品取样方法规定进行。7.4综合评定
性能项目的测定值或计算值按GB/T8170一2008中修约值比较法与表1中的极限值比较,逐项判定等级,以各项质量指标中最低的等级判定该批产品的等级。7.5复验规则
7.5.1通则
批产品到需方时应及时检查包装件的外包装、件数、质量与货单是否相符,如因运输、保管等原因影响品质时,应查明责任,由责任方负责。一批产品到收货方三个月内,对产品品质有异议时可提交复验。若该批产品的数量使用了三分之一以上时,不应申请复验。复验可在双方同意的任何一方进行,必要时可请仲裁检验机构按本标准要求取样、检验、仲裁。由于该批产品品质影响了后加工产品品质,并造成严重损失时,供需双方应分析原因、明确责任、协商处理。7.5.2检验项目
同7.1。
7.5.3取样规定
7.5.3.1性能项目试验按GB/T14334中包装件取样方法规定抽样检验,不得抽取在运输途中意外受潮、污染、擦伤或包装已经打开的包装件7.5.3.2倍长纤维含量、疵点含量的试样量增加一倍。5
FZ/T52052-2018
7.5.4组批规定
按原生产批组批。
7.5.5复验评定
按7.4进行等级评定,高于或等于原等级则判为符合,低于原等级则判为不符合。包装件平均净质量与公定质量的偏差率超过士0.5%,由供需双方协商确定。定重产品的包装件名义质量与公定质量的偏差率超过士1%,由供需双方协商确定。8
标志、包装、运输、贮存
8.1标志
包装件上应标明产品名称、规格、等级、批号、净质量、生产日期、商标、产品标准编号、生产企业名称、地址以及产品防护、搬运的警示标志。8.1.2产品印刷标志应明显且不褪色,防止油、色渗人包内污染纤维。8.2包装
产品包装保持包型完整,纤维不外露,包装的质量应保证纤维不受损伤。8.2.1
2不同规格、批号、类别的产品应分别包装。8.2.2
8.2.3产品包装应用塑料带、钢带或其他具有一定强度的打包带紧固。8.2.4非定重产品每包装件质量与同批定重产品名义质量的差异建议不超过士5%。8.3运输
运输和装卸时应按产品警示标志规定执行,采取相应防范措施,防止产品受潮、暴晒、污染和受损,严禁抛掷。www.bzxz.net
8.4购存
包装件按批堆放,贮存在通风、干燥、清洁的仓库内,不应靠近火源、热源,避免阳光直射。6
小提示:此标准内容仅展示完整标准里的部分截取内容,若需要完整标准请到上方自行免费下载完整标准文档。
中华人民共和国纺织行业标准
FZ/T52052—2018
低熔点聚酯(LMPET)/再生聚酯(RPET)复合短纤维
Low meltingpoint polyester(LMPET)/recycled polyester(RPET)bicomponentstaplefiber
2018-04-30发布
中华人民共和国工业和信息化部2018-09-01实施
本标准按照GB/T1.1一2009给出的规则起草。本标准由中国纺织工业联合会提出。本标准由上海市纺织工业技术监督所归口。FZ/T52052-2018
本标准起草单位:宁波大发化纤有限公司、浙江理工大学、扬州富威尔复合材料有限公司、上海市纺织工业技术监督所、上海纺织集团检测标准有限公司、中国化学纤维工业协会。本标准主要起草人:钱军、邢喜全、王秀华、朱兴荣、周祯德、蔡雯嫣、吴文静。I
1范围
低熔点聚酯(LMPET)/再生聚酯(RPET)复合短纤维
FZ/T52052—2018
本标准规定了低熔点聚酯(LMPET)/再生聚酯(RPET)复合短纤维的产品标识、技术要求、试验方法、检验规则和标志、包装、运输、贮存的要求。本标准适用于线密度为3.3dtex~6.0dtex的皮芯结构、圆形截面、本色的低熔点聚酯(LMPET)/再生聚酯(RPET)复合短纤维。其他规格及类型的低熔点聚酯(LMPET)/再生聚酯(RPET)复合短纤维可参照使用。
2规范性引用文件
下列文件对于本文件的应用是必不可少的。凡是注日期的引用文件,仅注日期的版本适用于本文件。凡是不注日期的引用文件,其最新版本(包括所有的修改单)适用于本文件。GB/T3291.1
GB/T3291.3
纺织材料性能和试验术语第1部分:纤维和纱线纺织
纺织材料性能和试验术语第3部分:通用GB/T4146(所有部分)全
纺织品化学纤维
GB/T6503
化学纤维
GB/T6504—2008
GB/T8170—2008
GB/T14334
GB/T14335
GB/T14336
GB/T14337
GB/T14338
GB/T14339
GB/T14342
回潮率试验方法
化学纤维含油率试验方法
数值修约规则与极限数值的表示和判定化学纤维
化学纤维
化学纤维
化学纤维
化学纤维
化学纤维
化学纤维
GB/T17593(所有部分)
FZ/T50004
3术语和定义
短纤维取样方法
短纤维线密度试验方法
短纤维长度试验方法
短纤维拉伸性能试验方法
短纤维卷曲性能试验方法
短纤维疵点试验方法
短纤维比电阻试验方法
纺织品重金属的测定
涤纶短纤维干热收缩率试验方法GB/T3291.1、GB/T3291.3和GB/T4146(所有部分)界定的以及下列术语和定义适用于本标准。3.1
低熔点聚酯(LMPET)
lowmeltingpointpolyester
通过改性制得的熔点低于常规聚酯的聚酯产品。3.2
lowmeltingpointpolyester(LMPET)/低熔点聚酯(LMPET)/再生聚酯(RPET)复合短纤维recycled polyester(RPET)bicomponent staple fiber由低熔点聚酯(LMPET)与再生聚酯(RPET)经复合纺丝工艺制成的短纤维。1
FZ/T52052-—2018
婴幼儿用品
productsforinfants
36个月及以下的婴幼儿穿着或使用的产品。3.4
直接接触皮肤用品
products with direct contact to skin在穿着或使用时,其大部分面积与人体皮肤直接接触的产品(如衬衫、内衣、毛巾、床单等)。3.5
非直接接触皮肤用品
productswithoutdirectcontacttoskin在穿着或使用时,不直接接触皮肤或其小部分与人体皮肤接触的产品(如外衣)。3.6
装饰材料
home decorations
用于装饰的产品(如桌布、墙布、窗帘、地毯等)4
产品标识
产品规格以线密度(dtex)和切断长度(mm)表示。示例:线密度为5.0dtex、切断长度为51mm的低熔点聚酯(LMPET)/再生聚酯(RPET)复合短纤维,其规格表示为5.0dtexX51mm。
产品标识应包含:规格、产品名称或批号等信息,可以有效区分。4.2
技术要求
产品分等
符合表1指标要求的产品为合格品。性能项目和指标
产品性能项目和指标值见表1和表2。表1
低熔点聚酯(LMPET)/再生聚酯(RPET)复合短纤维性能项目和指标项
断裂强度/(cN/dtex)
断裂伸长率/%
线密度偏差率/%
长度偏差率/%
倍长纤维含量/(mg/100g)
症点含量/(mg/100g)
卷曲数/(个/25mm)
卷曲率/%
85℃干热收缩率/%
比电阻/(a·cm)
合格品
M;x109
粘结温度/℃
表1(续)
,M,为断裂伸长率中心值,由供需双方确定,确定后不得任意变更。“M2为卷曲数中心值,由供需双方确定,确定后不得任意变更“M,为卷曲率中心值,由供需双方确定,确定后不得任意变更。“M,为85℃干热收缩率中心值,由供需双方确定,确定后不得任意变更。“Ms大于等于1.0n·cm小于10.0a·cm。fM。为粘结温度的中心值,由供需双方确定,确定后不得任意变更。表2
FZ/T52052-2018
合格品
低熔点聚酯(LMPET)/再生聚酯(RPET)复合短纤维可萃取重金属性能项目和指标项目
Sb/(mg/kg)
砷As/(mg/kg)
铅Pb/(mg/kg)
镉Cd/(mg/kg)
铬Cr/(mg/kg)
铬(六价)Cr/(mg/kg)
钻Co/(mg/kg)
铜Cu/(mg/kg)
镍Ni/(mg/kg)
汞Hg/(mg/kg)
含油率
由供需双方协商确定。
含水率
由供需双方协商确定。
质量差异
婴幼儿
直接接触
皮肤用品
包装件平均净质量和公定质量的偏差率不超过士0.5%。非直接接触
皮肤用品
低于检出值
定重产品的包装件名义净质量与公定质量的偏差率不超过士1%试验方法
断裂强度、断裂伸长率
按GB/T14337规定执行。
装饰材料
FZ/T52052—2018
线密度偏差率
按GB/T14335规定执行。
6.3长度偏差率、倍长纤维含量
按GB/T14336规定执行。
疵点含量
按GB/T14339规定执行。
卷曲数、卷曲率
按GB/T14338规定执行。
85℃干热收缩率
按FZ/T50004规定执行,其中放人烘箱中热处理的温度为85℃,时间为15min。6.7
比电阻
按GB/T14342规定执行。
6.8含油率
按GB/T6504—2008中附录C快速挤压法规定执行。6.9
含水率
按GB/T6503规定执行。
可萃取重金属含量
按GB/T17593规定执行。
质量差异的测定
将批样品按GB/T14334规定得到包装件的净质量。6.11.1
将实验室样品按GB/T6503规定得到实测含水率。6.11.2
3对N个包装件质量差异的计算公式见式(1)~式(4):6.11.3
m=m×(1-W)×(1+R。)
式中:
包装件平均净质量,单位为千克(kg);(1)
.·(3)
.....(4)
-每个包装件净质量,单位为千克(kg);包装件数量;
包装件公定质量,单位为千克(kg);实测含水率,%;
低熔点酯/再生聚酯复合短纤维的公定回潮率,其值为0.4%;包装件平均净质量和公定质量的偏差率,%;包装件名义净质量和公定质量的偏差率,%;包装件名义质量,单位为千克(kg)。7检验规则
检验项目
FZ/T52052—2018
表1中所有项目均为考核项目,并按本标准规定的试验方法进行检验。表2检测项目为非考核项目,作为贸易协定内容,由供需双方协商确定。7.2组批规则
一个生产批可由一个检验批或由若干个检验批组成。7.3取样规定
性能项目的取样按GB/T14334中产品取样方法规定进行。7.4综合评定
性能项目的测定值或计算值按GB/T8170一2008中修约值比较法与表1中的极限值比较,逐项判定等级,以各项质量指标中最低的等级判定该批产品的等级。7.5复验规则
7.5.1通则
批产品到需方时应及时检查包装件的外包装、件数、质量与货单是否相符,如因运输、保管等原因影响品质时,应查明责任,由责任方负责。一批产品到收货方三个月内,对产品品质有异议时可提交复验。若该批产品的数量使用了三分之一以上时,不应申请复验。复验可在双方同意的任何一方进行,必要时可请仲裁检验机构按本标准要求取样、检验、仲裁。由于该批产品品质影响了后加工产品品质,并造成严重损失时,供需双方应分析原因、明确责任、协商处理。7.5.2检验项目
同7.1。
7.5.3取样规定
7.5.3.1性能项目试验按GB/T14334中包装件取样方法规定抽样检验,不得抽取在运输途中意外受潮、污染、擦伤或包装已经打开的包装件7.5.3.2倍长纤维含量、疵点含量的试样量增加一倍。5
FZ/T52052-2018
7.5.4组批规定
按原生产批组批。
7.5.5复验评定
按7.4进行等级评定,高于或等于原等级则判为符合,低于原等级则判为不符合。包装件平均净质量与公定质量的偏差率超过士0.5%,由供需双方协商确定。定重产品的包装件名义质量与公定质量的偏差率超过士1%,由供需双方协商确定。8
标志、包装、运输、贮存
8.1标志
包装件上应标明产品名称、规格、等级、批号、净质量、生产日期、商标、产品标准编号、生产企业名称、地址以及产品防护、搬运的警示标志。8.1.2产品印刷标志应明显且不褪色,防止油、色渗人包内污染纤维。8.2包装
产品包装保持包型完整,纤维不外露,包装的质量应保证纤维不受损伤。8.2.1
2不同规格、批号、类别的产品应分别包装。8.2.2
8.2.3产品包装应用塑料带、钢带或其他具有一定强度的打包带紧固。8.2.4非定重产品每包装件质量与同批定重产品名义质量的差异建议不超过士5%。8.3运输
运输和装卸时应按产品警示标志规定执行,采取相应防范措施,防止产品受潮、暴晒、污染和受损,严禁抛掷。www.bzxz.net
8.4购存
包装件按批堆放,贮存在通风、干燥、清洁的仓库内,不应靠近火源、热源,避免阳光直射。6
小提示:此标准内容仅展示完整标准里的部分截取内容,若需要完整标准请到上方自行免费下载完整标准文档。
标准图片预览:





- 其它标准
- 上一篇: FZ/T 52056-2021富硒粘胶短纤维
- 下一篇: FZ/T 52044-2017聚酰胺酯短纤维
- 热门标准
- 其他行业标准
- DGJ32J16-2014 住宅工程质量通病控制标准
- JB/T8974-2011 TAW系列增安型无刷励磁同步电动机技术条件
- QB/T2164-2013 家用和类似用途风扇型PTCR发热器
- JB/T11127-2010 印刷机械 光敏光聚合型直接制版冲版机
- JB/T9986-2013 工具热处理金相检验
- QB/T4639-2014 δ-十二内酯
- FZ/T74006-2017 自行车骑行服
- YB/T190.12-2014 连铸保护渣 三氧化二硼含量的测定 电感耦合等离子体原子发射光谱法
- YS/T832-2012 丁辛醇废催化剂化学分析方法 铑量的测定 电感耦合等离子体原子发射光谱法
- CECS:7094 建筑安装工程金属熔化焊焊缝射线照相检测标准CECS70:94
- HG/T4544-2013 对苯二酚生产废液回收再利用生产碳酸锰的方法
- TB/T2689.4-2018 铁路货物集装化运输 第4部分:一次性集装箱液体集装袋
- QB/T4549-2013 滑板鞋
- JB/T12150-2015 家用和类似用途电容性负载的电源开关
- FZ/T81004-2012 连衣裙、裙套
- 行业新闻
请牢记:“bzxz.net”即是“标准下载”四个汉字汉语拼音首字母与国际顶级域名“.net”的组合。 ©2025 标准下载网 www.bzxz.net 本站邮件:bzxznet@163.com
网站备案号:湘ICP备2025141790号-2
网站备案号:湘ICP备2025141790号-2