- 您的位置:
- 标准下载网 >>
- 标准分类 >>
- 其他行业标准 >>
- FZ/T 66315-1995特种工业用锦丝搭扣带
标准号:
FZ/T 66315-1995
标准名称:
特种工业用锦丝搭扣带
标准类别:
其他行业标准
标准状态:
现行-
发布日期:
1995-12-01 -
实施日期:
1996-07-01 出版语种:
简体中文下载格式:
.pdf .zip
复审日期:
2017-03-24起草人:
王幼宁、李峰、吴钟、王岩松起草单位:
四川省海蓉绸厂归口单位:
上海纺织标准计量研究所提出单位:
中国纺织总会发布部门:
中国纺织总会相关标签:
特种
部分标准内容:
中华人民共和国纺织行业标准
FZ66315-1995
特种工业用锦丝搭扣带
1995-12—01发布
中国纺织总会
1996—07-01实施
本标准根据GB/T1.1-1993《标准化工作导则标准编写的基本规定》和GB1.3一1987《标准化工作导则产品标准编写规定》进行编写。本标准在FZ357一85的基础上进行修订。本标准中的所有计量单位都采用法定计量单位。对FZ357-85技术内容修订如下:1.锦丝搭扣带“R”原圈面(绒面)带子修订为绒面带子。2.允许疵点6油经原深浅程度白色染色修订为深浅程度白色·。3.扣合强力计算公式修订情况:原扣合强力=[实测扣合强力]/[幅宽(cm)一0.3×5(cm)]修订为扣合强力=[实测扣合强力]/([幅宽(cm)—0.3]×5(cm))。4.锦丝搭扣带物理机械性能指标修订情况:原FZ357一85锦丝搭扣带全部删除,更新换代为新产品。见FZ357表1。本标准从1996年7月1日起实施。本标准从生效之日起,同时代替FZ357-85。本标准由中国纺织总会提出,上海纺织标准计量研究所归口。本标准起草单位:四川省海蓉绸厂本标准协助起草单位:上海申达(集团)有限公司本标准主要起草人:王幼宁李峰吴钟王岩松256
1范围
中华人民共和国纺织行业标准
特种工业用锦丝搭扣带
FZ66315-1995
代替FZ357—85
本标准规定了特种工业用锦丝搭扣带的技术要求、试验方法、检验规则及标志和包装。本标准适用于鉴定特种工业用锦丝搭扣带的品质。2引用标准
下列标准包含的条文,通过在本标准中引用而构成为本标准的条文。在标准出版时,所示版本均为有效。所有标准都会被修订,使用本标准的各方应探讨使用下列标准最新版本的可能性。GB250-94
3251-94
65002-1995
65005—1995
65006-1995
FZ 65008-1995
3技术要求
评定变色用灰色样卡
评定沾色用灰色样卡
特种工业用绳带物理机械性能试验方法特种工业用绳带外观疵点检验方法特种工业用纺织品标志和包装
特种工业用纺织品检验规则
3.1锦丝搭扣带物理机械性能
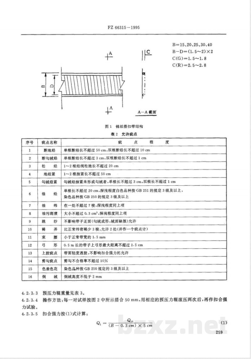
3.1.1锦丝搭扣带物理机械性能指标见表1。3.1.2锦丝搭扣带结构见图1。
3.2外观疵点
3.2.1带子上不允许有下列疵点
3.2.1.1倒勾。
3.2.1.2带面胶斑。
3.2.2在10m长的带子上允许疵点3个,症点名称及程度见表2。4试验方法
4.1物理机械性能试验按FZ65002的规定进行。4.2物理机械性能试验的补充规定:4.2.1采样:每捆内任意取3卷,每卷带头处剪25cm长1段,3段组成一份试样。4.2.2重量试验:取样长25cm,称重后折算到1m的重量。4.2.3扣合强力试验方法:
4.2.3.1试验仪器:具有20cm夹距的强力试验机。4.2.3.2注意事项:
一试验不加预加张力
试样均加预加压力
中国纺织总会1995-10-15批准
1996—07—01实施
国甲海
海爵函你
海医画临
海医密病
游联盛信
海斯盛停
游盛临
海医函修
海联密信
海函海
海联金信
系鹅22
系8211
万路821
1611899
5098-0%
098-08
2098-2
力试验。
疵点名称
断地经
断勾绒经
地经紧
勾绒经紧
油污斑溃
上胶疵点
剪勾症点
色差色花
FZ66315-1995
A—A截面
图1锦丝搭扣带结构
表2允许疵点
单根断经长不超过50cm,双根断经长不超过10cm单根断经长不超过3cm,双根断经长不超过1cm1~2根经线松弛长不超过20cm
1~2根抽紧长不超过50cm
B=15、20、25、30、40
B-D=(1.5~2)×2
C(G)=1.5~1.8
C(R)=2.5~2.8
勾绒经抽紧未形成勾绒者,单根长不超过3cm,双根长不超过1cm单根长不超过20cm,深浅程度白色品种按GB251的规定3级及以上,染色品种按GB250的规定3级及以上在一处不超过7梭,深浅程度同上项大小不超过0.3cm2,深浅程度同上项不影响带子正面(勾绒成形,绒面缺损)允许比正常纬密稀少3梭,允许2处(并作一个疵点计)小于正常带宽的1.5mm
0.5m长的带子上弓形最大距离不超过1.5cm带面轻度透胶,不影响扣合强力的允许剪勾不合格率不超过10%
染色品种按GB250规定的3级及以上倒绒高度不低于2mm
预压力辊重量见表3。
操作方法:每一对试样按图2中所示搭合50mm,用相应的预压力辊滚压两次后,再作扣合强4.2.3.5扣合强力按(1)式计算:Qo
Q; = (B- 0. 3 cm)X 5 cm
式中Q.—
一扣合强力,N/cm;
实测扣合强力,N;
B——幅宽,cm。
4.2.4揭开强力试验方法
FZ66315-1995
4.2.4.1试验仪器:经改装的具有20cm夹距和织物夹头的单纱强力试验机。4.2.4.2注意事项:同扣合强力试验,搭合方法按图3所示。4.2.4.3
式中:Q2-
揭开强力按(2)式计算:
Qz= B- 0. 3 cm
揭开强力,N/cm;
实测揭开强力,N;
B——幅宽,cm。
表3预压力辑重量
15-350G
15—350R
20-350G
20—350R
25-350G
25-350R
30-350G
30-350R
40-350G
40-350R
5检验规则
预压力重量kg
图2扣合强力试验试样搭合图
图3揭开强力试验试样搭合图
5.1检验规则按FZ65008的规定进行。5.2检验方法按FZ65005的规定进行。260
6标志和包装
6.1标志和包装按FZ65006的规定进行。6.2具体成捆长度见表4。
15-350G
15-350R
20-350G
20-350R
25—350G
25-350R
30-350G
30-350R
40-350Gwww.bzxz.net
40-350R
每捆长度
225~300
180~300
150~200
120~200
每捆组成
FZ66315-1995
表4成捆长度
每卷长度
每卷并段最短长度
每卷允许最多并段数
小提示:此标准内容仅展示完整标准里的部分截取内容,若需要完整标准请到上方自行免费下载完整标准文档。
FZ66315-1995
特种工业用锦丝搭扣带
1995-12—01发布
中国纺织总会
1996—07-01实施
本标准根据GB/T1.1-1993《标准化工作导则标准编写的基本规定》和GB1.3一1987《标准化工作导则产品标准编写规定》进行编写。本标准在FZ357一85的基础上进行修订。本标准中的所有计量单位都采用法定计量单位。对FZ357-85技术内容修订如下:1.锦丝搭扣带“R”原圈面(绒面)带子修订为绒面带子。2.允许疵点6油经原深浅程度白色染色修订为深浅程度白色·。3.扣合强力计算公式修订情况:原扣合强力=[实测扣合强力]/[幅宽(cm)一0.3×5(cm)]修订为扣合强力=[实测扣合强力]/([幅宽(cm)—0.3]×5(cm))。4.锦丝搭扣带物理机械性能指标修订情况:原FZ357一85锦丝搭扣带全部删除,更新换代为新产品。见FZ357表1。本标准从1996年7月1日起实施。本标准从生效之日起,同时代替FZ357-85。本标准由中国纺织总会提出,上海纺织标准计量研究所归口。本标准起草单位:四川省海蓉绸厂本标准协助起草单位:上海申达(集团)有限公司本标准主要起草人:王幼宁李峰吴钟王岩松256
1范围
中华人民共和国纺织行业标准
特种工业用锦丝搭扣带
FZ66315-1995
代替FZ357—85
本标准规定了特种工业用锦丝搭扣带的技术要求、试验方法、检验规则及标志和包装。本标准适用于鉴定特种工业用锦丝搭扣带的品质。2引用标准
下列标准包含的条文,通过在本标准中引用而构成为本标准的条文。在标准出版时,所示版本均为有效。所有标准都会被修订,使用本标准的各方应探讨使用下列标准最新版本的可能性。GB250-94
3251-94
65002-1995
65005—1995
65006-1995
FZ 65008-1995
3技术要求
评定变色用灰色样卡
评定沾色用灰色样卡
特种工业用绳带物理机械性能试验方法特种工业用绳带外观疵点检验方法特种工业用纺织品标志和包装
特种工业用纺织品检验规则
3.1锦丝搭扣带物理机械性能
3.1.1锦丝搭扣带物理机械性能指标见表1。3.1.2锦丝搭扣带结构见图1。
3.2外观疵点
3.2.1带子上不允许有下列疵点
3.2.1.1倒勾。
3.2.1.2带面胶斑。
3.2.2在10m长的带子上允许疵点3个,症点名称及程度见表2。4试验方法
4.1物理机械性能试验按FZ65002的规定进行。4.2物理机械性能试验的补充规定:4.2.1采样:每捆内任意取3卷,每卷带头处剪25cm长1段,3段组成一份试样。4.2.2重量试验:取样长25cm,称重后折算到1m的重量。4.2.3扣合强力试验方法:
4.2.3.1试验仪器:具有20cm夹距的强力试验机。4.2.3.2注意事项:
一试验不加预加张力
试样均加预加压力
中国纺织总会1995-10-15批准
1996—07—01实施
国甲海
海爵函你
海医画临
海医密病
游联盛信
海斯盛停
游盛临
海医函修
海联密信
海函海
海联金信
系鹅22
系8211
万路821
1611899
5098-0%
098-08
2098-2
力试验。
疵点名称
断地经
断勾绒经
地经紧
勾绒经紧
油污斑溃
上胶疵点
剪勾症点
色差色花
FZ66315-1995
A—A截面
图1锦丝搭扣带结构
表2允许疵点
单根断经长不超过50cm,双根断经长不超过10cm单根断经长不超过3cm,双根断经长不超过1cm1~2根经线松弛长不超过20cm
1~2根抽紧长不超过50cm
B=15、20、25、30、40
B-D=(1.5~2)×2
C(G)=1.5~1.8
C(R)=2.5~2.8
勾绒经抽紧未形成勾绒者,单根长不超过3cm,双根长不超过1cm单根长不超过20cm,深浅程度白色品种按GB251的规定3级及以上,染色品种按GB250的规定3级及以上在一处不超过7梭,深浅程度同上项大小不超过0.3cm2,深浅程度同上项不影响带子正面(勾绒成形,绒面缺损)允许比正常纬密稀少3梭,允许2处(并作一个疵点计)小于正常带宽的1.5mm
0.5m长的带子上弓形最大距离不超过1.5cm带面轻度透胶,不影响扣合强力的允许剪勾不合格率不超过10%
染色品种按GB250规定的3级及以上倒绒高度不低于2mm
预压力辊重量见表3。
操作方法:每一对试样按图2中所示搭合50mm,用相应的预压力辊滚压两次后,再作扣合强4.2.3.5扣合强力按(1)式计算:Qo
Q; = (B- 0. 3 cm)X 5 cm
式中Q.—
一扣合强力,N/cm;
实测扣合强力,N;
B——幅宽,cm。
4.2.4揭开强力试验方法
FZ66315-1995
4.2.4.1试验仪器:经改装的具有20cm夹距和织物夹头的单纱强力试验机。4.2.4.2注意事项:同扣合强力试验,搭合方法按图3所示。4.2.4.3
式中:Q2-
揭开强力按(2)式计算:
Qz= B- 0. 3 cm
揭开强力,N/cm;
实测揭开强力,N;
B——幅宽,cm。
表3预压力辑重量
15-350G
15—350R
20-350G
20—350R
25-350G
25-350R
30-350G
30-350R
40-350G
40-350R
5检验规则
预压力重量kg
图2扣合强力试验试样搭合图
图3揭开强力试验试样搭合图
5.1检验规则按FZ65008的规定进行。5.2检验方法按FZ65005的规定进行。260
6标志和包装
6.1标志和包装按FZ65006的规定进行。6.2具体成捆长度见表4。
15-350G
15-350R
20-350G
20-350R
25—350G
25-350R
30-350G
30-350R
40-350Gwww.bzxz.net
40-350R
每捆长度
225~300
180~300
150~200
120~200
每捆组成
FZ66315-1995
表4成捆长度
每卷长度
每卷并段最短长度
每卷允许最多并段数
小提示:此标准内容仅展示完整标准里的部分截取内容,若需要完整标准请到上方自行免费下载完整标准文档。
标准图片预览:





- 其它标准
- 上一篇: FZ/T 66314-1995特种工业用松紧带
- 下一篇: FZ/T 66316-1995特种工业用线
- 热门标准
- 其他行业标准
- FZ/T72006-2017 割圈法针织人造毛皮
- QB/T2289.4-2012 园艺工具 剪枝剪
- FZ/T13028-2013 聚苯硫醚纤维(中长型)本色布
- FZ/T95012-2019 单层拉幅定形机
- JB/T8974-2011 TAW系列增安型无刷励磁同步电动机技术条件
- JB/T11127-2010 印刷机械 光敏光聚合型直接制版冲版机
- YS/T661-2016 电池级氟化锂
- FZ/T93103-2018 纺纱器
- QX/T546-2020 空间高能粒子辐射效应术语
- JB/T20034-2004 药用漩涡振动式筛分机
- CECS:7094 建筑安装工程金属熔化焊焊缝射线照相检测标准CECS70:94
- DGTJ08-104-2014 城市轨道交通专用无线通信系统技术规范
- HG/T4544-2013 对苯二酚生产废液回收再利用生产碳酸锰的方法
- JB/T8973-2011 增安型无刷励磁同步电动机防爆技术要求
- QB/T4308-2012 双脂肪酸乙酯基羟乙基甲基硫酸甲酯铵
- 行业新闻
请牢记:“bzxz.net”即是“标准下载”四个汉字汉语拼音首字母与国际顶级域名“.net”的组合。 ©2025 标准下载网 www.bzxz.net 本站邮件:bzxznet@163.com
网站备案号:湘ICP备2025141790号-2
网站备案号:湘ICP备2025141790号-2