- 您的位置:
- 标准下载网 >>
- 标准分类 >>
- 其他行业标准 >>
- FZ/T 66314-1995特种工业用松紧带
标准号:
FZ/T 66314-1995
标准名称:
特种工业用松紧带
标准类别:
其他行业标准
标准状态:
现行-
发布日期:
1995-12-01 -
实施日期:
1996-07-01 出版语种:
简体中文下载格式:
.pdf .zip
复审日期:
2017-03-24起草人:
王幼宁、李峰、吴钟、王岩松起草单位:
四川省海蓉绸厂归口单位:
上海纺织标准计量研究所提出单位:
中国纺织总会发布部门:
中国纺织总会相关标签:
特种
部分标准内容:
中华人民共和国纺织行业标准
FZ66314-1995
特种工业用松紧带
1995-12—01发布
中国纺织总会
1996-07-01实施
本标准根据GB/T1.1-1993《标准化工作导则标准编写的基本规定》和GB1.3-1987《标准化工作导则产品标准编写规定》进行编写。本标准在FZ356-85的基础上进行修订。本标准中的所有计量单位都采用法定计量单位。本标准从1996年7月1日起实施。本标准从生效之日起,同时代替FZ356-一85。本标准由中国纺织总会提出,上海纺织标准计量研究所归口。本标准起草单位:四川省海蓉绸厂本标准协助起草单位:上海申达(集团)有限公司本标准主要起草人:王幼宁李峰吴钟王岩松250
1范围
中华人民共和国纺织行业标准
特种工业用松紧带
FZ66314-1995
代替FZ356-85
本标准规定了特种工业用松紧带的技术要求、试验方法、检验规则及标志和包装。本标准适用于鉴定特种工业用松紧带的品质。2引用标准
下列标准包含的条文,通过在本标准中引用而构成为本标准的条文。在标准出版时,所示版本均为有效。所有标准都会被修订,使用本标准的各方应探讨使用下列标准最新版本的可能性。GB250-94
GB5713-85
65002-1995
65005-1995
65006-1995
65008-1995
3技术要求
评定变色用灰色样卡
纺织品耐水色牢度试验方法
特种工业用绳带物理机械性能试验方法特种工业用绳带外观疵点检验方法特种工业用纺织品标志和包装
特种工业用纺织品检验规则
3.1松紧带物理机械性能
松紧带物理机械性能指标见表1。3.2耐水色牢度
耐水色牢度根据GB250的规定评定.不得低于23级。3.3外观疵点
在10m长的带子上允许疵点3个.疵点名称及程度见表2。4试验方法
4.1物理机械性能试验按FZ65002的规定进行。4.2物理机械性能试验方法的补充规定4.2.1弹性伸长试验:将试样一端夹在织物强力机的上夹钳中,另一端放在下夹钳中,加预张力重锤200g·夹紧下夹钳,上下夹钳的距离为200mm,下夹钳下降速度每分钟100mm,当延伸到规定长度时不断裂.即为弹性伸长合格。
4.2.2定伸强力试验:测试仪器、条件和方法同弹性伸长试验,当试样延伸到50%时,记其强力读数。4.2.3剩余伸长试验:在试样中间长10cm处的两端作好标记,用弹性伸长试验方法进行拉伸,当延伸到100%(20cm)时,将它取下,使之自然回缩15分钟后,再测量原10cm之长度,剩余伸长率按下式计算:E =L × 100%
1995-10-15批准免费标准bzxz.net
中国纺织总会
1996-07-01实施
式中:E-
一剩余伸长率,%;
L,拉伸后的长度,mm;
L。—拉伸前的长度,mm。
FZ66314-1995
4.2.4上述几种试验,每份试样试验三次,各以其算术平均数表示,平均数算至0.01,化整为0.1。4.3耐水色牢度试验按GB5713的规定进行。4.4外观疵点检验按FZ65005的规定进行。4.5外观疵点检验方法的补充规定4.5.1拱形检验:将实样置于台上,用手抹平带边,用量规测量带身最高处之高度,将测量数据减去该带的实际厚度,作为拱形数据。
4.5.2飘形检验:将实样置于台上,用手抹平带身,用量规测量带身与台面之间的距离为飘形数据。4.5.3弓形检验:将实样置于台上,用手抹平带身,使带子两边与台面距离相等,用50cm长的直尺置于同一台面上,平行于实物,将尺端扣紧带边,再用钢皮直尺测量带边中间与直尺间的最大距离作为弓形的数据。
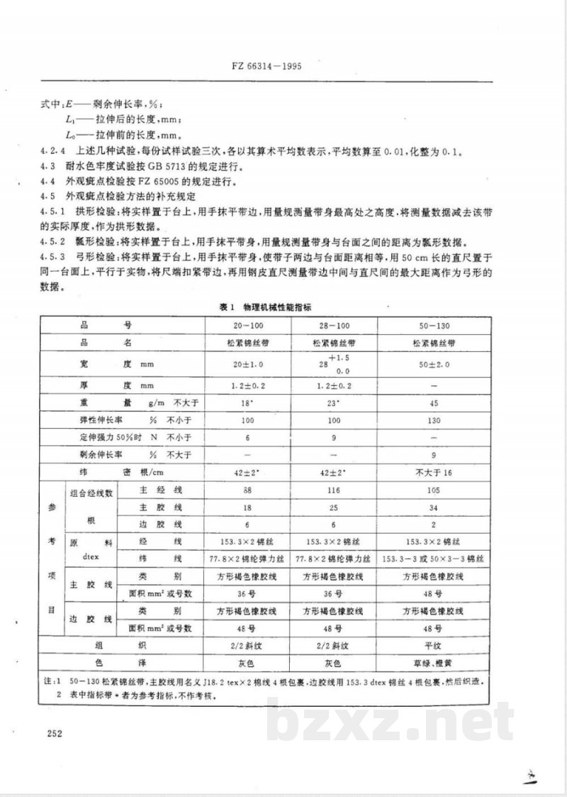
表1物理机械性能指标
弹性伸长率
g/m不大于
不小于
定伸强力50%时
剩余伸长率
组合经线数
不小于
%不大于
密根/em
主胶线
面积mm或号数
面积mm或号数
20-100
松紧锦丝带
42±2'
153.3×2锦丝
77.8×2锦纶弹力丝
方形褐色橡胶线
方形褐色橡胶线
2/2斜纹
28-100
松紧锦丝带
42±2·
153.3×2锦丝
77.8×2锦纶弹力丝
方形褐色橡胶线
方形褐色橡胶线
2/2斜纹
50-130
松紧锦丝带
不大于16
153.3×2锦丝
153.3-3或50×3-3锦丝
方形褐色橡胶线
方形褐色橡胶线
草绿、橙黄
注:150-130松紧锦丝带,主胶线用名义J18.2tex×2棉线4根包裹,边胶线用153.3dtex锦丝4根包裹,然后织造。2表中指标带*者为参考指标,不作考核。252
疵点名称
粗纬或双纬
油污纬线
油污斑渍
橡胶线结头
断胶线
锯齿边
拆带痕迹
色度不同
检验规则
FZ66314-1995
表2允许疵点
单根长不超过10cm,双根长不超过5cm单根经线松弛长不超过20cm
单根经线抽紧长不超过30cm
单根经线直径粗到2~3倍的粗径不超过30cm直径粗到2~3倍的粗纬或双纬在一处不超过7梭程
单根长不超过20cm,深浅程度按GB250的规定3级及以上在一处不超过7梭,深浅程度同上项大小不超过0.3cm,深浅程度同上项1~2根经线或纬线的跳线长不超过1cm每米带子上不超过1只
20-100、28-100带子宽度减小不超过1mm,50-130带子宽度减小不超过2mm在3m长的带子上不超过6只
在3m长的带子上不超过4只
单根断胶线长不超过.5cm,在3m长的带子上不多于4次,双根断胶线或断边胶线不允许在3m长的带子上拱形高度不超过0.6cm在1m长的带子上形高度不超过0.6cm每0.5m长的带子上弓形最大距离不超过2cm带边不齐呈锯齿形长不超过1m的锯齿边20-100、28-100带子宽窄不超过1mm.50-130带子宽窄不超过1.5mm
长不超过1cm
因原料引起的带子色度不同和个别线色度不同不作疵点检验规则按FZ65008的规定进行。标志和包装
标志和包装按FZ65006的规定进行。具体成捆长度见表3。
表3成捆长度
20-100
28-100
50-130
每捆长度
每捆组成
每卷长度
每卷并段最短长度
每卷允许最多并段数
40%卷数允许4段
60%卷数允许5段
40%卷数允许4段
60%卷数允许5段
80%卷数允许2段
20%卷数允许3段
小提示:此标准内容仅展示完整标准里的部分截取内容,若需要完整标准请到上方自行免费下载完整标准文档。
FZ66314-1995
特种工业用松紧带
1995-12—01发布
中国纺织总会
1996-07-01实施
本标准根据GB/T1.1-1993《标准化工作导则标准编写的基本规定》和GB1.3-1987《标准化工作导则产品标准编写规定》进行编写。本标准在FZ356-85的基础上进行修订。本标准中的所有计量单位都采用法定计量单位。本标准从1996年7月1日起实施。本标准从生效之日起,同时代替FZ356-一85。本标准由中国纺织总会提出,上海纺织标准计量研究所归口。本标准起草单位:四川省海蓉绸厂本标准协助起草单位:上海申达(集团)有限公司本标准主要起草人:王幼宁李峰吴钟王岩松250
1范围
中华人民共和国纺织行业标准
特种工业用松紧带
FZ66314-1995
代替FZ356-85
本标准规定了特种工业用松紧带的技术要求、试验方法、检验规则及标志和包装。本标准适用于鉴定特种工业用松紧带的品质。2引用标准
下列标准包含的条文,通过在本标准中引用而构成为本标准的条文。在标准出版时,所示版本均为有效。所有标准都会被修订,使用本标准的各方应探讨使用下列标准最新版本的可能性。GB250-94
GB5713-85
65002-1995
65005-1995
65006-1995
65008-1995
3技术要求
评定变色用灰色样卡
纺织品耐水色牢度试验方法
特种工业用绳带物理机械性能试验方法特种工业用绳带外观疵点检验方法特种工业用纺织品标志和包装
特种工业用纺织品检验规则
3.1松紧带物理机械性能
松紧带物理机械性能指标见表1。3.2耐水色牢度
耐水色牢度根据GB250的规定评定.不得低于23级。3.3外观疵点
在10m长的带子上允许疵点3个.疵点名称及程度见表2。4试验方法
4.1物理机械性能试验按FZ65002的规定进行。4.2物理机械性能试验方法的补充规定4.2.1弹性伸长试验:将试样一端夹在织物强力机的上夹钳中,另一端放在下夹钳中,加预张力重锤200g·夹紧下夹钳,上下夹钳的距离为200mm,下夹钳下降速度每分钟100mm,当延伸到规定长度时不断裂.即为弹性伸长合格。
4.2.2定伸强力试验:测试仪器、条件和方法同弹性伸长试验,当试样延伸到50%时,记其强力读数。4.2.3剩余伸长试验:在试样中间长10cm处的两端作好标记,用弹性伸长试验方法进行拉伸,当延伸到100%(20cm)时,将它取下,使之自然回缩15分钟后,再测量原10cm之长度,剩余伸长率按下式计算:E =L × 100%
1995-10-15批准免费标准bzxz.net
中国纺织总会
1996-07-01实施
式中:E-
一剩余伸长率,%;
L,拉伸后的长度,mm;
L。—拉伸前的长度,mm。
FZ66314-1995
4.2.4上述几种试验,每份试样试验三次,各以其算术平均数表示,平均数算至0.01,化整为0.1。4.3耐水色牢度试验按GB5713的规定进行。4.4外观疵点检验按FZ65005的规定进行。4.5外观疵点检验方法的补充规定4.5.1拱形检验:将实样置于台上,用手抹平带边,用量规测量带身最高处之高度,将测量数据减去该带的实际厚度,作为拱形数据。
4.5.2飘形检验:将实样置于台上,用手抹平带身,用量规测量带身与台面之间的距离为飘形数据。4.5.3弓形检验:将实样置于台上,用手抹平带身,使带子两边与台面距离相等,用50cm长的直尺置于同一台面上,平行于实物,将尺端扣紧带边,再用钢皮直尺测量带边中间与直尺间的最大距离作为弓形的数据。
表1物理机械性能指标
弹性伸长率
g/m不大于
不小于
定伸强力50%时
剩余伸长率
组合经线数
不小于
%不大于
密根/em
主胶线
面积mm或号数
面积mm或号数
20-100
松紧锦丝带
42±2'
153.3×2锦丝
77.8×2锦纶弹力丝
方形褐色橡胶线
方形褐色橡胶线
2/2斜纹
28-100
松紧锦丝带
42±2·
153.3×2锦丝
77.8×2锦纶弹力丝
方形褐色橡胶线
方形褐色橡胶线
2/2斜纹
50-130
松紧锦丝带
不大于16
153.3×2锦丝
153.3-3或50×3-3锦丝
方形褐色橡胶线
方形褐色橡胶线
草绿、橙黄
注:150-130松紧锦丝带,主胶线用名义J18.2tex×2棉线4根包裹,边胶线用153.3dtex锦丝4根包裹,然后织造。2表中指标带*者为参考指标,不作考核。252
疵点名称
粗纬或双纬
油污纬线
油污斑渍
橡胶线结头
断胶线
锯齿边
拆带痕迹
色度不同
检验规则
FZ66314-1995
表2允许疵点
单根长不超过10cm,双根长不超过5cm单根经线松弛长不超过20cm
单根经线抽紧长不超过30cm
单根经线直径粗到2~3倍的粗径不超过30cm直径粗到2~3倍的粗纬或双纬在一处不超过7梭程
单根长不超过20cm,深浅程度按GB250的规定3级及以上在一处不超过7梭,深浅程度同上项大小不超过0.3cm,深浅程度同上项1~2根经线或纬线的跳线长不超过1cm每米带子上不超过1只
20-100、28-100带子宽度减小不超过1mm,50-130带子宽度减小不超过2mm在3m长的带子上不超过6只
在3m长的带子上不超过4只
单根断胶线长不超过.5cm,在3m长的带子上不多于4次,双根断胶线或断边胶线不允许在3m长的带子上拱形高度不超过0.6cm在1m长的带子上形高度不超过0.6cm每0.5m长的带子上弓形最大距离不超过2cm带边不齐呈锯齿形长不超过1m的锯齿边20-100、28-100带子宽窄不超过1mm.50-130带子宽窄不超过1.5mm
长不超过1cm
因原料引起的带子色度不同和个别线色度不同不作疵点检验规则按FZ65008的规定进行。标志和包装
标志和包装按FZ65006的规定进行。具体成捆长度见表3。
表3成捆长度
20-100
28-100
50-130
每捆长度
每捆组成
每卷长度
每卷并段最短长度
每卷允许最多并段数
40%卷数允许4段
60%卷数允许5段
40%卷数允许4段
60%卷数允许5段
80%卷数允许2段
20%卷数允许3段
小提示:此标准内容仅展示完整标准里的部分截取内容,若需要完整标准请到上方自行免费下载完整标准文档。
标准图片预览:





- 其它标准
- 热门标准
- 其他行业标准
- FZ/T72006-2017 割圈法针织人造毛皮
- QB/T2289.4-2012 园艺工具 剪枝剪
- FZ/T13028-2013 聚苯硫醚纤维(中长型)本色布
- FZ/T95012-2019 单层拉幅定形机
- JB/T8974-2011 TAW系列增安型无刷励磁同步电动机技术条件
- JB/T11127-2010 印刷机械 光敏光聚合型直接制版冲版机
- YS/T661-2016 电池级氟化锂
- FZ/T93103-2018 纺纱器
- QX/T546-2020 空间高能粒子辐射效应术语
- JB/T20034-2004 药用漩涡振动式筛分机
- CECS:7094 建筑安装工程金属熔化焊焊缝射线照相检测标准CECS70:94
- DGTJ08-104-2014 城市轨道交通专用无线通信系统技术规范
- HG/T4544-2013 对苯二酚生产废液回收再利用生产碳酸锰的方法
- JB/T8973-2011 增安型无刷励磁同步电动机防爆技术要求
- QB/T4308-2012 双脂肪酸乙酯基羟乙基甲基硫酸甲酯铵
- 行业新闻
请牢记:“bzxz.net”即是“标准下载”四个汉字汉语拼音首字母与国际顶级域名“.net”的组合。 ©2025 标准下载网 www.bzxz.net 本站邮件:bzxznet@163.com
网站备案号:湘ICP备2025141790号-2
网站备案号:湘ICP备2025141790号-2