- 您的位置:
- 标准下载网 >>
- 标准分类 >>
- 其他行业标准 >>
- FZ/T 64079-2020面膜用竹炭粘胶纤维非织造布
标准号:
FZ/T 64079-2020
标准名称:
面膜用竹炭粘胶纤维非织造布
标准类别:
其他行业标准
英文名称:
Bamboo-charcoal viscose fiber nonwovens for skin mask标准状态:
现行-
发布日期:
2020-04-16 -
实施日期:
2020-10-01 出版语种:
简体中文下载格式:
.pdf .zip
点击下载
标准简介:
本标准规定了面膜用竹炭粘胶纤维非织造布的技术要求、试验方法、检验规则、包装、标志和贮运。
本标准适用于面膜用竹炭粘胶纤维非织造布。其他含活性炭成分的再生纤维素纤维面膜用非织造布可参照执行。
部分标准内容:
ICS_59.080.30
中华人民共和国纺织行业标准
FZ/T64079—2020
面膜用竹炭粘胶纤维非织造布
Bamboo-charcoal viscose fiber nonwovens for skin mask2020-04-16发布
中华人民共和国工业和信息化部2020-10-01实施
本标准按照GB/T1.1一2009给出的规则起草。本标准由中国纺织工业联合会提出。FZ/T64079-—2020
本标准由全国纺织品标准化技术委员会产业用纺织品分技术委员会(SAC/TC209/SC7)归口。本标准起草单位:东纶科技实业有限公司、诺斯贝尔化妆品股份有限公司、唐山三友集团兴达化纤有限公司、浙江旺林生物科技有限公司、佛山中纺联检验技术服务有限公司、中纺标检验认证股份有限公司。
本标准主要起草人:张孝南、吴伟、郝景标、任强、郑柏山、程鸿财、刘飞飞、范展华、刘海泉、王静、陈冠杰。
1范围
面膜用竹炭粘胶纤维非织造布
FZ/T64079—2020
本标准规定了面膜用竹炭粘胶纤维非织造布的技术要求、试验方法、检验规则、包装、标志和运。本标准适用于面膜用竹炭粘胶纤维非织造布。其他含活性炭成分的再生纤维素纤维面膜用非织造布可参照执行。
2规范性引用文件
下列文件对于本文件的应用是必不可少的。凡是注日期的引用文件,仅注日期的版本适用于本文件。凡是不注日期的引用文件,其最新版本(包括所有的修改单)适用于本文件。GB/T250纺织品色牢度试验评定变色用灰色样卡纺织品甲醛的测定第1部分:游离和水解GB/T2912.1
纺织品色牢度试验耐水色牢度
GB/T5713
GB/T6529
GB/T7573
GB/T9995
纺织品调湿和试验用标准大气
纺织品水萃取液pH值的测定
纺织材料含水率和回潮率的测定烘箱干燥法GB15979—2002
2一次性使用卫生用品卫生标准
GB/T17593.1
纺织品重金属的测定第1部分:原子吸收分光光度法GB/T17593.2
纺织品重金属的测定第2部分:电感耦合等离子体原子发射光谱法纺织品
GB/T17593.4
重金属的测定第4部分:砷、汞原子荧光分光光度法国家纺织产品基本安全技术规范GB18401
纺织品非织造布试验方法第1部分:单位面积质量的测定GB/T24218.1
纺织品非织造布试验方法第3部分:断裂强力和断裂伸长率的测定(条样法)GB/T24218.34
GB/T24218.6纺织品非织造布试验方法第6部分:吸收性的测定FZ/T52014—2011竹炭粘胶短纤维3技术要求
3.1原材料
采用100%的竹炭粘胶纤维(即在粘胶纺丝溶液中加入竹炭粉纺丝制成的粘胶纤维),符合FZ/T52014—2011的要求。
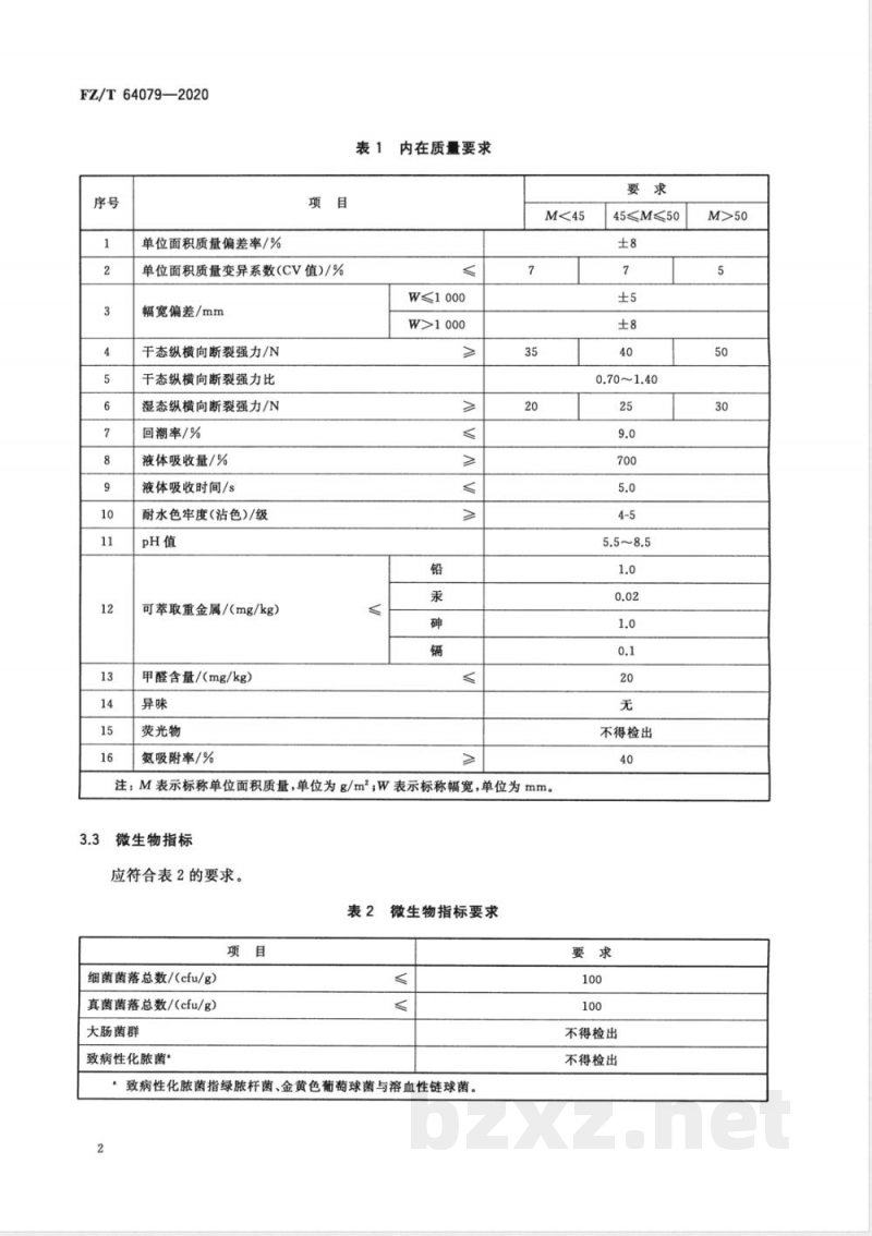
3.2内在质量
应符合表1的要求。
FZ/T64079—2020
单位面积质量偏差率/%
单位面积质量变异系数(CV值)/%幅宽偏差/mm
干态纵横向断裂强力/N
干态纵横向断裂强力比
湿态纵横向断裂强力/N
回潮率/%
液体吸收量/%
液体吸收时间/s
耐水色牢度(沾色)/级
可萃取重金属/(mg/kg)
甲醛含量/(mg/kg)
荧光物
氮吸附率/%
内在质量要求
W≤1000
W>1000
注:M表示标称单位面积质量,单位为g/m2;W表示标称幅宽,单位为mm。3.3
微生物指标
应符合表2的要求。
表2微生物指标要求
细菌菌落总数/(cfu/g)
真菌菌落总数/(cfu/g)
大肠菌群
致病性化脓菌*
致病性化脓菌指绿脓杆菌、金黄色葡萄球菌与溶血性链球菌。2
45≤M≤50
0.70~1.40
不得检出
不得检出
不得检出
3.4外观质量
3.4.1同批色差不低于4级。
3.4.2布面并丝数不超过5束/100m2。注:并丝是指布面存在若干根单纤维粘合在一起的异状纤维。FZ/T64079—2020
3.4.3布面应均匀平整,无破洞、油污斑渍、杂质、硬颗粒物、虫迹,无明显分层和折痕,裁边整齐。4试验方法
4.1单位面积质量偏差率和变异系数(CV值)按GB/T24218.1规定执行。其中单位面积质量偏差率按照式(1)计算,结果保留一位小数。K
式中:
K一单位面积质量偏差率,%;
M,-M。
M1-单位面积质量实测值,单位为克每平方米(g/m2);M。单位面积质量标称值,单位为克每平方米(g/m2)。4.2幅宽偏差
.(1)
从一卷产品的最外层起去掉5层,用精度为0.5mm的钢直尺测量,直尺与布边垂直,读取宽度值(精确到1mm),每卷测量3处,取平均值作为该卷的实测值,然后计算实测值与标称值之间的偏差。4.3干/湿态纵横向断裂强力和干态纵横向断裂强力比按GB/T24218.3规定执行。其中干态纵横向断裂强力比按照式(2)计算,结果保留两位小数。p=号
式中:
P干态纵横向断裂强力比;
F1——干态纵向断裂强力,单位为牛(N);F2——干态横向断裂强力,单位为牛(N)。4.4回潮率
按GB/T9995规定执行。
注:不宜抽取在储运中意外受潮、擦伤或包装已打开的包装件。4.5液体吸收量和液体吸收时间
按GB/T24218.6规定执行。
4.6耐水色牢度
按GB/T5713规定执行,其中贴衬织物选用单纤维贴衬织物。4.7pH值
按GB/T7573规定执行。
.(2)
FZ/T64079—2020
4.8可萃取重金属
按GB/T17593.1、GB/T17593.2和GB/T17593.4规定执行。9甲醛含量
按GB/T2912.1规定执行。
4.10异味
按GB18401中异味检测方法规定执行。4.11荧光物
打开紫外光设备电源开关,选定波长365nm,预热3min以上,关闭暗室所有可见光。平铺试样,置于紫外灯垂直有效距离照射之下,用肉眼直接观察,视距约为40cm,角度45。若试样反射出强而连续的紫、蓝色的荧光光泽,则该试样含有荧光物质。4.12氨吸附率
按FZ/T52014一2011附录A规定执行。其中样品准备为剪取一定质量的样品,将其在(105士3)℃的烘箱中烘干2h,然后在符合GB/T6529规定的标准大气条件下调湿2h。从该样品上随机剪取3块试样,每块试样质量为(10.00士0.01)g,准备测试。注:不宜抽取在储运中意外受潮、擦伤或包装已打开的包装件。4.13微生物
按GB15979—2002附录B规定执行。4.14色差
按GB/T250规定执行。
4.15外观质量检验条件
检验应在水平检验台上进行,采用正常白昼北光或日光灯照明,台面照度不低于6001x,目光与台面距离60cm左右。
5检验规则
5.1检验类型
5.1.1检验类型分为型式检验和出厂检验。5.1.2当在下述情况下须进行型式检验:a)规定的周期性检验时;
当生产设计、工艺、原料有变化,可能影响到产品质量时;出厂检验的结果与上次的型式检验有较大差异时;c)
国家检验机构要求进行型式检验时。2检验项目
FZ/T64079—2020
技术要求中所有项目均为型式检验项目;表1中序号110项目和外观质量为出厂检验项目。5.3
3分批规则
按交货批号的同一品种、同一规格的产品作为检验批。5.4抽样
5.4.1内在质量和微生物
从检验批中按表3规定随机抽取相应数量的卷数。从每卷距头端至少5m剪取样品,其尺寸应满足所有内在质量指标或微生物的性能试验。3内在质量和微生物抽样表
批量N
26~150
:外观质量
样本量n
从检验批中按表4规定随机抽取相应数量的卷数。接收数AcbzxZ.net
外观质量抽样表
批量N
26~150
5.5判定规则
内在质量判定
样本量n
接收数 Ac
拒收数Re
拒收数Re
单位为卷
单位为卷
按3.2对每个样本进行内在质量评定,符合要求的则为内在质量合格,否则为不合格;如果所有样本的内在质量合格,则该批产品内在质量合格,否则该批产品内在质量不合格。5.5.2微生物指标的判定
按3.3对每个样本进行微生物指标评定,符合要求的则为微生物指标合格,否则为不合格;如果所有样本的微生物指标合格,则该批产品微生物指标合格,否则该批产品微生物指标不合格。5.5.3外观质量的判定
按3.4对每个样本进行外观质量评定,符合要求的则为外观质量合格,否则为不合格;如果所有样5
FZ/T64079-—2020
本的外观质量合格,或不合格判定数不超过表4的接收数Ac,则该批产品外观质量合格;如果不合格判定数达到了表4的拒收数Re,则该批产品外观质量不合格。5.5.4结果判定
按5.5.1、5.5.2和5.5.3均判定为合格,则该批产品合格,否则判定该批产品不合格包装、标志和贮运
6.1包装应使产品不受损坏,便于运输。6.2每个包装单元的明显部位应附有标志,包含下列内容:生产企业名称和地址、产品名称、执行标准编号、单位面积质量、幅宽、卷长或卷重、生产批号和检验合格证。6.3产品在贮运中,应防水、防潮、防脏污、防晒。6
FZ/T64079-2020
打印日期:2020年7月17日
中华人民共和国纺织
行业标准
面膜用竹炭粘胶纤维非织造布
FZ/T64079—2020
中国标准出版社出版发行
北京市朝阳区和平里西街甲2号(100029)北京市西城区三里河北街16号(100045)网址www.spc.net.cn
总编室:(010)68533533发行中心:(010)51780238读者服务部:(010)68523946
中国标准出版社秦皇岛印刷厂印刷各地新华书店经销
开本880×12301/16
印张0.75字数14千字
2019年7月第一版
2019年7月第一次印刷
书号:155066·2-35391定价
告由本社发行中心调换
如有印装差错
版权专有侵权必究
举报电话:(010)68510107
小提示:此标准内容仅展示完整标准里的部分截取内容,若需要完整标准请到上方自行免费下载完整标准文档。
中华人民共和国纺织行业标准
FZ/T64079—2020
面膜用竹炭粘胶纤维非织造布
Bamboo-charcoal viscose fiber nonwovens for skin mask2020-04-16发布
中华人民共和国工业和信息化部2020-10-01实施
本标准按照GB/T1.1一2009给出的规则起草。本标准由中国纺织工业联合会提出。FZ/T64079-—2020
本标准由全国纺织品标准化技术委员会产业用纺织品分技术委员会(SAC/TC209/SC7)归口。本标准起草单位:东纶科技实业有限公司、诺斯贝尔化妆品股份有限公司、唐山三友集团兴达化纤有限公司、浙江旺林生物科技有限公司、佛山中纺联检验技术服务有限公司、中纺标检验认证股份有限公司。
本标准主要起草人:张孝南、吴伟、郝景标、任强、郑柏山、程鸿财、刘飞飞、范展华、刘海泉、王静、陈冠杰。
1范围
面膜用竹炭粘胶纤维非织造布
FZ/T64079—2020
本标准规定了面膜用竹炭粘胶纤维非织造布的技术要求、试验方法、检验规则、包装、标志和运。本标准适用于面膜用竹炭粘胶纤维非织造布。其他含活性炭成分的再生纤维素纤维面膜用非织造布可参照执行。
2规范性引用文件
下列文件对于本文件的应用是必不可少的。凡是注日期的引用文件,仅注日期的版本适用于本文件。凡是不注日期的引用文件,其最新版本(包括所有的修改单)适用于本文件。GB/T250纺织品色牢度试验评定变色用灰色样卡纺织品甲醛的测定第1部分:游离和水解GB/T2912.1
纺织品色牢度试验耐水色牢度
GB/T5713
GB/T6529
GB/T7573
GB/T9995
纺织品调湿和试验用标准大气
纺织品水萃取液pH值的测定
纺织材料含水率和回潮率的测定烘箱干燥法GB15979—2002
2一次性使用卫生用品卫生标准
GB/T17593.1
纺织品重金属的测定第1部分:原子吸收分光光度法GB/T17593.2
纺织品重金属的测定第2部分:电感耦合等离子体原子发射光谱法纺织品
GB/T17593.4
重金属的测定第4部分:砷、汞原子荧光分光光度法国家纺织产品基本安全技术规范GB18401
纺织品非织造布试验方法第1部分:单位面积质量的测定GB/T24218.1
纺织品非织造布试验方法第3部分:断裂强力和断裂伸长率的测定(条样法)GB/T24218.34
GB/T24218.6纺织品非织造布试验方法第6部分:吸收性的测定FZ/T52014—2011竹炭粘胶短纤维3技术要求
3.1原材料
采用100%的竹炭粘胶纤维(即在粘胶纺丝溶液中加入竹炭粉纺丝制成的粘胶纤维),符合FZ/T52014—2011的要求。
3.2内在质量
应符合表1的要求。
FZ/T64079—2020
单位面积质量偏差率/%
单位面积质量变异系数(CV值)/%幅宽偏差/mm
干态纵横向断裂强力/N
干态纵横向断裂强力比
湿态纵横向断裂强力/N
回潮率/%
液体吸收量/%
液体吸收时间/s
耐水色牢度(沾色)/级
可萃取重金属/(mg/kg)
甲醛含量/(mg/kg)
荧光物
氮吸附率/%
内在质量要求
W≤1000
W>1000
注:M表示标称单位面积质量,单位为g/m2;W表示标称幅宽,单位为mm。3.3
微生物指标
应符合表2的要求。
表2微生物指标要求
细菌菌落总数/(cfu/g)
真菌菌落总数/(cfu/g)
大肠菌群
致病性化脓菌*
致病性化脓菌指绿脓杆菌、金黄色葡萄球菌与溶血性链球菌。2
45≤M≤50
0.70~1.40
不得检出
不得检出
不得检出
3.4外观质量
3.4.1同批色差不低于4级。
3.4.2布面并丝数不超过5束/100m2。注:并丝是指布面存在若干根单纤维粘合在一起的异状纤维。FZ/T64079—2020
3.4.3布面应均匀平整,无破洞、油污斑渍、杂质、硬颗粒物、虫迹,无明显分层和折痕,裁边整齐。4试验方法
4.1单位面积质量偏差率和变异系数(CV值)按GB/T24218.1规定执行。其中单位面积质量偏差率按照式(1)计算,结果保留一位小数。K
式中:
K一单位面积质量偏差率,%;
M,-M。
M1-单位面积质量实测值,单位为克每平方米(g/m2);M。单位面积质量标称值,单位为克每平方米(g/m2)。4.2幅宽偏差
.(1)
从一卷产品的最外层起去掉5层,用精度为0.5mm的钢直尺测量,直尺与布边垂直,读取宽度值(精确到1mm),每卷测量3处,取平均值作为该卷的实测值,然后计算实测值与标称值之间的偏差。4.3干/湿态纵横向断裂强力和干态纵横向断裂强力比按GB/T24218.3规定执行。其中干态纵横向断裂强力比按照式(2)计算,结果保留两位小数。p=号
式中:
P干态纵横向断裂强力比;
F1——干态纵向断裂强力,单位为牛(N);F2——干态横向断裂强力,单位为牛(N)。4.4回潮率
按GB/T9995规定执行。
注:不宜抽取在储运中意外受潮、擦伤或包装已打开的包装件。4.5液体吸收量和液体吸收时间
按GB/T24218.6规定执行。
4.6耐水色牢度
按GB/T5713规定执行,其中贴衬织物选用单纤维贴衬织物。4.7pH值
按GB/T7573规定执行。
.(2)
FZ/T64079—2020
4.8可萃取重金属
按GB/T17593.1、GB/T17593.2和GB/T17593.4规定执行。9甲醛含量
按GB/T2912.1规定执行。
4.10异味
按GB18401中异味检测方法规定执行。4.11荧光物
打开紫外光设备电源开关,选定波长365nm,预热3min以上,关闭暗室所有可见光。平铺试样,置于紫外灯垂直有效距离照射之下,用肉眼直接观察,视距约为40cm,角度45。若试样反射出强而连续的紫、蓝色的荧光光泽,则该试样含有荧光物质。4.12氨吸附率
按FZ/T52014一2011附录A规定执行。其中样品准备为剪取一定质量的样品,将其在(105士3)℃的烘箱中烘干2h,然后在符合GB/T6529规定的标准大气条件下调湿2h。从该样品上随机剪取3块试样,每块试样质量为(10.00士0.01)g,准备测试。注:不宜抽取在储运中意外受潮、擦伤或包装已打开的包装件。4.13微生物
按GB15979—2002附录B规定执行。4.14色差
按GB/T250规定执行。
4.15外观质量检验条件
检验应在水平检验台上进行,采用正常白昼北光或日光灯照明,台面照度不低于6001x,目光与台面距离60cm左右。
5检验规则
5.1检验类型
5.1.1检验类型分为型式检验和出厂检验。5.1.2当在下述情况下须进行型式检验:a)规定的周期性检验时;
当生产设计、工艺、原料有变化,可能影响到产品质量时;出厂检验的结果与上次的型式检验有较大差异时;c)
国家检验机构要求进行型式检验时。2检验项目
FZ/T64079—2020
技术要求中所有项目均为型式检验项目;表1中序号110项目和外观质量为出厂检验项目。5.3
3分批规则
按交货批号的同一品种、同一规格的产品作为检验批。5.4抽样
5.4.1内在质量和微生物
从检验批中按表3规定随机抽取相应数量的卷数。从每卷距头端至少5m剪取样品,其尺寸应满足所有内在质量指标或微生物的性能试验。3内在质量和微生物抽样表
批量N
26~150
:外观质量
样本量n
从检验批中按表4规定随机抽取相应数量的卷数。接收数AcbzxZ.net
外观质量抽样表
批量N
26~150
5.5判定规则
内在质量判定
样本量n
接收数 Ac
拒收数Re
拒收数Re
单位为卷
单位为卷
按3.2对每个样本进行内在质量评定,符合要求的则为内在质量合格,否则为不合格;如果所有样本的内在质量合格,则该批产品内在质量合格,否则该批产品内在质量不合格。5.5.2微生物指标的判定
按3.3对每个样本进行微生物指标评定,符合要求的则为微生物指标合格,否则为不合格;如果所有样本的微生物指标合格,则该批产品微生物指标合格,否则该批产品微生物指标不合格。5.5.3外观质量的判定
按3.4对每个样本进行外观质量评定,符合要求的则为外观质量合格,否则为不合格;如果所有样5
FZ/T64079-—2020
本的外观质量合格,或不合格判定数不超过表4的接收数Ac,则该批产品外观质量合格;如果不合格判定数达到了表4的拒收数Re,则该批产品外观质量不合格。5.5.4结果判定
按5.5.1、5.5.2和5.5.3均判定为合格,则该批产品合格,否则判定该批产品不合格包装、标志和贮运
6.1包装应使产品不受损坏,便于运输。6.2每个包装单元的明显部位应附有标志,包含下列内容:生产企业名称和地址、产品名称、执行标准编号、单位面积质量、幅宽、卷长或卷重、生产批号和检验合格证。6.3产品在贮运中,应防水、防潮、防脏污、防晒。6
FZ/T64079-2020
打印日期:2020年7月17日
中华人民共和国纺织
行业标准
面膜用竹炭粘胶纤维非织造布
FZ/T64079—2020
中国标准出版社出版发行
北京市朝阳区和平里西街甲2号(100029)北京市西城区三里河北街16号(100045)网址www.spc.net.cn
总编室:(010)68533533发行中心:(010)51780238读者服务部:(010)68523946
中国标准出版社秦皇岛印刷厂印刷各地新华书店经销
开本880×12301/16
印张0.75字数14千字
2019年7月第一版
2019年7月第一次印刷
书号:155066·2-35391定价
告由本社发行中心调换
如有印装差错
版权专有侵权必究
举报电话:(010)68510107
小提示:此标准内容仅展示完整标准里的部分截取内容,若需要完整标准请到上方自行免费下载完整标准文档。
标准图片预览:





- 其它标准
- 热门标准
- 其他行业标准
- CECS353-2013 生态格网结构技术规程
- HG/T3663-2014 胶鞋抗菌性能试验方法
- JB/T11313-2012 电袋复合除尘器用旁路阀
- SH/T3022-2011 石油化工设备和管道涂料防腐蚀设计规范
- FZ/T14020-2020 涂料染色水洗棉布
- QJLPK0001S-2016 吉林普康农业有限公司 胚芽米
- QB/T2289.4-2012 园艺工具 剪枝剪
- JB/T9678-2012 盘形悬式绝缘子用钢化玻璃绝缘件外观质量
- JB/T9123-2010 印刷机械 热熔胶订包封皮机
- YS/T349.4-2010 硫化钴精矿化学分析方法 第4部分:二氧化硅量的测定 氟硅酸钾容量法
- FZ/T72013-2022 服用经编间隔织物
- QDLBG0001S-2016 吉林绿波中药药业有限公司 桦褐孔菌茶
- QB/T1097-2010 钢制文件柜
- JB/T5332.4-2011 额定电压3.6/6kV及以下电动潜油泵电缆 第4部分:电动潜油泵圆形电力电缆
- QB/T1586.2-2010 箱包五金配件 箱走轮
- 行业新闻
请牢记:“bzxz.net”即是“标准下载”四个汉字汉语拼音首字母与国际顶级域名“.net”的组合。 ©2025 标准下载网 www.bzxz.net 本站邮件:bzxznet@163.com
网站备案号:湘ICP备2025141790号-2
网站备案号:湘ICP备2025141790号-2