- 您的位置:
- 标准下载网 >>
- 标准分类 >>
- 其他行业标准 >>
- FZ/T 64082-2021滤料用基布
标准号:
FZ/T 64082-2021
标准名称:
滤料用基布
标准类别:
其他行业标准
英文名称:
Scrim for filter media标准状态:
现行-
发布日期:
2021-08-21 -
实施日期:
2022-02-01 出版语种:
简体中文下载格式:
.pdf .zip
部分标准内容:
ICS59.080.30
cCsW59
中华人民共和国纺织行业标准
FZ/T64082—2021
滤料用基布
Scrimforfiltermedia
2021-08-21发布
中华人民共和国工业和信息化部发布
2022-02-01实施
FZ/T64082—2021
本文件按照GB/T1.1—2020《标准化工作导则第1部分:标准化文件的结构和起草规则》的规定起草。
请注意本文件的某些内容可能涉及专利。本文件的发布机构不承担识别专利的责任。本文件由中国纺织工业联合会提出。本文件由全国纺织品标准化技术委员会产业用纺织品分技术委员会(SAC/TC209/SC7)归口。本文件起草单位:江苏恒生环保科技有限公司、东北大学、安徽元琛环保科技股份有限公司、无锡高强特种纺织有限公司、南京玻璃纤维研究设计院有限公司、浙江华基环保科技有限公司、上海钱丰纺织品有限公司、中国产业用纺织品行业协会、中纺标检验认证股份有限公司。本文件主要起草人:柳静献、杨正香、王海艳、高政、王道龙、周冠辰、高强、常德强、王艳、黄景莹、李昱昊、刘飞飞。
1范围
滤料用基布
FZ/T64082—2021
本文件规定了滤料用基布的术语和定义、技术要求、检测方法、检验规则、包装、标志、贮存和运输本文件适用于工业除尘滤料用机织基布。2规范性引用文件
下列文件中的内容通过文中的规范性引用而构成本文件必不可少的条款。其中,注日期的引用文件,仅该日期对应的版本适用于本文件;不注日期的引用文件,其最新版本(包括所有的修改单)适用于本文件。
GB/T191包装储运图示标志
GB/T457—2008
3纸和纸板耐折度的测定
GB/T3923.1纺织品织物拉伸性能第1部分:断裂强力和断裂伸长率的测定(条样法)GB/T4666
纺织品织物长度和幅宽的测定
GB/T4668—1995
GB/T4669—2008
GB/T5455—2014
GB/T12703.1
GB/T12703.2
GB/T12703.4
GB/T12703.5
3术语和定义
机织物密度的测定
纺织品
机织物单位长度质量和单位面积质量的测定纺织品
燃烧性能垂直方向损毁长度、阴燃和续燃时间的测定纺织品
纺织品
纺织品
纺织品
静电性能的评定第1部分:静电压半衰期静电性能的评定
静电性能的评定
静电性能的评定
下列术语和定义适用于本文件。3.1
基布scrim
第2部分:电荷面密度
第4部分:电阻率
第5部分:摩擦带电电压
位于滤料两面层之间,用于增强滤料物理机械性能的机织物。3.2
短纤基布staplefiberscrim
以短纤维为原料经纺纱、机织工艺加工而成的基布。3.3
化纤长丝基布chemicalfiberfilamentscrim以化学纤维长丝为原料经纺纱、机织工艺加工而成的基布,包括聚四氟乙烯长丝基布和其他化纤长丝基布。
玻璃纤维长丝基布glassfiberfilamentscrim以玻璃纤维长丝为原料经纺纱、机织工艺加工而成的基布。1
FZ/T64082—2021
聚四氟乙烯长丝基布
PTFEfilamentscrim
以聚四氟乙烯长丝为原料经纺纱、机织工艺加工而成的基布。技术要求
内在质量
基础性能
滤料用基布基础性能应满足表1要求。表1
单位面积质量
织物密度
基础性能要求
偏差率/%
注:偏差率是指项目实际测试值和标称值的差与标称值之比,用百分数表示。4.1.2
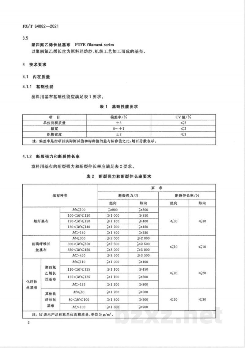
断裂强力和断裂伸长率
滤料用基布的断裂强力和断裂伸长率应满足表2要求。表2
基布种类
M≤100
100短纤基布
玻璃纤维长
丝基布
聚四氟
乙烯长
化纤长
丝基布
丝基布
其他化
纤长丝
120130M≤300
300350M≤110
110125M≤80
80断裂强力和断裂伸长率要求
断裂强力/N
≥1000
≥1400
>2 000
≥2500
≥3500
≥1100
≥1200
>1 200
≥1400
≥1600
注:M表示产品标称单位面积质量,单位为g/m2。2
>2 000
≥3500
≥400
≥450
CV值/%
断裂伸长率/%
4.1.3耐折性
FZ/T64082—2021
短纤基布和化纤长丝基布的耐折次数应≥15000次,玻璃纤维长丝基布的耐折次数应≥5000次。4.1.4
耐温性能
具有耐温性能的滤料,其基布的耐温性能应满足表3要求。表3耐温性能要求
连续高温预处理30min热收缩率/%连续高温预处理30min断裂强力保持率/%瞬时高温预处理热收缩率/%
瞬时高温预处理断裂强力保持率/%4.1.5
防静电性能
短纤基布
具有防静电性能的滤料,其基布应满足表4要求。表4
电荷面密度/(μC/m2)
摩擦带电电压/V
静电压半衰期/s
表面电阻/α
体积电阻/a
耐腐蚀和耐氧化性能
玻璃纤维长丝基布
防静电性能要求
具有耐腐蚀和耐氧化性能的滤料,其基布应满足表5要求。表5耐腐蚀和耐氧化性能要求
酸(或碱)或氧化处理后断裂强力保持率/%4.1.7
阻燃性能
≤200
化纤长丝基布
具有阻燃功能的滤料,其基布应满足阻燃性能要求。火焰施加到基布时,样品自身不应产生火焰,12s后样品离开火焰,基布不应续燃,且损毁长度小于100mm。3
FZ/T64082—2021
外观质量
基布表面洁净,无明显污痕、伤痕,疵点应满足表6要求。以疵点总数计算,平均每100m长度内疵点总数不超过15个。
边不良
毛圈边
异物织人
检测方法
内在质量
外观质量要求
呈波浪状的布边(布边松紧不匀或荷叶边),沿布边长度<2m,每100m<2处布边经纱张力过大造成长度短于邻近布身长度的布边,沿布边长度≤2m,每100m≤2处包含最外边纱3根或3根以上边纱或锁边纱断裂,沿布边长度≤50cm,每100m≤3处2根或多根相邻边纱(不包括锁边纱)断裂的布边,深人布边宽度≤2cm,沿布边长度<50cm,每100m≤2处
纬纱成圈状突出于布面的布边,沿布边长度≤30cm,每100m≤3处单根断经长度≤30cm,每100m≤5处;30cm<断经长度≤50cm,每100m≤2处断纬宽度≤1cm,每100m≤3处
不允许
不允许
尘埃、油、金属等污渍在布面宽度在2根以上成块状,每块边长≤5cm,每100m≤5处不超过幅宽的5%
单位面积质量
按GB/T4669—2008规定的方法3执行。5.1.2
2幅宽
按GB/T4666规定执行。
5.1.3织物密度
按GB/T4668—1995规定的方法B执行。5.1.4断裂强力和断裂伸长率
按GB/T3923.1的规定执行。
5耐折性
按GB/T457--2008的MIT方法规定执行,其中基布在14.72N的张力条件下进行耐折测试。5.1.6耐温性能
按附录A规定执行。
5.1.7防静电性能
按GB/T12703.1、GB/T12703.2、GB/T12703.4、GB/T12703.5的规定执行。5.1.8耐腐蚀和耐氧化性能
FZ/T64082—2021
按照GB/T3923.1准备测试样品,耐酸性能测试时,将样品浸于温度为85℃、质量分数为60%的H,SO,的溶液中,保持24h;耐碱性能测试时,将样品浸于质量分数为40%的NaOH的常温溶液中,保持24h;耐氧化性能测试时,将样品浸于质量分数为30%的硝酸常温溶液中,保持2h。样品取出后经过清水充分漂洗,在25土2℃条件下于通风橱中干燥4h。按照GB/T3923.1测试其断裂强力,与处理前原样断裂强力之比得到断裂强力保持率。以处理后样品的断裂强力与原样断裂强力的比值百分数,得到相应的耐酸、碱或氧化强力保持率。5.1.9阻燃性能
按GB/T5455一2014规定的方法B执行。5.2外观质量
外观质量采用目测法检查,检验时布面照度不低于4001x,检验人员眼部距离样品约1m左右,检验人员正视样品,需2人同时检验。6检验规则
6.1检验抽样
外观质量和内在质量的检验抽样方案按照表7。内在质量距头端1m以上截取,样品大小应能满足所有内在质量指标测试。
表7基布抽样数量
检验批的卷数
≤200此内容来自标准下载网
201~499
6.2内在质量判定
外观质量
最少抽样卷数
内在质量
所有样品的内在质量检测结果符合4.1要求,则判定该批基布产品内在质量合格。否则在原批中随机抽取双倍样品,对不符合项目进行复验,复验结果合格,判定该批产品内在质量合格,否则判定该批产品内在质量不合格。
6.3外观质量判定
所有样品的外观质量满足4.2要求,则判定该批基布产品的外观质量合格。6.4结果判定
按6.2和6.3判定均为合格,则该批产品合格。否则判定该批产品不合格。FZ/T64082-2021
7包装、标志、贮存和运输
7.1包装
1不同类型和规格的产品必须单独包装。7.1.1
2产品包装应防水、牢固和便于运输。3产品包装箱内应有产品合格证。7.1.3
7.2标志
包装箱的外部应有印刷标志,
2标志的内容包括:厂名、厂址、品名、规格、执行的标准号和出厂日期等。7.2.2
7.2.3标志要明显、清晰和便于识别。包装箱外部的明显部位,应按照GB/T191的规定标明:“防潮”和“堆码层数极限”图示。
7.3产品的贮存和运输
1产品要存放在通风、干燥、不受日晒的常温地带;与墙壁的距离不应小于200mm,并要远离火源7.3.1
和高温物体。
2产品要用干燥、有遮篷运输工具运输,在运输过程中,应防止雨淋、水浸、压轧、撞击和沾污7.3.2
A.1测试原理
附录A
(规范性)
耐温性能测试
FZ/T64082—2021
基布耐温性能测试时,其连续测试温度和瞬时测试温度由用户提供,如果用户未提供时,典型材质基布按表A.1确定测试温度。
连续高温预处理指样品在连续测试温度下加热30min,冷却至室温后进行测试。瞬时高温预处理指样品在瞬时温度下加热10min、在室温下冷却10min,再加热与冷却往复循环10次后进行测试。
测试步骤
按照GB/T3923.1准备试样2组,每组含经纬向试样各5块。A.2.1
取出其中一组试样,分别测定其经纬向断裂强力f。及断裂伸长率。A.2.2
将另外一组分别测量其经纬向长度L。,标记后平放于高温箱内。以2℃/min速度升温至测试温度后恒温并开始计时。A.2.4
按照连续高温预处理或瞬时高温预处理要求,控制处理时间和次数,处理结束后取出基布,样品冷却后分别测定各块基布经纬向长度L:,经纬向断裂强力f及断裂伸长率。A.2.6
按式(A.1)和(A.2)计算基布经热处理后的经纬向断裂强力保持率入和经纬向热收缩率9。入:
式中:
热处理后基布的经纬向断裂强力保持率,%;G
热处理后基布的经纬向热收缩率,%;一热处理后基布经纬向断裂强力的平均值,单位为牛(N);f
未经处理基布经纬向断裂强力,单位为牛(N);-未经热处理基布的经纬向长度,单位为毫米(mm));热处理后基布的经纬向长度,单位为毫米(mm)。表A.1
典型材质基布的耐温性测试温度材质种类
聚酯纤维
均聚丙烯腈纤维
聚苯硫醚纤维
芳香族聚酰胺纤维
聚四氟乙烯纤维
聚酰亚胺纤维
芳砜纶纤维
聚芳嗯二唑纤维
玻璃纤维
连续测试温度/℃
...(A.1)
......(A.2)
瞬时测试温度/℃
FZ/T64082-2021
码上扫一扫正版服务到
中华人民共和国纺织
行业标准
滤料用基布
FZ/T64082—2021
中国标准出版社出版发行
北京市朝阳区和平里西街甲2号(100029)北京市西城区三里河北街16号(100045)网址www.spc.net.cn
总编室:(010)68533533
发行中心:(010)51780238
读者服务部:(010)68523946
中国标准出版社秦皇岛印刷厂印刷各地新华书店经销
开本880×12301/16
2022年1月第一版
印张0.75
字数20千字
2022年1月第一次印刷
书号:155066·2-36434定价
如有印装差错由本社发行中心调换版权专有侵权必究
举报电话:(010)68510107
小提示:此标准内容仅展示完整标准里的部分截取内容,若需要完整标准请到上方自行免费下载完整标准文档。
cCsW59
中华人民共和国纺织行业标准
FZ/T64082—2021
滤料用基布
Scrimforfiltermedia
2021-08-21发布
中华人民共和国工业和信息化部发布
2022-02-01实施
FZ/T64082—2021
本文件按照GB/T1.1—2020《标准化工作导则第1部分:标准化文件的结构和起草规则》的规定起草。
请注意本文件的某些内容可能涉及专利。本文件的发布机构不承担识别专利的责任。本文件由中国纺织工业联合会提出。本文件由全国纺织品标准化技术委员会产业用纺织品分技术委员会(SAC/TC209/SC7)归口。本文件起草单位:江苏恒生环保科技有限公司、东北大学、安徽元琛环保科技股份有限公司、无锡高强特种纺织有限公司、南京玻璃纤维研究设计院有限公司、浙江华基环保科技有限公司、上海钱丰纺织品有限公司、中国产业用纺织品行业协会、中纺标检验认证股份有限公司。本文件主要起草人:柳静献、杨正香、王海艳、高政、王道龙、周冠辰、高强、常德强、王艳、黄景莹、李昱昊、刘飞飞。
1范围
滤料用基布
FZ/T64082—2021
本文件规定了滤料用基布的术语和定义、技术要求、检测方法、检验规则、包装、标志、贮存和运输本文件适用于工业除尘滤料用机织基布。2规范性引用文件
下列文件中的内容通过文中的规范性引用而构成本文件必不可少的条款。其中,注日期的引用文件,仅该日期对应的版本适用于本文件;不注日期的引用文件,其最新版本(包括所有的修改单)适用于本文件。
GB/T191包装储运图示标志
GB/T457—2008
3纸和纸板耐折度的测定
GB/T3923.1纺织品织物拉伸性能第1部分:断裂强力和断裂伸长率的测定(条样法)GB/T4666
纺织品织物长度和幅宽的测定
GB/T4668—1995
GB/T4669—2008
GB/T5455—2014
GB/T12703.1
GB/T12703.2
GB/T12703.4
GB/T12703.5
3术语和定义
机织物密度的测定
纺织品
机织物单位长度质量和单位面积质量的测定纺织品
燃烧性能垂直方向损毁长度、阴燃和续燃时间的测定纺织品
纺织品
纺织品
纺织品
静电性能的评定第1部分:静电压半衰期静电性能的评定
静电性能的评定
静电性能的评定
下列术语和定义适用于本文件。3.1
基布scrim
第2部分:电荷面密度
第4部分:电阻率
第5部分:摩擦带电电压
位于滤料两面层之间,用于增强滤料物理机械性能的机织物。3.2
短纤基布staplefiberscrim
以短纤维为原料经纺纱、机织工艺加工而成的基布。3.3
化纤长丝基布chemicalfiberfilamentscrim以化学纤维长丝为原料经纺纱、机织工艺加工而成的基布,包括聚四氟乙烯长丝基布和其他化纤长丝基布。
玻璃纤维长丝基布glassfiberfilamentscrim以玻璃纤维长丝为原料经纺纱、机织工艺加工而成的基布。1
FZ/T64082—2021
聚四氟乙烯长丝基布
PTFEfilamentscrim
以聚四氟乙烯长丝为原料经纺纱、机织工艺加工而成的基布。技术要求
内在质量
基础性能
滤料用基布基础性能应满足表1要求。表1
单位面积质量
织物密度
基础性能要求
偏差率/%
注:偏差率是指项目实际测试值和标称值的差与标称值之比,用百分数表示。4.1.2
断裂强力和断裂伸长率
滤料用基布的断裂强力和断裂伸长率应满足表2要求。表2
基布种类
M≤100
100
玻璃纤维长
丝基布
聚四氟
乙烯长
化纤长
丝基布
丝基布
其他化
纤长丝
120
300
110
80
断裂强力/N
≥1000
≥1400
>2 000
≥2500
≥3500
≥1100
≥1200
>1 200
≥1400
≥1600
注:M表示产品标称单位面积质量,单位为g/m2。2
>2 000
≥3500
≥400
≥450
CV值/%
断裂伸长率/%
4.1.3耐折性
FZ/T64082—2021
短纤基布和化纤长丝基布的耐折次数应≥15000次,玻璃纤维长丝基布的耐折次数应≥5000次。4.1.4
耐温性能
具有耐温性能的滤料,其基布的耐温性能应满足表3要求。表3耐温性能要求
连续高温预处理30min热收缩率/%连续高温预处理30min断裂强力保持率/%瞬时高温预处理热收缩率/%
瞬时高温预处理断裂强力保持率/%4.1.5
防静电性能
短纤基布
具有防静电性能的滤料,其基布应满足表4要求。表4
电荷面密度/(μC/m2)
摩擦带电电压/V
静电压半衰期/s
表面电阻/α
体积电阻/a
耐腐蚀和耐氧化性能
玻璃纤维长丝基布
防静电性能要求
具有耐腐蚀和耐氧化性能的滤料,其基布应满足表5要求。表5耐腐蚀和耐氧化性能要求
酸(或碱)或氧化处理后断裂强力保持率/%4.1.7
阻燃性能
≤200
化纤长丝基布
具有阻燃功能的滤料,其基布应满足阻燃性能要求。火焰施加到基布时,样品自身不应产生火焰,12s后样品离开火焰,基布不应续燃,且损毁长度小于100mm。3
FZ/T64082—2021
外观质量
基布表面洁净,无明显污痕、伤痕,疵点应满足表6要求。以疵点总数计算,平均每100m长度内疵点总数不超过15个。
边不良
毛圈边
异物织人
检测方法
内在质量
外观质量要求
呈波浪状的布边(布边松紧不匀或荷叶边),沿布边长度<2m,每100m<2处布边经纱张力过大造成长度短于邻近布身长度的布边,沿布边长度≤2m,每100m≤2处包含最外边纱3根或3根以上边纱或锁边纱断裂,沿布边长度≤50cm,每100m≤3处2根或多根相邻边纱(不包括锁边纱)断裂的布边,深人布边宽度≤2cm,沿布边长度<50cm,每100m≤2处
纬纱成圈状突出于布面的布边,沿布边长度≤30cm,每100m≤3处单根断经长度≤30cm,每100m≤5处;30cm<断经长度≤50cm,每100m≤2处断纬宽度≤1cm,每100m≤3处
不允许
不允许
尘埃、油、金属等污渍在布面宽度在2根以上成块状,每块边长≤5cm,每100m≤5处不超过幅宽的5%
单位面积质量
按GB/T4669—2008规定的方法3执行。5.1.2
2幅宽
按GB/T4666规定执行。
5.1.3织物密度
按GB/T4668—1995规定的方法B执行。5.1.4断裂强力和断裂伸长率
按GB/T3923.1的规定执行。
5耐折性
按GB/T457--2008的MIT方法规定执行,其中基布在14.72N的张力条件下进行耐折测试。5.1.6耐温性能
按附录A规定执行。
5.1.7防静电性能
按GB/T12703.1、GB/T12703.2、GB/T12703.4、GB/T12703.5的规定执行。5.1.8耐腐蚀和耐氧化性能
FZ/T64082—2021
按照GB/T3923.1准备测试样品,耐酸性能测试时,将样品浸于温度为85℃、质量分数为60%的H,SO,的溶液中,保持24h;耐碱性能测试时,将样品浸于质量分数为40%的NaOH的常温溶液中,保持24h;耐氧化性能测试时,将样品浸于质量分数为30%的硝酸常温溶液中,保持2h。样品取出后经过清水充分漂洗,在25土2℃条件下于通风橱中干燥4h。按照GB/T3923.1测试其断裂强力,与处理前原样断裂强力之比得到断裂强力保持率。以处理后样品的断裂强力与原样断裂强力的比值百分数,得到相应的耐酸、碱或氧化强力保持率。5.1.9阻燃性能
按GB/T5455一2014规定的方法B执行。5.2外观质量
外观质量采用目测法检查,检验时布面照度不低于4001x,检验人员眼部距离样品约1m左右,检验人员正视样品,需2人同时检验。6检验规则
6.1检验抽样
外观质量和内在质量的检验抽样方案按照表7。内在质量距头端1m以上截取,样品大小应能满足所有内在质量指标测试。
表7基布抽样数量
检验批的卷数
≤200此内容来自标准下载网
201~499
6.2内在质量判定
外观质量
最少抽样卷数
内在质量
所有样品的内在质量检测结果符合4.1要求,则判定该批基布产品内在质量合格。否则在原批中随机抽取双倍样品,对不符合项目进行复验,复验结果合格,判定该批产品内在质量合格,否则判定该批产品内在质量不合格。
6.3外观质量判定
所有样品的外观质量满足4.2要求,则判定该批基布产品的外观质量合格。6.4结果判定
按6.2和6.3判定均为合格,则该批产品合格。否则判定该批产品不合格。FZ/T64082-2021
7包装、标志、贮存和运输
7.1包装
1不同类型和规格的产品必须单独包装。7.1.1
2产品包装应防水、牢固和便于运输。3产品包装箱内应有产品合格证。7.1.3
7.2标志
包装箱的外部应有印刷标志,
2标志的内容包括:厂名、厂址、品名、规格、执行的标准号和出厂日期等。7.2.2
7.2.3标志要明显、清晰和便于识别。包装箱外部的明显部位,应按照GB/T191的规定标明:“防潮”和“堆码层数极限”图示。
7.3产品的贮存和运输
1产品要存放在通风、干燥、不受日晒的常温地带;与墙壁的距离不应小于200mm,并要远离火源7.3.1
和高温物体。
2产品要用干燥、有遮篷运输工具运输,在运输过程中,应防止雨淋、水浸、压轧、撞击和沾污7.3.2
A.1测试原理
附录A
(规范性)
耐温性能测试
FZ/T64082—2021
基布耐温性能测试时,其连续测试温度和瞬时测试温度由用户提供,如果用户未提供时,典型材质基布按表A.1确定测试温度。
连续高温预处理指样品在连续测试温度下加热30min,冷却至室温后进行测试。瞬时高温预处理指样品在瞬时温度下加热10min、在室温下冷却10min,再加热与冷却往复循环10次后进行测试。
测试步骤
按照GB/T3923.1准备试样2组,每组含经纬向试样各5块。A.2.1
取出其中一组试样,分别测定其经纬向断裂强力f。及断裂伸长率。A.2.2
将另外一组分别测量其经纬向长度L。,标记后平放于高温箱内。以2℃/min速度升温至测试温度后恒温并开始计时。A.2.4
按照连续高温预处理或瞬时高温预处理要求,控制处理时间和次数,处理结束后取出基布,样品冷却后分别测定各块基布经纬向长度L:,经纬向断裂强力f及断裂伸长率。A.2.6
按式(A.1)和(A.2)计算基布经热处理后的经纬向断裂强力保持率入和经纬向热收缩率9。入:
式中:
热处理后基布的经纬向断裂强力保持率,%;G
热处理后基布的经纬向热收缩率,%;一热处理后基布经纬向断裂强力的平均值,单位为牛(N);f
未经处理基布经纬向断裂强力,单位为牛(N);-未经热处理基布的经纬向长度,单位为毫米(mm));热处理后基布的经纬向长度,单位为毫米(mm)。表A.1
典型材质基布的耐温性测试温度材质种类
聚酯纤维
均聚丙烯腈纤维
聚苯硫醚纤维
芳香族聚酰胺纤维
聚四氟乙烯纤维
聚酰亚胺纤维
芳砜纶纤维
聚芳嗯二唑纤维
玻璃纤维
连续测试温度/℃
...(A.1)
......(A.2)
瞬时测试温度/℃
FZ/T64082-2021
码上扫一扫正版服务到
中华人民共和国纺织
行业标准
滤料用基布
FZ/T64082—2021
中国标准出版社出版发行
北京市朝阳区和平里西街甲2号(100029)北京市西城区三里河北街16号(100045)网址www.spc.net.cn
总编室:(010)68533533
发行中心:(010)51780238
读者服务部:(010)68523946
中国标准出版社秦皇岛印刷厂印刷各地新华书店经销
开本880×12301/16
2022年1月第一版
印张0.75
字数20千字
2022年1月第一次印刷
书号:155066·2-36434定价
如有印装差错由本社发行中心调换版权专有侵权必究
举报电话:(010)68510107
小提示:此标准内容仅展示完整标准里的部分截取内容,若需要完整标准请到上方自行免费下载完整标准文档。
标准图片预览:





- 其它标准
- 热门标准
- 其他行业标准
- CECS353-2013 生态格网结构技术规程
- HG/T3663-2014 胶鞋抗菌性能试验方法
- JB/T11313-2012 电袋复合除尘器用旁路阀
- SH/T3022-2011 石油化工设备和管道涂料防腐蚀设计规范
- FZ/T14020-2020 涂料染色水洗棉布
- QJLPK0001S-2016 吉林普康农业有限公司 胚芽米
- QB/T2289.4-2012 园艺工具 剪枝剪
- JB/T9678-2012 盘形悬式绝缘子用钢化玻璃绝缘件外观质量
- JB/T9123-2010 印刷机械 热熔胶订包封皮机
- YS/T349.4-2010 硫化钴精矿化学分析方法 第4部分:二氧化硅量的测定 氟硅酸钾容量法
- FZ/T72013-2022 服用经编间隔织物
- QDLBG0001S-2016 吉林绿波中药药业有限公司 桦褐孔菌茶
- QB/T1097-2010 钢制文件柜
- JB/T5332.4-2011 额定电压3.6/6kV及以下电动潜油泵电缆 第4部分:电动潜油泵圆形电力电缆
- QB/T1586.2-2010 箱包五金配件 箱走轮
- 行业新闻
请牢记:“bzxz.net”即是“标准下载”四个汉字汉语拼音首字母与国际顶级域名“.net”的组合。 ©2025 标准下载网 www.bzxz.net 本站邮件:bzxznet@163.com
网站备案号:湘ICP备2025141790号-2
网站备案号:湘ICP备2025141790号-2