- 您的位置:
- 标准下载网 >>
- 标准分类 >>
- 其他行业标准 >>
- FZ/T 64076-2019建筑包覆用非织造布
标准号:
FZ/T 64076-2019
标准名称:
建筑包覆用非织造布
标准类别:
其他行业标准
英文名称:
Nonwoven fabric for building coating标准状态:
现行-
发布日期:
2019-12-24 -
实施日期:
2020-07-01 出版语种:
简体中文下载格式:
.pdf .zip
点击下载
标准简介:
本标准规定了建筑包覆用非织造布的术语和定义、技术要求、试验方法、检验规则、标志、包装、运输和贮存。
本标准适用于以聚合物切片或纤维为原材料,熔融纺丝或梳理成网后,采用热轧或针刺固结而成的建筑包覆用非织造布。
部分标准内容:
ICS 59.080.30
中华人民共和国纺织行业标
FZ/T64076—2019
建筑包覆用非织造布
Nonwoven fabric for building coating2019-12-24发布
中华人民共和国工业和信息化部发布
2020-07-01实施
本标准按照GB/T1.12009给出的规则起草本标准由中国纺织工业联合会提出FZ/T64076—2019
本标准由全国纺织品标准化技术委员会产业用纺织品分技术委员会(SAC/TC209/SC7)归口。本标准起草单位:山东泰鹏环保材料股份有限公司、广东宝泓新材料股份有限公司、江西国桥实业有限公司、浙江毛金悲织造布有限公司、天津工业大学、中国产业用纺织品行业协会、中纺标检验认证股份有限公司学
本棕蕉美翼鹤墓人张静、李桂梅、赵立环、刘飞飞、李杰、余坤、朱宏伟、王海平、夏磊、马丽娟、赵瑾瑜。亚需下级浓细不密显胍性摄影1范围
建筑包覆用非织造布
FZ/T64076—2019
本标准规定了建筑包覆用非织造布的术语和定义、技术要求、试验方法、检验规则、标志、包装、运输和贮存。
本标准适用于以聚合物切片或纤维为原材料,熔融纺丝或梳理成网后,采用热轧或针刺固结而成的建筑包覆用非织造布。
2规范性引用文件
下列文件对于本文件的应用是必不可少的。凡是注日期的引用文件,仅注日期的版本适用于本文件。凡是不注日期的引用文件,其最新版本(包括所有的修改单)适用于本文件。GB/T328.18建筑防水卷材试验方法第18部分:沥青防水卷材撕裂性能(钉杆法)
GB/T4666纺织品织物长度和幅宽的测定GB/T15789土工布及其有关产品无负荷时垂真渗透特性的测定GB/T24218.2纺织品非织造布试验穷翰部办厚度的测定GB/T24218.3纺织品非织造布试验高%部断裂强力和断裂伸长率的测定(条样法)下交智盗品吸摄息
FZ/T01154非织造布粘结牢度试验方溪元术语和定义
下列术语和定义适用于本文件。3.1
建筑包覆用非织造布
nonwovenfabricforbuildingcoating用于建筑外墙墙体内侧,铺设于墙体和外部覆盖层之间起防潮、防结露等作用的非织造布。4技术要求
4.1内在质量
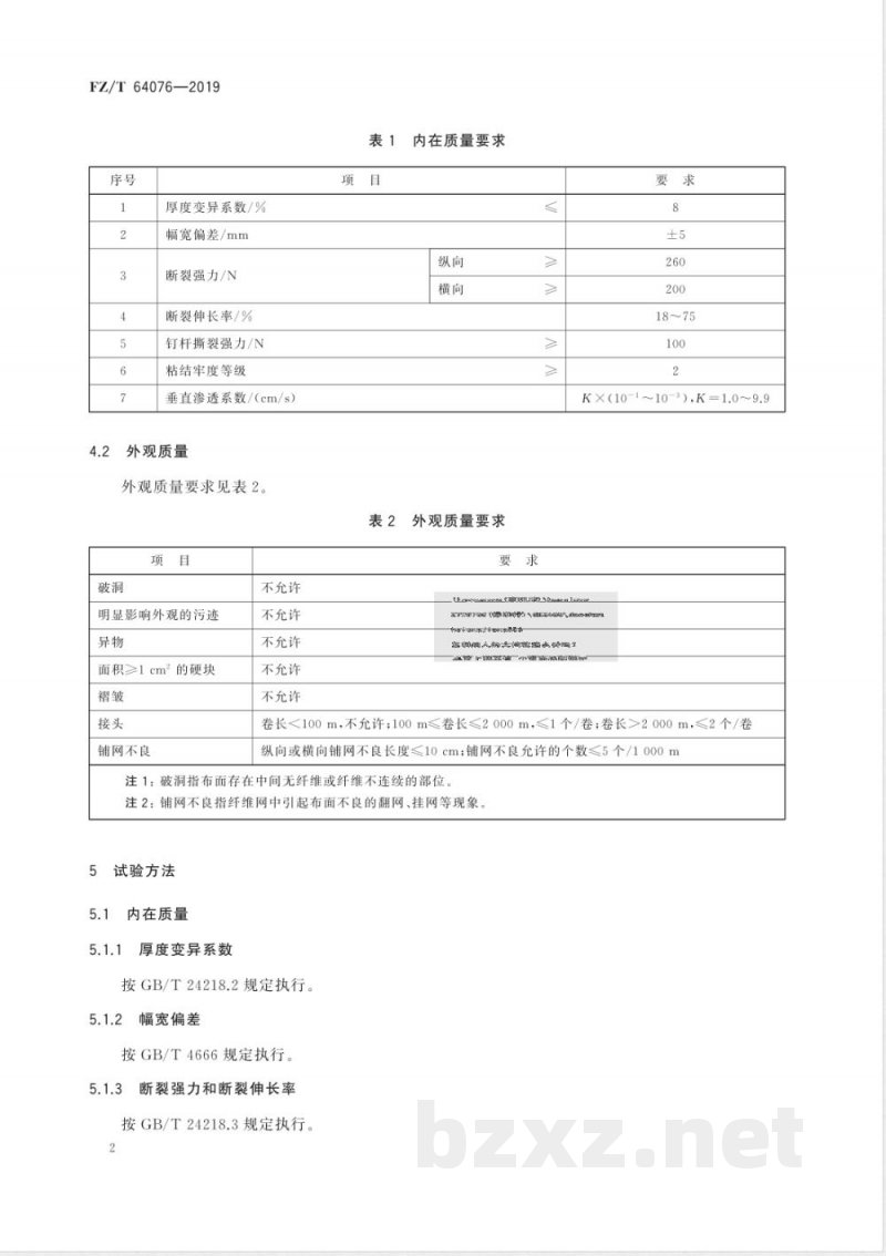
内在质量要求见表1。
FZ/T64076—2019
厚度变异系数/%
幅宽偏差/mm
断裂强力/N
断裂伸长率/%
钉杆撕裂强力/N
粘结牢度等级
垂直渗透系数/(cm/s)
外观质量
外观质量要求见表2。
明显影响外观的污迹
面积≥1cm2的硬块
铺网不良
不允许
不允许
不允许
不允许
不允许
内在质量要求
外观质量要求
Lhouasea g SPaum e
K×(10-1~10-3),K
[=1.0~9.9
卷长<100m,不允许;100m≤卷长≤2000m,≤1个/卷;卷长>2000m,≤2个/卷纵向或横向铺网不良长度≤10cm;铺网不良允许的个数≤5个/1000m注1:破洞指布面存在中间无纤维或纤维不连续的部位注2:铺网不良指纤维网中引起布面不良的翻网、挂网等现象,5
试验方法
内在质量
厚度变异系数
按GB/T24218.2规定执行
幅宽偏差
按GB/T4666规定执行。
断裂强力和断裂伸长率
按GB/T24218.3规定执行
5.1.4钉杆撕裂强力
按GB/T328.18规定执行。
5.1.5粘结牢度等级
按FZ/T01154规定执行。
5.1.6垂直渗透系数
按GB/T15789规定执行。
外观质量
FZ/T64076—2019
外观质量采用目测方法,检验光线以正常白昼北向自然光为准,或以日光灯照明,照度不低于4001x。一般检验产品正面,疵点延及两面时以严重一面为准。6
检验规则
分批规定
按交货批号的同一品种、同一规格的产品作为检验批。6.2抽样
6.2.1内在质量
Jh mry
KEPEUmPanm1ora
从检验批中随机抽取一卷,距头端至少5m剪摔器龚产密满足所有内在质量指标的性能温不惠温
试验。
外观质量
从检验批中按表3规定随机抽取相应数量的卷数,表3取样卷数
一批的卷数
26~50
51~100
≥101
判定规则
内在质量判定
抽取卷数
按4.1对样品进行内在质量评定,符合4.1要求,则判该批产品内在质量合格,否则从该批产品中按6.2.1规定重新取样进行复验。如果复验样品均符合4.1要求,则判该批产品内在质量合格;如果复验结果仍有不合格卷时,则判该批产品内在质量不合格FZ/T64076—2019
外观质量判定
按4.2对样品进行外观质量评定,符合4.2要求,则判该批外观质量合格,否则从该批产品中按6.2.2规定重新取样进行复验。如果复验样品均符合4.2要求,则判该批产品外观质量合格;如果复验结果仍有不合格卷时,则判该批产品外观质量不合格。6.3.3结果判定
按6.3.1和6.3.2判定均为合格,则判定该批产品合格,否则判定该批产品不合格7标志、包装、运输和存
7.1标志
每个包装单元的明显部位应附有标志,包含下列内容,或根据协议、合同规定加以标志:a)
生产企业名称和地址;
产品名称;
本标准代号;
单位面积质量(g/m2);
产品类型;
幅宽(cm);
卷长(m)或卷重(kg);
生产批号和生产日期;
检验合格证;
产品商标;此内容来自标准下载网
检验人员。
7.2包装
产品包装的材料和规格依据协议或合同规定,以坚固和适于运输为原则,保证其品质不受影响7.3运输
运输途中禁止损坏包装,应保证不破损、不污、不受潮、防雨淋。7.4购存
产品应放在干燥、清洁、阴凉、通风的库房内贮存。
小提示:此标准内容仅展示完整标准里的部分截取内容,若需要完整标准请到上方自行免费下载完整标准文档。
中华人民共和国纺织行业标
FZ/T64076—2019
建筑包覆用非织造布
Nonwoven fabric for building coating2019-12-24发布
中华人民共和国工业和信息化部发布
2020-07-01实施
本标准按照GB/T1.12009给出的规则起草本标准由中国纺织工业联合会提出FZ/T64076—2019
本标准由全国纺织品标准化技术委员会产业用纺织品分技术委员会(SAC/TC209/SC7)归口。本标准起草单位:山东泰鹏环保材料股份有限公司、广东宝泓新材料股份有限公司、江西国桥实业有限公司、浙江毛金悲织造布有限公司、天津工业大学、中国产业用纺织品行业协会、中纺标检验认证股份有限公司学
本棕蕉美翼鹤墓人张静、李桂梅、赵立环、刘飞飞、李杰、余坤、朱宏伟、王海平、夏磊、马丽娟、赵瑾瑜。亚需下级浓细不密显胍性摄影1范围
建筑包覆用非织造布
FZ/T64076—2019
本标准规定了建筑包覆用非织造布的术语和定义、技术要求、试验方法、检验规则、标志、包装、运输和贮存。
本标准适用于以聚合物切片或纤维为原材料,熔融纺丝或梳理成网后,采用热轧或针刺固结而成的建筑包覆用非织造布。
2规范性引用文件
下列文件对于本文件的应用是必不可少的。凡是注日期的引用文件,仅注日期的版本适用于本文件。凡是不注日期的引用文件,其最新版本(包括所有的修改单)适用于本文件。GB/T328.18建筑防水卷材试验方法第18部分:沥青防水卷材撕裂性能(钉杆法)
GB/T4666纺织品织物长度和幅宽的测定GB/T15789土工布及其有关产品无负荷时垂真渗透特性的测定GB/T24218.2纺织品非织造布试验穷翰部办厚度的测定GB/T24218.3纺织品非织造布试验高%部断裂强力和断裂伸长率的测定(条样法)下交智盗品吸摄息
FZ/T01154非织造布粘结牢度试验方溪元术语和定义
下列术语和定义适用于本文件。3.1
建筑包覆用非织造布
nonwovenfabricforbuildingcoating用于建筑外墙墙体内侧,铺设于墙体和外部覆盖层之间起防潮、防结露等作用的非织造布。4技术要求
4.1内在质量
内在质量要求见表1。
FZ/T64076—2019
厚度变异系数/%
幅宽偏差/mm
断裂强力/N
断裂伸长率/%
钉杆撕裂强力/N
粘结牢度等级
垂直渗透系数/(cm/s)
外观质量
外观质量要求见表2。
明显影响外观的污迹
面积≥1cm2的硬块
铺网不良
不允许
不允许
不允许
不允许
不允许
内在质量要求
外观质量要求
Lhouasea g SPaum e
K×(10-1~10-3),K
[=1.0~9.9
卷长<100m,不允许;100m≤卷长≤2000m,≤1个/卷;卷长>2000m,≤2个/卷纵向或横向铺网不良长度≤10cm;铺网不良允许的个数≤5个/1000m注1:破洞指布面存在中间无纤维或纤维不连续的部位注2:铺网不良指纤维网中引起布面不良的翻网、挂网等现象,5
试验方法
内在质量
厚度变异系数
按GB/T24218.2规定执行
幅宽偏差
按GB/T4666规定执行。
断裂强力和断裂伸长率
按GB/T24218.3规定执行
5.1.4钉杆撕裂强力
按GB/T328.18规定执行。
5.1.5粘结牢度等级
按FZ/T01154规定执行。
5.1.6垂直渗透系数
按GB/T15789规定执行。
外观质量
FZ/T64076—2019
外观质量采用目测方法,检验光线以正常白昼北向自然光为准,或以日光灯照明,照度不低于4001x。一般检验产品正面,疵点延及两面时以严重一面为准。6
检验规则
分批规定
按交货批号的同一品种、同一规格的产品作为检验批。6.2抽样
6.2.1内在质量
Jh mry
KEPEUmPanm1ora
从检验批中随机抽取一卷,距头端至少5m剪摔器龚产密满足所有内在质量指标的性能温不惠温
试验。
外观质量
从检验批中按表3规定随机抽取相应数量的卷数,表3取样卷数
一批的卷数
26~50
51~100
≥101
判定规则
内在质量判定
抽取卷数
按4.1对样品进行内在质量评定,符合4.1要求,则判该批产品内在质量合格,否则从该批产品中按6.2.1规定重新取样进行复验。如果复验样品均符合4.1要求,则判该批产品内在质量合格;如果复验结果仍有不合格卷时,则判该批产品内在质量不合格FZ/T64076—2019
外观质量判定
按4.2对样品进行外观质量评定,符合4.2要求,则判该批外观质量合格,否则从该批产品中按6.2.2规定重新取样进行复验。如果复验样品均符合4.2要求,则判该批产品外观质量合格;如果复验结果仍有不合格卷时,则判该批产品外观质量不合格。6.3.3结果判定
按6.3.1和6.3.2判定均为合格,则判定该批产品合格,否则判定该批产品不合格7标志、包装、运输和存
7.1标志
每个包装单元的明显部位应附有标志,包含下列内容,或根据协议、合同规定加以标志:a)
生产企业名称和地址;
产品名称;
本标准代号;
单位面积质量(g/m2);
产品类型;
幅宽(cm);
卷长(m)或卷重(kg);
生产批号和生产日期;
检验合格证;
产品商标;此内容来自标准下载网
检验人员。
7.2包装
产品包装的材料和规格依据协议或合同规定,以坚固和适于运输为原则,保证其品质不受影响7.3运输
运输途中禁止损坏包装,应保证不破损、不污、不受潮、防雨淋。7.4购存
产品应放在干燥、清洁、阴凉、通风的库房内贮存。
小提示:此标准内容仅展示完整标准里的部分截取内容,若需要完整标准请到上方自行免费下载完整标准文档。
标准图片预览:





- 其它标准
- 热门标准
- 其他行业标准
- CECS353-2013 生态格网结构技术规程
- HG/T3663-2014 胶鞋抗菌性能试验方法
- JB/T11313-2012 电袋复合除尘器用旁路阀
- SH/T3022-2011 石油化工设备和管道涂料防腐蚀设计规范
- FZ/T14020-2020 涂料染色水洗棉布
- QJLPK0001S-2016 吉林普康农业有限公司 胚芽米
- QB/T2289.4-2012 园艺工具 剪枝剪
- JB/T9678-2012 盘形悬式绝缘子用钢化玻璃绝缘件外观质量
- JB/T9123-2010 印刷机械 热熔胶订包封皮机
- YS/T349.4-2010 硫化钴精矿化学分析方法 第4部分:二氧化硅量的测定 氟硅酸钾容量法
- FZ/T72013-2022 服用经编间隔织物
- QDLBG0001S-2016 吉林绿波中药药业有限公司 桦褐孔菌茶
- QB/T1097-2010 钢制文件柜
- JB/T5332.4-2011 额定电压3.6/6kV及以下电动潜油泵电缆 第4部分:电动潜油泵圆形电力电缆
- QB/T1586.2-2010 箱包五金配件 箱走轮
- 行业新闻
请牢记:“bzxz.net”即是“标准下载”四个汉字汉语拼音首字母与国际顶级域名“.net”的组合。 ©2025 标准下载网 www.bzxz.net 本站邮件:bzxznet@163.com
网站备案号:湘ICP备2025141790号-2
网站备案号:湘ICP备2025141790号-2