- 您的位置:
- 标准下载网 >>
- 标准分类 >>
- 其他行业标准 >>
- FZ/T 72029-2020珊瑚绒面料
标准号:
FZ/T 72029-2020
标准名称:
珊瑚绒面料
标准类别:
其他行业标准
英文名称:
Coral fleece fabrics标准状态:
现行-
发布日期:
2020-12-09 -
实施日期:
2021-04-01 出版语种:
简体中文下载格式:
.pdf .zip
起草人:
丁佳欢、杨树娟、施哲峰、李勇、林若文、王春刚、杜昱林、李红、于兰起草单位:
常熟市荣齐针织制造有限公司、宁波申洲针织有限公司、安徽优优时尚科技有限公司、上海三枪(集团)有限公司、金发拉比妇婴童用品股份有限公司、山东明福染业有限公司等归口单位:
全国纺织品标准化技术委员会针织品分会(SAC/TC 209/SC 6)提出单位:
中国纺织工业联合会发布部门:
中华人民共和国工业和信息化部相关标签:
面料
部分标准内容:
ICS59.080.30
中华人民共和国纺织行业标准
FZ/T72029—2020
珊瑚绒面料
Coralfleecefabrics
2020-12-09发布
中华人民共和国工业和信息化部2021-04-01实施
本标准按照GB/T1.1一2009给出的规则起草。本标准由中国纺织工业联合会提出。本标准由全国纺织品标准化技术委员会针织品分会(SAC/TC209/SC6)归口。FZ/T72029—2020
本标准起草单位:常熟市荣齐针织制造有限公司、宁波申洲针织有限公司、安徽优优时尚科技有限公司、上海三枪(集团)有限公司、金发拉比妇婴童用品股份有限公司、山东明福染业有限公司、华测检测认证集团股份有限公司、中国针织工业协会、天纺标检测认证股份有限公司、天纺标(广东)检测科技有限公司。
本标准主要起草人:丁佳欢、杨树娟、施哲峰、李勇、林若文、王春刚、杜昱林、李红、于兰。I
1范围
珊瑚绒面料
FZ/T72029—2020
本标准规定了珊瑚绒面料的术语和定义、规格、要求、试验方法、抽样规则、判定规则和产品使用说明、包装、运输和贮存。
本标准适用于珊瑚绒面料,法兰绒面料可参照执行。2
规范性引用文件
下列文件对于本文件的应用是必不可少的。凡是注日期的引用文件,仅注日期的版本适用于本文件。凡是不注日期的引用文件,其最新版本(包括所有的修改单)适用于本文件。GB/T2910(所有部分)纺织品
定量化学分析
GB/T2912.1
GB/T3920
纺织品甲醛的测定
第1部分:游离和水解的甲醛(水萃取法)色牢度试验耐摩擦色牢度
纺织品
GB/T3921—2008纺织品1
色牢度试验耐皂洗色牢度
GB/T3922
色牢度试验耐汗渍色牢度
纺织品
GB/T4802.3
GB/T4856
纺织品织物起毛起球性能的测定针棉织品包装
GB/T5296.4
GB/T5713
GB/T6529
GB/T7573
GB/T8170
消费品使用说明
纺织品
纺织品
玩具安全
玩具安全
纺织品
第3部分:起球箱法
第4部分:纺织品和服装
色牢度试验
耐水色牢度
调湿和试验用标准大气
第1部分:基本规范
第3部分:易燃性能
水萃取液pH值的测定
数值修约规则与极限数值的表示和判定GB/T8427—2019
GB/T8628
纺织品色牢度试验耐人造光色牢度:氙弧纺织品
GB/T8629—2017
GB/T8630
GB/T14644
GB/T17592
GB18401
测定尺寸变化的试验中织物试样和服装的准备、标记及测量纺织品试验用家庭洗涤和干燥程序纺织品
纺织品
纺织品
洗涤和干燥后尺寸变化的测定
燃烧性能45°方向燃烧速率的测定禁用偶氮染料的测定
国家纺织产品基本安全技术规范GB/T19976—2005
顶破强力的测定
纺织品
钢球法
GB/T22846
针织布
GB/T29862
GB31701
纺织品
(四分制)外观检验
纤维含量的标识
婴幼儿及儿童纺织产品安全技术规范FZ/T01026
纺织品
定量化学分析多组分纤维混合物纺织纤维鉴别试验方法
FZ/T01057(所有部分)
FZ/T70010
针织物平方米干燥重量试验的测定FZ/T72029—2020
GSB16-2159
术语和定义
针织产品标准深度样卡(1/12)
下列术语和定义适用于本文件。3.1
珊瑚绒面料
coral fleece fabrics
由针织设备编织而成,坏布经染色、拉毛、剪毛、梳毛等后整理工艺,表面呈现类似珊瑚风格的面料。规格
规格应包括纱线线密度、平方米干燥重量、幅宽,通常表示为:纱线线密度×平方米干燥重量×幅宽,其中纱线线密度用tex表示,多规格纱线交织,按其所占比例从大到小排列,中间用/相连;平方米干燥重量用g/m2表示;幅宽指单层有效幅宽,用cm表示。示例:
聚酯纤维8.33tex/聚酯纤维16.6tex/聚酯纤维3.3tex×250g/m2×150cm。5
5.1分等规定
质量等级分为优等品、一等品、合格品。5.1.1
外观质量按匹评等,内在质量按批评等,两者结合以最低品等定等。5.1.2
内在质量要求
内在质量要求见表1。
表1内在质量要求
纤维含量
甲醛含量/(mg/kg)
可分解致瘤芳香胺染料/(mg/kg)平方米干燥重量偏差率/%
顶破强力/N
水洗尺寸变化率/%
耐水色牢度/级
耐皂洗色牢度/级
直、横向
优等品
一等品
按GB/T29862规定执行
按GB18401规定执行
-3.0~+2.0
-5.0~+2.0
合格品
-6.0~+2.0
耐汗溃色牢度/级
耐摩擦色牢度/级
耐光色牢度/级
脱毛率/%
燃烧性能
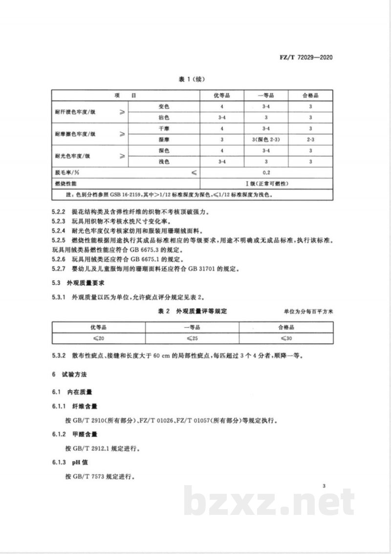
表1(续)
优等品
一等品
FZ/T72029—2020
合格品
3(深色2-3)
I级(正常可燃性)
注:色别分档参照GSB16-2159,其中>1/12标准深度为深色,<1/12标准深度为浅色。5.2.2
提花结构类及含弹性纤维的织物不考核顶破强力。5.2.3
玩具用织物不考核水洗尺寸变化率。5.2.4
耐光色牢度仅考核家纺用和服装用珊瑚绒面料,2-3
燃烧性能根据用途执行其成品标准相应的等级要求,用途不明确或无成品标准,执行该标准。玩具用绒类易燃性能应符合GB6675.3的规定。5.2.6
玩具用绒类还应符合GB6675.1的规定。婴幼儿及儿童服饰用的珊瑚面料还应符合GB31701的规定。外观质量要求
外观质量以匹为单位,允许疵点评分规定见表2。表2
优等品
外观质量评等规定
一等品
单位为分每百平方米
合格品
散布性疵点、接缝和长度大于60cm的局部性疵点,每匹超过3个4分者,顺降一等。试验方法
内在质量
纤维含量
按GB/T2910(所有部分)、FZ/T01026、FZ/T01057(所有部分)等规定执行。6.1.2
甲醛含量
按GB/T2912.1规定进行。
按GB/T7573规定进行。
FZ/T72029—2020
6.1.4异味
按GB18401规定进行。
可分解致癌芳香胺染料
按GB/T17592规定执行。
平方米干燥重量偏差率
平方米干燥重量按FZ/T70010规定执行。平方米干燥重量偏差率按公式(1)计算。M,-M。
式中:
平方米干燥重量偏差率,%;
试样的平方米干燥重量,单位为克(g);规格标注的平方米干燥重量,单位为克(g)。6.1.7顶破强力
按GB/T19976—2005规定执行,钢球直径为(38士0.02)mm。6.1.8水洗尺寸变化率
6.1.8.1试样准备
(1)
按照GB/T8628规定执行。试样取全幅700mm试样3块,对折成1/2幅宽并缝成筒状,将筒状试样的一端缝合,并在两侧剪开50mm口,测量标记如图1,直、横向的各自3对标记在一条直线上且相互垂直。
单位为毫米
洗涤和干燥
测量标记
穿杆口
按照GB/T8629—2017中4N程序规定执行。其中干燥方法用悬挂晾干,洗涤剂选用“标准洗涤剂3”。4
6.1.8.3测量计算
FZ/T72029—2020
按照GB/T8630规定执行。以3块试样的平均值作为试验结果,当3块试样结果正负号不同时,分别计算,并以2块相同符号的结果平均值为试验结果。按照GB/T8170修约至一位小数。6.1.9
9耐水色牢度
按GB/T5713规定执行。
耐皂洗色牢度
按GB/T3921—2008试验方法A(1)规定执行。6.1.11耐汗渍色牢度
按GB/T3922规定执行。
耐摩擦色牢度
按GB/T3920规定执行,只做正面直向。6.1.13
耐光色牢度
按GB/T8427—2019方法3规定执行。6.1.14
脱毛率bzxz.net
按照附录A规定执行。
5燃烧性能
按GB/T14644规定执行。
6.2外观质量
按GB/T22846规定执行。
7抽样规则
内在质量按交货批分品种、色别随机抽样,抽样不少于1.2m全幅3块,取样距布头至少2.0m,所7.1
取试样不允许有影响试验结果的疵点。7.2外观质量按GB/T22846的规定抽样。8判定规则
批量判定
8.1.1内在质量
内在质量按5.2要求,有一项不符合,则判定该批产品不合格。其中,色牢度不符合者按色别判定该批产品不合格。
FZ/T72029—2020
外观质量
外观质量分品种、色别按式(1)计算不符品等率。不符品等率在5%及以内,判该批产品外观质量合格,否则判定该批产品外观质量不合格。F=A/B×100
式中:
F—不符品等率,%;
A不合格量,单位为米(m);
B——样本量,单位为米(m)。
结果判定
按8.1.1和8.1.2考核均合格,则判定该批产品合格。8.2
单件判定
..................
若产品检验匹数低于批量判定的抽样匹数时,内在质量和外观质量只对被检样品进行测定,并参照8.1规定进行判定,并在检验报告中注明。产品使用说明、包装、运输和贮存9
产品使用说明按GB/T5296.4规定执行。婴幼儿及儿童纺织产品按GB/T5296.4和GB317019.1
规定执行。
明确用途者可标明用途。
产品包装按GB/T4856规定执行。产品运输时应防潮、防火、防污染。产品应贮存在阴凉、干燥、清洁库房内,并防蛀、防霉。9.5
A.1仪器及工具
附录A
(规范性附录)
脱毛率试验方法
FZ/T72029—2020
织物起球箱(按照GB/T4802.3规定执行)、聚氨酯载样管(按照GB/T4802.3规定)、包缝机、分析天平(精确度为万分之一)。
调湿和试验大气
调湿和试验用大气采用GB/T6529规定的标准大气。3试样尺寸
从样品不同部位取3块试样,试样尺寸为20cm×20cm,试样上不得有影响试验结果的疵点。A.4试样准备
每块试样用包缝机将其四周包好,规定包缝机的针距密度为13针/3cm,用14.5tex×2涤纶缝纫线。
A.5试验步骤
去除试样上的浮毛,检查起球箱内是否清洁干净,不得留有任何短纤维或其他影响试验结果的物质。
称取准备好的3块试样总重量G,(单位为g,按GB/T8170修约到三位小数)。A.5.2
A.5.3把称重好的3块试样和2根聚氨酯载样管一起放进起球箱内,关上箱盖,把计数器拨到1800转。
启动起球箱,当计数器达到1800转后,打开起球箱,取出3块试样,抖去浮毛,称取3块试样总A.5.4
重量G2(单位为g,按GB/T8170修约到三位小数)。结果计算
脱毛率按式(A.1)计算,最终结果按GB/T8170修约到一位小数。G,-G2
式中:
脱毛率;
2×100%
试验前3块试样的总重量,单位为克(g);G2
试验后3块试样的总重量,单位为克(g)。.......A.)
小提示:此标准内容仅展示完整标准里的部分截取内容,若需要完整标准请到上方自行免费下载完整标准文档。
中华人民共和国纺织行业标准
FZ/T72029—2020
珊瑚绒面料
Coralfleecefabrics
2020-12-09发布
中华人民共和国工业和信息化部2021-04-01实施
本标准按照GB/T1.1一2009给出的规则起草。本标准由中国纺织工业联合会提出。本标准由全国纺织品标准化技术委员会针织品分会(SAC/TC209/SC6)归口。FZ/T72029—2020
本标准起草单位:常熟市荣齐针织制造有限公司、宁波申洲针织有限公司、安徽优优时尚科技有限公司、上海三枪(集团)有限公司、金发拉比妇婴童用品股份有限公司、山东明福染业有限公司、华测检测认证集团股份有限公司、中国针织工业协会、天纺标检测认证股份有限公司、天纺标(广东)检测科技有限公司。
本标准主要起草人:丁佳欢、杨树娟、施哲峰、李勇、林若文、王春刚、杜昱林、李红、于兰。I
1范围
珊瑚绒面料
FZ/T72029—2020
本标准规定了珊瑚绒面料的术语和定义、规格、要求、试验方法、抽样规则、判定规则和产品使用说明、包装、运输和贮存。
本标准适用于珊瑚绒面料,法兰绒面料可参照执行。2
规范性引用文件
下列文件对于本文件的应用是必不可少的。凡是注日期的引用文件,仅注日期的版本适用于本文件。凡是不注日期的引用文件,其最新版本(包括所有的修改单)适用于本文件。GB/T2910(所有部分)纺织品
定量化学分析
GB/T2912.1
GB/T3920
纺织品甲醛的测定
第1部分:游离和水解的甲醛(水萃取法)色牢度试验耐摩擦色牢度
纺织品
GB/T3921—2008纺织品1
色牢度试验耐皂洗色牢度
GB/T3922
色牢度试验耐汗渍色牢度
纺织品
GB/T4802.3
GB/T4856
纺织品织物起毛起球性能的测定针棉织品包装
GB/T5296.4
GB/T5713
GB/T6529
GB/T7573
GB/T8170
消费品使用说明
纺织品
纺织品
玩具安全
玩具安全
纺织品
第3部分:起球箱法
第4部分:纺织品和服装
色牢度试验
耐水色牢度
调湿和试验用标准大气
第1部分:基本规范
第3部分:易燃性能
水萃取液pH值的测定
数值修约规则与极限数值的表示和判定GB/T8427—2019
GB/T8628
纺织品色牢度试验耐人造光色牢度:氙弧纺织品
GB/T8629—2017
GB/T8630
GB/T14644
GB/T17592
GB18401
测定尺寸变化的试验中织物试样和服装的准备、标记及测量纺织品试验用家庭洗涤和干燥程序纺织品
纺织品
纺织品
洗涤和干燥后尺寸变化的测定
燃烧性能45°方向燃烧速率的测定禁用偶氮染料的测定
国家纺织产品基本安全技术规范GB/T19976—2005
顶破强力的测定
纺织品
钢球法
GB/T22846
针织布
GB/T29862
GB31701
纺织品
(四分制)外观检验
纤维含量的标识
婴幼儿及儿童纺织产品安全技术规范FZ/T01026
纺织品
定量化学分析多组分纤维混合物纺织纤维鉴别试验方法
FZ/T01057(所有部分)
FZ/T70010
针织物平方米干燥重量试验的测定FZ/T72029—2020
GSB16-2159
术语和定义
针织产品标准深度样卡(1/12)
下列术语和定义适用于本文件。3.1
珊瑚绒面料
coral fleece fabrics
由针织设备编织而成,坏布经染色、拉毛、剪毛、梳毛等后整理工艺,表面呈现类似珊瑚风格的面料。规格
规格应包括纱线线密度、平方米干燥重量、幅宽,通常表示为:纱线线密度×平方米干燥重量×幅宽,其中纱线线密度用tex表示,多规格纱线交织,按其所占比例从大到小排列,中间用/相连;平方米干燥重量用g/m2表示;幅宽指单层有效幅宽,用cm表示。示例:
聚酯纤维8.33tex/聚酯纤维16.6tex/聚酯纤维3.3tex×250g/m2×150cm。5
5.1分等规定
质量等级分为优等品、一等品、合格品。5.1.1
外观质量按匹评等,内在质量按批评等,两者结合以最低品等定等。5.1.2
内在质量要求
内在质量要求见表1。
表1内在质量要求
纤维含量
甲醛含量/(mg/kg)
可分解致瘤芳香胺染料/(mg/kg)平方米干燥重量偏差率/%
顶破强力/N
水洗尺寸变化率/%
耐水色牢度/级
耐皂洗色牢度/级
直、横向
优等品
一等品
按GB/T29862规定执行
按GB18401规定执行
-3.0~+2.0
-5.0~+2.0
合格品
-6.0~+2.0
耐汗溃色牢度/级
耐摩擦色牢度/级
耐光色牢度/级
脱毛率/%
燃烧性能
表1(续)
优等品
一等品
FZ/T72029—2020
合格品
3(深色2-3)
I级(正常可燃性)
注:色别分档参照GSB16-2159,其中>1/12标准深度为深色,<1/12标准深度为浅色。5.2.2
提花结构类及含弹性纤维的织物不考核顶破强力。5.2.3
玩具用织物不考核水洗尺寸变化率。5.2.4
耐光色牢度仅考核家纺用和服装用珊瑚绒面料,2-3
燃烧性能根据用途执行其成品标准相应的等级要求,用途不明确或无成品标准,执行该标准。玩具用绒类易燃性能应符合GB6675.3的规定。5.2.6
玩具用绒类还应符合GB6675.1的规定。婴幼儿及儿童服饰用的珊瑚面料还应符合GB31701的规定。外观质量要求
外观质量以匹为单位,允许疵点评分规定见表2。表2
优等品
外观质量评等规定
一等品
单位为分每百平方米
合格品
散布性疵点、接缝和长度大于60cm的局部性疵点,每匹超过3个4分者,顺降一等。试验方法
内在质量
纤维含量
按GB/T2910(所有部分)、FZ/T01026、FZ/T01057(所有部分)等规定执行。6.1.2
甲醛含量
按GB/T2912.1规定进行。
按GB/T7573规定进行。
FZ/T72029—2020
6.1.4异味
按GB18401规定进行。
可分解致癌芳香胺染料
按GB/T17592规定执行。
平方米干燥重量偏差率
平方米干燥重量按FZ/T70010规定执行。平方米干燥重量偏差率按公式(1)计算。M,-M。
式中:
平方米干燥重量偏差率,%;
试样的平方米干燥重量,单位为克(g);规格标注的平方米干燥重量,单位为克(g)。6.1.7顶破强力
按GB/T19976—2005规定执行,钢球直径为(38士0.02)mm。6.1.8水洗尺寸变化率
6.1.8.1试样准备
(1)
按照GB/T8628规定执行。试样取全幅700mm试样3块,对折成1/2幅宽并缝成筒状,将筒状试样的一端缝合,并在两侧剪开50mm口,测量标记如图1,直、横向的各自3对标记在一条直线上且相互垂直。
单位为毫米
洗涤和干燥
测量标记
穿杆口
按照GB/T8629—2017中4N程序规定执行。其中干燥方法用悬挂晾干,洗涤剂选用“标准洗涤剂3”。4
6.1.8.3测量计算
FZ/T72029—2020
按照GB/T8630规定执行。以3块试样的平均值作为试验结果,当3块试样结果正负号不同时,分别计算,并以2块相同符号的结果平均值为试验结果。按照GB/T8170修约至一位小数。6.1.9
9耐水色牢度
按GB/T5713规定执行。
耐皂洗色牢度
按GB/T3921—2008试验方法A(1)规定执行。6.1.11耐汗渍色牢度
按GB/T3922规定执行。
耐摩擦色牢度
按GB/T3920规定执行,只做正面直向。6.1.13
耐光色牢度
按GB/T8427—2019方法3规定执行。6.1.14
脱毛率bzxz.net
按照附录A规定执行。
5燃烧性能
按GB/T14644规定执行。
6.2外观质量
按GB/T22846规定执行。
7抽样规则
内在质量按交货批分品种、色别随机抽样,抽样不少于1.2m全幅3块,取样距布头至少2.0m,所7.1
取试样不允许有影响试验结果的疵点。7.2外观质量按GB/T22846的规定抽样。8判定规则
批量判定
8.1.1内在质量
内在质量按5.2要求,有一项不符合,则判定该批产品不合格。其中,色牢度不符合者按色别判定该批产品不合格。
FZ/T72029—2020
外观质量
外观质量分品种、色别按式(1)计算不符品等率。不符品等率在5%及以内,判该批产品外观质量合格,否则判定该批产品外观质量不合格。F=A/B×100
式中:
F—不符品等率,%;
A不合格量,单位为米(m);
B——样本量,单位为米(m)。
结果判定
按8.1.1和8.1.2考核均合格,则判定该批产品合格。8.2
单件判定
..................
若产品检验匹数低于批量判定的抽样匹数时,内在质量和外观质量只对被检样品进行测定,并参照8.1规定进行判定,并在检验报告中注明。产品使用说明、包装、运输和贮存9
产品使用说明按GB/T5296.4规定执行。婴幼儿及儿童纺织产品按GB/T5296.4和GB317019.1
规定执行。
明确用途者可标明用途。
产品包装按GB/T4856规定执行。产品运输时应防潮、防火、防污染。产品应贮存在阴凉、干燥、清洁库房内,并防蛀、防霉。9.5
A.1仪器及工具
附录A
(规范性附录)
脱毛率试验方法
FZ/T72029—2020
织物起球箱(按照GB/T4802.3规定执行)、聚氨酯载样管(按照GB/T4802.3规定)、包缝机、分析天平(精确度为万分之一)。
调湿和试验大气
调湿和试验用大气采用GB/T6529规定的标准大气。3试样尺寸
从样品不同部位取3块试样,试样尺寸为20cm×20cm,试样上不得有影响试验结果的疵点。A.4试样准备
每块试样用包缝机将其四周包好,规定包缝机的针距密度为13针/3cm,用14.5tex×2涤纶缝纫线。
A.5试验步骤
去除试样上的浮毛,检查起球箱内是否清洁干净,不得留有任何短纤维或其他影响试验结果的物质。
称取准备好的3块试样总重量G,(单位为g,按GB/T8170修约到三位小数)。A.5.2
A.5.3把称重好的3块试样和2根聚氨酯载样管一起放进起球箱内,关上箱盖,把计数器拨到1800转。
启动起球箱,当计数器达到1800转后,打开起球箱,取出3块试样,抖去浮毛,称取3块试样总A.5.4
重量G2(单位为g,按GB/T8170修约到三位小数)。结果计算
脱毛率按式(A.1)计算,最终结果按GB/T8170修约到一位小数。G,-G2
式中:
脱毛率;
2×100%
试验前3块试样的总重量,单位为克(g);G2
试验后3块试样的总重量,单位为克(g)。.......A.)
小提示:此标准内容仅展示完整标准里的部分截取内容,若需要完整标准请到上方自行免费下载完整标准文档。
标准图片预览:





- 其它标准
- 热门标准
- 其他行业标准
- YS/T227.7-2010 碲化学分析方法 第7部分:硫量的测定 电感耦合等离子体原子发射光谱法
- YS/T1049-2015 异丁基黄原酸甲酸乙酯
- QB/T4845-2015 手动切纸机
- QB/T4645-2014 大茴香醛
- FZ/T73018-2021 毛针织品
- YS/T961-2014 空调与制冷设备用内螺纹铝包铜管
- YS/T990.17-2015 冰铜化学分析方法 第17部分:钴量的测定 原子吸收光谱法
- YS/T1149.8-2016 锌精矿焙砂化学分析方法 第8部分:酸溶二氧化硅量的测定 钼蓝分光光度法
- JB/T11120-2010 印刷机械 网版印刷紫外线光固机
- FZ/T01125-2014 纺织品 定量化学分析 壳聚糖纤维与某些其他纤维的混合物(胶体滴定法)
- QB/T4762-2014 铅酸蓄电池护板用纸
- FZ/T72020-2014 针织横机领
- YS/T990.18-2014 冰铜化学分析方法 第18部分:铅、锌、镍、砷、铋、锑、钙、镁、镉、钴量的测定 电感耦合等离子体原子发射光谱法
- JB/T9738-2015 汽车起重机
- CNCA-C11-11:2014 强制性产品认证实施规则 汽车燃油箱
- 行业新闻
请牢记:“bzxz.net”即是“标准下载”四个汉字汉语拼音首字母与国际顶级域名“.net”的组合。 ©2025 标准下载网 www.bzxz.net 本站邮件:bzxznet@163.com
网站备案号:湘ICP备2025141790号-2
网站备案号:湘ICP备2025141790号-2