- 您的位置:
- 标准下载网 >>
- 标准分类 >>
- 其他行业标准 >>
- FZ/T 72026-2019鞋面用弹力针织布
标准号:
FZ/T 72026-2019
标准名称:
鞋面用弹力针织布
标准类别:
其他行业标准
英文名称:
Elastic knitted fabrics for vamps标准状态:
现行-
发布日期:
2019-12-24 -
实施日期:
2020-07-01 出版语种:
简体中文下载格式:
.pdf .zip
点击下载
标准简介:
本标准规定了鞋面用弹力针织布的规格、分类、要求、抽样规则、试验方法、检验规则、产品使用说明、包装、运输和贮存。
本标准适用于以纺织材料为主要原料并加入弹性纤维,采用针织工艺生产的各种鞋类帮面用弹力针织布。
本标准不适用于年龄在36个月及以下的婴幼儿产品。
部分标准内容:
ICS 59.080.30
中华人民共和国纺织行业标准
FZ/T72026—2019
鞋面用弹力针织布
Elastic knitted fabrics for vamps2019-12-24 发布
中华人民共和国工业和信息化部2020-07-01实施
本标准按照GB/T1.1一2009给出的规则起草。本标准由中国纺织工业联合会提出。FZ/T72026-2019
本标准由全国纺织品标准化技术委员会针织品分会(SAC/TC209/SC6)归口。本标准起草单位:福建华峰新材料有限公司、泉州足康鞋业有限公司、信泰(福建)科技有限公司、中国针织工业协会、丽晶维珍妮内衣(深圳)有限公司、浪莎针织有限公司、中国检验认证集团天津有限公司。
本标准主要起草人:张俊峰、叶涛、许金泰、李红、高紫玲、刘爱莲、何晨光。1范围
鞋面用弹力针织布
FZ/T72026-2019
本标准规定了鞋面用弹力针织布的规格、分类、要求、抽样规则、试验方法、检验规则、产品使用说明、包装、运输和贮存。
本标准适用于以纺织材料为主要原料并加人弹性纤维,采用针织工艺生产的各种鞋类帮面用弹力针织布。
本标准不适用于年龄在36个月及以下的婴幼儿产品。2规范性引用文件
下列文件对于本文件的应用是必不可少的。凡是注日期的引用文件,仅注日期的版本适用于本文件。凡是不注日期的引用文件,其最新版本(包括所有的修改单)适用于本文件。GB/T2910(所有部分)纺织品定量化学分析GB/T2912.1纺织品甲醛的测定第1部分:游离和水解GB/T3903.16一2008鞋类帮面、衬里和内垫试验方法耐磨性能GB/T3903.42一2008鞋类帮面、衬里和内垫试验方法颜色迁移性纺织品色牢度试验耐摩擦色牢度GB/T3920
GB/T3921--2008纺织品色牢度试验耐皂洗色牢度GB/T3922
GB/T4856
纺织品色牢度试验耐汗渍色牢度针棉织品包装
GB/T5296.4消费品使用说明第4部分:纺织品和服装GB/T5713
GB/T7573
GB/T17592
GB18401
纺织品色牢度试验耐水色牢度
纺织品水萃取液pH值的测定
纺织品禁用偶氮染料的测定
国家纺织产品基本安全技术规范纺织品顶破强力的测定钢球法
GB/T19976—2005
GB/T22846针织品(四分制)外观检验GB/T29862纺织品纤维含量的标识GB30585儿童鞋安全技术规范
GB31701婴幼儿及儿童纺织产品安全技术规范FZ/T01026纺织品定量化学分析多组分纤维混合物FZ/T01057(所有部分)纺织纤维鉴别试验方法5纺织品氨纶产品纤维含量的试验方法FZ/T01095
)针织物平方米干燥重量的测定FZ/T70010
HG/T3689—2014鞋类耐黄变试验方法QB/T4118鞋类帮面试验方法断裂强度和伸长率针织物起毛起球样照
GSB16-1523
针织产品标准深度样卡(1/12)GSB16-2159
FZ/T72026—2019
3术语和定义
下列术语和定义适用于本文件。3.1
间隔产品knittedspacerfabrics经双针床经编机、针织圆纬机等设备织造而成,由上表层、下表层及中间间隔层构成的针织织物。3.2
双层产品doublelayerknittedfabrics将在两个针床分别编织的两层单面组织以某种方式联结起来构成的双针床经编织物或形成两面均显露正面线圈的双针床纬编织物。4规格
规格应包括纱线线密度、平方米干燥重量、幅宽,通常表示为:纱线线密度(上层、中层、下层)×平方米干燥重量×幅宽,其中纱线线密度用tex表示,多规格纱线交织,按其所占比例从大到小排列,中间用/相连;平方米干燥重量用g/m2表示;幅宽指有效幅宽,用cm表示。示例:(聚酯纤维16.7tex/锦纶纤维7.8tex、聚酯纤维3.3tex、聚酯纤维11.1tex)×477g/m2×106cm。5分类
按织物结构分为单层产品、双层产品和简隔产品。6要求
6.1要求内容
要求分为内在质量和外观质量两个方面。内在质量包括纤维含量、平方米干燥重量偏差率、甲醛含量、可分解致癌芳香胺染料、pH值、异味、顶破强力、定力伸长率、断裂强度、耐磨性能、耐皂洗色牢度、耐摩擦色牢度、耐汗渍色牢度、耐水色牢度、颜色迁移性、耐黄变等指标;外观质量包括疵点评分规定。6.2内在质量要求
6.2.1内在质量要求见表1。
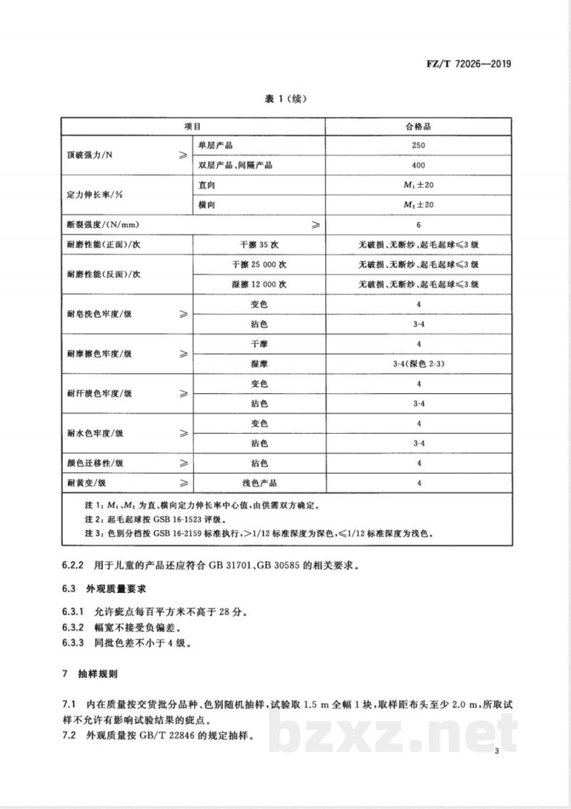
表1内在质量要求
纤维含量/%
平方米干燥重量偏差率/%
甲醛含量/(mg/kg)
可分解致瘤芳香胺染料/(mg/kg)pH值
合格品
按GB/T29862规定执行
按GB18401规定执行
顶破强力/N
定力伸长率/%
断裂强度/(N/mm)
耐磨性能(正面)/次
耐磨性能(反面)/次
耐皂洗色牢度/级
耐摩擦色牢度/级
耐汗溃色牢度/级
耐水色牢度/级
颜色迁移性/级
耐黄变/级
单层产品
表1(续)
双层产品、间隔产品
干擦35次
干擦25000次
湿擦12000次
浅色产品
注1:M1、M2为直、横向定力伸长率中心值,由供需双方确定。注2:起毛起球按GSB16-1523评级。FZ/T72026-2019
合格品
Mi±20
M2±20
无破损、无断纱、起毛起球≤3级无破损、无断纱、起毛起球3级
无破损、无断纱、起毛起球≤3级4
3-4(深色2-3)
注3:色别分档按GSB16-2159标准执行,>1/12标准深度为深色,≤1/12标准深度为浅色。6.2.2
用于儿童的产品还应符合GB31701、GB30585的相关要求。6.3
外观质量要求
允许疵点每百平方米不高于28分。6.3.2
幅宽不接受负偏差。
同批色差不小于4级。
抽样规则
7.1内在质量按交货批分品种、色别随机抽样,试验取1.5m全幅1块,取样距布头至少2.0m,所取试样不允许有影响试验结果的疵点。7.2外观质量按GB/T22846的规定抽样。3
FZ/T72026—2019
试验方法
8.1内在质量检验
8.1.1纤维含量
按FZ/T01057(所有部分)、GB/T2910(所有部分)、FZ/T01095、FZ/T01026等规定执行。8.1.2平方米干燥重量偏差率
平方米干燥重量按FZ/T70010规定执行,平方米干燥重量偏差率按式(1)计算:M, - M× 100%
式中:
平方米干燥重量偏差率;
M1—试样的平方米干燥重量,单位为克每平方米(g/m2);M。—规格标注的平方米干燥重量,单位为克每平方米(g/m\)。8.1.3甲醛含量
按GB/T2912.1规定执行。
8.1.4可分解致癌芳香胺染料
按GB/T17592规定执行。
8.1.5pH值
按GB/T7573规定执行。
8.1.6异味
按GB18401规定执行。
8.1.7顶破强力
按GB/T19976一2005规定执行,其中钢球的直径采用(25士0.02)mm。8.1.8断裂强度和定力伸长率
按QB/T4118规定执行,定力伸长率负荷为100N。8.1.9耐磨性能
.(1)bzxz.net
按GB/T3903.16一2008规定执行。其中正面干擦采用No.400砂纸作为标准磨料,试验负荷为9kPa,背面干、湿擦采用羊毛标准磨料作为标准磨料。8.1.10耐皂洗色牢度
按GB/T3921一2008规定执行,采用A(1)方法。8.1.11耐摩擦色牢度
按GB/T3920规定执行。
2耐汗渍色牢度
按GB/T3922规定执行。
3耐水色牢度
按GB/T5713规定执行。
颜色迁移性
FZ/T72026—2019
按GB/T3903.42—-2008规定执行,采用多纤维标准贴衬布(或指定贴衬织物),累计接触时间24h。
8.1.15耐黄变
按HG/T3689—2014的A法规定执行,照射时间6h。8.2外观质量检验
按GB/T22846规定执行。
9检验规则
9.1批量判定
内在质量
内在质量按6.2要求,有一项不符合,则判定该批产品不合格。其中,色牢度项目不符合则按色别判定该批产品不合格。
2外观质量
外观质量分品种、色别按式(2)计算不符品等率。不符品等率在5%及以内,判该批产品外观质量合格,否则判定该批产品外观质量不合格。F:
式中:
F不符品等率;
一不合格量,单位为米(m);
B—样本量,单位为米(m)。
3结果判定
×100%
按9.1.1和9.1.2考核均合格,则判定该批产品合格。9.2
单件判定
若产品检验匹数低于批量判定的抽样匹数时,外观质量和内在质量参照9.1规定只对被检样品进行判定,并在检验报告中注明。5
FZ/T72026—2019
10产品使用说明、包装、运输和存10.1产品使用说明按GB/T5296.4规定执行,其中儿童产品按GB/T5296.4和GB31701规定执行。2包装按GB/T4856的规定或按协议执行。10.2
产品的运输应防潮、防火、防污染。10.3
10.4产品应存放在阴凉、通风、干燥、清洁的库房内,并防蛀、防霉。6
小提示:此标准内容仅展示完整标准里的部分截取内容,若需要完整标准请到上方自行免费下载完整标准文档。
中华人民共和国纺织行业标准
FZ/T72026—2019
鞋面用弹力针织布
Elastic knitted fabrics for vamps2019-12-24 发布
中华人民共和国工业和信息化部2020-07-01实施
本标准按照GB/T1.1一2009给出的规则起草。本标准由中国纺织工业联合会提出。FZ/T72026-2019
本标准由全国纺织品标准化技术委员会针织品分会(SAC/TC209/SC6)归口。本标准起草单位:福建华峰新材料有限公司、泉州足康鞋业有限公司、信泰(福建)科技有限公司、中国针织工业协会、丽晶维珍妮内衣(深圳)有限公司、浪莎针织有限公司、中国检验认证集团天津有限公司。
本标准主要起草人:张俊峰、叶涛、许金泰、李红、高紫玲、刘爱莲、何晨光。1范围
鞋面用弹力针织布
FZ/T72026-2019
本标准规定了鞋面用弹力针织布的规格、分类、要求、抽样规则、试验方法、检验规则、产品使用说明、包装、运输和贮存。
本标准适用于以纺织材料为主要原料并加人弹性纤维,采用针织工艺生产的各种鞋类帮面用弹力针织布。
本标准不适用于年龄在36个月及以下的婴幼儿产品。2规范性引用文件
下列文件对于本文件的应用是必不可少的。凡是注日期的引用文件,仅注日期的版本适用于本文件。凡是不注日期的引用文件,其最新版本(包括所有的修改单)适用于本文件。GB/T2910(所有部分)纺织品定量化学分析GB/T2912.1纺织品甲醛的测定第1部分:游离和水解GB/T3903.16一2008鞋类帮面、衬里和内垫试验方法耐磨性能GB/T3903.42一2008鞋类帮面、衬里和内垫试验方法颜色迁移性纺织品色牢度试验耐摩擦色牢度GB/T3920
GB/T3921--2008纺织品色牢度试验耐皂洗色牢度GB/T3922
GB/T4856
纺织品色牢度试验耐汗渍色牢度针棉织品包装
GB/T5296.4消费品使用说明第4部分:纺织品和服装GB/T5713
GB/T7573
GB/T17592
GB18401
纺织品色牢度试验耐水色牢度
纺织品水萃取液pH值的测定
纺织品禁用偶氮染料的测定
国家纺织产品基本安全技术规范纺织品顶破强力的测定钢球法
GB/T19976—2005
GB/T22846针织品(四分制)外观检验GB/T29862纺织品纤维含量的标识GB30585儿童鞋安全技术规范
GB31701婴幼儿及儿童纺织产品安全技术规范FZ/T01026纺织品定量化学分析多组分纤维混合物FZ/T01057(所有部分)纺织纤维鉴别试验方法5纺织品氨纶产品纤维含量的试验方法FZ/T01095
)针织物平方米干燥重量的测定FZ/T70010
HG/T3689—2014鞋类耐黄变试验方法QB/T4118鞋类帮面试验方法断裂强度和伸长率针织物起毛起球样照
GSB16-1523
针织产品标准深度样卡(1/12)GSB16-2159
FZ/T72026—2019
3术语和定义
下列术语和定义适用于本文件。3.1
间隔产品knittedspacerfabrics经双针床经编机、针织圆纬机等设备织造而成,由上表层、下表层及中间间隔层构成的针织织物。3.2
双层产品doublelayerknittedfabrics将在两个针床分别编织的两层单面组织以某种方式联结起来构成的双针床经编织物或形成两面均显露正面线圈的双针床纬编织物。4规格
规格应包括纱线线密度、平方米干燥重量、幅宽,通常表示为:纱线线密度(上层、中层、下层)×平方米干燥重量×幅宽,其中纱线线密度用tex表示,多规格纱线交织,按其所占比例从大到小排列,中间用/相连;平方米干燥重量用g/m2表示;幅宽指有效幅宽,用cm表示。示例:(聚酯纤维16.7tex/锦纶纤维7.8tex、聚酯纤维3.3tex、聚酯纤维11.1tex)×477g/m2×106cm。5分类
按织物结构分为单层产品、双层产品和简隔产品。6要求
6.1要求内容
要求分为内在质量和外观质量两个方面。内在质量包括纤维含量、平方米干燥重量偏差率、甲醛含量、可分解致癌芳香胺染料、pH值、异味、顶破强力、定力伸长率、断裂强度、耐磨性能、耐皂洗色牢度、耐摩擦色牢度、耐汗渍色牢度、耐水色牢度、颜色迁移性、耐黄变等指标;外观质量包括疵点评分规定。6.2内在质量要求
6.2.1内在质量要求见表1。
表1内在质量要求
纤维含量/%
平方米干燥重量偏差率/%
甲醛含量/(mg/kg)
可分解致瘤芳香胺染料/(mg/kg)pH值
合格品
按GB/T29862规定执行
按GB18401规定执行
顶破强力/N
定力伸长率/%
断裂强度/(N/mm)
耐磨性能(正面)/次
耐磨性能(反面)/次
耐皂洗色牢度/级
耐摩擦色牢度/级
耐汗溃色牢度/级
耐水色牢度/级
颜色迁移性/级
耐黄变/级
单层产品
表1(续)
双层产品、间隔产品
干擦35次
干擦25000次
湿擦12000次
浅色产品
注1:M1、M2为直、横向定力伸长率中心值,由供需双方确定。注2:起毛起球按GSB16-1523评级。FZ/T72026-2019
合格品
Mi±20
M2±20
无破损、无断纱、起毛起球≤3级无破损、无断纱、起毛起球3级
无破损、无断纱、起毛起球≤3级4
3-4(深色2-3)
注3:色别分档按GSB16-2159标准执行,>1/12标准深度为深色,≤1/12标准深度为浅色。6.2.2
用于儿童的产品还应符合GB31701、GB30585的相关要求。6.3
外观质量要求
允许疵点每百平方米不高于28分。6.3.2
幅宽不接受负偏差。
同批色差不小于4级。
抽样规则
7.1内在质量按交货批分品种、色别随机抽样,试验取1.5m全幅1块,取样距布头至少2.0m,所取试样不允许有影响试验结果的疵点。7.2外观质量按GB/T22846的规定抽样。3
FZ/T72026—2019
试验方法
8.1内在质量检验
8.1.1纤维含量
按FZ/T01057(所有部分)、GB/T2910(所有部分)、FZ/T01095、FZ/T01026等规定执行。8.1.2平方米干燥重量偏差率
平方米干燥重量按FZ/T70010规定执行,平方米干燥重量偏差率按式(1)计算:M, - M× 100%
式中:
平方米干燥重量偏差率;
M1—试样的平方米干燥重量,单位为克每平方米(g/m2);M。—规格标注的平方米干燥重量,单位为克每平方米(g/m\)。8.1.3甲醛含量
按GB/T2912.1规定执行。
8.1.4可分解致癌芳香胺染料
按GB/T17592规定执行。
8.1.5pH值
按GB/T7573规定执行。
8.1.6异味
按GB18401规定执行。
8.1.7顶破强力
按GB/T19976一2005规定执行,其中钢球的直径采用(25士0.02)mm。8.1.8断裂强度和定力伸长率
按QB/T4118规定执行,定力伸长率负荷为100N。8.1.9耐磨性能
.(1)bzxz.net
按GB/T3903.16一2008规定执行。其中正面干擦采用No.400砂纸作为标准磨料,试验负荷为9kPa,背面干、湿擦采用羊毛标准磨料作为标准磨料。8.1.10耐皂洗色牢度
按GB/T3921一2008规定执行,采用A(1)方法。8.1.11耐摩擦色牢度
按GB/T3920规定执行。
2耐汗渍色牢度
按GB/T3922规定执行。
3耐水色牢度
按GB/T5713规定执行。
颜色迁移性
FZ/T72026—2019
按GB/T3903.42—-2008规定执行,采用多纤维标准贴衬布(或指定贴衬织物),累计接触时间24h。
8.1.15耐黄变
按HG/T3689—2014的A法规定执行,照射时间6h。8.2外观质量检验
按GB/T22846规定执行。
9检验规则
9.1批量判定
内在质量
内在质量按6.2要求,有一项不符合,则判定该批产品不合格。其中,色牢度项目不符合则按色别判定该批产品不合格。
2外观质量
外观质量分品种、色别按式(2)计算不符品等率。不符品等率在5%及以内,判该批产品外观质量合格,否则判定该批产品外观质量不合格。F:
式中:
F不符品等率;
一不合格量,单位为米(m);
B—样本量,单位为米(m)。
3结果判定
×100%
按9.1.1和9.1.2考核均合格,则判定该批产品合格。9.2
单件判定
若产品检验匹数低于批量判定的抽样匹数时,外观质量和内在质量参照9.1规定只对被检样品进行判定,并在检验报告中注明。5
FZ/T72026—2019
10产品使用说明、包装、运输和存10.1产品使用说明按GB/T5296.4规定执行,其中儿童产品按GB/T5296.4和GB31701规定执行。2包装按GB/T4856的规定或按协议执行。10.2
产品的运输应防潮、防火、防污染。10.3
10.4产品应存放在阴凉、通风、干燥、清洁的库房内,并防蛀、防霉。6
小提示:此标准内容仅展示完整标准里的部分截取内容,若需要完整标准请到上方自行免费下载完整标准文档。
标准图片预览:





- 其它标准
- 上一篇: FZ/T 72025-2019西裤用针织面料
- 下一篇: FZ/T 72027-2019文胸用间隔织物
- 热门标准
- 其他行业标准
- YS/T227.7-2010 碲化学分析方法 第7部分:硫量的测定 电感耦合等离子体原子发射光谱法
- YS/T1049-2015 异丁基黄原酸甲酸乙酯
- QB/T4845-2015 手动切纸机
- QB/T4645-2014 大茴香醛
- FZ/T73018-2021 毛针织品
- YS/T961-2014 空调与制冷设备用内螺纹铝包铜管
- YS/T990.17-2015 冰铜化学分析方法 第17部分:钴量的测定 原子吸收光谱法
- YS/T1149.8-2016 锌精矿焙砂化学分析方法 第8部分:酸溶二氧化硅量的测定 钼蓝分光光度法
- JB/T11120-2010 印刷机械 网版印刷紫外线光固机
- FZ/T01125-2014 纺织品 定量化学分析 壳聚糖纤维与某些其他纤维的混合物(胶体滴定法)
- QB/T4762-2014 铅酸蓄电池护板用纸
- FZ/T72020-2014 针织横机领
- YS/T990.18-2014 冰铜化学分析方法 第18部分:铅、锌、镍、砷、铋、锑、钙、镁、镉、钴量的测定 电感耦合等离子体原子发射光谱法
- JB/T9738-2015 汽车起重机
- CNCA-C11-11:2014 强制性产品认证实施规则 汽车燃油箱
- 行业新闻
请牢记:“bzxz.net”即是“标准下载”四个汉字汉语拼音首字母与国际顶级域名“.net”的组合。 ©2025 标准下载网 www.bzxz.net 本站邮件:bzxznet@163.com
网站备案号:湘ICP备2025141790号-2
网站备案号:湘ICP备2025141790号-2