- 您的位置:
- 标准下载网 >>
- 标准分类 >>
- 其他行业标准 >>
- FZ/T 73019.1-2010针织塑身内衣 弹力型
标准号:
FZ/T 73019.1-2010
标准名称:
针织塑身内衣 弹力型
标准类别:
其他行业标准
英文名称:
Knitted constrictive in-wear---Elastic-style标准状态:
已作废-
发布日期:
2010-08-16 -
实施日期:
2010-12-01 -
作废日期:
2018-04-01 出版语种:
简体中文下载格式:
.pdf .zip
点击下载
标准简介:
本标准规定了针织塑身内衣弹力型产品的号型、要求、试验方法、判定规则、产品使用说明和包装。
本标准适用于鉴定弹力型针织塑身内衣及无侧边缝型针织塑身内衣产品的品质。
FZ/T73019《针织塑身内衣》分为两个部分:
———第1部分:弹力型;
———第2部分:调整型。
本部分为FZ/T73019的第1部分。
本部分代替FZ/T73019.1—2004《针织塑身内衣 弹力型》。
本部分与FZ/T73019.1—2004相比主要变化如下:
———增加了可分解芳香胺染料、异味、耐水色牢度等指标;
———删除了顶破强力考核指标;
———修改了耐皂洗色牢度、耐摩擦色牢度、耐汗渍色牢度考核指标;
———修改了规格尺寸偏差考核指标;
———修改了缝制规定考核指标;
———修改了水洗尺寸变化率试验方法。
本部分由中国纺织工业协会提出。
本部分由全国纺织品标准化技术委员会针织品分技术委员会(SAC/TC209/SC6)归口。
本部分起草单位:深圳市计量质量检测研究院、国家针织产品质量监督检验中心、浙江美邦纺织有限公司、浙江浪莎内衣有限公司、安莉芳(中国)服装有限公司、北京爱慕内衣有限公司、浩沙实业(福建)有限公司、佛山市奥丽侬内衣有限公司、婷美集团保健科技有限公司、浙江顺时针服饰有限公司。
本部分主要起草人:滕万红、刘凤荣、王玲、刘爱莲、曹海辉、关春红、林献玺、何炳祥、周磊、龚益辉。
本部分所代替标准的历次版本发布情况为:
———FZ/T73019.1—2004。
下列文件中的条款通过FZ/T73019本部分的引用而成为本部分的条款。凡是注日期的引用文件,其随后所有的修改单(不包括勘误的内容)或修订版均不适用于本部分,然而,鼓励根据本部分达成协议的各方研究是否可使用这些文件的最新版本。凡是不注日期的引用文件,其最新版本适用于本部分。
GB/T250 纺织品 色牢度试验 评定变色用灰色样卡
GB/T251 纺织品 色牢度试验 评定沾色用灰色样卡
GB/T2910(所有部分) 纺织品 定量化学分析
GB/T2912.1 纺织品 甲醛的测定 第1部分:游离水解的甲醛(水萃取法)
GB/T3920 纺织品 色牢度试验 耐摩擦色牢度
GB/T3921 纺织品 色牢度试验 耐皂洗色牢度
GB/T3922 纺织品耐汗渍色牢度试验方法
GB/T4856 针棉织品包装
GB5296.4 消费品使用说明 纺织品和服装使用说明
GB/T5713 纺织品 色牢度试验 耐水色牢度
GB/T7573 纺织品 水萃取液pH 值的测定
GB/T8170 数值修约规则与极限数值的表示和判定
GB/T8629 纺织品 试验用家庭洗涤和干燥程序
GB/T17592 纺织品 禁用偶氮染料的测定
GB18401 国家纺织产品基本安全技术规范
FZ/T01026 纺织品 定量化学分析 四组分纤维混合物
FZ/T01053 纺织品 纤维含量的标识
FZ/T01057(所有部分) 纺织纤维鉴别试验方法
FZ/T01095 纺织品 氨纶产品纤维含量的试验方法
GSB16-2159 针织产品标准深度样卡(1/12)
GSB16-2500 针织物表面疵点彩色样照
部分标准内容:
中华人民共和国纺织行业标准
FZ/T73019.1--2010
代替FZ/T73019.1—2004
针织塑身内衣
弹力型
Knitted constrictive in-wearElastic-style2010-08-16发布
中华人民共和国工业和信息化部2010-12-01实施
FZ/T73019《针织塑身内衣》分为两个部分:一第1部分:弹力型;
第2部分:调整型。
本部分为FZ/T73019的第1部分。本部分代替FZ/T73019.1—2004《针织塑身内衣弹力型》。本部分与FZ/T73019.1—2004相比主要变化如下:增加了可分解芳香胺染料、异味、耐水色牢度等指标;删除了顶破强力考核指标;
修改了耐皂洗色牢度、耐摩擦色牢度、耐汗渍色牢度考核指标;修改了规格尺寸偏差考核指标;修改了缝制规定考核指标;
修改了水洗尺寸变化率试验方法。本部分由中国纺织工业协会提出。FZ/T73019.1-—2010
本部分由全国纺织品标准化技术委员会针织品分技术委员会(SAC/TC209/SC6)归口。本部分起草单位:深圳市计量质量检测研究院、国家针织产品质量监督检验中心、浙江美邦纺织有限公司、浙江浪莎内衣有限公司、安莉芳(中国)服装有限公司、北京爱幕内衣有限公司、浩沙实业(福建)有限公司、佛山市奥丽依内衣有限公司、婷美集团保健科技有限公司、浙江顺时针服饰有限公司。本部分主要起草人:滕万红、刘凤荣、王玲、刘爱莲、曹海辉、关春红、林献玺、何炳祥、周磊、龚益辉。本部分所代替标准的历次版本发布情况为:FZ/T73019.1—2004。
1范围
弹力型
针织塑身内衣
FZ/T73019.1—2010
FZ/T73019的本部分规定了针织塑身内衣弹力型产品的号型、要求、试验方法、判定规则、产品使用说明和包装。
本部分适用于鉴定弹力型针织塑身内衣及无侧边缝型针织塑身内衣产品的品质。2规范性引用文件
下列文件中的条款通过FZ/T73019本部分的引用而成为本部分的条款。凡是注日期的引用文件,其随后所有的修改单(不包括勘误的内容)或修订版均不适用于本部分,然而,鼓励根据本部分达成协议的各方研究是否可使用这些文件的最新版本。凡是不注日期的引用文件,其最新版本适用于本部分。
GB/T250
GB/T251
色牢度试验评定变色用灰色样卡纺织品
纺织品
色牢度试验评定沾色用灰色样卡GB/T2910(所有部分)纺织品
定量化学分析
GB/T2912.1纺织品
甲醛的测定第1部分:游离水解的甲醛(水萃取法)GB/T3920
GB/T3921
GB/T3922
GB/T4856
GB/T5713
GB/T7573
GB/T8170
GB/T8629
纺织品色牢度试验耐摩擦色牢度纺织品
色牢度试验耐皂洗色牢度
纺织品耐汗渍色牢度试验方法
针棉织品包装
消费品使用说明
纺织品和服装使用说明
纺织品包
色牢度试验
耐水色牢度
纺织品水萃取液pH值的测定
数值修约规则与极限数值的表示和判定纺织品试验用家庭洗涤和干燥程序GB/T17592
GB18401
纺织品
禁用偶氮染料的测定
国家纺织产品基本安全技术规范FZ/T01026
FZ/T01053
纺织品定量化学分析四组分纤维混合物纺织品纤维含量的标识
FZ/T01057(所有部分)全
纺织纤维鉴别试验方法
FZ/T01095纺织品氨纶产品纤维含量的试验方法GSB16-2159
GSB16-2500
3术语和定义
针织产品标准深度样卡(1/12)针织物表面疵点彩色样照
下列术语和定义适用于FZ/T73019的本部分。3.1
针织塑身内衣弹力型knittedconstrictivein-wear-elastic-style通过编织成型(缝迹伸长率100%),而对人体特定部位起到牵引或约束作用,从而保持或调整人体特定部位尺寸和形态的内衣。1
FZ/T73019.1—2010
针织塑身内衣弹力型产品号型以厘米为单位标注适穿的人体净身高及净胸(腰)围的范围。例:155-165/80-90。
5要求
5.1要求内容
要求分为内在质量和外观质量两个方面,内在质量包括染色牢度、水洗尺寸变化率、纤维含量、甲醛含量、pH值、异味、可分解芳香胺染料。外观质量包括表面疵点、规格尺寸偏差、本身尺寸差异、缝迹伸长率、缝制规定。
5.2分等规定
5.2.1针织塑身内衣弹力型产品的质量等级分为优等品、一等品、合格品。5.2.2针织塑身内衣弹力型产品的质量定等,内在质量按批(交货批)评等,外观质量按件评等。内在质量和外观质量两者结合以最低等级定等。5.3内在质量要求
5.3.1内在质量要求见表1。
内在质量要求
耐皂洗色牢度/级
耐摩擦色牢度/级
耐汗渍色牢度/级
耐水色牢度/级
水洗尺寸变化率/%
纤维含量(净干含量)/%
甲醛含量/(mg/kg)
可分解芳香胺染料/(mg/kg)
优等品
一等品
3(深色2-3)
按FZ/T01053规定执行
按GB18401规定执行
注:色别分档按GSB16-2159标准执行,>1/12标准深度为深色,≤1/12标准深度为浅色。5.3.2内在质量各项指标,以试验结果最低一项作为该产品的评等依据。5.4外观质量要求
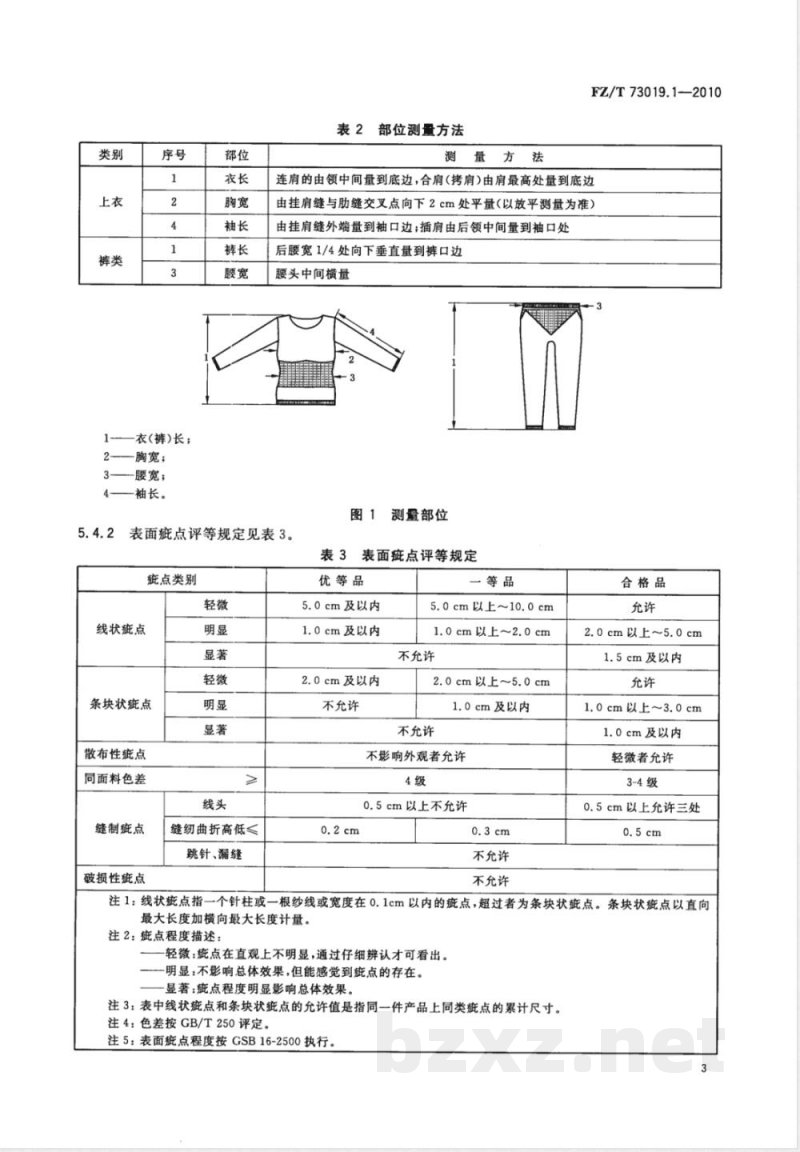
5.4.1测量部位及规定见表2及图1。2
合格品
2-3(深色2)
衣(裤)长;
2——胸宽;
3腰宽;
袖长。
表2部位测量方法
测量方法
FZ/T73019.1—2010
连肩的由领中间量到底边,合肩(拷肩)由肩最高处量到底边由挂肩缝与肋缝交叉点向下2cm处平量(以放平测量为准)由挂肩缝外端量到袖口边;插肩由后领中间量到袖口处后腰宽1/4处向下垂直量到裤口边腰头中间横量
图1测量部位
表面症点评等规定见表3。
疵点类别
线状疵点
条块状疵点
散布性疵点
同面料色差
缝制症点
破损性症点
缝纫曲折高低≤
跳针、漏缝
表面疵点评等规定
优等品
5.0cm及以内
1.0cm及以内
2.0cm及以内
不允许
一等品
5.0cm以上~10.0cm
1.0cm以上~2.0cm
不允许
2.0cm以上~5.0cm
1.0cm及以内
不允许
不影响外观者允许
0.5cm以上不允许
不允许
不允许
合格品
2.0 cm以上~5.0 cm
1.5cm及以内
1.0cm以上~3.0cm
1.0cm及以内
轻微者允许
3-4级
0.5cm以上允许三处
注1:线状疵点指一个针柱或一根纱线或宽度在0.1cm以内的疵点,超过者为条块状疵点。条块状疵点以直向最大长度加横向大长度计量。
注2:疵点程度描述:
轻微:疵点在直观上不明显,通过仔细辩认才可看出。明显:不影响总体效果,但能感觉到疵点的存在。显著:疵点程度明显影响总体效果。注3:表中线状症点和条块状疵点的允许值是指同一件产品上同类疵点的累计尺寸。注4:色差按GB/T250评定。
注5:表面疵点程度按GSB16-2500执行,3
FZ/T73019.1—2010
部位。
规格尺寸偏差见表4。
本身尺寸差异见表5。
衣长不二
肩宽不一
袖长不一
裤口不一
裤长不一
优等品
表4关
规格尺寸偏差
一等品
优等品
本身尺寸差异
单位为厘米
合格品
单位为厘米
合格品
袖缝、侧边缝、裤缝的缝迹伸长率不小于100%,不包括袖口缝、腰口缝、裤口缝、非弹性结构缝制规定
采用弹力缝纫线缝制。
加固部位:合肩处、裤档叉子合缝处。袖口、领口、下摆、裤口应采用双针绷缝加固或用四线或五线包缝机缝制。
平缝机、包缝机的针迹缝到边口处,应打回针。用夹边(嘴子)滚领、袖边、裤缝的合缝处应打回针。针迹密度规定见表6。
平双针
三针机
针迹密度规定
四针机
注:测量针迹密度以一个缝纫过程的中间处计量。5.4.6.6
宽紧带机
单位为针迹数每2厘米
包缝机缝边宽度,三线不低于0.3cm,四线不低于0.4cm,五线不低于0.6cm。缝纫针迹密度低于表6规定及双针绷缝机的跳针单针允许1针分散3处。6试验方法
6.1抽样数量
包缝卷边
6.1.1外观质量按交货批分品种、色别、规格尺寸随机采样1%~3%,不少于20件。如批量少于20件,则全数检验。
6.1.2内在质量按交货批分品种、色别、规格尺寸随机采样4件,不足时可增加件数。6.2外观质量检验条件
6.2.1一般采用灯光检验,用40W青光或白光日光灯一支,上面加灯罩,灯罩与检验台面中心垂直距4
离为(80士5)cm,或在D65光源下。FZ/T73019.1—2010
6.2.2如在室内利用自然光,光源射入方向为北向左(或右)上角,不能使阳光直射产品。6.2.3检验时应将产品平摊在检验台上,台面铺一层白布,检验人员的视线应正视平摊产品的表面,目视距离为35cm以上。
6.3试样准备和试验条件
6.3.1所取的试样不应有影响试验的疵点。6.3.2进行水洗尺寸变化率试验时,需将试样在常温下平摊在平滑的平面上放置20h,在实验室温度为(20士2)℃,相对湿度为(65士4)%条件下,调湿放置4h后再进行试验。6.4试验项目www.bzxz.net
6.4.1耐皂洗色牢度试验
按GB/T3921方法A(1)规定执行。6.4.2耐摩擦色牢度试验
按GB/T3920规定执行,只做直向。6.4.3耐汗渍色牢度试验
按GB/T3922规定执行。
6.4.4耐水色牢度试验
按GB/T5713规定执行。
6.4.4.1色牢度评级
按GB/T250及GB/T251规定执行。6.4.5水洗尺寸变化率试验
6.4.5.1标记、测量部位
上衣取衣长作为直向的测量部位,衣长以前后身左右四处的平均值作为计算依据。裤子取裤长作为直向的测量部位,裤长以左右两处的平均值作为计算依据。在测量时作出标记,以便水洗后测量,上衣测量部位见图2,裤子测量部位见图3。直向
图2上衣水洗前后测量部位
图3裤子水洗前后测量部位
6.4.5.2洗涤和干燥试验
洗涤和干燥试验按GB/T8629规定执行。洗涤程序采用5A,试验件数3件。干燥程序采用A法(悬挂晾干)。上衣用竿穿过两袖,使胸围挂肩处保持平直,并从下端用手将前5
FZ/T73019.1—2010
后身分开理平。裤子对折搭晾,使横档部位在晾竿上,并轻轻理平。将晾干后的试样放置在温度为(20士2)℃,相对湿度为(65士4)%环境下的平台上。停放4h后,轻轻拍平折痕,再进行测量。6.4.5.3结果计算和表示
按式(1)计算直向的水洗尺寸变化率,以负号(一)表示尺寸收缩,以正号(十)表示尺寸伸长。最终结果按GB/T8170修约到1位小数。A=L=Lo ×100
式中:
A—直向水洗尺寸变化率,%;
L—一直向水洗后尺寸的平均值,单位为厘米(cm));L。——直向水洗前尺寸的平均值,单位为厘米(cm)。6.4.6纤维含量试验
按FZ/T01057(所有部分)、GB/T2910(所有部分)、FZ/T01026、FZ/T01095的规定执行。取样部位:上衣取前腰部位,裤子取腹部部位。6.4.7甲醛含量试验
按GB/T2912.1规定执行。
6.4.8pH值试验
按GB/T7573规定执行。
6.4.9异味试验
按GB18401规定执行。
6.4.10可分解芳香胺染料试验
按GB/T17592规定执行。
6.4.11缝迹伸长率试验
将产品摊平,在袖缝、侧边缝或裤缝中段量取10cm,做好标记,用力拉伸足并量取缝迹伸长尺寸,按式(2)计算缝迹伸长率,最终结果按GB/T8170修约到个数位。B=L=10 ×100
式中:
B—缝迹伸长率,%;
L—缝迹伸长尺寸,单位为厘米(cm)。7判定规则
7.1外观质量
按品种、色别、规格尺寸计算不符品等率。内包装标志差错按件计算不符品等率,不允许有外包装差错。
凡不符品等率在5.0%及以内者,判定该批产品合格。不符品等率在5.0%以上者,判定该批产品不合格。
7.2内在质量
7.2.1纤维含量、甲醛含量、pH值、异味、可分解芳香胺染料检验结果合格者,判定该批产品合格,不合格者判定该批产品不合格。
7.2.2水洗尺寸变化率以全部试样的算术平均值作为检验结果,合格者判定该批产品合格,不合格者判定该批产品不合格。若同时存在收缩与倒涨试验结果时,以收缩(或倒涨)的两件试样的算术平均值作为检验结果,合格者判定该批产品合格,不合格者判定该批产品不合格。6
FZ/T73019.1—2010
3耐皂洗色牢度、耐摩擦色牢度、耐汗渍色牢度、耐水色牢度检验结果合格者,判定该批产品合格,7.2.3
不合格者分色别判定该批产品不合格。7.3复验
7.3.1任何一方对所检验的结果有异议时,在规定期限内,对所有异议的项目均可要求复验。7.3.2
提请复验时,应保留提请复验数量的全部。7.3.3
3复验时检验数量为初检时数量的2倍,复验结果按7.1、7.2规定执行,判定以复验结果为准。8产品使用说明和包装
产品使用说明按GB5296.4规定执行。2产品包装按GB/T4856或协议执行。8.2
FZ/T73019.1-2010
打印日期:2010年12月16日F009中华人民共和国纺织
行业标准
针织塑身内衣弹力型
FZ/T73019.1—2010
中国标准出版社出版发行
北京复兴门外三里河北街16号
邮政编码:100045
网址www.spc.net.cn
电话:6852394668517548
中国标准出版社秦皇岛印刷厂印刷各地新华书店经销
开本880×12301/16
2010年12月第一版
印张0.75字数15千字
2010年12月第一次印刷
书号:155066·2-21351定价16.00元由本社发行中心调换
如有印装差错
版权专有侵权必究
举报电话:(010)68533533
小提示:此标准内容仅展示完整标准里的部分截取内容,若需要完整标准请到上方自行免费下载完整标准文档。
标准图片预览:





- 其它标准
- 上一篇: FZ/T 73018-2021毛针织品
- 下一篇: JB/T 20189-2017生物废水灭活装置
- 热门标准
- 其他行业标准
- HG/T3773-2012 分散黑EX-SF300%
- QZLS0032S-2016 郑州林诺实业有限公司 压片糖果
- JB/T7673-2011 真空技术 真空设备型号编制方法
- JB/T6313.3-2011 电工铜编织线 第3部分:直纹编织线
- HG/T2549-2012 还原橄榄绿5G超细粉
- QX/T409-2017 农业气象观测规范 番茄
- NB/T33006-2013 电动汽车电池箱更换设备通用技术要求
- CB/T4198-2011 船用中速柴油机齿轮箱技术条件
- YS/T3044-2022 铜冶炼侧吹炉协同处置氰渣技术规范
- FZ/T12057-2017 腈纶羊毛混纺本色纱
- QCYY0001S-2016 四川野源科技有限责任公司 果汁饮料
- TB/T3523.3-2018 交流传动电力机车试验方法 第3部分:温升、电气保护及辅助机组试验
- YS/T1168-2016 饰品用锗合金
- YS/T891-2013 高纯钛化学分析方法 痕量杂质元素的测定 辉光放电质谱法
- DGJ08-2077-2010 危险性较大的分部分项工程安全管理规范
- 行业新闻
网站备案号:湘ICP备2025141790号-2