- 您的位置:
- 标准下载网 >>
- 标准分类 >>
- 其他行业标准 >>
- YS/T 815-2012铜及铜合金力学性能和工艺性能试样的制备方法
标准号:
YS/T 815-2012
标准名称:
铜及铜合金力学性能和工艺性能试样的制备方法
标准类别:
其他行业标准
英文名称:
Preparation method of test pieces for mechanical and technological properties of copper and copper alloys标准状态:
现行-
发布日期:
2012-11-07 -
实施日期:
2013-03-01 出版语种:
简体中文下载格式:
.pdf .zip
标准ICS号:
冶金>>有色金属>>77.120.30铜和铜合金中标分类号:
冶金>>有色金属及其合金产品>>H65稀有金属及其合金

点击下载
标准简介:
本标准规定了铜及铜合金加工产品、铸造产品力学性能和工艺性能试验用试样的制备方法。
本标准适用于铜及铜合金加工产品、铸造产品力学性能和工艺性能试验用试样的制备方法。
本标准按照GB/T1.1—2009给出的规则起草。
本标准由全国有色金属标准化技术委员会(SAC/TC243)归口。
本标准负责起草单位:浙江方圆检测集团股份有限公司、中铝沈阳有色金属加工有限公司。
本标准参加起草单位:浙江耐乐铜业有限公司。
本标准主要起草人:骆群、丁勇、范志荣、傅俊磊、方军、王艳杰、郑晓飞、孙军。
下列文件对于本文件的应用是必不可少的。凡是注日期的引用文件,仅注日期的版本适用于本文件。凡是不注日期的引用文件,其最新版本(包括所有的修改单)适用于本文件。
GB/T228.1 金属材料 拉伸试验 第1部分:室温试验方法
GB/T229 金属材料 夏比摆锤冲击试验方法
YS/T668 铜及铜合金理化检测取样方法

部分标准内容:
ICS 77.120.30
中华人民共和国有色金属行业标准YS/T815—2012
铜及铜合金力学性能和工艺
性能试样的制备方法
Preparation method of test pieces for mechanical and technologicalpropertiesofcopperandcopperalloys2012-11-07发布
中华人民共和国工业和信息化部2013-03-01实施
本标准按照GB/T1.1一2009给出的规则起草。言
本标准由全国有色金属标准化技术委员会(SAC/TC243)归口。YS/T815—2012
本标准负责起草单位:浙江方圆检测集团股份有限公司、中铝沈阳有色金属加工有限公司。本标准参加起草单位:浙江耐乐铜业有限公司。本标准主要起草人:骆群、丁勇、范志荣、傅俊磊、方军、王艳杰、郑晓飞、孙军。范围
铜及铜合金力学性能和工艺
性能试样的制备方法
YS/T815—2012
本标准规定了铜及铜合金加工产品、铸造产品力学性能和工艺性能试验用试样的制备方法。本标准适用于铜及铜合金加工产品、铸造产品力学性能和工艺性能试验用试样的制备方法。2规范性引用文件
下列文件对于本文件的应用是必不可少的。凡是注日期的引用文件,仅注日期的版本适用于本文件。凡是不注日期的引用文件,其最新版本(包括所有的修改单)适用于本文件。GB/T228.1金属材料拉伸试验第1部分:室温试验方法GB/T229金属材料夏比摆锤冲击试验方法YS/T668铜及铜合金理化检测取样方法3术语和定义
GB/T228.1界定的以及下列术语和定义适用于本文件。3.1
试料sample
为制备个或几个试样,从抽样产品中切取的足够量的用于制取样坏或试样的材料。3.2
样坏roughspecimen
为制备试样,经过机械处理或所需热处理后的试料。3.3
试样testpieces
经机加工或未经机加工后,具有合格尺寸且能满足试验要求的样坏。4符号和说明
本标准使用的符号和相应的说明见表1。表1符号和说明
矩形、弧形试样夹持端宽度
矩形试样平行长度的原始宽度
矩形试样原始厚度
YS/T815—2012
5试样制备的通则
表1(续)
圆形横截面试样夹持端直径
圆形(双肩)试样肩的直径
圆形试样平行长度的原始直径
矩形试样夹持端孔径
原始标距
平行长度
试样总长度
圆形横截面试样或矩形、弧形横截面试样夹持端长度圆形(双肩)试样肩与圆弧面间的长度试样过渡圆弧部分的长度
矩形试样孔中心距末端距离
矩形试样孔中心距过渡圆弧与边交点的距离过渡弧半径
圆形(双肩)试样端部与肩之间的倒角半径螺纹外径
圆柱度
同轴度
垂直度
平行度
对称度
基准面A。方格内的B、C字母分别代表基准面B、基准面C1×45°倒角
5.1力学性能取样部位及尺寸应符合YS/T668的相关规定。试样加工尺寸符合相关试验方法标准的要求。如产品标准中对试样加工尺寸有规定的,按相关产品标准规定执行。5.2通常采用车、铣、刨、磨、线切割等机加工方式或专用试样加工设备制取力学性能试样,加工过程中应用冷却液进行充分冷却,不能因机加工使试样受热、冷加工硬化或机械损伤影响试样的力学性能,加工后的试样不应有裂纹、毛刺、横向刀痕等缺陷。2
YS/T815—2012
5.3从盘卷上切取的管、线、带、箔试样,允许进行矫直或矫平,但任何的矫正都不能影响试样的力学性能。
5.4每个试样都应有明显标志,以鉴别制取试样的样坏。如有要求时还应注明试样在产品上的相应部位和取向。当采用打印法标志时,应注意打印的位置和方法不会改变所制取试样的力学性能。6试样制备的要求wwW.bzxz.Net
6.1室温拉伸试样
6.1.1拉伸试样制备要求
6.1.1.1通常试验用试样从切取的样坏上经机加工制成,拉伸试样分带头试样和不带头试样,试样横截面形状可以是圆形、矩形、多边形、环形,特殊情况下可以为某种其他形状。对具有恒定横截面的产品(型材、棒材、线材、管材等)可以不经机加工,采用全截面进行试验。6.1.1.2为了考核产品的整体性能,在试验机能力允许的情况下,尽可能取全截面试样。6.1.1.3经机加工的拉伸试样头部形状和尺寸应按样坏尺寸、材料特性、试验目的及试验机夹具的结构而定,对带头和不带头的圆形或矩形(弧形)试样其夹持部分的长度至少应为V型或平钳口夹具长度的四分之三。
6.1.1.4带头拉伸试样平行部分和夹持头部之间应以过渡弧连接,圆弧半径r的大小可按试样各部分的尺寸,材质和机加工工艺而定,对脆性材料,r可适当加大。6.1.1.5对于强度较低的材料,如纯铜、普通黄铜,经协议,可采用具有较高粗糙度的试样;对于强度较高的材料,如青铜、复杂黄铜等应采用较低粗糙度的试样,对表面要求高的试样可进行精磨处理。6.1.1.6对厚度≤0.3mm的带、箔材进行加工时,应将样坏叠成一叠,薄片之间用油纸、薄膜等材料隔开,每叠两侧夹以较厚薄片,然后将整叠机加工至试样尺寸。6.1.2棒材拉伸试样
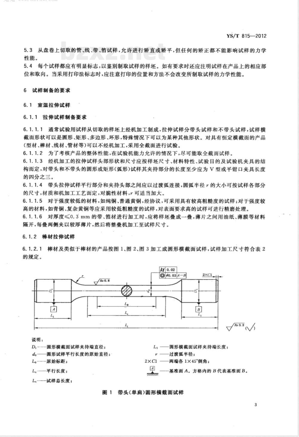
6.1.2.1棒材及类似于棒材的产品按图1、图2、图3加工成圆形横截面试样,试样加工尺寸符合表2的规定。
说明:
圆形横截面试样夹持端直径;
圆形试样平行长度的原始直径;原始标距;
平行长度;
一试样总长度;
圆形横裁面试样夹持端长度;
过渡弧半径;
两端各1×45°倒角;
基准面A。方格内的B代表基准面B。图1带头(单肩)圆形横截面试样
YS/T815—2012
说明:
经供需双方协商,也可制取原始标距为50mm的非比例试样。2Xr,0.2max
圆形横截面试样夹持端直径;
一圆形(双肩)试样肩的直径;
d。—圆形试样平行长度的原始直径;L。—-原始标距;
平行长度;
-试样总长度;
-圆形横截面试样夹持端长度;
--圆形(双肩)试样肩与圆弧面间的长度;-过渡弧半径;
-圆形(双肩)试样端部与肩之间的倒角半径;一两端各1×45倒角;
基准面A。方格内的B、C代表基准面B、基准面C。图2带头(双肩)圆形横截面试样0.02
说明:
D,-—圆形横截面试样夹持端直径;do
一圆形试样平行长度的原始直径;L。原始标距;
平行长度;
-试样总长度;
注:螺距与螺纹夹具的螺距相配。L
-圆形横截面试样夹持端长度;
-过渡弧半径;
螺纹外径;
-两端各1×45°倒角;
基准面A。方格内的B代表基准面B。图3带头(螺纹)圆形横截面试样d。
圆形横截面试样加工尺寸
注:尺寸公差及表中未列尺寸均按GB/T228.1的规定。6.1.3板、带材拉伸试样
6.1.3.1板、带材拉伸试样按图4加工成矩形试样,试样加工尺寸符合表3的规定。6.1.3.2厚度<0.3mm矩形试样的加工尺寸可按表4的规定。YS/T815-2012
单位为毫米
厚度>3mm的HA166-6-3-2、HA160-1-1、HMn57-3-1、HPb60-2、QA17等夹持困难试样的6.1.3.3
加工尺寸按表5的规定。对薄带和高强度材料,可制成图5的带销孔的矩形试样,6.1.3.4对断后伸长率低于5%的硬态金属和原始标距小于15mm的材料,经与用户协商后,可制取原始标距为50mm的非比例试样。6.1.3.5非比例试样和带销孔矩形试样加工尺寸应符合表6的规定。0.02
周0.1A-B
说明:
矩形试样夹持端宽度;
矩形试样平行长度的原始宽度;矩形试样原始厚度;
L原始标距;
L。—平行长度;
L试样总长度;
-矩形横截面试样夹持端长度;
试样过渡圆弧部分的长度;
基准面A。方格内的B、C代表基准面B、基准面C。图4
矩形试样
YS/T815-—2012
表3矩形试样加工尺寸
按表2制取圆形横截面试样
注:尺寸公差及表中未列尺寸均按GB/T228.1的规定。表4厚度<0.3mm矩形试样加工尺寸ao
注:尺寸公差及表中未列尺寸均按GB/T228.1的规定。40
5厚度>3mm夹持困难的矩形试样加工尺寸表5
按表2制取d。=8mm的圆形横截面试样单位为毫米
单位为毫米
单位为毫米
注1:尺寸公差及表中未列尺寸均按GB/T228.1的规定。注2:制取d。=8mm的圆形横截面试样时,若板厚度小于试样头部直径时,试样头部加工尺寸可适当减小0.14-B
说明:
-矩形试样夹持端宽度;
矩形试样平行长度的原始宽度;矩形试样原始厚度;
L。原始标距;
一平行长度;
-试样总长度;
矩形横截面试样夹持端长度;
试样过渡圆弧部分的长度;
一矩形试样孔中心距末端距离;-矩形试样孔中心距过渡圆弧与边交点的距离;矩形试样夹持端孔径;
基准面A。方格内的B、C代表基准面B、基准面C。带销孔矩形试样
非比例试样和带销孔矩形试样加工尺寸L3
注:尺寸公差及表中未列尺寸均按GB/T228.1的规定。6.1.4管材拉伸试样
YS/T815—2012
单位为毫米
6.1.4.1根据试验机的特点,管材拉伸试验尽可能采用全截面试样。在产品标准未做规定时,经供需双方协商,原始标距L。可取50mm。6.1.4.2不能按全截面进行试验时,应取纵向弧形试样。纵向弧形试样分带头和不带头,仲裁试验时,应制取带头试样,试样加工按图6、图7,加工尺寸应符合表7的规定。或从管壁上机加工制取圆形横截面试样,试样加工应符合表8的规定。在产品标准未做规定时,经供需双方协商,也可制取原始标距为50mm的非比例试样,加工尺寸符合表9的规定。川0.1c
说明:
弧形试样夹持端宽度;
-弧形试样平行长度的原始宽度;弧形试样原始厚度;
原始标距;
一试样总长度;
平行长度;
弧形横截面试样夹持端长度;
试样过渡圆弧部分的长度;
基准面A。方格内的B、C代表基准面B、基准面C。6带头纵向弧形试样
YS/T815—2012
说明:
弧形试样原始厚度;
原始标距;
≥30~50
>50~70
>70~100
(纯铜≤13)
试样总长度:
基准面A。
不带头纵向弧形试样
弧形试样加工尺寸
注:尺寸公差及表中未列尺寸均按GB/T228.1的规定。表8
>13~16
管壁厚度机加工的纵向圆形横截面试样试样类型
按表2制取d=5mm的圆形横截面试样按表2制取d=8mm的圆形横截面试样按表2制取d=10mm的圆形横截面试样L
单位为毫米
不带头纵向弧形试样
注:制取圆形横截面试样时,若管材厚度小于试样头部直径时,试样头部加工尺寸可适当减小,8
单位为毫米
≤100
(纯铜≤13)
表9非比例弧形试样加工尺寸
注:尺寸公差及表中未列尺寸均按GB/T228.1的规定。6.1.5
线材拉伸试样
YS/T815-2012
单位为毫米
取全截面试样,原始标距L。为100mm,L。≥L+3d,一般取220mm士20mm,对d<0.5mm的线材,试样可根据试验机夹持方式适当加长。6.1.6铸造产品拉伸试样
6.1.6.1由供需双方协商在铸件本体或从与铸件材料、铸造工艺、热处理工艺均相同的单铸试块或单铸成型试棒上制取$14mm圆形横截面试样。经协议,也可制取$10mm圆形横截面试样。试样加工按图1、图2,试样加工尺寸应符合表10的规定。6.1.6.2对不需测伸长率的试样,平行长度可等于或略大于直径do;对需测伸长率的试样,原始标距L。取5d。,圆弧半径r为(0.6~1.6)d。,脆性材料r为(1.2~1.6)d。加工试样平行部分的尺寸和形状公差可略宽于同尺寸的锻、轧材试样,表面粗糙度Ra也可稍低,一般为12.6μm。表10
铸造产品拉伸试样加工尺寸
注:尺寸公差及表中未列尺寸均按GB/T228.1的规定。6.1.7型材产品拉伸试样
单位为毫米
壁厚≥15mm时,应选取圆形横截面试样;壁厚<15mm时,应选取矩形带头或不带头试样,试样加工按6.1.2或6.1.3。若型材不能加工成圆形或矩形试样时,可选用全截面试样。6.1.8锻件产品拉伸试样
由供需双方协商采取下述方式之一制取圆形横截面试样,试样加工按6.1.2。a)从锻件本体上制取,其纵轴尽可能与金属流向的主方向相吻合;b)
从附于锻件的一个试块上制取;c)从与锻件材料、处理工艺均相同的单独锻制的试块上制取。9
小提示:此标准内容仅展示完整标准里的部分截取内容,若需要完整标准请到上方自行免费下载完整标准文档。
中华人民共和国有色金属行业标准YS/T815—2012
铜及铜合金力学性能和工艺
性能试样的制备方法
Preparation method of test pieces for mechanical and technologicalpropertiesofcopperandcopperalloys2012-11-07发布
中华人民共和国工业和信息化部2013-03-01实施
本标准按照GB/T1.1一2009给出的规则起草。言
本标准由全国有色金属标准化技术委员会(SAC/TC243)归口。YS/T815—2012
本标准负责起草单位:浙江方圆检测集团股份有限公司、中铝沈阳有色金属加工有限公司。本标准参加起草单位:浙江耐乐铜业有限公司。本标准主要起草人:骆群、丁勇、范志荣、傅俊磊、方军、王艳杰、郑晓飞、孙军。范围
铜及铜合金力学性能和工艺
性能试样的制备方法
YS/T815—2012
本标准规定了铜及铜合金加工产品、铸造产品力学性能和工艺性能试验用试样的制备方法。本标准适用于铜及铜合金加工产品、铸造产品力学性能和工艺性能试验用试样的制备方法。2规范性引用文件
下列文件对于本文件的应用是必不可少的。凡是注日期的引用文件,仅注日期的版本适用于本文件。凡是不注日期的引用文件,其最新版本(包括所有的修改单)适用于本文件。GB/T228.1金属材料拉伸试验第1部分:室温试验方法GB/T229金属材料夏比摆锤冲击试验方法YS/T668铜及铜合金理化检测取样方法3术语和定义
GB/T228.1界定的以及下列术语和定义适用于本文件。3.1
试料sample
为制备个或几个试样,从抽样产品中切取的足够量的用于制取样坏或试样的材料。3.2
样坏roughspecimen
为制备试样,经过机械处理或所需热处理后的试料。3.3
试样testpieces
经机加工或未经机加工后,具有合格尺寸且能满足试验要求的样坏。4符号和说明
本标准使用的符号和相应的说明见表1。表1符号和说明
矩形、弧形试样夹持端宽度
矩形试样平行长度的原始宽度
矩形试样原始厚度
YS/T815—2012
5试样制备的通则
表1(续)
圆形横截面试样夹持端直径
圆形(双肩)试样肩的直径
圆形试样平行长度的原始直径
矩形试样夹持端孔径
原始标距
平行长度
试样总长度
圆形横截面试样或矩形、弧形横截面试样夹持端长度圆形(双肩)试样肩与圆弧面间的长度试样过渡圆弧部分的长度
矩形试样孔中心距末端距离
矩形试样孔中心距过渡圆弧与边交点的距离过渡弧半径
圆形(双肩)试样端部与肩之间的倒角半径螺纹外径
圆柱度
同轴度
垂直度
平行度
对称度
基准面A。方格内的B、C字母分别代表基准面B、基准面C1×45°倒角
5.1力学性能取样部位及尺寸应符合YS/T668的相关规定。试样加工尺寸符合相关试验方法标准的要求。如产品标准中对试样加工尺寸有规定的,按相关产品标准规定执行。5.2通常采用车、铣、刨、磨、线切割等机加工方式或专用试样加工设备制取力学性能试样,加工过程中应用冷却液进行充分冷却,不能因机加工使试样受热、冷加工硬化或机械损伤影响试样的力学性能,加工后的试样不应有裂纹、毛刺、横向刀痕等缺陷。2
YS/T815—2012
5.3从盘卷上切取的管、线、带、箔试样,允许进行矫直或矫平,但任何的矫正都不能影响试样的力学性能。
5.4每个试样都应有明显标志,以鉴别制取试样的样坏。如有要求时还应注明试样在产品上的相应部位和取向。当采用打印法标志时,应注意打印的位置和方法不会改变所制取试样的力学性能。6试样制备的要求wwW.bzxz.Net
6.1室温拉伸试样
6.1.1拉伸试样制备要求
6.1.1.1通常试验用试样从切取的样坏上经机加工制成,拉伸试样分带头试样和不带头试样,试样横截面形状可以是圆形、矩形、多边形、环形,特殊情况下可以为某种其他形状。对具有恒定横截面的产品(型材、棒材、线材、管材等)可以不经机加工,采用全截面进行试验。6.1.1.2为了考核产品的整体性能,在试验机能力允许的情况下,尽可能取全截面试样。6.1.1.3经机加工的拉伸试样头部形状和尺寸应按样坏尺寸、材料特性、试验目的及试验机夹具的结构而定,对带头和不带头的圆形或矩形(弧形)试样其夹持部分的长度至少应为V型或平钳口夹具长度的四分之三。
6.1.1.4带头拉伸试样平行部分和夹持头部之间应以过渡弧连接,圆弧半径r的大小可按试样各部分的尺寸,材质和机加工工艺而定,对脆性材料,r可适当加大。6.1.1.5对于强度较低的材料,如纯铜、普通黄铜,经协议,可采用具有较高粗糙度的试样;对于强度较高的材料,如青铜、复杂黄铜等应采用较低粗糙度的试样,对表面要求高的试样可进行精磨处理。6.1.1.6对厚度≤0.3mm的带、箔材进行加工时,应将样坏叠成一叠,薄片之间用油纸、薄膜等材料隔开,每叠两侧夹以较厚薄片,然后将整叠机加工至试样尺寸。6.1.2棒材拉伸试样
6.1.2.1棒材及类似于棒材的产品按图1、图2、图3加工成圆形横截面试样,试样加工尺寸符合表2的规定。
说明:
圆形横截面试样夹持端直径;
圆形试样平行长度的原始直径;原始标距;
平行长度;
一试样总长度;
圆形横裁面试样夹持端长度;
过渡弧半径;
两端各1×45°倒角;
基准面A。方格内的B代表基准面B。图1带头(单肩)圆形横截面试样
YS/T815—2012
说明:
经供需双方协商,也可制取原始标距为50mm的非比例试样。2Xr,0.2max
圆形横截面试样夹持端直径;
一圆形(双肩)试样肩的直径;
d。—圆形试样平行长度的原始直径;L。—-原始标距;
平行长度;
-试样总长度;
-圆形横截面试样夹持端长度;
--圆形(双肩)试样肩与圆弧面间的长度;-过渡弧半径;
-圆形(双肩)试样端部与肩之间的倒角半径;一两端各1×45倒角;
基准面A。方格内的B、C代表基准面B、基准面C。图2带头(双肩)圆形横截面试样0.02
说明:
D,-—圆形横截面试样夹持端直径;do
一圆形试样平行长度的原始直径;L。原始标距;
平行长度;
-试样总长度;
注:螺距与螺纹夹具的螺距相配。L
-圆形横截面试样夹持端长度;
-过渡弧半径;
螺纹外径;
-两端各1×45°倒角;
基准面A。方格内的B代表基准面B。图3带头(螺纹)圆形横截面试样d。
圆形横截面试样加工尺寸
注:尺寸公差及表中未列尺寸均按GB/T228.1的规定。6.1.3板、带材拉伸试样
6.1.3.1板、带材拉伸试样按图4加工成矩形试样,试样加工尺寸符合表3的规定。6.1.3.2厚度<0.3mm矩形试样的加工尺寸可按表4的规定。YS/T815-2012
单位为毫米
厚度>3mm的HA166-6-3-2、HA160-1-1、HMn57-3-1、HPb60-2、QA17等夹持困难试样的6.1.3.3
加工尺寸按表5的规定。对薄带和高强度材料,可制成图5的带销孔的矩形试样,6.1.3.4对断后伸长率低于5%的硬态金属和原始标距小于15mm的材料,经与用户协商后,可制取原始标距为50mm的非比例试样。6.1.3.5非比例试样和带销孔矩形试样加工尺寸应符合表6的规定。0.02
周0.1A-B
说明:
矩形试样夹持端宽度;
矩形试样平行长度的原始宽度;矩形试样原始厚度;
L原始标距;
L。—平行长度;
L试样总长度;
-矩形横截面试样夹持端长度;
试样过渡圆弧部分的长度;
基准面A。方格内的B、C代表基准面B、基准面C。图4
矩形试样
YS/T815-—2012
表3矩形试样加工尺寸
按表2制取圆形横截面试样
注:尺寸公差及表中未列尺寸均按GB/T228.1的规定。表4厚度<0.3mm矩形试样加工尺寸ao
注:尺寸公差及表中未列尺寸均按GB/T228.1的规定。40
5厚度>3mm夹持困难的矩形试样加工尺寸表5
按表2制取d。=8mm的圆形横截面试样单位为毫米
单位为毫米
单位为毫米
注1:尺寸公差及表中未列尺寸均按GB/T228.1的规定。注2:制取d。=8mm的圆形横截面试样时,若板厚度小于试样头部直径时,试样头部加工尺寸可适当减小0.14-B
说明:
-矩形试样夹持端宽度;
矩形试样平行长度的原始宽度;矩形试样原始厚度;
L。原始标距;
一平行长度;
-试样总长度;
矩形横截面试样夹持端长度;
试样过渡圆弧部分的长度;
一矩形试样孔中心距末端距离;-矩形试样孔中心距过渡圆弧与边交点的距离;矩形试样夹持端孔径;
基准面A。方格内的B、C代表基准面B、基准面C。带销孔矩形试样
非比例试样和带销孔矩形试样加工尺寸L3
注:尺寸公差及表中未列尺寸均按GB/T228.1的规定。6.1.4管材拉伸试样
YS/T815—2012
单位为毫米
6.1.4.1根据试验机的特点,管材拉伸试验尽可能采用全截面试样。在产品标准未做规定时,经供需双方协商,原始标距L。可取50mm。6.1.4.2不能按全截面进行试验时,应取纵向弧形试样。纵向弧形试样分带头和不带头,仲裁试验时,应制取带头试样,试样加工按图6、图7,加工尺寸应符合表7的规定。或从管壁上机加工制取圆形横截面试样,试样加工应符合表8的规定。在产品标准未做规定时,经供需双方协商,也可制取原始标距为50mm的非比例试样,加工尺寸符合表9的规定。川0.1c
说明:
弧形试样夹持端宽度;
-弧形试样平行长度的原始宽度;弧形试样原始厚度;
原始标距;
一试样总长度;
平行长度;
弧形横截面试样夹持端长度;
试样过渡圆弧部分的长度;
基准面A。方格内的B、C代表基准面B、基准面C。6带头纵向弧形试样
YS/T815—2012
说明:
弧形试样原始厚度;
原始标距;
≥30~50
>50~70
>70~100
(纯铜≤13)
试样总长度:
基准面A。
不带头纵向弧形试样
弧形试样加工尺寸
注:尺寸公差及表中未列尺寸均按GB/T228.1的规定。表8
>13~16
管壁厚度机加工的纵向圆形横截面试样试样类型
按表2制取d=5mm的圆形横截面试样按表2制取d=8mm的圆形横截面试样按表2制取d=10mm的圆形横截面试样L
单位为毫米
不带头纵向弧形试样
注:制取圆形横截面试样时,若管材厚度小于试样头部直径时,试样头部加工尺寸可适当减小,8
单位为毫米
≤100
(纯铜≤13)
表9非比例弧形试样加工尺寸
注:尺寸公差及表中未列尺寸均按GB/T228.1的规定。6.1.5
线材拉伸试样
YS/T815-2012
单位为毫米
取全截面试样,原始标距L。为100mm,L。≥L+3d,一般取220mm士20mm,对d<0.5mm的线材,试样可根据试验机夹持方式适当加长。6.1.6铸造产品拉伸试样
6.1.6.1由供需双方协商在铸件本体或从与铸件材料、铸造工艺、热处理工艺均相同的单铸试块或单铸成型试棒上制取$14mm圆形横截面试样。经协议,也可制取$10mm圆形横截面试样。试样加工按图1、图2,试样加工尺寸应符合表10的规定。6.1.6.2对不需测伸长率的试样,平行长度可等于或略大于直径do;对需测伸长率的试样,原始标距L。取5d。,圆弧半径r为(0.6~1.6)d。,脆性材料r为(1.2~1.6)d。加工试样平行部分的尺寸和形状公差可略宽于同尺寸的锻、轧材试样,表面粗糙度Ra也可稍低,一般为12.6μm。表10
铸造产品拉伸试样加工尺寸
注:尺寸公差及表中未列尺寸均按GB/T228.1的规定。6.1.7型材产品拉伸试样
单位为毫米
壁厚≥15mm时,应选取圆形横截面试样;壁厚<15mm时,应选取矩形带头或不带头试样,试样加工按6.1.2或6.1.3。若型材不能加工成圆形或矩形试样时,可选用全截面试样。6.1.8锻件产品拉伸试样
由供需双方协商采取下述方式之一制取圆形横截面试样,试样加工按6.1.2。a)从锻件本体上制取,其纵轴尽可能与金属流向的主方向相吻合;b)
从附于锻件的一个试块上制取;c)从与锻件材料、处理工艺均相同的单独锻制的试块上制取。9
小提示:此标准内容仅展示完整标准里的部分截取内容,若需要完整标准请到上方自行免费下载完整标准文档。

标准图片预览:





- 其它标准
- 上一篇: YS/T 322-2015冶金用二氧化钛
- 下一篇: YS/T 1162-2016铟条
- 热门标准
- 其他行业标准
- YB/T096-2015 高碳铬不锈钢丝
- QB/T4595.6-2013 合页 第6部分:双袖型合页
- JB/T1308.3-2011 PN2500超高压阀门和管件 第3部分:管子端部
- QB/T4654-2014 香茅醛
- FZ/T07002-2018 废旧纺织品再加工短纤维
- CNAS-CC01:2011 管理体系认证机构要求(2011版本)
- YB/T4458-2015 家电用彩色涂层钢板及钢带
- HG/T3766-2004 炔螨特乳油
- YS/T3008-2012 燃油(柴油)加热活性炭再生工艺能源消耗限额
- QJLYN0005S-2016 吉林省医诺生物技术有限公司 桦树茸复合压片糖果
- QX/T362-2016 农业气象观测规范 烟草
- NB/T33005-2013 电动汽车充电站及电池更换站监控系统技术规范
- NB/SH/T0407-2013 石油蜡水溶性酸或碱试验法
- QB/T4656-2014 小茴香(精)油
- YS/T300-2015 锗精矿
- 行业新闻
请牢记:“bzxz.net”即是“标准下载”四个汉字汉语拼音首字母与国际顶级域名“.net”的组合。 ©2009 标准下载网 www.bzxz.net 本站邮件:bzxznet@163.com
网站备案号:湘ICP备2023016450号-1
网站备案号:湘ICP备2023016450号-1