- 您的位置:
- 标准下载网 >>
- 标准分类 >>
- 其他行业标准 >>
- FZ/T 14001-2013棉印染帆布
标准号:
FZ/T 14001-2013
标准名称:
棉印染帆布
标准类别:
其他行业标准
英文名称:
Printed or dyed cotton canvas标准状态:
已作废-
发布日期:
2013-10-17 -
实施日期:
2014-03-01 -
作废日期:
2024-07-01 出版语种:
简体中文下载格式:
.pdf .zip下载大小:
2.63 MB
标准ICS号:
纺织和皮革技术>>纺织产品>>59.080.30纺织物中标分类号:
纺织>>印染制品>>W71棉与棉混纺织物印染品
点击下载
标准简介:
本标准规定了棉印染帆布的术语和定义、分类、要求、试验检验方法、检验规则及标志和包装。
本标准适用于服装、鞋用棉漂白、染色和印花帆布。
本标准不适用于磨毛及特殊整理类织物。
本标准按照GB/T1.1—2009给出的规则起草。
本标准代替FZ/T14001—2005《棉印染帆布》。
本标准与FZ/T14001—2005相比主要变化如下:
———更新了规范性引用文件。
———统一服用、鞋用面料断裂强力值。
———增加撕破强力指标的考核。
———提高了纬向密度偏差率的要求。
———统一服用、鞋用面料水洗尺寸变化率试验方法。
———提高了水洗尺寸变化率的要求。
———统一服用、鞋用面料耐皂洗色牢度试验方法。
———调整色牢度指标值。
———取消正反面色差要求。
———分等规定中取消三等品。
———调整外观质量局部性疵点评分方法,允许评分数由分每米改为分每平方米计算;除边疵外,其余采用0起点。
———散布性疵点允许程度作了修改。
本标准由中国纺织工业联合会提出。
本标准由全国纺织品标准化技术委员会棉纺织印染分技术委员会(SAC/TC209/SC2)归口。
本标准起草单位:福建众和股份有限公司、奉化市双盾纺织帆布实业有限公司、上海市纺织工业技术监督所、浙江汇丽印染整理有限公司、中国印染行业协会。
本标准主要起草人:高炳生、张俊峰、胡长明、贺美娣、金泽、林琳、何建敏。
本标准所代替标准的历次版本发布情况为:
———FZ/T14001—1992、FZ/T14001—2005;
———FZ/T14002—1992。
下列文件对于本文件的应用是必不可少的。凡是注日期的引用文件,仅注日期的版本适用于本文件。凡是不注日期的引用文件,其最新版本(包括所有的修改单)适用于本文件。
GB/T250 纺织品 色牢度试验 评定变色用灰色样卡
GB/T251 纺织品 色牢度试验 评定沾色用灰色样卡
GB/T411 棉印染布
GB/T420—2009 纺织品 色牢度试验 颜料印染纺织品耐刷洗色牢度
GB/T3917.1 纺织品 织物撕破性能 第1部分:冲击摆锤法撕破强力的测定
GB/T3920 纺织品 色牢度试验 耐摩擦色牢度
GB/T3921—2008 纺织品 色牢度试验 耐皂洗色牢度
GB/T3922—1995 纺织品耐汗渍色牢度试验方法
GB/T3923.1 纺织品 织物拉伸性能 第1部分:断裂强力和断裂伸长率的测定 条样法
GB/T4666 纺织品 织物长度和幅宽的测定
GB/T4668 机织物密度的测定
GB5296.4 消费品使用说明 第4部分:纺织品和服装
GB/T6152—1997 纺织品 色牢度实验 耐热压色牢度
GB/T8170 数值修约规则与极限数值的表示和判定
GB/T8427—2008 纺织品 色牢度试验 耐人造光色牢度:氙弧
GB/T8628 纺织品 测定尺寸变化的试验中织物试样和服装的准备、标记及测量
GB/T8629—2001 纺织品 试验用家庭洗涤和干燥程序
GB/T8630 纺织品 洗涤和干燥后尺寸变化的测定
GB/T14801 机织物与针织物纬斜和弓纬试验方法
GB18401 国家纺织产品基本安全技术规范
FZ/T10005 棉及化纤纯纺、混纺印染布检验规则
FZ/T10010 棉及化纤纯纺、混纺印染布标志与包装
部分标准内容:
中华人民共和国纺织行业标准
FZ/T14001—2013
代替FZ/T14001—2005
棉印染帆布
Printed ordyed cotton canvas2013-10-17 发布
中华人民共和国工业和信息化部发布
2014-03-01实施
本标准按照GB/T1.12009给出的规则起草。本标准代替FZ/T14001—2005《棉印染帆布》。本标准与FZ/T14001一2005相比主要变化如下:更新了规范性引用文件。bzxz.net
统一服用、鞋用面料断裂强力值。增加撕破强力指标的考核。
提高了纬向密度偏差率的要求。统一服用、鞋用面料水洗尺寸变化率试验方法。提高了水洗尺寸变化率的要求
统一服用、鞋用面料耐皂洗色牢度试验方法。调整色牢度指标值。
取消正反面色差要求。
分等规定中取消三等品。
FZ/T14001—2013
调整外观质量局部性疵点评分方法,允许评分数由分每米改为分每平方米计算;除边疵外,其余采用0起点。
散布性疵点允许程度作了修改。本标准由中国纺织工业联合会提出。本标准由全国纺织品标准化技术委员会棉纺织印染分技术委员会(S本标准起草单位:福建众和股份有限公司、奉化市双盾纺织帆布实业有限公司、上海市纺织工业技术监督所、浙江汇丽印染整理有限公司、中国印染行业协会。本标准主要起草人:高炳生、张俊峰、胡长明、贺美娣、金泽、林琳、何建敏。本标准所代替标准的历次版本发布情况为:FZ/T14001—1992、FZ/T14001—2005;-FZ/T14002—1992。
棉印染帆布
FZ/T14001-2013
本标准规定了棉印染帆布的术语和定义、分类、要求、试验检验方法、检验规则及标志和包装。本标准适用于服装、鞋用棉漂白、染色和印花帆布。本标准不适用于磨毛及特殊整理类织物。2规范性引用文件
下列文件对于本文件的应用是必不可少的。凡是注日期的引用文件,仅注日期的版本适用于本文件。凡是不注日期的引用文件,其最新版本(包括所有的修改单)适用于本文件。GB/T
GB18401
术语和定义
消费品使用说明
第4部分:纺织品和服装
国家纺织产品基本安全技术规范棉印染帆布printed ordyed cottoncanvas以棉纤维为主要原料,经纬纱均采用多股线织制经印染整理的机织物。FZ/T14001—2013
streakiness
沿经向延伸或断续散布,色泽有深有浅,两边又无明显界限的疵点。4分类
根据用户需要及棉本色帆布的分类标准结合印染工艺设计分别制定。5要求
5.1要求内容
棉印染帆布要求分内在质量和外观质量。内在质量包括:纬向密度偏差率、断裂强力、撕破强力、水洗尺寸变化率、色牢度及安全性能六项;外观质量包括:局部性疵点和散布性疵点两项。5.2分等规定
5.2.1产品的品等分为优等品、一等品、二等品,低于二等品的为等外品。5.2.2棉印染帆布的评等,内在质量按批评等,外观质量按匹(段)评等,以内在质量和外观质量中最低一项品等作为该匹(段)布的品等。5.2.3在同一匹(段)布内,局部性疵点采用有限度的每平方米允许评分的办法评定等级;散布性疵点按严重一项评等。
5.3内在质量
内在质量评等规定
内在质量评等规定见表1。
表1内在质量评等规定
考核项目
纬向密度偏差率/%
<240g/m2
断裂强力/N
撕破强力/N
240g/m2~340g/m2
>340 g/m2
<240g/m2
240g/m2~340g/m2
>340 g/m2
水洗尺寸变化率/%
经、纬向
优等品
一等品
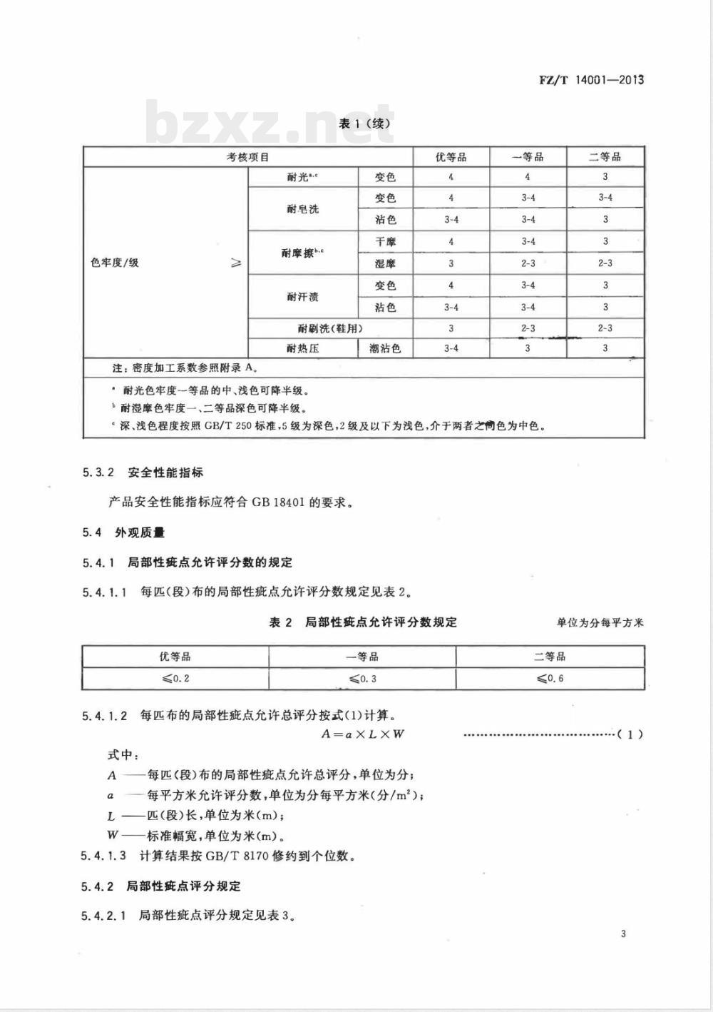
二等品
-3.0~+1.0-4.0~+1.5-5.0~+1.5色牢度/级
考核项目
注:密度加工系数参照附录A。
耐皂洗
耐摩擦b
耐汗渍
表1(续)
耐刷洗(鞋用)
耐热压
·耐光色牢度一等品的中、浅色可降半级。,耐湿摩色牢度一、二等品深色可降半级。潮沾色
优等品
FZ/T14001—2013
一等品
·深、浅色程度按照GB/T250标准,5级为深色,2级及以下为浅色,介于两者之间色为中色。5.3.2
安全性能指标
产品安全性能指标应符合GB18401的要求。5.4外观质量
5.4.1局部性疵点允许评分数的规定每匹(段)布的局部性疵点允许评分数规定见表2。5.4.1.1
表2局部性疵点允许评分数规定
优等品
一等品
每匹布的局部性疵点允许总评分按式(1)计算。A=aXL×W
式中:
每匹(段)布的局部性疵点允许总评分,单位为分;每平方米允许评分数,单位为分每平方米(分/m);匹(段)长,单位为米(m);
标准幅宽,单位为米(m)。
计算结果按GB/T8170修约到个位数。局部性疵点评分规定
局部性疵点评分规定见表3。
二等品
单位为分每平方米
二等品
FZ/T14001—2013
疵点长度
症点在8.0cm及以下时
表3局部性疵点评分规定
疵点在8.0cm以上至16.0cm及以下时疵点在16.0cm以上至24.0cm及以下时症点在24.0cm以上时
5.4.2.21m评分不得超过4分。
5.4.2.3距边2.0cm以上的所有破损性疵点(断纱3根及以上、或者经纬各断1根且明显的、0.3cm以上的跳花)不论大小,均评4分;距边2.0c局部性疵点评分说明
5.4.3.1疵点长度按经向或纬向的最大长度量计。5.4.3.2除破损外,距边1.0cm及以内的其他疵点不评分。5.4.3.3评定布面疵点时,均以布匹正面为准,反面有通匹、散布性的严重疵点时须降一个等级。5.4.3.4印花布的布面疵点应根据对总体效果的影响程度评定。5.4.4
散布性疵点允许程度的规定
散布性疵点允许程度规定见表4。表4散布性疵点的允许程度
疵点名称和类别
幅宽偏差/cm
色差/级
歪斜/%
幅宽140cm及以下
幅宽140cm以上
漂、色布
左中右
同类布样
参考样
同类布样
参考样
漂、色布
花斜、纬斜
花纹不符、染色不匀
棉结杂质、深浅细点
注:歪斜以花斜或纬斜中严重的一项考核。优等品不允许症点
优等品不允许有下列疵点:
优等品
-1.0~+2.0
不影响外观
不影响外观
不影响外观
一等品
—1.5~+2.5
不影响外观
不影响外观
不影响外观
二等品
2.0~+3.0
影响外观
影响外观
影响外观
单独一处评4分的局部性疵点;
破损性疵点。
5.4.6一等品不允许疵点
一等品不允许有破损性疵点。
5.5假开剪和拼件的规定
5.5.1在优等品中不允许假开剪。FZ/T140012013
5.5.2凡用户充许假开剪或拼件的,可实行假开剪和拼件,最低拼件长度不低于10m;假开剪的疵点应是评为4分的疵点或评为3分的严重疵点,假开剪后各段布都应是一等品。5.5.3距布端5m以内及长度在30m以下不允许假开剪。长度超过30m可作1处假开剪,每增加30m可增加1处假开剪,依次类推。各假开剪之间间距不得小于10m。每个假开剪均应加放0.25m长度作为假开剪疵点的补偿(若疵点长度超过0.25m的按实际长度加放)。作为假开剪疵点的评分不记人该匹(段)布的局部性疵点的总评分。5.5.4假开剪和拼件率合计不允许超过20%,其中拼件率不得超过10%。另有要求按双方协议执行。5.5.5假开剪布应做明显标记,附假开剪段长记录单。6试验检验方法
6.1试验方法
幅宽检验方法按GB/T4666执行。6.1.1
6.1.2密度检验方法按GB/T4668执行,纬向密度偏差率按式(2)计算。De=D×100%
式中:
纬向密度偏差率,%;
棉印染帆布标准纬纱密度,单位为根每十厘米(根/10cm);棉印染帆布实测纬纱密度,单位为根每十厘米(根/10c6.1.3
断裂强力试验方法按GB/T3923.1执行。6.1.4
撕破强力试验方法按GB/T3917.1执行。(2)
水洗尺寸变化率试验方法按GB/T8628、GB/T8629一2001采用洗涤程序5A,干燥采用程序6.1.5
F和GB/T8630执行。
6.1.6耐光色牢度试验方法按GB/T8427—2008中方法3执行。6.1.7
耐皂洗色牢度试验方法按GB/T3921一2008中采用C(3)单纤维贴衬执行。耐摩擦色牢度试验方法按GB/T3920执行。6.1.8
耐汗渍色牢度试验方法按GB/T3922—1995单纤维贴衬执行。耐刷洗色牢度:按GB/T420一2009执行,刷洗50次,温度(27士3)℃执行。耐热压色牢度试验方法按GB/T6152—1997中使用潮压法,温度(150土2)℃执行。产品安全性能指标按GB18401的要求执行。变色、色差按GB/T250,沾色按GB/T251评定。歪斜(花斜、纬斜)按GB/T14801执行。5
FZ/T14001—2013
外观质量检验条件和方法
6.2.1采用灯光检验时,以40W加罩青光日光灯管3~4支,照度不低于7501x,光源与布面距离为1.0 m~1.2 m。
6.2.2布段的评等检验,按验布机上做出的疵点标记,评分评等。验布机上验布的角度为45,布行速度最高为40m/
6.2.3布段的复验、验收应平摊在验布台上,按纬向逐幅展开检验,检验人员的视线应正视布面,眼睛与布面的距离为55.0cm
6.2.4规定检验织物的正面(盖梢印的一面为反面)。若无协议特殊规定,一般斜纹织物中纱织物以左斜“R”为正面;线织物以右斜“刁”为正面。7
检验规则
检验规则按FZ/T
标志与包装
标志与包装按FZ/T
特殊品种及用户对产品有特殊要求的,由供需双方另订协议。A.1幅宽、密度的加工系数
附录A
(资料性附录)
棉印染帆布加工系数
FZ/T14001—2013
根据棉本色帆布的分类、结合印染工艺设计,按规定的加工系数计算。加工系数见表A.1。表A.1加工系数
漂白或经漂白染色
A.2计算方法
标准幅宽按式(A.1)计算。
式中:
幅宽加工系数(b)
棉印染帆布标准幅宽,单位为米(m);W,棉本色帆布标准幅宽,单位为米(m);6
服装用(鞋用)幅宽加工系数。标准纬纱密度按式(A.2)计算。
D=D, ×c
式中:
棉印染帆布标准纬纱密度,单位为根每十厘米(根/10cm);-棉本色帆布标准纬纱密度,单位为根每十厘米(根/10cm);服用(鞋用)棉印染帆布标准纬纱密度加工系数。纬纱密度加工系数(c)
FZ/T14001-2013
中华人民共和国纺织
行业标准
棉印染帆布
FZ/T14001—2013
中国标准出版社出版发行
北京市朝阳区和平里西街甲2号(100013)北京市西城区三里河北街16号(100045)网址www.spc.net.cn
总编室:(010)64275323发行中心:(010)51780235读者服务部:(010)68523946
中国标准出版社秦皇岛印刷厂印刷各地新华书店经销
开本880×12301/16
2013年12月第一版
印张0.75字数16千字
2013年12月第一次印刷
书号:155066·2-26277
如有印装差错
由本社发行中心调换
版权专有侵权必究
举报电话:(010)68510107
小提示:此标准内容仅展示完整标准里的部分截取内容,若需要完整标准请到上方自行免费下载完整标准文档。
标准图片预览:





- 其它标准
- 热门标准
- 其他行业标准
- FZ/T54089-2016 有色锦纶6弹力丝
- FZ/T54087-2016 粘合活化型涤纶工业长丝
- FZ/T54088-2016 锦纶6全牵伸单丝
- YS/T433-2016 银精矿
- FZ/T54082-2015 锦纶6膨体长丝(BCF)
- FZ/T62036-2017 乳胶枕、垫
- QB/T4698-2014 家用和类似用途软水机
- QB/T4207-2011 一字槽螺钉旋具头
- FZ/T61002-2019 化纤仿毛毛毯
- JB/T4212.6-2014 内六角圆柱头螺钉冷镦模 第6部分:凹模
- NB/T31048.1-2014 风力发电机用绕组线 第1部分 一般规定
- T/CMAJY047-2021 加油机在线监督管理规范
- FZ/T73022-2019 针织保暖内衣
- QB/T1999-1994 密胺塑料餐具
- FZ/T52039-2014 再生聚苯硫醚短纤维
- 行业新闻
网站备案号:湘ICP备2025141790号-2