- 您的位置:
- 标准下载网 >>
- 标准分类 >>
- 国家标准(GB) >>
- GB 18406.3-2001 农产品安全质量 无公害畜禽肉安全要求
标准号:
GB 18406.3-2001
标准名称:
农产品安全质量 无公害畜禽肉安全要求
标准类别:
国家标准(GB)
英文名称:
Safety quality of agricultural products Safety requirements for pollution-free livestock and poultry meat标准状态:
现行-
发布日期:
2001-08-06 -
实施日期:
2001-10-01 出版语种:
简体中文下载格式:
.rar.pdf下载大小:
157.31 KB
点击下载
标准简介:
标准下载解压密码:www.bzxz.net
GB 18406的本部分规定了无公害畜禽肉产品的定义、要求、试验方法、检验规则及标志、标签、包装、运输和贮存。本部分适用于在我国境内生产、销售的健康的畜禽肉产品。 GB 18406.3-2001 农产品安全质量 无公害畜禽肉安全要求 GB18406.3-2001
部分标准内容:
ICS 67.120.02
中华人民共和国国家标准
GB 18406. 3—2001
农产品安全质量
无公害畜禽肉安全要求
Safety qualification for agricultural product-Safety requirements for non-environmental pollutionmeat and other animal products2001-08-06发布
中华人民共和国
国家质量监督检验检疫总局
2001-10-01实施
GB 18406. 3--2001bzxZ.net
GB18406—2001《农产品安全质量》分为以下四个部分:-GB18406.1—2001
GB 18406. 2—-2001
农产品安全质量
农产品安全质量
-GB18406.3—2001农产品安全质量无公害蔬菜安全要求,
无公害水果安全要求;
无公害畜禽肉安全要求;
—GB18406.4—2001农产品安全质量无公害水产品安全要求。本部分的制定,是为了加强农产品安全质量管理,保障人民身体健康,维护生产者、经营者和消费者的合法权益,促进无公害农产品产业的发展,规范无公害农产品市场。本部分由中华人民共和国国家质量监督检验检疫总局提出。本部分起草单位:国家农业标准化与监测中心(安徽)、安徽省质量技术监督局、上海市质量技术监督局、浙江省质量技术监督局。本部分主要起草人:渠升泉、王先宏、刘铁兵、赵杰、徐长兴、胡燕俐。58
标准搜慢网
各义标准行业资科免费下率
1范围
农产品安全质量
无公害畜禽肉安全要求
GB18406.3—2001
GB18406的本部分规定了无公害畜禽肉产品的定义、要求、试验方法、检验规则及标志、标签、包装、运输和贮存。
本部分适用于在我国境内生产、销售的健康的畜禽肉产品。2规范性引用文件
下列文件中的条款通过GB18406的本部分的引用而成为本部分的条款。凡是注日期的引用文件,其随后所有的修改单(不包括勘误的内容)或修订版均不适用于本部分,然而,鼓励根据本部分达成协议的各方研究是否可使用这些文件的最新版本。凡是不注日期的引用文件,其最新版本适用于本部分。GB4789.2食品卫生微生物学检验菌落总数测定GB4789.3食品卫生微生物学检验大肠菌群测定GB4789.4食品卫生微生物学检验沙门氏菌检验GB4789.6食品卫生微生物学检验致泻大肠埃希氏菌检验GB/T5009.11食品中总的测定方法GB/T 5009.12
食品中铅的测定方法
GB/T 5009.13
食品中铜的测定方法
GB/T 5009.15
5食品中镉的测定方法
GB/T 5009.17
食品中总汞的测定方法
3食品中氟的测定方法
GB/T 5009.18
GB/T5009.19食品中六六六、滴滴涕残留量的测定方法GB/T5009.20一1996食品中有机磷农药残留量的测定方法GB/T5009.33食品中亚硝酸盐与硝酸盐的测定方法GB9687食品包装用聚乙烯成型品卫生标准GB9693食品包装用桑丙烯树脂卫生标准GB11680食品包装用原纸卫生标准GB/T 14931.1
畜禽肉中土霉素、四环素、金素残留量测定方法(高效液相色谱法)GB/T14931.2畜禽肉中已烯雌酚的测定方法GB/T14962食品中铬的测定方法
GB16869鲜、冻禽产品
SN/T0124
出口肉中蝇毒磷残留量检验方法SN/T 0125
SN/T 0197
SN/T 0208
SN/T 0347
出口肉中敌百虫残留量检验方法出口肉中喹乙醇残留量检验方法出口肉中十种磺胺残留量检验方法出口肉中氯霉素残留量检验方法59
标准搜变网
各义标准行业资科免费下载
GB18406.3--2001
SN/T0539出口肉中青篝素残留量检验方法SN/T0670出口肉中泰乐菌素残留量检验方法农业部兽药及其它化学物质在动物可食性组织中残留检测方法3术语和定义
下列术语和定义适用于GB18406的本部分。3.1
无公害畜禽肉产品
在符合无公害畜禽肉产地环境评价要求的条件下生产的,其有毒有害物质含量在国家法律、法规及有关强制标准规定的安全允许范围内,并符合GB18406的本部分的畜禽肉产品,包括鲜(冻)畜禽肉产品3.2
有毒有害物质限量
畜禽肉产品中重金属、亚硝酸盐、农药畜药(包括其代谢产物)允许存在的最高量。4要求
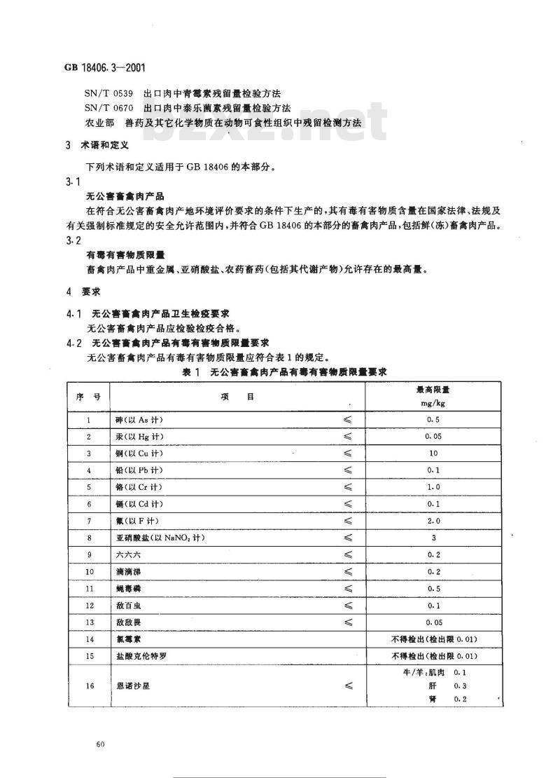
4.1无公害育禽肉产品卫生检疫要求无公害畜禽肉产品应检验检疫合格。4. 2无公害畜禽肉产品有毒有害物质限量要求无公害畜禽肉产品有毒有害物质限量应符合表1的规定。表1无公害裔禽肉产品有毒有害物质限量要求序
碑(以As计)
汞(以Hg计)
铜(以Cu计)
铅(以Pb计)
铬(以Cr计)
镉(以 Cd计)
氟(以F计)
亚硝酸盐(以NaNO,计)
六六六
滴滴涕
蝇毒磷
敌百虫
敌敌畏
氯霉素
盐酸克伦特罗
恩诺沙星
示准播贵区
最高限量
不得检出(检出限0.01)
不得检出(检出限0.01)
牛/羊:肌肉0.1
庆大霉素
土霉素
四环素
青霉素
链霉素
泰乐菌素
氯羟吡啶
喹乙醇
磺胺类
己烯雌酚
4.3微生物指标要求
微生物指标要求应符合表2的规定。目
表1(续)
表 2微生物指标要求
鲜畜禽肉产品
菌落总数,cfu/g
大肠菌群,MPN/100g
沙门氏菌
致泻大肠埃希氏菌
注博提区
1×108
1×104
各冰标注行业资来免费下点
不得检出
不得检出
GB 18406. 3--2001
最高限量
牛/猪:肌肉0.1
脂肪0.1
畜禽可食性组织:肌肉
蓄禽可食性组织:肌肉
牛/羊/猪:肌肉
牛/羊/猪/盒:肌肉
牛/猪/禽:肌肉
牛/羊,肌肉 0.2
猪(可食性组织)0.2
食:肌肉 5
猪,肌肉0.004
畜食可食性组织:0. 1
不得检出(检出限 0. 05)
冻畜盒肉产品
1×109
GB 18406. 3-2001
4.4无公害畜禽肉产品包装要求
4.4.1无公害畜禽肉产品包装用原纸应符合GB11680的规定。4.4.2无公害畜禽肉产品包装用聚乙烯成型品应符合GB9687的规定。4.4.3无公害畜禽肉产品包装用聚丙烯树脂中正已烷提取物应符合GB9693的规定。5试验方法
5.1砷的测定按GB/T5009.11执行。5.2汞检测定按GB/T5009.17执行。5.34
铜的测定#
按GB/T5009.13执行。
铅的测定
按GB/T5009.12执行。
5.5铬的测定
按GB/T14962执行。
镉的测定
按GB/T5009.15执行。
氟的测定按GB/T5009.18执行。
5.8亚硝酸盐的测定按GB/T5009.33执行。5.9六六六、滴滴递的测定按GB/T5009.19执行。蝇毒磷的测定按SN/T 0124执行。5.10
敌百虫的测定按SN/T0125执行。5.11
.5.12敌敌畏的测定按GB/T5009.20—1996中第三篇规定的方法执行。5.13氯霉素的测定按SN/T0539执行。5.14盐酸克伦特罗的测定按GB16869规定的方法执行。5.15恩诺沙星、庆大霉素、链霉素、氯羟吡啶的测定按《兽药及其它化学物质在动物可食性组织中残留检测方法》执行。
5.16土霉素、四环素的测定按GB/T 14931.1执行。5.17青霉素的测定按SN/T0347执行。5.18泰乐菌素的测定按SN/T0670执行。5.19喹乙醇的测定按SN/T0197执行。磺胺类的测定按SN/T0208执行。5.20
已烯雌酚的测定按GB/T14931.2执行。5.21
菌落总数的检测按GB/T4789.2执行。5.22
3大肠菌群的检测按GB/T4789.3执行。5.23
沙门氏菌的检测按GB/T4789.4执行。5.24
致泻大肠埃希氏菌的检测按GB/T4789.6执行。6检验规则
6.1组批
以同一产地、同一品种、同一工艺流程的产品为一批次。500kg以下抽取5件,501~2000kg抽取10件,2001以上抽取15件。
6.2抽样方法
每一批次采取随机多点抽样,混匀后分成两份,一份检验,一份留样备检,抽样量为2kg。6.3判定
检验结果符合GB18406的本部分要求的,则判定该批产品为合格品。检验结果中任项不符合本部分要求的,则判定该批产品为不合格品。62
下减造罗网
瓷科免费下载
7包装、标志、标签、贮存、运输7.1包装
GB18406.3—2001
无公害畜禽肉产品的包装应采用无污染、易降解的包装材料,包装必须符合本标准规定的要求。7.2标志
获得批准使用无公害农产品标志的畜禽肉产品,允许在其产品或包装上加贴无公害农产品标志。7.3标签
获得批准使用无公害标志的畜禽肉产品的标签,应标明产品名称、产地、生产日期、生产单位或经销单位。
7.4贮存
无公害畜禽肉产品的贮存场所应清洁卫生,不得与有毒有害物品混存混放。产品贮存应符合各类产品的贮存要求。
7.5运输
无公害畜禽肉产品的运输必须采用无污染的交通工具,不得与其他有毒有害物品混装混运。产品在运输中应符合各类产品的贮存要求。63
正批要
水标批行资来料受费
小提示:此标准内容仅展示完整标准里的部分截取内容,若需要完整标准请到上方自行免费下载完整标准文档。
中华人民共和国国家标准
GB 18406. 3—2001
农产品安全质量
无公害畜禽肉安全要求
Safety qualification for agricultural product-Safety requirements for non-environmental pollutionmeat and other animal products2001-08-06发布
中华人民共和国
国家质量监督检验检疫总局
2001-10-01实施
GB 18406. 3--2001bzxZ.net
GB18406—2001《农产品安全质量》分为以下四个部分:-GB18406.1—2001
GB 18406. 2—-2001
农产品安全质量
农产品安全质量
-GB18406.3—2001农产品安全质量无公害蔬菜安全要求,
无公害水果安全要求;
无公害畜禽肉安全要求;
—GB18406.4—2001农产品安全质量无公害水产品安全要求。本部分的制定,是为了加强农产品安全质量管理,保障人民身体健康,维护生产者、经营者和消费者的合法权益,促进无公害农产品产业的发展,规范无公害农产品市场。本部分由中华人民共和国国家质量监督检验检疫总局提出。本部分起草单位:国家农业标准化与监测中心(安徽)、安徽省质量技术监督局、上海市质量技术监督局、浙江省质量技术监督局。本部分主要起草人:渠升泉、王先宏、刘铁兵、赵杰、徐长兴、胡燕俐。58
标准搜慢网
各义标准行业资科免费下率
1范围
农产品安全质量
无公害畜禽肉安全要求
GB18406.3—2001
GB18406的本部分规定了无公害畜禽肉产品的定义、要求、试验方法、检验规则及标志、标签、包装、运输和贮存。
本部分适用于在我国境内生产、销售的健康的畜禽肉产品。2规范性引用文件
下列文件中的条款通过GB18406的本部分的引用而成为本部分的条款。凡是注日期的引用文件,其随后所有的修改单(不包括勘误的内容)或修订版均不适用于本部分,然而,鼓励根据本部分达成协议的各方研究是否可使用这些文件的最新版本。凡是不注日期的引用文件,其最新版本适用于本部分。GB4789.2食品卫生微生物学检验菌落总数测定GB4789.3食品卫生微生物学检验大肠菌群测定GB4789.4食品卫生微生物学检验沙门氏菌检验GB4789.6食品卫生微生物学检验致泻大肠埃希氏菌检验GB/T5009.11食品中总的测定方法GB/T 5009.12
食品中铅的测定方法
GB/T 5009.13
食品中铜的测定方法
GB/T 5009.15
5食品中镉的测定方法
GB/T 5009.17
食品中总汞的测定方法
3食品中氟的测定方法
GB/T 5009.18
GB/T5009.19食品中六六六、滴滴涕残留量的测定方法GB/T5009.20一1996食品中有机磷农药残留量的测定方法GB/T5009.33食品中亚硝酸盐与硝酸盐的测定方法GB9687食品包装用聚乙烯成型品卫生标准GB9693食品包装用桑丙烯树脂卫生标准GB11680食品包装用原纸卫生标准GB/T 14931.1
畜禽肉中土霉素、四环素、金素残留量测定方法(高效液相色谱法)GB/T14931.2畜禽肉中已烯雌酚的测定方法GB/T14962食品中铬的测定方法
GB16869鲜、冻禽产品
SN/T0124
出口肉中蝇毒磷残留量检验方法SN/T 0125
SN/T 0197
SN/T 0208
SN/T 0347
出口肉中敌百虫残留量检验方法出口肉中喹乙醇残留量检验方法出口肉中十种磺胺残留量检验方法出口肉中氯霉素残留量检验方法59
标准搜变网
各义标准行业资科免费下载
GB18406.3--2001
SN/T0539出口肉中青篝素残留量检验方法SN/T0670出口肉中泰乐菌素残留量检验方法农业部兽药及其它化学物质在动物可食性组织中残留检测方法3术语和定义
下列术语和定义适用于GB18406的本部分。3.1
无公害畜禽肉产品
在符合无公害畜禽肉产地环境评价要求的条件下生产的,其有毒有害物质含量在国家法律、法规及有关强制标准规定的安全允许范围内,并符合GB18406的本部分的畜禽肉产品,包括鲜(冻)畜禽肉产品3.2
有毒有害物质限量
畜禽肉产品中重金属、亚硝酸盐、农药畜药(包括其代谢产物)允许存在的最高量。4要求
4.1无公害育禽肉产品卫生检疫要求无公害畜禽肉产品应检验检疫合格。4. 2无公害畜禽肉产品有毒有害物质限量要求无公害畜禽肉产品有毒有害物质限量应符合表1的规定。表1无公害裔禽肉产品有毒有害物质限量要求序
碑(以As计)
汞(以Hg计)
铜(以Cu计)
铅(以Pb计)
铬(以Cr计)
镉(以 Cd计)
氟(以F计)
亚硝酸盐(以NaNO,计)
六六六
滴滴涕
蝇毒磷
敌百虫
敌敌畏
氯霉素
盐酸克伦特罗
恩诺沙星
示准播贵区
最高限量
不得检出(检出限0.01)
不得检出(检出限0.01)
牛/羊:肌肉0.1
庆大霉素
土霉素
四环素
青霉素
链霉素
泰乐菌素
氯羟吡啶
喹乙醇
磺胺类
己烯雌酚
4.3微生物指标要求
微生物指标要求应符合表2的规定。目
表1(续)
表 2微生物指标要求
鲜畜禽肉产品
菌落总数,cfu/g
大肠菌群,MPN/100g
沙门氏菌
致泻大肠埃希氏菌
注博提区
1×108
1×104
各冰标注行业资来免费下点
不得检出
不得检出
GB 18406. 3--2001
最高限量
牛/猪:肌肉0.1
脂肪0.1
畜禽可食性组织:肌肉
蓄禽可食性组织:肌肉
牛/羊/猪:肌肉
牛/羊/猪/盒:肌肉
牛/猪/禽:肌肉
牛/羊,肌肉 0.2
猪(可食性组织)0.2
食:肌肉 5
猪,肌肉0.004
畜食可食性组织:0. 1
不得检出(检出限 0. 05)
冻畜盒肉产品
1×109
GB 18406. 3-2001
4.4无公害畜禽肉产品包装要求
4.4.1无公害畜禽肉产品包装用原纸应符合GB11680的规定。4.4.2无公害畜禽肉产品包装用聚乙烯成型品应符合GB9687的规定。4.4.3无公害畜禽肉产品包装用聚丙烯树脂中正已烷提取物应符合GB9693的规定。5试验方法
5.1砷的测定按GB/T5009.11执行。5.2汞检测定按GB/T5009.17执行。5.34
铜的测定#
按GB/T5009.13执行。
铅的测定
按GB/T5009.12执行。
5.5铬的测定
按GB/T14962执行。
镉的测定
按GB/T5009.15执行。
氟的测定按GB/T5009.18执行。
5.8亚硝酸盐的测定按GB/T5009.33执行。5.9六六六、滴滴递的测定按GB/T5009.19执行。蝇毒磷的测定按SN/T 0124执行。5.10
敌百虫的测定按SN/T0125执行。5.11
.5.12敌敌畏的测定按GB/T5009.20—1996中第三篇规定的方法执行。5.13氯霉素的测定按SN/T0539执行。5.14盐酸克伦特罗的测定按GB16869规定的方法执行。5.15恩诺沙星、庆大霉素、链霉素、氯羟吡啶的测定按《兽药及其它化学物质在动物可食性组织中残留检测方法》执行。
5.16土霉素、四环素的测定按GB/T 14931.1执行。5.17青霉素的测定按SN/T0347执行。5.18泰乐菌素的测定按SN/T0670执行。5.19喹乙醇的测定按SN/T0197执行。磺胺类的测定按SN/T0208执行。5.20
已烯雌酚的测定按GB/T14931.2执行。5.21
菌落总数的检测按GB/T4789.2执行。5.22
3大肠菌群的检测按GB/T4789.3执行。5.23
沙门氏菌的检测按GB/T4789.4执行。5.24
致泻大肠埃希氏菌的检测按GB/T4789.6执行。6检验规则
6.1组批
以同一产地、同一品种、同一工艺流程的产品为一批次。500kg以下抽取5件,501~2000kg抽取10件,2001以上抽取15件。
6.2抽样方法
每一批次采取随机多点抽样,混匀后分成两份,一份检验,一份留样备检,抽样量为2kg。6.3判定
检验结果符合GB18406的本部分要求的,则判定该批产品为合格品。检验结果中任项不符合本部分要求的,则判定该批产品为不合格品。62
下减造罗网
瓷科免费下载
7包装、标志、标签、贮存、运输7.1包装
GB18406.3—2001
无公害畜禽肉产品的包装应采用无污染、易降解的包装材料,包装必须符合本标准规定的要求。7.2标志
获得批准使用无公害农产品标志的畜禽肉产品,允许在其产品或包装上加贴无公害农产品标志。7.3标签
获得批准使用无公害标志的畜禽肉产品的标签,应标明产品名称、产地、生产日期、生产单位或经销单位。
7.4贮存
无公害畜禽肉产品的贮存场所应清洁卫生,不得与有毒有害物品混存混放。产品贮存应符合各类产品的贮存要求。
7.5运输
无公害畜禽肉产品的运输必须采用无污染的交通工具,不得与其他有毒有害物品混装混运。产品在运输中应符合各类产品的贮存要求。63
正批要
水标批行资来料受费
小提示:此标准内容仅展示完整标准里的部分截取内容,若需要完整标准请到上方自行免费下载完整标准文档。
标准图片预览:





- 热门标准
- 国家标准(GB)
- GB/T2828.1-2012 计数抽样检验程序 第1部分:按接收质量限(AQL)检索的逐批检验抽样计划
- GB/T3836.1-2021 爆炸性环境 第1部分:设备 通用要求
- GB/T18204.4-2000 公共场所毛巾、床上卧具微生物检验方法细菌总数测定
- GB/T23892.3-2009 滑动轴承 稳态条件下流体动压可倾瓦块止推轴承 第3部分:可倾瓦块止推轴承计算的许用值
- GB/T11839-1989 二氧化铀芯块中硼的测定 姜黄素萃取光度法
- GB/T6122.1-2002 圆角铣刀 第1部分:型式和尺寸
- GB/T7433-1987 对称电缆载波通信系统抗无线电广播和通信干扰的指标
- GB/T21238-2007 玻璃纤维增强塑料夹砂管
- GB50303-2015 建筑电气工程施工质量验收规范
- GB17945-2024 消防应急照明和疏散指示系统
- GB/T24974—2010 收费用手动栏杆
- GB/T9239-1988 刚性转子平衡品质 许用不平衡的确定
- GB/T15917.3-1995 金属镝及氧化镝化学分析方法 对氯苯基荧光酮--溴化十六烷基三甲基胺分光光度法测定钽量
- GB/T13985-1992 照相机操作力和强度
- GB/T6397-1986 金属拉伸试验试样
- 行业新闻
请牢记:“bzxz.net”即是“标准下载”四个汉字汉语拼音首字母与国际顶级域名“.net”的组合。 ©2025 标准下载网 www.bzxz.net 本站邮件:bzxznet@163.com
网站备案号:湘ICP备2025141790号-2
网站备案号:湘ICP备2025141790号-2