- 您的位置:
- 标准下载网 >>
- 标准分类 >>
- 国家标准(GB) >>
- GB 18417-2001 家用卫生杀虫用品 电热片蚊香
标准号:
GB 18417-2001
标准名称:
家用卫生杀虫用品 电热片蚊香
标准类别:
国家标准(GB)
英文名称:
Household insecticide products - electric heating sheet mosquito coils标准状态:
现行-
发布日期:
2001-08-02 -
实施日期:
2002-07-01 出版语种:
简体中文下载格式:
.rar.pdf下载大小:
446.93 KB
替代情况:
QB 1692.2-1993
点击下载
标准简介:
标准下载解压密码:www.bzxz.net
本标准规定了家用卫生杀虫用品电热片蚊香的定义、技术要求、试验方法、检验规则及标志、包装、运输、贮存、使用说明。本标准适用于由可吸性材料为载体,添加杀虫剂药液制成的作为驱(灭)蚊虫用的药片,与恒温电加热器配套使用,在额定的加热温度下,药剂以气体状态作用于蚊虫,起到驱(灭)蚊虫效果的产品。 GB 18417-2001 家用卫生杀虫用品 电热片蚊香 GB18417-2001
部分标准内容:
GB18417—2001
本标准的4.1、4.4、4.5.4.6技术要求为强制性的,其余为推荐性的。家用卫生杀虫用品电热片蚊香,是由可吸性材料作为载体,添加系虫剂药液制成的作为驱(灭)蚊虫用的药片,与恒温电加热器配套使用,在额定的加热温度下,药剂以气体状态作用于蚊虫,起到驱(灭)蚊虫效果的产品。本标准的制定是在原中华人民共和国轻工行业标准QB1692.21993《家用卫生杀虫用品电热片蚊香》的基础上,对其中各章节内容适当的修改、增补,使标准的表述更趋规范,内容更趋宪善。同时标准的附录A、附录B详细说明了有效成分测定方法,适用于气相色谱仪毛细柱与填充柱不同管柱的试验需要;电热片蚊香的室内药效测定方法附录C引用了GB 13917.5—1992《农药登记卫生用杀虫剂室内药效试验方法电热片蚊香的室内药效测定方法》,并结合实际情况重新规定了测试室内的度,
本标准自实施之日起,同时代替QB1692.2—1993。本标准的附录 A,附录B、附录 C 都是标准的附录。本标淮由中国轻工业联合会提出。本标推由全国日用杂品标准化中心归口,本标准起草单位:上海庄臣有限公司、广东中山概菊月用制品有限公司、广西柳州华力家庭品业股份有限公司
本标土要起草人:胡学墩、林炜、周继兰,杨籁梅。711
1范围
中华人民共和国国家标准
家用卫生杀虫用品
电热片蚊香:
Domestic sanitary insecticideElectrothermal mosquito tablet incenseGB 18417—2001
本标准规定了家用卫生杀出用品电热片蚊香的定义,技术要求、试验方法、检验规则及标志、包装、运输、贮存、使用说明。
本标准适用于由可吸性材料为载体,添加杀虫剂药液制成的作为驱(灭)蚊虫用的药片,与恒温电加热器配套使用,在额定的加热温度下,药剂以气体状态作用于蚊虫,起到驱(灭)蚊虫效果的产品。2引用标准
下列标准所包含的条文,通过在本标准中引用而构戒为本标准的条文。本标准出版时,所示版本均为有效。所有标准都会被修订,使用本标准的各方应探讨使用下列标准最新版本的可能性。GB/T 2828-1987
GB/T2829—1987
GB5296.1--1997
逐批检查计数抽样程序及抽样表(适用于连续批的检查)周期检查计数抽样程序及抽样表(适用于生产过程稳定性的检查)消费品便用说明总则
GB13917.5—1992
农药登记卫生用杀虫剂空内药效试验方法电热片蚊香的室内药效测定方法
3定义
本标准采用下列定义。
3.1击倒中时(KT50值)
在规定的条件下,50%的试虫被击倒(即仰倒)所需的时间。3.2药效
产品在规定的条件下及规定时间内,应达到驱(灭)蚊虫效果。3.3有效成分
具有生物杀虫活性的化学成分。3.4测试角
能使被测样品处于无外界气流作用的装置。4技术要求
4. 1用药要求
必须是经国家级政府有关部门登记或鉴定允许使用的药剂。4.2蚊香片外形尺寸应符合表1的规定,中华人民共和国国家质监督检验检疫总局2001-08-28批准702
-iiKAONiKAca-
2002- 07- 01 实施
4.3外观和感宫
4.3.1外观
GB 18417—200T
电热计蚊香应有指示色,色锋均勾,不得有衙变,4.3.2感育
无刺激性异味,
4.4有效成分含量
产品的有效成分含量必须在包装上明示,有效成分含量相对偏差为1心%。4. 5热贮稳定性
热贮稳定性试验后,菊酯类有效成分含量的降解率5%,其他类有效成分含量的降解率10为。4.6药效
圆筒法KT50≤5min或方箱法KT507min5试验方法
5.1用药要求
检在是否有用药的登记或鉴定证书5.2外形尺寸
用卡尺(精度0.02 mm)测量。
5.3外观和感官
用日测法和膜觉法,在正常光线下,距被测样品250mm处检查。5.4药剂
5. 4. 1有效成分含量
测定方法见附录A,附录B,其中附录A为仲裁法;对本标准有效成分分析方法不适用的产品,由生产厂家提供分析方法,
5.4.2热贮稳定性
将试验样品(带铝箔包装)放置在(54一2)丫的恒温箱内14天:取山后,再按有效成分含量方法测其降解率。
5.4.3降解率
降解率按式(1)进行计算:
4(%)=直二\益× 100
式中.降解率
m的一一热些前测出的样品有效成分含量;m府
5.5药效
热贮后测出的样品有效成分含量。测定方法见附录C,
6检验规则
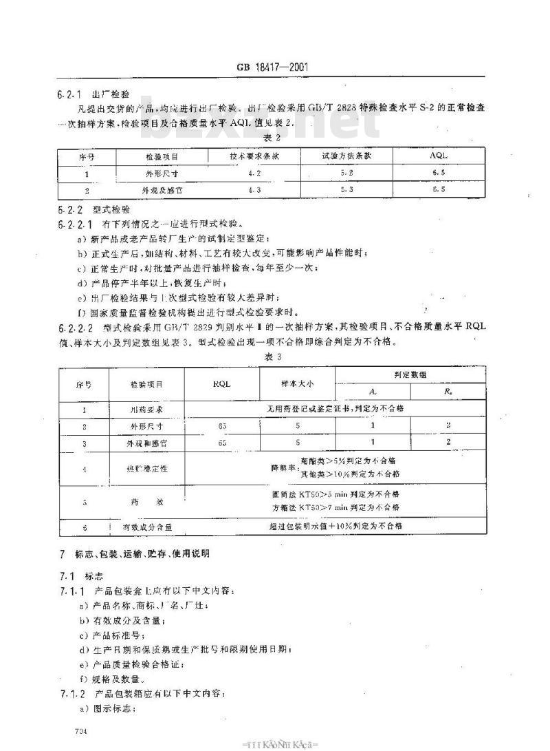
6.1产品须经生产厂质量检验部门按本标准检验合格后方能出,并附有使用说明和检验合格证,6.2检验分为出」检验和型式检验,703
6.2.1山厂检验
GB 18417—2001
凡提出交货的品,均应进行出厂检验,出厂检验来用GI3/T2828特殊检查水平S-2的正常检查-次抽样方案,检验项目及合格质量水平AQ1.值见表2。表2
6.2.2型式检验
检验项目
外形尺寸
外观及感官
技术要求条款
6.2.2.1有下列情况之.-应进行型式检验。a)新产品老产品转厂生产的试制定型鉴定:试验方法条款
h)正式生产后,如结构、材料、工艺有较大改变,可能影响产品性能时,c)正常生产时,对批量产品进行抽样捡查、每年至少一次;d)产品停产半年以上,嵌复生产时;e)出厂检验结果与1:次型式检验有较人差异时:1)国家质量监督检验机构提出进行型式检验要求时。AQL
6.2.2.2型式检验来用GR/T2829判别水平I的一次抽样方案,其检验项目、不合格质量水平RQL值、伴本大小及判定数组见表3。型式捡验出现一项不合格即综合判定为不合格。表3
检验项目
H药婆求
外形尺寸
外观和感它
热贮意定性
有效成分含量,
标志、包装、运输、贮存、使用说明7.1标志
7.1.1产品包装盒L应有以下中文内容:a)产品名称、商标、」名、厂址:b)有效成分及含量:
c)产品标准号;
样本大小
判定数组
无用药登记或整定证书,判定为不合格5
降解率
菊酯类>5%判定为不合格
其他类≥10%判定为不合格
匠简法KT505min判定为不合格
方箱法KT50>7 min判定为不合格超过包装明示值+10%判定为不合格d)生产且期和保质期或生产批令和限期使用日期,e)产品质量检验合格证:
f) 规格及数量
7.1.2产品包装箱应有以下中文内容:a)图示标志;
-riKAONiKAca-
b)品名规格:
e)数量;
d)毛量(kg),
GB18417—2001
e)生产日期和保质期生产批号和限期使用月期;f)生产厂厂名、厂址
g)外形尺寸:长x宽x高(cm)。7.2包装
应来用能防潮、避光、气密性良好的包装材料(如铝箔复合包装袋)密封包装。包装必须牢固、无被损、能防潮、防露。
7.3运输
产品搬运时要轻取轻放,防止剧烈震动、目辆、雨淋和重压。7.4贮存
产品应贮存在阴凉、于燥、通风的仓库内,不得和易燃、易爆品混放,产品在上述条件下,保质期不少于二年。
7.5使用说明
产品使用说明应符合GB5296.1的规定。705
A1鉴别试验
GB 18417—2001
附录A
(标推的附录)
电热片蚊香有效成分测定方法(一)本鉴别试验可与有效成分通用名含量的测定同时进行。在相同的色谱操作条件下,试样溶液基“色谱峰的保留时间与标样游液(有效成分通用名)的保留时间,其相对差值应在1%5%以内。A2方法提要
样品用邻苯二甲酸二丁酯或邻苯二甲酸二异辛酯作内标物,在内涂SE-54毛细管柱.上进行气相色谱分离利测定。
A2.1仪器
A2.1.1气相色谱仪:具有氢火焰离子化检测器。A2.1.2色谱托:$0.25mm×30m内涂$E54毛细管柱。A2.1.3微量注射器:10 μL,
A2. 1. 4称量瓶:15 ml 。
A2. 1. 5 磨塞试管:25 mL。
A2.1.6天平:分度值为0.1mg。
A2.2试剂
A2.2.1内标物:邻苯二甲酸一丁酯、邻苯二甲酸二异辛醇,不含十扰杂质(内标物适用范围:邻苯一甲酸二丁酯适用于没有氧化胡椒基丁醚即S,的样品,邻苯二甲酸二异卒酮适用于有氧化胡椒基门醚的样品),
A2.2.2溶剂:丙酮、甲醇(分析纯)。A2.2.3标准品:丙烯菊酯、丙炔菊酯等,A2.3气相色谱条件
A2.3.1温度
A2.3.1.1 柱温:220C或260℃。A2.3.1.2气化温度:250或 270℃。A2.3.1.3检测器温度:250℃或270'C。A2. 3.2气体流速(kg/m\)。
A2. 3. 2. 1 载气;氮气 1. 0 ,A2. 3. 2. 2 燃气:氢气 0. 6。A2.3.2.3助燃气空气0.5,
1述操作条件系典型操作参数,可根据不同仪器特点,对给定的操作条件作适当调整,以期获得最佳效果。
A3标准溶液的制备
于一支15mL称量瓶中推确称取标准样品和内标物(称样量见表A1),加人丙酮溶液5mL,充分溶解后,闭塞句,放入冰箱待用,706
-riKAONiKAca-
内标物
称样盛
邻苯甲酸丁酯
邻苯二甲酸二异辛酯
A4样品溶液的制备
A4.1样品的前处理
GB 18417—2001
称样量比例
标准样品:内标物-1.5~2.0:1
标准样品:内标物=1:1.2~1.5
取一片电热片蚊香成品用剪刀剪成条状后剥开,待用。A4.2电热片蚊香提取液的制备
称样母(精耐到(.1012 g)
标准样品0.03g-0.04K
内标物0.015g.C20g
标准样品 9. 02g~0. 03g
内标物 0. 03 g~0. 04 g
于 ·支 25 mJ. 磨口试管中推确称取邻苯二中酸二丁酯 0. 015 多~0. 020 g 或邻苯二甲酸二异卒酯0.03g~0.04g(以待测成分的量而定),将处理好的电热片蚊香放入试管中,加入甲醇丙酮混合溶液(体积比1:1)10mL,以淹没药片为宜,充分振荡,浸泡1h,分析前再剧烈振荡次,取上层清液待分析。
A5测定
在A2.3色谱条件下待仪器稳定后,连续用微量注射器注人标样溶液、样品溶液,计算各针色谱图中样品(标样)与内标峰面积比,待相邻两针的峰面积比值基本平行稳定.按上述条件进行气相色谱分析。
A6计算
将测得的两针样品游液中的样品峰与内标峰面积比及标样溶液中两针内标峰与标样峰面积比进行平均.按式(A1)和(A2)计算待测成分的含量Mx。校正因子:
特测成分的含量;
式中:A.
f=A2Xmiz/ms2 XC标
Mx=fX A,Xmsl
样品溶液中样品峰与内标峰面积比的平均值;A标样溶液中内标峰与标样峰面积比的平均值;m:样品溶液中内标物的质量,g:m2,标样溶液中内标物的质量限;证2—标样溶液中标准物质的质量·;C标-—-标准物质的含量,为。
附录B
(标准的附录)
电热片蚊香有效成分测定方法(二)B1鉴别试验
本鉴别试验可与有效或分通用名含量的测定间时进行,在相间的色谱操作条件下,试样溶液某一色707
GB 18417—2001
谱峰的保留时间与标样溶液(有效成分通用名)的保留时间,其和对差值应在1以~5乐以内。B2方法提要
样品用邻苯二甲酸二丁醋作内标物,在内涤5%SE-30填充柱.上进行气相色谱分离和测定。B2.1仪器
B2.1.1气档色谱仪:具有氢火焰离了化检测器。B2.1.2色谱性:3 1r1In×2 tm,玻璃柱或不锈钢柱内填充5%SE-30 涂布在 Chroms0rh AWDmcs 8们~100 目色谱担体上。
B2.1. 3微量注射器:i0 μL
B2.1.4 称量瓶:15 ml..
磨塞试管;25 mL.,
#2.1.6天平:分度值为0.1mg:
B2.2试剂
B2.2.1内标物:邻莱二甲酸二丁醛-不含-七扰杂质。B2.2.2淬剂:丙酮、中醇(分析纯)。B2.2、3标灌品:丙烯菊酯、丙炔菊酯等。B2.3气相色谱条件wwW.bzxz.Net
B2.3.1温度
B2.3. 1. 1柱温:180C
B2.3.1.2化度:250 C。
H2.3.1.3检测器温度:250C。
B2.3. 2 气体流速(kg/cim)。
B2.3. 2.1 载气:氮气 1.0.
B2.3.2.2燃气:氢气 0. 6
B2.3.2.3燃气.空0.6。
上述操作案件系典型操作参数,可根据不同仪器特点,对给定的操作条件作适当调整,以期获得最佳效果。
B3标准溶液的制备
丁一支15 ml.称量瓶中准确称取样品和内标物(称样量见表B1),加人丙酮溶液 5 mL充分溶解后,闭塞据匀,放入冰箱待用。表B1
内标物
称样量
邻萃甲酸二}酯
B4样品溶液的制备
B4. 1样品的前处理
称样最比衔
标准样品 :内标物=2~2.5: 1
瑕一片电热片骏香成品用剪刀剪成条状后剥开,待用。B4.2电热片蚊香提取液的制备
弥样量(糖确到 0. 000 2 g)
标准样品0.0300g~0.0450g
内标物 0. 015 0 ~0. 020 0 g
于一支 25 mL 磨I I试管中准确称取邻苯二中酸二丁酮 0. 015 g~0. 020 g(视待测成分的世而定),708
-rKAONrKAca-
GB 18417—2001
将处理好的电热片皱香放人试管中,加人甲醇-内酮混合游液(体积比]:1)1C mL、以流没药片为宜.充分振荡、浸泡h,分析前再剧烈振荡欲,取上层清液待分析。B5测定
在B2.3色谱条件下待仪器稳定后,连续用微量注射器注人标样溶液、样品溶液,计算各针色谱图中样品(标样)与内标峰面积比,待相邻两针的峰面积比值基本平行稳定,按上述条件进行气相色谱分析。
B6计算
将测得的两钉样品溶液中的样品峰与内标峰面积比及标样溶中两针内标峰与标样峰面积比逃行平均,按式(BI)利式(B2)计算待测成分的含量Mx。校止因子:
待测成分的含量:
武中:A,
f=AXmi/mXCt
M-JXA× m1
样品液中样品峰与内标峰面积比的平均值:标样溶液中内标峰与标样峰面积比的平均值:样品辫液中内标物的质望-&!
标样溶液中内标物的质量,只;-标样溶波中标准物质的质量·g:标准物质的含量、
附录C
(标准的附录)
电热片蚊香室内药效测定方法
C1 供试昆虫:采用标准试虫
蚊:羽化后第2天至第3天末吸血的滩成蚊,北方地区用谈色库蚊,南方地区致乏库蚊。C2测试系件
室温:(26=2)℃
相对滤度:(605)乐
C3仪器
C3. 1密闭圆简装置(图 C1):内径2C cn,髙 13 cIm 的玻璃或透明无色朔料圆简(C)架于本架(I) I:圆简上下各有-块直径27cm的玻璃或透明无色塑料圆板(E,F)上圆板中央有直径2crm的阅孔用胶塞(C)塞住。下圆板小央有直径5cm的圆孔,熏杀处理时电热蚊香血热器架于该圆孔下方,熏茶处理前后该阈孔用胺塞(H)塞住。圆简与上,下板柑接处分别用橡胶垫圈(DI,I),)垫着,以防药剂泄遍,C3.2玻璃箱装置(图C2):玻璃制方箱,渠于铝架上,长、宽、高均为70cm。在侧面的-下角有宽、高均为0Ⅱ的小门,此侧面的上方述有放出孔,可用胶塞塞紧,另有·侧而整个为一大门。箱底外表面涂一层均匀的自漆。测试时,整个装置用案封条密封。C3.3电热片蚊香加热器:工作电压229 V,工作温度(165主5)C。C3.4吸蚊管,
C3.5秒表。
C3. 6计数器。
C4测试步骤
黛蒸巾
GH 18417—2001
图 C1密闭厕简装置
熏蒸后
A一白热蚊香染片;B一电热蚊香器;C一玻璃或避明无色塑料网筒,高13cm,内径arm;D,一橡胶势圈;F一玻璃或透明无色塑料圆板,直径27cm,中央有直径2rm的圆孔:F坡璃或透明无色塑料板.直径 27 cm,中央有直径与 cm 的圆孔;G,H..橡胶塞; T--术架.高30cm]--12筛月缺丝网
图 C2 玻璃箱装置
L—玻璃制方箱,长、穿,高均为 70 cm1;C--小门,宽、高均为 10 cm;D大门,E--铝架:F一放虫孔.径 5 cM-用胶塞塞紧C4.1采用密闭圆简装督的药效测定步骤电热片蚊香样品应在通电预热 1 h.2 h、4 h.6 h,8 h(产品明示的药效超过8 h 也应按其明示的时间)后进行测试,
用吸蚊管从饲养笼内吸取试蚊20头,自密闭圆简装置下方圆板(F)的中央圆孔处效入,塞紧胶塞710
-rKAONrKAca-
GB18417—2001
(H):待试虫恢复正常活动时,在下方测板(F)的中央圆孔下方放置电热片蚊香加热器,并在其上方放置铁丝网:以防被击倒的试蚊掉落在电热片蚊香加热器上。电热片效香加热器须扣紧下方圆板(F)的中火圆孔,准确黑杀!min,同时计时。熏后切断电源,并移去电热片蚊香加热器和电热片蚊香样品,立即塞上胶塞(H),每隔一定时间记录被击倒的试蚊数。测试至少有三个币复,实际个少要做15次试验。每次试验结束后,必须清洗整个试验装置,然后再进行下--次试验,同时须迅行空白测试,空自测试的击倒率和死亡率如大于20,整个测试须重新进行。C4.2采用玻璃箱装置的药效测定步电热片蚊香样品应在通电预热1h.2h、4h、6h.8h(产品明示的药效超过8h也应按其明示的时间)进行测试
用吸孜管从饲养笼内吸取试蚊40头,自玻璃箱装置的放虫口放人。待试出恢复正带活动时,从玻璃箱装置一侧面的:-下角的小门将各个分别通电预热过的电热片蚁香样品和电热片蚊香加热器一起放人玻璃箱的中央,并在其!:方放置铁丝网,以防被击倒的试蚊掉落在电热片效香加热器上,立即密闭整个玻璃箱装置,用胶条封严,开始离杀,并计时,每隔一定时剂记录被击倒的试蚊数,测试至少有三个币复·实际至少要做「5次试验,每次试验结束后,必须清洗整个试装置,然后再进行下次试验,向对须逝行空白测试;空白测试的击倒率和死率如大」20※,个测试须重新进行,C5计算
将测试的三欲重复数据接机值法计算求出K150当方箱法与圆简法测试结果发生冲突时,以方箱法测试结果为准。711
GB 18417- -2001
GB184162001家用卫生杀虫用品盘式蚊香等4项国家标准第1号修改单
太修改单业经国家标准化管理委员会于2003年2月10日以国标委农轻函[2003]9号文批准,自发布之日起实施。
GB18417一2001家用卫生杀虫用品电热片救香》条款号
6.2.2.2表3
热贮稳定性
6,2.2.2表3
本标准的4.1、4.4.4.5、4.6技术要求为强制性的.其余为推荐性的。
.·,有效成份含量机对偏差为士10%。,菊酯类有效或分含量的降解率5%,其他类有效成分含鼠的降解率10%。
修改为
本标准的4.1、4.4、4.5.4.6.7.1.1、7.4?与为强制性的,其余为推荐性的,…,有效成份含鼠不得低于产品明示的含最,
,菊酯类有效成分含量的降解率
10%.其他类有效成分含量的降解率心15%。
圆简法KT50≤5min或方箱法KT50圆简法KT50≤8.0min或方箱法? min.
5. 4. 1 有效成分含量
5.4.2热贮稳定性
=.4.3降解率
5.5药效
:菊酯类>5%判定为不合格
片他类10%判定为不合格
阅筒法KT50>5min.
方籍法 KT 50 >7 min....
6.2.2.2表3!超过包装明示值=10岁有效成分含量
判定为不合格
(以待测成分的量而定),
.(视待测成分的望而定),
KT 50≤10 min
有效成分含量
将5.4.1有效成分含量\此标题去掉5.5热贴稳定性
5.5.1降解率的计算
5.5药效
菊酯类10为判定为不合格
其他类15%判定为不合格
圆筒法 KT 50~8.0 min**
方箱法 KT 3 ≥l0.0 min.
低于包装明示值判定为不合格
.,(精确至0.0002g,以待测成分的量而定),
,(精确至0.000 2g,视待测成分的量而定)
-riKAONiKAca-
小提示:此标准内容仅展示完整标准里的部分截取内容,若需要完整标准请到上方自行免费下载完整标准文档。
本标准的4.1、4.4、4.5.4.6技术要求为强制性的,其余为推荐性的。家用卫生杀虫用品电热片蚊香,是由可吸性材料作为载体,添加系虫剂药液制成的作为驱(灭)蚊虫用的药片,与恒温电加热器配套使用,在额定的加热温度下,药剂以气体状态作用于蚊虫,起到驱(灭)蚊虫效果的产品。本标准的制定是在原中华人民共和国轻工行业标准QB1692.21993《家用卫生杀虫用品电热片蚊香》的基础上,对其中各章节内容适当的修改、增补,使标准的表述更趋规范,内容更趋宪善。同时标准的附录A、附录B详细说明了有效成分测定方法,适用于气相色谱仪毛细柱与填充柱不同管柱的试验需要;电热片蚊香的室内药效测定方法附录C引用了GB 13917.5—1992《农药登记卫生用杀虫剂室内药效试验方法电热片蚊香的室内药效测定方法》,并结合实际情况重新规定了测试室内的度,
本标准自实施之日起,同时代替QB1692.2—1993。本标准的附录 A,附录B、附录 C 都是标准的附录。本标淮由中国轻工业联合会提出。本标推由全国日用杂品标准化中心归口,本标准起草单位:上海庄臣有限公司、广东中山概菊月用制品有限公司、广西柳州华力家庭品业股份有限公司
本标土要起草人:胡学墩、林炜、周继兰,杨籁梅。711
1范围
中华人民共和国国家标准
家用卫生杀虫用品
电热片蚊香:
Domestic sanitary insecticideElectrothermal mosquito tablet incenseGB 18417—2001
本标准规定了家用卫生杀出用品电热片蚊香的定义,技术要求、试验方法、检验规则及标志、包装、运输、贮存、使用说明。
本标准适用于由可吸性材料为载体,添加杀虫剂药液制成的作为驱(灭)蚊虫用的药片,与恒温电加热器配套使用,在额定的加热温度下,药剂以气体状态作用于蚊虫,起到驱(灭)蚊虫效果的产品。2引用标准
下列标准所包含的条文,通过在本标准中引用而构戒为本标准的条文。本标准出版时,所示版本均为有效。所有标准都会被修订,使用本标准的各方应探讨使用下列标准最新版本的可能性。GB/T 2828-1987
GB/T2829—1987
GB5296.1--1997
逐批检查计数抽样程序及抽样表(适用于连续批的检查)周期检查计数抽样程序及抽样表(适用于生产过程稳定性的检查)消费品便用说明总则
GB13917.5—1992
农药登记卫生用杀虫剂空内药效试验方法电热片蚊香的室内药效测定方法
3定义
本标准采用下列定义。
3.1击倒中时(KT50值)
在规定的条件下,50%的试虫被击倒(即仰倒)所需的时间。3.2药效
产品在规定的条件下及规定时间内,应达到驱(灭)蚊虫效果。3.3有效成分
具有生物杀虫活性的化学成分。3.4测试角
能使被测样品处于无外界气流作用的装置。4技术要求
4. 1用药要求
必须是经国家级政府有关部门登记或鉴定允许使用的药剂。4.2蚊香片外形尺寸应符合表1的规定,中华人民共和国国家质监督检验检疫总局2001-08-28批准702
-iiKAONiKAca-
2002- 07- 01 实施
4.3外观和感宫
4.3.1外观
GB 18417—200T
电热计蚊香应有指示色,色锋均勾,不得有衙变,4.3.2感育
无刺激性异味,
4.4有效成分含量
产品的有效成分含量必须在包装上明示,有效成分含量相对偏差为1心%。4. 5热贮稳定性
热贮稳定性试验后,菊酯类有效成分含量的降解率5%,其他类有效成分含量的降解率10为。4.6药效
圆筒法KT50≤5min或方箱法KT507min5试验方法
5.1用药要求
检在是否有用药的登记或鉴定证书5.2外形尺寸
用卡尺(精度0.02 mm)测量。
5.3外观和感官
用日测法和膜觉法,在正常光线下,距被测样品250mm处检查。5.4药剂
5. 4. 1有效成分含量
测定方法见附录A,附录B,其中附录A为仲裁法;对本标准有效成分分析方法不适用的产品,由生产厂家提供分析方法,
5.4.2热贮稳定性
将试验样品(带铝箔包装)放置在(54一2)丫的恒温箱内14天:取山后,再按有效成分含量方法测其降解率。
5.4.3降解率
降解率按式(1)进行计算:
4(%)=直二\益× 100
式中.降解率
m的一一热些前测出的样品有效成分含量;m府
5.5药效
热贮后测出的样品有效成分含量。测定方法见附录C,
6检验规则
6.1产品须经生产厂质量检验部门按本标准检验合格后方能出,并附有使用说明和检验合格证,6.2检验分为出」检验和型式检验,703
6.2.1山厂检验
GB 18417—2001
凡提出交货的品,均应进行出厂检验,出厂检验来用GI3/T2828特殊检查水平S-2的正常检查-次抽样方案,检验项目及合格质量水平AQ1.值见表2。表2
6.2.2型式检验
检验项目
外形尺寸
外观及感官
技术要求条款
6.2.2.1有下列情况之.-应进行型式检验。a)新产品老产品转厂生产的试制定型鉴定:试验方法条款
h)正式生产后,如结构、材料、工艺有较大改变,可能影响产品性能时,c)正常生产时,对批量产品进行抽样捡查、每年至少一次;d)产品停产半年以上,嵌复生产时;e)出厂检验结果与1:次型式检验有较人差异时:1)国家质量监督检验机构提出进行型式检验要求时。AQL
6.2.2.2型式检验来用GR/T2829判别水平I的一次抽样方案,其检验项目、不合格质量水平RQL值、伴本大小及判定数组见表3。型式捡验出现一项不合格即综合判定为不合格。表3
检验项目
H药婆求
外形尺寸
外观和感它
热贮意定性
有效成分含量,
标志、包装、运输、贮存、使用说明7.1标志
7.1.1产品包装盒L应有以下中文内容:a)产品名称、商标、」名、厂址:b)有效成分及含量:
c)产品标准号;
样本大小
判定数组
无用药登记或整定证书,判定为不合格5
降解率
菊酯类>5%判定为不合格
其他类≥10%判定为不合格
匠简法KT505min判定为不合格
方箱法KT50>7 min判定为不合格超过包装明示值+10%判定为不合格d)生产且期和保质期或生产批令和限期使用日期,e)产品质量检验合格证:
f) 规格及数量
7.1.2产品包装箱应有以下中文内容:a)图示标志;
-riKAONiKAca-
b)品名规格:
e)数量;
d)毛量(kg),
GB18417—2001
e)生产日期和保质期生产批号和限期使用月期;f)生产厂厂名、厂址
g)外形尺寸:长x宽x高(cm)。7.2包装
应来用能防潮、避光、气密性良好的包装材料(如铝箔复合包装袋)密封包装。包装必须牢固、无被损、能防潮、防露。
7.3运输
产品搬运时要轻取轻放,防止剧烈震动、目辆、雨淋和重压。7.4贮存
产品应贮存在阴凉、于燥、通风的仓库内,不得和易燃、易爆品混放,产品在上述条件下,保质期不少于二年。
7.5使用说明
产品使用说明应符合GB5296.1的规定。705
A1鉴别试验
GB 18417—2001
附录A
(标推的附录)
电热片蚊香有效成分测定方法(一)本鉴别试验可与有效成分通用名含量的测定同时进行。在相同的色谱操作条件下,试样溶液基“色谱峰的保留时间与标样游液(有效成分通用名)的保留时间,其相对差值应在1%5%以内。A2方法提要
样品用邻苯二甲酸二丁酯或邻苯二甲酸二异辛酯作内标物,在内涂SE-54毛细管柱.上进行气相色谱分离利测定。
A2.1仪器
A2.1.1气相色谱仪:具有氢火焰离子化检测器。A2.1.2色谱托:$0.25mm×30m内涂$E54毛细管柱。A2.1.3微量注射器:10 μL,
A2. 1. 4称量瓶:15 ml 。
A2. 1. 5 磨塞试管:25 mL。
A2.1.6天平:分度值为0.1mg。
A2.2试剂
A2.2.1内标物:邻苯二甲酸一丁酯、邻苯二甲酸二异辛醇,不含十扰杂质(内标物适用范围:邻苯一甲酸二丁酯适用于没有氧化胡椒基丁醚即S,的样品,邻苯二甲酸二异卒酮适用于有氧化胡椒基门醚的样品),
A2.2.2溶剂:丙酮、甲醇(分析纯)。A2.2.3标准品:丙烯菊酯、丙炔菊酯等,A2.3气相色谱条件
A2.3.1温度
A2.3.1.1 柱温:220C或260℃。A2.3.1.2气化温度:250或 270℃。A2.3.1.3检测器温度:250℃或270'C。A2. 3.2气体流速(kg/m\)。
A2. 3. 2. 1 载气;氮气 1. 0 ,A2. 3. 2. 2 燃气:氢气 0. 6。A2.3.2.3助燃气空气0.5,
1述操作条件系典型操作参数,可根据不同仪器特点,对给定的操作条件作适当调整,以期获得最佳效果。
A3标准溶液的制备
于一支15mL称量瓶中推确称取标准样品和内标物(称样量见表A1),加人丙酮溶液5mL,充分溶解后,闭塞句,放入冰箱待用,706
-riKAONiKAca-
内标物
称样盛
邻苯甲酸丁酯
邻苯二甲酸二异辛酯
A4样品溶液的制备
A4.1样品的前处理
GB 18417—2001
称样量比例
标准样品:内标物-1.5~2.0:1
标准样品:内标物=1:1.2~1.5
取一片电热片蚊香成品用剪刀剪成条状后剥开,待用。A4.2电热片蚊香提取液的制备
称样母(精耐到(.1012 g)
标准样品0.03g-0.04K
内标物0.015g.C20g
标准样品 9. 02g~0. 03g
内标物 0. 03 g~0. 04 g
于 ·支 25 mJ. 磨口试管中推确称取邻苯二中酸二丁酯 0. 015 多~0. 020 g 或邻苯二甲酸二异卒酯0.03g~0.04g(以待测成分的量而定),将处理好的电热片蚊香放入试管中,加入甲醇丙酮混合溶液(体积比1:1)10mL,以淹没药片为宜,充分振荡,浸泡1h,分析前再剧烈振荡次,取上层清液待分析。
A5测定
在A2.3色谱条件下待仪器稳定后,连续用微量注射器注人标样溶液、样品溶液,计算各针色谱图中样品(标样)与内标峰面积比,待相邻两针的峰面积比值基本平行稳定.按上述条件进行气相色谱分析。
A6计算
将测得的两针样品游液中的样品峰与内标峰面积比及标样溶液中两针内标峰与标样峰面积比进行平均.按式(A1)和(A2)计算待测成分的含量Mx。校正因子:
特测成分的含量;
式中:A.
f=A2Xmiz/ms2 XC标
Mx=fX A,Xmsl
样品溶液中样品峰与内标峰面积比的平均值;A标样溶液中内标峰与标样峰面积比的平均值;m:样品溶液中内标物的质量,g:m2,标样溶液中内标物的质量限;证2—标样溶液中标准物质的质量·;C标-—-标准物质的含量,为。
附录B
(标准的附录)
电热片蚊香有效成分测定方法(二)B1鉴别试验
本鉴别试验可与有效或分通用名含量的测定间时进行,在相间的色谱操作条件下,试样溶液某一色707
GB 18417—2001
谱峰的保留时间与标样溶液(有效成分通用名)的保留时间,其和对差值应在1以~5乐以内。B2方法提要
样品用邻苯二甲酸二丁醋作内标物,在内涤5%SE-30填充柱.上进行气相色谱分离和测定。B2.1仪器
B2.1.1气档色谱仪:具有氢火焰离了化检测器。B2.1.2色谱性:3 1r1In×2 tm,玻璃柱或不锈钢柱内填充5%SE-30 涂布在 Chroms0rh AWDmcs 8们~100 目色谱担体上。
B2.1. 3微量注射器:i0 μL
B2.1.4 称量瓶:15 ml..
磨塞试管;25 mL.,
#2.1.6天平:分度值为0.1mg:
B2.2试剂
B2.2.1内标物:邻莱二甲酸二丁醛-不含-七扰杂质。B2.2.2淬剂:丙酮、中醇(分析纯)。B2.2、3标灌品:丙烯菊酯、丙炔菊酯等。B2.3气相色谱条件wwW.bzxz.Net
B2.3.1温度
B2.3. 1. 1柱温:180C
B2.3.1.2化度:250 C。
H2.3.1.3检测器温度:250C。
B2.3. 2 气体流速(kg/cim)。
B2.3. 2.1 载气:氮气 1.0.
B2.3.2.2燃气:氢气 0. 6
B2.3.2.3燃气.空0.6。
上述操作案件系典型操作参数,可根据不同仪器特点,对给定的操作条件作适当调整,以期获得最佳效果。
B3标准溶液的制备
丁一支15 ml.称量瓶中准确称取样品和内标物(称样量见表B1),加人丙酮溶液 5 mL充分溶解后,闭塞据匀,放入冰箱待用。表B1
内标物
称样量
邻萃甲酸二}酯
B4样品溶液的制备
B4. 1样品的前处理
称样最比衔
标准样品 :内标物=2~2.5: 1
瑕一片电热片骏香成品用剪刀剪成条状后剥开,待用。B4.2电热片蚊香提取液的制备
弥样量(糖确到 0. 000 2 g)
标准样品0.0300g~0.0450g
内标物 0. 015 0 ~0. 020 0 g
于一支 25 mL 磨I I试管中准确称取邻苯二中酸二丁酮 0. 015 g~0. 020 g(视待测成分的世而定),708
-rKAONrKAca-
GB 18417—2001
将处理好的电热片皱香放人试管中,加人甲醇-内酮混合游液(体积比]:1)1C mL、以流没药片为宜.充分振荡、浸泡h,分析前再剧烈振荡欲,取上层清液待分析。B5测定
在B2.3色谱条件下待仪器稳定后,连续用微量注射器注人标样溶液、样品溶液,计算各针色谱图中样品(标样)与内标峰面积比,待相邻两针的峰面积比值基本平行稳定,按上述条件进行气相色谱分析。
B6计算
将测得的两钉样品溶液中的样品峰与内标峰面积比及标样溶中两针内标峰与标样峰面积比逃行平均,按式(BI)利式(B2)计算待测成分的含量Mx。校止因子:
待测成分的含量:
武中:A,
f=AXmi/mXCt
M-JXA× m1
样品液中样品峰与内标峰面积比的平均值:标样溶液中内标峰与标样峰面积比的平均值:样品辫液中内标物的质望-&!
标样溶液中内标物的质量,只;-标样溶波中标准物质的质量·g:标准物质的含量、
附录C
(标准的附录)
电热片蚊香室内药效测定方法
C1 供试昆虫:采用标准试虫
蚊:羽化后第2天至第3天末吸血的滩成蚊,北方地区用谈色库蚊,南方地区致乏库蚊。C2测试系件
室温:(26=2)℃
相对滤度:(605)乐
C3仪器
C3. 1密闭圆简装置(图 C1):内径2C cn,髙 13 cIm 的玻璃或透明无色朔料圆简(C)架于本架(I) I:圆简上下各有-块直径27cm的玻璃或透明无色塑料圆板(E,F)上圆板中央有直径2crm的阅孔用胶塞(C)塞住。下圆板小央有直径5cm的圆孔,熏杀处理时电热蚊香血热器架于该圆孔下方,熏茶处理前后该阈孔用胺塞(H)塞住。圆简与上,下板柑接处分别用橡胶垫圈(DI,I),)垫着,以防药剂泄遍,C3.2玻璃箱装置(图C2):玻璃制方箱,渠于铝架上,长、宽、高均为70cm。在侧面的-下角有宽、高均为0Ⅱ的小门,此侧面的上方述有放出孔,可用胶塞塞紧,另有·侧而整个为一大门。箱底外表面涂一层均匀的自漆。测试时,整个装置用案封条密封。C3.3电热片蚊香加热器:工作电压229 V,工作温度(165主5)C。C3.4吸蚊管,
C3.5秒表。
C3. 6计数器。
C4测试步骤
黛蒸巾
GH 18417—2001
图 C1密闭厕简装置
熏蒸后
A一白热蚊香染片;B一电热蚊香器;C一玻璃或避明无色塑料网筒,高13cm,内径arm;D,一橡胶势圈;F一玻璃或透明无色塑料圆板,直径27cm,中央有直径2rm的圆孔:F坡璃或透明无色塑料板.直径 27 cm,中央有直径与 cm 的圆孔;G,H..橡胶塞; T--术架.高30cm]--12筛月缺丝网
图 C2 玻璃箱装置
L—玻璃制方箱,长、穿,高均为 70 cm1;C--小门,宽、高均为 10 cm;D大门,E--铝架:F一放虫孔.径 5 cM-用胶塞塞紧C4.1采用密闭圆简装督的药效测定步骤电热片蚊香样品应在通电预热 1 h.2 h、4 h.6 h,8 h(产品明示的药效超过8 h 也应按其明示的时间)后进行测试,
用吸蚊管从饲养笼内吸取试蚊20头,自密闭圆简装置下方圆板(F)的中央圆孔处效入,塞紧胶塞710
-rKAONrKAca-
GB18417—2001
(H):待试虫恢复正常活动时,在下方测板(F)的中央圆孔下方放置电热片蚊香加热器,并在其上方放置铁丝网:以防被击倒的试蚊掉落在电热片蚊香加热器上。电热片效香加热器须扣紧下方圆板(F)的中火圆孔,准确黑杀!min,同时计时。熏后切断电源,并移去电热片蚊香加热器和电热片蚊香样品,立即塞上胶塞(H),每隔一定时间记录被击倒的试蚊数。测试至少有三个币复,实际个少要做15次试验。每次试验结束后,必须清洗整个试验装置,然后再进行下--次试验,同时须迅行空白测试,空自测试的击倒率和死亡率如大于20,整个测试须重新进行。C4.2采用玻璃箱装置的药效测定步电热片蚊香样品应在通电预热1h.2h、4h、6h.8h(产品明示的药效超过8h也应按其明示的时间)进行测试
用吸孜管从饲养笼内吸取试蚊40头,自玻璃箱装置的放虫口放人。待试出恢复正带活动时,从玻璃箱装置一侧面的:-下角的小门将各个分别通电预热过的电热片蚁香样品和电热片蚊香加热器一起放人玻璃箱的中央,并在其!:方放置铁丝网,以防被击倒的试蚊掉落在电热片效香加热器上,立即密闭整个玻璃箱装置,用胶条封严,开始离杀,并计时,每隔一定时剂记录被击倒的试蚊数,测试至少有三个币复·实际至少要做「5次试验,每次试验结束后,必须清洗整个试装置,然后再进行下次试验,向对须逝行空白测试;空白测试的击倒率和死率如大」20※,个测试须重新进行,C5计算
将测试的三欲重复数据接机值法计算求出K150当方箱法与圆简法测试结果发生冲突时,以方箱法测试结果为准。711
GB 18417- -2001
GB184162001家用卫生杀虫用品盘式蚊香等4项国家标准第1号修改单
太修改单业经国家标准化管理委员会于2003年2月10日以国标委农轻函[2003]9号文批准,自发布之日起实施。
GB18417一2001家用卫生杀虫用品电热片救香》条款号
6.2.2.2表3
热贮稳定性
6,2.2.2表3
本标准的4.1、4.4.4.5、4.6技术要求为强制性的.其余为推荐性的。
.·,有效成份含量机对偏差为士10%。,菊酯类有效或分含量的降解率5%,其他类有效成分含鼠的降解率10%。
修改为
本标准的4.1、4.4、4.5.4.6.7.1.1、7.4?与为强制性的,其余为推荐性的,…,有效成份含鼠不得低于产品明示的含最,
,菊酯类有效成分含量的降解率
10%.其他类有效成分含量的降解率心15%。
圆简法KT50≤5min或方箱法KT50圆简法KT50≤8.0min或方箱法? min.
5. 4. 1 有效成分含量
5.4.2热贮稳定性
=.4.3降解率
5.5药效
:菊酯类>5%判定为不合格
片他类10%判定为不合格
阅筒法KT50>5min.
方籍法 KT 50 >7 min....
6.2.2.2表3!超过包装明示值=10岁有效成分含量
判定为不合格
(以待测成分的量而定),
.(视待测成分的望而定),
KT 50≤10 min
有效成分含量
将5.4.1有效成分含量\此标题去掉5.5热贴稳定性
5.5.1降解率的计算
5.5药效
菊酯类10为判定为不合格
其他类15%判定为不合格
圆筒法 KT 50~8.0 min**
方箱法 KT 3 ≥l0.0 min.
低于包装明示值判定为不合格
.,(精确至0.0002g,以待测成分的量而定),
,(精确至0.000 2g,视待测成分的量而定)
-riKAONiKAca-
小提示:此标准内容仅展示完整标准里的部分截取内容,若需要完整标准请到上方自行免费下载完整标准文档。
标准图片预览:





- 其它标准
- 热门标准
- 国家标准(GB)
- GB/T8566-2022 系统与软件工程 软件生存周期过程
- GB/T30917—2014 /ISo 29941:2010 天然胶乳橡胶避孕套中可迁移亚硝胺的测定
- GB/T12777-1999 金属波纹管膨胀节通用技术条件
- GB/T29633.4-2020 南极地名 第4部分:罗马字母拼写
- GB15193.5-2003 骨髓细胞微核试验
- GB4706.3-1986 家用和类似用途电器的安全食物搅碎器及类似用途电器的特殊要求
- GB15985-1995 丝虫病诊断标准及处理原则
- GB19159-2003 车用液化石油气
- GB/T7407-1997 中国及世界主要海运贸易港口代码
- GB1913.2-1990 漂白浸渍绝缘纸
- GB14287.4-2014 电气火灾监控系统 第4部分:故障电弧探测器
- GB5237.3-2008 铝合金建筑型材 第3部分:电泳涂漆型材
- GB/T39964-2021 造纸行业能源管理体系实施指南
- GB/T43929-2024 空间用纤维光学器件测试指南
- GB29140-2024 纯碱单位产品能源消耗限额
- 行业新闻
请牢记:“bzxz.net”即是“标准下载”四个汉字汉语拼音首字母与国际顶级域名“.net”的组合。 ©2025 标准下载网 www.bzxz.net 本站邮件:bzxznet@163.com
网站备案号:湘ICP备2025141790号-2
网站备案号:湘ICP备2025141790号-2