- 您的位置:
- 标准下载网 >>
- 标准分类 >>
- 国家标准(GB) >>
- GB 18416-2001 家用卫生杀虫用品 盘式蚊香
标准号:
GB 18416-2001
标准名称:
家用卫生杀虫用品 盘式蚊香
标准类别:
国家标准(GB)
英文名称:
Household insecticide products - mosquito coils标准状态:
现行-
发布日期:
2001-08-02 -
实施日期:
2002-07-01 出版语种:
简体中文下载格式:
.rar.pdf下载大小:
413.47 KB
替代情况:
QB 1692.1-1993
点击下载
标准简介:
标准下载解压密码:www.bzxz.net
本标准规定了家用卫生杀虫用品盘式蚊香的定义、技术要求、试验方法、检验规则及标志、包装、运输、贮存、使用说明。本标准适用于家用卫生杀虫剂、植物性粉末、粘合剂和着色剂等为原料混合制成的盘式蚊香。 GB 18416-2001 家用卫生杀虫用品 盘式蚊香 GB18416-2001
部分标准内容:
GB 18416—2001
本标准的4.1、4.3、4.7、4.8、4.9技术要求为强制性的,其余为推荐性的。家用卫生杀虫用品盘式蚊香,是以拟除虫菊酯类及其他型卫生杀虫剂为有效成分,燃点后,药剂以气体状态作用于蚊虫,起到驱(火)蚊虫效果的产品,本标推的制定是在源中华人民共和国轻工行业标准QB1692-1—1993《家用卫生杀虫用品盘式蚊香》的基础1,对其中各章节内睿做适当的修改、增补,使标准的表述更趋规范,内容更趋完善。同时标准的附录A,附录B详细说明了有效成分测定方法,适用下气相色谱仪毛细柱与填充柱不同管柱的试验需要:盘式蚊香的室内药效测定方法附录C引用了GB13917.4一!992《农药登记卫生用条虫剂空内药效试验方法蚊香的室内药效测定方法》,并结合实际情况重新规定了测试室内的温度,本标准自实施之口起,同时代替QB1632.1—1993。本标准的附录A、附录B、附录C都是标准的附录。本标准由中国轻工业联合会提出本标准山全国用杂品标准化中心二,本标滩起草单位:朗南津市市蚊香总厂、湖南益阴市蚁香总厂、河北古城香业集团有限公司、上海三星用品公司,
本标准主要起草人:李景峰、秦孝明、杨金庆、孙长维、魏晓英。690
1范围
中华人民共和国国家标准
家用卫生杀虫用品
盘式蚊香
Domcstic sanitary insecticide-Mosquito coil incensc
GB 18416—2001
本标准规定了家用卫生杀虫用品盘式蚊香的定义,技术要求、试验方法、检验规则及标志、包装、运输、贮存、使用说明
本标准适用丁家用卫生杀虫剂、植物性粉末、碳质粉木,粘合剂和着色剂等为原料混合制成的盘式蚊香。
2引用标准
下列标准所包含的条文,通过在本标准中引用而构成为本标谁的条文。本标准出版时,所示版本均为有效。所有标准都会被修订,使用本标的各方应探讨使用下列标准最新版本的可能性。GB/T2828-1987逐批检查让数抽样程序及抽样表(适用于连续批的检查)G13/T28291987周期检查计数抽样程序及抽样表(适用于生产过程稳定性的检查)消费品使用说明总则
G13 5296. 1--1597
GB13917.4-1992农药登记.生用杀虫剂室内药效试验方法蚊香的室内药效测定方法3定义
本标推采用下列定义。
3.1击倒中时(KT50值)
在规定的条件下,50%的试虫被倒(即仰倒)所需的时间:3.2药效
产品在规定的件下及规定时间内,应达划驱(灭)敷出效果。3.3有效成分
具有生物杀出浩性的化学成分,3.4燃点柜
能使被测样品处!无外界气流作用的装置,3.5平整度
盘式蚊香平面的翘曲程度
3.6连续燃点时间
单圈盘式蚁香以点燃开始至燃尽熄灭所经过的时间。3.7抗折力
单圈盘式蚊香抗折断的能力
中华人民共和国国家质量监督检验检疫总局2001-08-28批准-rKAONiKAca-
2002-07-01实施
4技术要求
4. 1 用药要求
GB 18416 2001
必须是经国级政府有关部门登记或鉴定允许使用的药剂。4.2外观和感宫
4.2.1外观:香体整洁,色泽均匀,香面无霉斑,香条无断裂、变形利缺损。4.2.2感官:无刺激性异味。
4.3连续燃点时间
每单圈盘式蚁香连续燃点时间71,中途不得熄灭(特殊规格的盘式蚊香按明尔燃点时间要求)。4.4抗折力
每单圈盘式蚊香的抗折力应N
4.5脱性
除连结点外,香体其他部分均易完整脱开。4.6平整度
香体平整度应符合5.6试验要求。4.7药效
KT507min。
4.8有效成分含量
产品的有效成分含量必须在包装1明示,不得低于产品明示的含量。4.9热忙稳定性
热贮稳定性试验后菊脂类有效成分含量的降解率≤5%,其他类有效成分含量的降解率≤10%,5试验方法
5.1用约要求
验查是否有用药的登记或鉴定证书。5.2外观和感官
用目测法和膜觉法,在正常光线下,距被测样品250mm处捡套,5.3连续燃点时间
5. 3. 1 测试条件
室温:(26+3)C
相对湿度:(65士10)%
5.3.2在抽取的产品巾取10个单,在上述测试条件下放置24h后,置于燃点柜内点燃,记录点燃到熄灭的连续时间,
5.4抗折力
5.4. 1测试条件
室温(26→3)C
相对湿度:(5三10)%
5.4.2打并包装,在上述测试条件下放置241后测试。用单圈外围荷重法,将试样的最内圈拴于架上,在最外圈取等距三点分别系上250mm长的细统并悬挂102g重的磁码,静止15s,香体不应断裂,5. 5脱圈性
谢开盘式蚊香的连结点·从相反方问用于轻推蚊香中心的两段,然后用手指捏牢两端,稍微松动,逐断分为两单图,香体不应断裂。5. 6平整度
GB 18416- 2001
用两块长150mmi、宽135mm的透明平板玻璃组合成平行间距为8mm的卡放,双圈盘式蚊香能在卡板中问自然通过,
5.7药效
测定方法见附录C。
5.8有效成分含量
测定方法见附录A、附录B,其中附录A为仲裁法;对本标准有效成分分析方法不适用的产品,出牛产厂家提供分析方法。
5.9热忙稳定性
将试验样品(带包装)放留在(51=2)(的恒温箱内14天,取出后,再按有效成分含量方法测其降解率。
5.9.1降解率按式(1)进行计算:式中·A
降解率;
A(%)=2二m× 100
热些前测出的样品有效成分含量;热贮后测山的样品有效成分含量,6检验规则
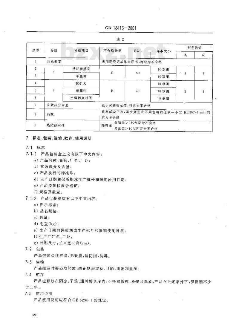
6.1产品须经4产厂质量检验部门按本标准检验合格后方能出厂,并附有使用说明和检验合格证。6.2检验分为出检验和型式检验
6.2.1山厂检验
凡提出交货的产品.均应进行出检验。出厂检验采用(B/2828特殊检查水平S-3的正常检否·次抽样方案,合格质量水平AQL值:B类为6.5.C类为10,出!检验项月及不合格分类见表1。表1
6.2.2型式检验
检验项
外期和感方
违续燃点对间
抗折力
脱圈性
平整度
技术要求条款
6.2.2. 1有下列情况之一应进行型式检验,试验方法条款
a)新产品或老产品转厂生产的试制定型鉴定:b)正式生产后,如结构、材料、工艺有较大改变,可能影响产品性能时,c)正常生产时,对批量产品进行抽样检查,每年至少次:d)产品停产:半年以上,恢复牛产时;e)出!检验结果与上次型式检验有较大差异时:不合格分类
f)国家质量监督检验机构凝出进行型式检验要求时。6.2.2.2型式检验采用G-13/T2829判别水平I的一次抽样方案,其检验项口、不合格质量水平RQ1.值,样本大小及判定数组见表2。每单圈一项不合格判为单图不合格A。R,以不合格单圈数表示,型式检验出现一项不分格即综合判定为不合格,aa
-TiKAONrKAca-
用药要求
有效城分合呆
热贮稳定性
检验项日
外观和滤宜
平整度
抗折方
脱圈性
连续燃点对间
标志、包装、运输、贮存、使用说明7.1标志
GB18416—2001
不合格分类
样车大小
无用药登记或鉴定证书,判定为不合格c
低于包装明示值,判定为不合格10双匾
10双圈
10单圈
判定数组
重复试验三次,每次分别在不同包装内任取二小段,KT50>7min判定为不合格
类酯类》5%判定为不合酪
降解率
其他类>10%判定为不合格
7、1.1产品包装盒上应有以下中文内容:a)产品名称商标、厂名、厂址:6)有效成分及含量:
c)产品执行的标准号:
d)生产:日期和保质期或生产批号和限期使用日期:e)产品质量检验合格证:
】规格及数量。
7.1.2·产品位装箱应以下中文内容:a)图示标志;
b)品名规格:
e)数量;
d)毛重(kg);
e)生产口期和保质期或生产批导和限期使用日期;f)生产厂厂名、厂址;
g)外形尺寸:长×宽x高(cm)
7.2包装
产品包装必须牢固,无破惯,能防潮,防震。7.3运输
产品撤运时要轻取轻效,防止剧烈震动、I嗮、丽淋利重压。7.4赋存
产品应存放在阳凉、干燥、通风的仓库内,不得和易燃,易爆品混放。产品在上述条件下,保质期不少于二年,
7.5使用说明
产品使用说明应符合GB5296.1的规定,691
A1鉴别试验
GB 18416:2001
附录A
(标准的附录)
盘式蚊香有效成分测定方法(一)本鉴别试验可与有效成分通用名含量的测定同时进行,在相同的色谱操作条件下,试样落液某一色谱峰的保留时间与标样溶液(有效成分通用名)的保留时间,其相对差值应在1%~5%以内。A2方法提要
样品用邻苯二甲酸二丁酯或邻苯二甲酸二戊酯作内标物,在内涂SE-54毛细管柱上进行气相色谱分离和测定,
A2.1仪器
A2、1.1气相色谱仪:具有氢火焰离了化检测器。A2.1.2色谱柱:0.25mm×30m.内涂SE-54毛细管柱。A2.1.3微量注射器:10=L,
A2.1.4称量瓶:15 ml..
A2. 1. 5磨塞=角瓶;100 ml.
A2. 1.6 天平:分度值为 0. 1 mg。A2.1.7粉碎机。
A2.1.8筛子:标推试验筛0.154 mm(100 日/英寸)。A2.1.9德纸,
A2.1.10搬荡器。
A2.2试剂
A2.2.1内标物,邻来二甲酸--丁酯、邻苯二甲酸一戊酯,不含下扰杂质(内标物适用范围:邻苯二甲酸二」酯适用没有八氯二丙醚即S,的样品,邻苯二甲酸二戊酯适用有八氯二丙醚的样品)A2.2.2溶剂:内酮、甲醇(分析纯)A2-2.3标雁品:丙烯菊酯、芮炔酯等、A2.3气相色谱条件
42. 3. 1温度
A2. 3. 1. 1 柱溢:220 C
A2. 3. 1. 2 气化温度:25G C
A2. 3.1.3检测器温度;250,
A2.3.2体流速(kg/cm\)
A2.3.2.1载气:氮气1.0。
A2.3.2.2燃气:氢气0.6。
A2.3.2.3助燃空气0.5
上述操作条件系典型操作参数,可根据不同仪器特点,对给定的操作条件作适当调整,以期获得最佳效果。
A3标准溶液的制备
于一支15uL称基瓶中准确称取与被测样品租当的标准样品约0.03g~0.04g(精确至695
-riKAONiKAca-
GB 18416—2001
0.000 2 号),再称取邻苯一甲酸二丁酯或邻苯一甲酸一茂酯 0, 015 g~0.025多(精确至 0.000 2 g),期入酮溶腋5ml.,充分溶解后,闭塞摇勾,放人冰箱待用。A4样品溶液的制备
A4.1样品的前处理
取一盘成品蚊香用粉碎机粉碎后,过 0. 154 mm(100 月/英小)标准试验筛,蚊香粉末待用。A4.2蚊香提取液的制备
丁 100 ml. 磨塞三角瓶中准确称取蚊香粉未 10 g~15 g(精确至 0. 000 2 g,估计被测成分含量约0.03 g~0.04g之间).再称取内标物 0,015g~0,025g(精确至 0. 000 2 g),最后入甲醇-两酮混合溶液(体积比 1 :1),以能淹没样品略过量为宜,闭塞在振药器 ]:充分振葛 20 li1,静置过滤率 10 ml. 玻璃瓶中,供气相色谱分析,
A5测定
在A2.3色谱条件下待仪器稳定后,连续用微量注射器注人标样溶液、样品溶液:计算各针色谱图中样品(标样)与内标峰面积比,待相邻两针的峰面积比值基本平行稳定,按上述条件逝行气相色谱分析。
A6 计算
将测得的两针样品溶液中的样品峰与内标峰面积比及标样溶液中两针内标峰与标样峰面积比进行平均,按式(A1)和式(A2)计算待测成分的含量Mx校芷因子:
待测成分的含量,
fA×mi /meXC称
x(%)f×m-/miXAtX100
式中:A一样品溶中样品峰与内标蜂面积比的平均值;2一—标样溶液巾内标峰与标样蜂面积比的平均值;ml样品游液中内标物的质量·;w标样溶液巾内标物的质量,,
样品溶液中样品的质量·g;
标样落溶液中标准物质的质量,:标准物质的含量,%。
附景B
(标准的附录)
盘式蚊香有效成分测定方法(二)B1鉴别试验
(A1)
(A2)
本鉴别试验可与有效成分通用名含量的测定同时进行,在相同的色谱操作条件下,试样溶液某一色谱蜂的保留时间与标样溶液(有效成分通用名)的保留时间,其相对差值应在1对~5为以内。B2方法提要
样品用邻苯二甲酸二丁酯或邻苯二甲酸二戊酯作内标物,在内涂5SE-30填充柱上进行气相色谱分离和测定,
B2.1仪器
GB 18416—2001
B2、1.1气相色谱仪:具有氢火焰离了化检测器B2.1.2°色谱柱:$3mmx.2m,玻璃柱或不锈钢柱内填充5% SE-30涂布在Chromastrb AWDircs 80~100目色谱扭体上,
B2.1.3微量注射器10 μc
B2. 1.4 称量瓶:15 mL.。
B2. 1. 5 磨塞=角瓶;100 ml.。B2.1.6天平,分度值为0.1mg。
B2.1.7粉碎机。
B2.1:8筛子:标准试验筛0.154 mm(100 日/英寸)。B2.1.9 滤纸。
B2.1.10振荡器,
B2.2试剂
B2.2.1 内标物;邻苯二甲酸三丁酯,邻苯二甲酸二皮酯,不含干扰杂质(内标物的适用范固;邻苯二甲酸二丁酯适用没有八氯二丙醚即S,的样品,邻苯一中酸一戊酯适用有八氯一内醛的样品)。B2.2.2溶剂:丙酮、甲醇(分析纯),B2.2.3标品:丙烯菊酯、内炔菊酯等,B2.3气相色谱条件
B2.3.1温度
B2.3. 1. 1柱温:190C。
B2. 3.1.2气化温度;210℃或250C℃。B2.3.1.3检测器温度:210℃或250C。B2.3.2气体流速(kg/cm2)。
B2.3.2.1载气:氮气1.0。
R2.3.2.2燃气:氢气0.。
B2.3.2.3助燃气:空气0.5.
上述操作条件系典型操作参数,可根据不间仪器特点,对给定的操作条件作适当调整,以期获得最住效果。
B3标准溶液的制备
于一支 15 mL 称量瓶中准确称取与被测样品相当的标准样品约 0. 03 g ~ 0. 04 g (精确至0.0002g)再称取邻苯二甲酸二丁酯或邻苯二甲酸二戊酯0.015g~0.025g(精确垒0.0002g),加人丙酮溶液5mI,充分溶解后,闭塞摇勾,放人冰箱待用。B4样品溶液的制备
B4.1样品的前处理
取盘成品蚊香用粉碎机粉碎后,过 0.151 m(100目/英寸)标准试验筛,蚊香粉末待用,B4.2蚊香提取液的制备
于 100 mL 磨塞三角瓶中准确称取蚊香粉末 10 g~15 g(精确至 0. 000 2 g:估计被测戚分含量约0.03g~0.04g之间).再称取内标物0.015g~0.025g(精确至0.0002g).最后加人甲醇-内酮混合溶液(体积比1:1),以能没样品略过量为宜,闭塞在振荡器上充分振药20 min,静置过滤至10 mL玻璃瓶中,供气相色谱分析,免费标准bzxz.net
-TKAONiKAca-
B5测定
GB184162001
在12.3色谱条件下待仪器稳定后,连续用微量注射器注人标样溶液、样品溶液计算各针色谱图中样品(标样)与内标峰面积比,待相邻两针的峰面积比值基本平行稳定,按1述条件进行气相色谱分析。
B6计算
将测得的两针样品溶液中的样品峰与内标峰面积比及标样溶液中两针内标蜂与标样峰面积比进行,平均,按式(BI)利式(B2)计算待测成分的含世 Mx校正因了:
待测成分的量:
式中:A.
f -A,Xmia/mzXCt
Mx(%)=fXm/m1XA.X10)
释品溶液中样品蜂与内标峰面积比的平均值;标样溶液中内标峰与标样峰面积比的半均值:样品溶液中内标物的质量,名:标样溶液中内标物的质名;
样品溶液中样品的质量:
标样溶液中标准物质的质量,各标准物质的含量,%。
附录C
(标准的附录)
盘式蚊香室内药效测定方法
供试民出:采用标推试出
蚊;羽化后第2大至第3大末吸血的雌成蚊,北方地区用淡色库蚊,南方地区用致乏库蚊。C2测试条件
室温:(26±2)
相对湿度:(60士5)%
C3仪器
(B2)
C3. 1 密闭圆简装置(见图 C1):内径20 rm、高 43 cm 的玻璃或透明无色塑料圆简(C)架于本架(I)上。侧简上下有一块直径27 cm的玻璃或透明无色料圆板(E、F),上圆板中央有直径 2 cm 的圆孔,用胶塞(G)塞住。下圆板中央有直径5 cm 的圆孔,用胶塞(H)塞住,胶塞(H)1架有蚊香架(B).供架被测试数香用。圆简与上、下圆板相接处分别用橡胶垫关(ID),,D2)垫着,以防烟雾泄溺。698
GB18416—2001
图C1密闭圆筒装置
A蚊香;P--蚊香架:C—玻璃或透明无色塑料闻简,商 43 c.内轻20 c11tDi1.D,橡胶垫圈;E一玻竭感遗明无色塑料圆板,将27cm,中央有直径2cm的國孔;F·玻璃或透明无色塑料圆板,I径 27 cm,中央有直径 5 cm 的圆孔;G,H- 橡胶塞;1--木架,高 30 rmC3.2吸蚊管,
C3.3秒表。
C3.4计数器。
C4测试步骤
用吸管从养笼内吸取试蚊20头,自密闭圆筒下方圆板(F)的中央圆孔处放人,塞紧骏塞(H)待试出恢复正常活动时,任取被测试蚊香-段,水平状架在蚊香架上,点燃蚊香后即计时,熏烟1min.即将蚊香移去,并立即塞上胶塞(H),每隔。~定时间记录被击衡的试蚊数。测试至少有三个重复。每饮试验结束后,必须清洗整个试验装岚,然后再逃行下一次试验。同时须进行空自测试,空自测试的击倒率和死亡率如大干20%,整个测试须重新进行。C5计算
将测试的三次重复数据按机值法计算求出KT50。99
iiKAoNrKAca
GB 18416--2001
GB18416-2001家用卫生杀虫用品盘式蚊香》等4 项国家标准第 1号修改单
本修改单业经国家标准化管理委员会于2003 年 2 月 10 日以国标委农轻函[2003]9 号文批准,自发布之日起实施。
GB18416—2001家用卫生杀虫用品盘式蚊香”条款号
表2药效
表2热稳定
本标准的4.1,4.3,4.74. 8;1. 9 接术要求,为强制性的,其余为推荐性的。KT50≤7min
菊酯类有效成分含量的降解率
5%,其他类有效成分含量的降解率10%。
**.,KT50>7min判定为不合格,
,菊酯类>5为判定为不合格
其他类>10为判定为不合格。
修改为
本标准的 4. 1、4. 3、4. 7、4. 8、4. 9、7. 1. 1、7.4、7.5为强制性的,其余为推荐性的。KT508.0 min。
,菊酯类有效成分含量的降解率≤10%,其他类有效成分含量的降解率多15%。
..-,KT50>8.0min判定为不合格。,菊酯类>10%判定为不合格
其他类>15%判定为不合格。
小提示:此标准内容仅展示完整标准里的部分截取内容,若需要完整标准请到上方自行免费下载完整标准文档。
本标准的4.1、4.3、4.7、4.8、4.9技术要求为强制性的,其余为推荐性的。家用卫生杀虫用品盘式蚊香,是以拟除虫菊酯类及其他型卫生杀虫剂为有效成分,燃点后,药剂以气体状态作用于蚊虫,起到驱(火)蚊虫效果的产品,本标推的制定是在源中华人民共和国轻工行业标准QB1692-1—1993《家用卫生杀虫用品盘式蚊香》的基础1,对其中各章节内睿做适当的修改、增补,使标准的表述更趋规范,内容更趋完善。同时标准的附录A,附录B详细说明了有效成分测定方法,适用下气相色谱仪毛细柱与填充柱不同管柱的试验需要:盘式蚊香的室内药效测定方法附录C引用了GB13917.4一!992《农药登记卫生用条虫剂空内药效试验方法蚊香的室内药效测定方法》,并结合实际情况重新规定了测试室内的温度,本标准自实施之口起,同时代替QB1632.1—1993。本标准的附录A、附录B、附录C都是标准的附录。本标准由中国轻工业联合会提出本标准山全国用杂品标准化中心二,本标滩起草单位:朗南津市市蚊香总厂、湖南益阴市蚁香总厂、河北古城香业集团有限公司、上海三星用品公司,
本标准主要起草人:李景峰、秦孝明、杨金庆、孙长维、魏晓英。690
1范围
中华人民共和国国家标准
家用卫生杀虫用品
盘式蚊香
Domcstic sanitary insecticide-Mosquito coil incensc
GB 18416—2001
本标准规定了家用卫生杀虫用品盘式蚊香的定义,技术要求、试验方法、检验规则及标志、包装、运输、贮存、使用说明
本标准适用丁家用卫生杀虫剂、植物性粉末、碳质粉木,粘合剂和着色剂等为原料混合制成的盘式蚊香。
2引用标准
下列标准所包含的条文,通过在本标准中引用而构成为本标谁的条文。本标准出版时,所示版本均为有效。所有标准都会被修订,使用本标的各方应探讨使用下列标准最新版本的可能性。GB/T2828-1987逐批检查让数抽样程序及抽样表(适用于连续批的检查)G13/T28291987周期检查计数抽样程序及抽样表(适用于生产过程稳定性的检查)消费品使用说明总则
G13 5296. 1--1597
GB13917.4-1992农药登记.生用杀虫剂室内药效试验方法蚊香的室内药效测定方法3定义
本标推采用下列定义。
3.1击倒中时(KT50值)
在规定的条件下,50%的试虫被倒(即仰倒)所需的时间:3.2药效
产品在规定的件下及规定时间内,应达划驱(灭)敷出效果。3.3有效成分
具有生物杀出浩性的化学成分,3.4燃点柜
能使被测样品处!无外界气流作用的装置,3.5平整度
盘式蚊香平面的翘曲程度
3.6连续燃点时间
单圈盘式蚁香以点燃开始至燃尽熄灭所经过的时间。3.7抗折力
单圈盘式蚊香抗折断的能力
中华人民共和国国家质量监督检验检疫总局2001-08-28批准-rKAONiKAca-
2002-07-01实施
4技术要求
4. 1 用药要求
GB 18416 2001
必须是经国级政府有关部门登记或鉴定允许使用的药剂。4.2外观和感宫
4.2.1外观:香体整洁,色泽均匀,香面无霉斑,香条无断裂、变形利缺损。4.2.2感官:无刺激性异味。
4.3连续燃点时间
每单圈盘式蚁香连续燃点时间71,中途不得熄灭(特殊规格的盘式蚊香按明尔燃点时间要求)。4.4抗折力
每单圈盘式蚊香的抗折力应N
4.5脱性
除连结点外,香体其他部分均易完整脱开。4.6平整度
香体平整度应符合5.6试验要求。4.7药效
KT507min。
4.8有效成分含量
产品的有效成分含量必须在包装1明示,不得低于产品明示的含量。4.9热忙稳定性
热贮稳定性试验后菊脂类有效成分含量的降解率≤5%,其他类有效成分含量的降解率≤10%,5试验方法
5.1用约要求
验查是否有用药的登记或鉴定证书。5.2外观和感官
用目测法和膜觉法,在正常光线下,距被测样品250mm处捡套,5.3连续燃点时间
5. 3. 1 测试条件
室温:(26+3)C
相对湿度:(65士10)%
5.3.2在抽取的产品巾取10个单,在上述测试条件下放置24h后,置于燃点柜内点燃,记录点燃到熄灭的连续时间,
5.4抗折力
5.4. 1测试条件
室温(26→3)C
相对湿度:(5三10)%
5.4.2打并包装,在上述测试条件下放置241后测试。用单圈外围荷重法,将试样的最内圈拴于架上,在最外圈取等距三点分别系上250mm长的细统并悬挂102g重的磁码,静止15s,香体不应断裂,5. 5脱圈性
谢开盘式蚊香的连结点·从相反方问用于轻推蚊香中心的两段,然后用手指捏牢两端,稍微松动,逐断分为两单图,香体不应断裂。5. 6平整度
GB 18416- 2001
用两块长150mmi、宽135mm的透明平板玻璃组合成平行间距为8mm的卡放,双圈盘式蚊香能在卡板中问自然通过,
5.7药效
测定方法见附录C。
5.8有效成分含量
测定方法见附录A、附录B,其中附录A为仲裁法;对本标准有效成分分析方法不适用的产品,出牛产厂家提供分析方法。
5.9热忙稳定性
将试验样品(带包装)放留在(51=2)(的恒温箱内14天,取出后,再按有效成分含量方法测其降解率。
5.9.1降解率按式(1)进行计算:式中·A
降解率;
A(%)=2二m× 100
热些前测出的样品有效成分含量;热贮后测山的样品有效成分含量,6检验规则
6.1产品须经4产厂质量检验部门按本标准检验合格后方能出厂,并附有使用说明和检验合格证。6.2检验分为出检验和型式检验
6.2.1山厂检验
凡提出交货的产品.均应进行出检验。出厂检验采用(B/2828特殊检查水平S-3的正常检否·次抽样方案,合格质量水平AQL值:B类为6.5.C类为10,出!检验项月及不合格分类见表1。表1
6.2.2型式检验
检验项
外期和感方
违续燃点对间
抗折力
脱圈性
平整度
技术要求条款
6.2.2. 1有下列情况之一应进行型式检验,试验方法条款
a)新产品或老产品转厂生产的试制定型鉴定:b)正式生产后,如结构、材料、工艺有较大改变,可能影响产品性能时,c)正常生产时,对批量产品进行抽样检查,每年至少次:d)产品停产:半年以上,恢复牛产时;e)出!检验结果与上次型式检验有较大差异时:不合格分类
f)国家质量监督检验机构凝出进行型式检验要求时。6.2.2.2型式检验采用G-13/T2829判别水平I的一次抽样方案,其检验项口、不合格质量水平RQ1.值,样本大小及判定数组见表2。每单圈一项不合格判为单图不合格A。R,以不合格单圈数表示,型式检验出现一项不分格即综合判定为不合格,aa
-TiKAONrKAca-
用药要求
有效城分合呆
热贮稳定性
检验项日
外观和滤宜
平整度
抗折方
脱圈性
连续燃点对间
标志、包装、运输、贮存、使用说明7.1标志
GB18416—2001
不合格分类
样车大小
无用药登记或鉴定证书,判定为不合格c
低于包装明示值,判定为不合格10双匾
10双圈
10单圈
判定数组
重复试验三次,每次分别在不同包装内任取二小段,KT50>7min判定为不合格
类酯类》5%判定为不合酪
降解率
其他类>10%判定为不合格
7、1.1产品包装盒上应有以下中文内容:a)产品名称商标、厂名、厂址:6)有效成分及含量:
c)产品执行的标准号:
d)生产:日期和保质期或生产批号和限期使用日期:e)产品质量检验合格证:
】规格及数量。
7.1.2·产品位装箱应以下中文内容:a)图示标志;
b)品名规格:
e)数量;
d)毛重(kg);
e)生产口期和保质期或生产批导和限期使用日期;f)生产厂厂名、厂址;
g)外形尺寸:长×宽x高(cm)
7.2包装
产品包装必须牢固,无破惯,能防潮,防震。7.3运输
产品撤运时要轻取轻效,防止剧烈震动、I嗮、丽淋利重压。7.4赋存
产品应存放在阳凉、干燥、通风的仓库内,不得和易燃,易爆品混放。产品在上述条件下,保质期不少于二年,
7.5使用说明
产品使用说明应符合GB5296.1的规定,691
A1鉴别试验
GB 18416:2001
附录A
(标准的附录)
盘式蚊香有效成分测定方法(一)本鉴别试验可与有效成分通用名含量的测定同时进行,在相同的色谱操作条件下,试样落液某一色谱峰的保留时间与标样溶液(有效成分通用名)的保留时间,其相对差值应在1%~5%以内。A2方法提要
样品用邻苯二甲酸二丁酯或邻苯二甲酸二戊酯作内标物,在内涂SE-54毛细管柱上进行气相色谱分离和测定,
A2.1仪器
A2、1.1气相色谱仪:具有氢火焰离了化检测器。A2.1.2色谱柱:0.25mm×30m.内涂SE-54毛细管柱。A2.1.3微量注射器:10=L,
A2.1.4称量瓶:15 ml..
A2. 1. 5磨塞=角瓶;100 ml.
A2. 1.6 天平:分度值为 0. 1 mg。A2.1.7粉碎机。
A2.1.8筛子:标推试验筛0.154 mm(100 日/英寸)。A2.1.9德纸,
A2.1.10搬荡器。
A2.2试剂
A2.2.1内标物,邻来二甲酸--丁酯、邻苯二甲酸一戊酯,不含下扰杂质(内标物适用范围:邻苯二甲酸二」酯适用没有八氯二丙醚即S,的样品,邻苯二甲酸二戊酯适用有八氯二丙醚的样品)A2.2.2溶剂:内酮、甲醇(分析纯)A2-2.3标雁品:丙烯菊酯、芮炔酯等、A2.3气相色谱条件
42. 3. 1温度
A2. 3. 1. 1 柱溢:220 C
A2. 3. 1. 2 气化温度:25G C
A2. 3.1.3检测器温度;250,
A2.3.2体流速(kg/cm\)
A2.3.2.1载气:氮气1.0。
A2.3.2.2燃气:氢气0.6。
A2.3.2.3助燃空气0.5
上述操作条件系典型操作参数,可根据不同仪器特点,对给定的操作条件作适当调整,以期获得最佳效果。
A3标准溶液的制备
于一支15uL称基瓶中准确称取与被测样品租当的标准样品约0.03g~0.04g(精确至695
-riKAONiKAca-
GB 18416—2001
0.000 2 号),再称取邻苯一甲酸二丁酯或邻苯一甲酸一茂酯 0, 015 g~0.025多(精确至 0.000 2 g),期入酮溶腋5ml.,充分溶解后,闭塞摇勾,放人冰箱待用。A4样品溶液的制备
A4.1样品的前处理
取一盘成品蚊香用粉碎机粉碎后,过 0. 154 mm(100 月/英小)标准试验筛,蚊香粉末待用。A4.2蚊香提取液的制备
丁 100 ml. 磨塞三角瓶中准确称取蚊香粉未 10 g~15 g(精确至 0. 000 2 g,估计被测成分含量约0.03 g~0.04g之间).再称取内标物 0,015g~0,025g(精确至 0. 000 2 g),最后入甲醇-两酮混合溶液(体积比 1 :1),以能淹没样品略过量为宜,闭塞在振药器 ]:充分振葛 20 li1,静置过滤率 10 ml. 玻璃瓶中,供气相色谱分析,
A5测定
在A2.3色谱条件下待仪器稳定后,连续用微量注射器注人标样溶液、样品溶液:计算各针色谱图中样品(标样)与内标峰面积比,待相邻两针的峰面积比值基本平行稳定,按上述条件逝行气相色谱分析。
A6 计算
将测得的两针样品溶液中的样品峰与内标峰面积比及标样溶液中两针内标峰与标样峰面积比进行平均,按式(A1)和式(A2)计算待测成分的含量Mx校芷因子:
待测成分的含量,
fA×mi /meXC称
x(%)f×m-/miXAtX100
式中:A一样品溶中样品峰与内标蜂面积比的平均值;2一—标样溶液巾内标峰与标样蜂面积比的平均值;ml样品游液中内标物的质量·;w标样溶液巾内标物的质量,,
样品溶液中样品的质量·g;
标样落溶液中标准物质的质量,:标准物质的含量,%。
附景B
(标准的附录)
盘式蚊香有效成分测定方法(二)B1鉴别试验
(A1)
(A2)
本鉴别试验可与有效成分通用名含量的测定同时进行,在相同的色谱操作条件下,试样溶液某一色谱蜂的保留时间与标样溶液(有效成分通用名)的保留时间,其相对差值应在1对~5为以内。B2方法提要
样品用邻苯二甲酸二丁酯或邻苯二甲酸二戊酯作内标物,在内涂5SE-30填充柱上进行气相色谱分离和测定,
B2.1仪器
GB 18416—2001
B2、1.1气相色谱仪:具有氢火焰离了化检测器B2.1.2°色谱柱:$3mmx.2m,玻璃柱或不锈钢柱内填充5% SE-30涂布在Chromastrb AWDircs 80~100目色谱扭体上,
B2.1.3微量注射器10 μc
B2. 1.4 称量瓶:15 mL.。
B2. 1. 5 磨塞=角瓶;100 ml.。B2.1.6天平,分度值为0.1mg。
B2.1.7粉碎机。
B2.1:8筛子:标准试验筛0.154 mm(100 日/英寸)。B2.1.9 滤纸。
B2.1.10振荡器,
B2.2试剂
B2.2.1 内标物;邻苯二甲酸三丁酯,邻苯二甲酸二皮酯,不含干扰杂质(内标物的适用范固;邻苯二甲酸二丁酯适用没有八氯二丙醚即S,的样品,邻苯一中酸一戊酯适用有八氯一内醛的样品)。B2.2.2溶剂:丙酮、甲醇(分析纯),B2.2.3标品:丙烯菊酯、内炔菊酯等,B2.3气相色谱条件
B2.3.1温度
B2.3. 1. 1柱温:190C。
B2. 3.1.2气化温度;210℃或250C℃。B2.3.1.3检测器温度:210℃或250C。B2.3.2气体流速(kg/cm2)。
B2.3.2.1载气:氮气1.0。
R2.3.2.2燃气:氢气0.。
B2.3.2.3助燃气:空气0.5.
上述操作条件系典型操作参数,可根据不间仪器特点,对给定的操作条件作适当调整,以期获得最住效果。
B3标准溶液的制备
于一支 15 mL 称量瓶中准确称取与被测样品相当的标准样品约 0. 03 g ~ 0. 04 g (精确至0.0002g)再称取邻苯二甲酸二丁酯或邻苯二甲酸二戊酯0.015g~0.025g(精确垒0.0002g),加人丙酮溶液5mI,充分溶解后,闭塞摇勾,放人冰箱待用。B4样品溶液的制备
B4.1样品的前处理
取盘成品蚊香用粉碎机粉碎后,过 0.151 m(100目/英寸)标准试验筛,蚊香粉末待用,B4.2蚊香提取液的制备
于 100 mL 磨塞三角瓶中准确称取蚊香粉末 10 g~15 g(精确至 0. 000 2 g:估计被测戚分含量约0.03g~0.04g之间).再称取内标物0.015g~0.025g(精确至0.0002g).最后加人甲醇-内酮混合溶液(体积比1:1),以能没样品略过量为宜,闭塞在振荡器上充分振药20 min,静置过滤至10 mL玻璃瓶中,供气相色谱分析,免费标准bzxz.net
-TKAONiKAca-
B5测定
GB184162001
在12.3色谱条件下待仪器稳定后,连续用微量注射器注人标样溶液、样品溶液计算各针色谱图中样品(标样)与内标峰面积比,待相邻两针的峰面积比值基本平行稳定,按1述条件进行气相色谱分析。
B6计算
将测得的两针样品溶液中的样品峰与内标峰面积比及标样溶液中两针内标蜂与标样峰面积比进行,平均,按式(BI)利式(B2)计算待测成分的含世 Mx校正因了:
待测成分的量:
式中:A.
f -A,Xmia/mzXCt
Mx(%)=fXm/m1XA.X10)
释品溶液中样品蜂与内标峰面积比的平均值;标样溶液中内标峰与标样峰面积比的半均值:样品溶液中内标物的质量,名:标样溶液中内标物的质名;
样品溶液中样品的质量:
标样溶液中标准物质的质量,各标准物质的含量,%。
附录C
(标准的附录)
盘式蚊香室内药效测定方法
供试民出:采用标推试出
蚊;羽化后第2大至第3大末吸血的雌成蚊,北方地区用淡色库蚊,南方地区用致乏库蚊。C2测试条件
室温:(26±2)
相对湿度:(60士5)%
C3仪器
(B2)
C3. 1 密闭圆简装置(见图 C1):内径20 rm、高 43 cm 的玻璃或透明无色塑料圆简(C)架于本架(I)上。侧简上下有一块直径27 cm的玻璃或透明无色料圆板(E、F),上圆板中央有直径 2 cm 的圆孔,用胶塞(G)塞住。下圆板中央有直径5 cm 的圆孔,用胶塞(H)塞住,胶塞(H)1架有蚊香架(B).供架被测试数香用。圆简与上、下圆板相接处分别用橡胶垫关(ID),,D2)垫着,以防烟雾泄溺。698
GB18416—2001
图C1密闭圆筒装置
A蚊香;P--蚊香架:C—玻璃或透明无色塑料闻简,商 43 c.内轻20 c11tDi1.D,橡胶垫圈;E一玻竭感遗明无色塑料圆板,将27cm,中央有直径2cm的國孔;F·玻璃或透明无色塑料圆板,I径 27 cm,中央有直径 5 cm 的圆孔;G,H- 橡胶塞;1--木架,高 30 rmC3.2吸蚊管,
C3.3秒表。
C3.4计数器。
C4测试步骤
用吸管从养笼内吸取试蚊20头,自密闭圆筒下方圆板(F)的中央圆孔处放人,塞紧骏塞(H)待试出恢复正常活动时,任取被测试蚊香-段,水平状架在蚊香架上,点燃蚊香后即计时,熏烟1min.即将蚊香移去,并立即塞上胶塞(H),每隔。~定时间记录被击衡的试蚊数。测试至少有三个重复。每饮试验结束后,必须清洗整个试验装岚,然后再逃行下一次试验。同时须进行空自测试,空自测试的击倒率和死亡率如大干20%,整个测试须重新进行。C5计算
将测试的三次重复数据按机值法计算求出KT50。99
iiKAoNrKAca
GB 18416--2001
GB18416-2001家用卫生杀虫用品盘式蚊香》等4 项国家标准第 1号修改单
本修改单业经国家标准化管理委员会于2003 年 2 月 10 日以国标委农轻函[2003]9 号文批准,自发布之日起实施。
GB18416—2001家用卫生杀虫用品盘式蚊香”条款号
表2药效
表2热稳定
本标准的4.1,4.3,4.74. 8;1. 9 接术要求,为强制性的,其余为推荐性的。KT50≤7min
菊酯类有效成分含量的降解率
5%,其他类有效成分含量的降解率10%。
**.,KT50>7min判定为不合格,
,菊酯类>5为判定为不合格
其他类>10为判定为不合格。
修改为
本标准的 4. 1、4. 3、4. 7、4. 8、4. 9、7. 1. 1、7.4、7.5为强制性的,其余为推荐性的。KT508.0 min。
,菊酯类有效成分含量的降解率≤10%,其他类有效成分含量的降解率多15%。
..-,KT50>8.0min判定为不合格。,菊酯类>10%判定为不合格
其他类>15%判定为不合格。
小提示:此标准内容仅展示完整标准里的部分截取内容,若需要完整标准请到上方自行免费下载完整标准文档。
标准图片预览:





- 其它标准
- 热门标准
- 国家标准(GB)
- GB/T30917—2014 /ISo 29941:2010 天然胶乳橡胶避孕套中可迁移亚硝胺的测定
- GB/T12777-1999 金属波纹管膨胀节通用技术条件
- GB/T29633.4-2020 南极地名 第4部分:罗马字母拼写
- GB15193.5-2003 骨髓细胞微核试验
- GB30530-2024 二甲基硅氧烷单位产品能源消耗限额
- GB/T43225-2023 空间物体登记要求
- GB4706.3-1986 家用和类似用途电器的安全食物搅碎器及类似用途电器的特殊要求
- GB15985-1995 丝虫病诊断标准及处理原则
- GB19159-2003 车用液化石油气
- GB/T7407-1997 中国及世界主要海运贸易港口代码
- GB1913.2-1990 漂白浸渍绝缘纸
- GB/T15425-1994 贸易单128条码
- GB5237.3-2008 铝合金建筑型材 第3部分:电泳涂漆型材
- GB/T39964-2021 造纸行业能源管理体系实施指南
- GB/T9771.6-2020 通信用单模光纤 第6部分:宽波长段 光传输用非零色散单模光纤特性
- 行业新闻
请牢记:“bzxz.net”即是“标准下载”四个汉字汉语拼音首字母与国际顶级域名“.net”的组合。 ©2025 标准下载网 www.bzxz.net 本站邮件:bzxznet@163.com
网站备案号:湘ICP备2025141790号-2
网站备案号:湘ICP备2025141790号-2