- 您的位置:
- 标准下载网 >>
- 标准分类 >>
- 纺织行业标准(FZ) >>
- FZ/T 14020—2020 涂料染色水洗棉布
标准号:
FZ/T 14020—2020
标准名称:
涂料染色水洗棉布
标准类别:
纺织行业标准(FZ)
标准状态:
现行出版语种:
简体中文下载格式:
.zip .pdf下载大小:
450.65 KB

点击下载
标准简介:
FZ/T 14020—2020.
1范围
FZ/T 14020规定了涂料染色水洗棉布的标准的术语和定义,分类、要求、试验和检验方法,检验规则、标志和包装。
FZ/T 14020适用于机织生产的涂料染色水洗棉布。其他原料可参照执行。
规范性引用文件
下列文件对于本文件的应用是必不可少的。凡是注日期的引用文件,仅注日期的版本适用于本文件。凡是不注日期的引用文件,其最新版本(包括所有的修改单)适用于本文件。
GB/T 250纺织品色牢度试验评定变色用灰色样卡
GB/T 411棉印染布
GB/T 3917.1纺织品织物撕破性能﹐第1部分:冲击摆锤法撕破强力的测定GB/T3920纺织品色牢度试验耐摩擦色牢度
GB/T 3921—2008纺织品色牢度试验耐皂洗色牢度GB/T 3922——2013纺织品色牢度试验耐汗渍色牢度
GB/T 3923.1纺织品织物拉伸性能﹐第1部分:断裂强力和断裂伸长率的测定(条样法)GB/T 4666纺织品织物长度和幅宽的测定
GB/T 4668机织物密度的测定
GB/T 4669-2008纺织品机织物单位长度质量和单位面积质量的测定GB/T 4841.3染料染色标准深度色卡2/1.1/3、1/6、1/12,1/25
GB/T5296.4消费品使用说明第4部分:纺织品和服装
GB/T 6152—1997纺织品色牢度试验耐热压色牢度GB/T8170数值修约规则与极限数值的表示和判定
GB/T 8427——2008纺织品色牢度试验耐人造光色牢度:'弧
GB/T 8628纺织品﹐测定尺寸变化的试验中织物试样和服装的准备﹑标记及测量GB/T 8629—2017纺织品试验用家庭洗涤和干燥程序
GB/T 8630纺织品洗涤和干燥后尺寸变化的测定GB/T 14801机织物与针织物纬斜和弓纬试验方法GB/T 17760印染布布面疵点检验方法
GB 18401国家纺织产品基本安全技术规范GB 31701婴幼儿及儿童纺织产品安全技术规范FZ/T10005棉及化纤纯纺﹑混纺印染布检验规则FZ/T 10010
棉及化纤纯纺、混纺印染布标志与包装

部分标准内容:
中华人民共和国纺织行业标准
FZ/T14020—2020
代替FZ/T14020—2011
涂料染色水洗棉布
Pigment dyed and washed cotton fabric2020-04-16发布
中华人民共和国工业和信息化部rKaeerKca-
2020-10-01实施
本标准按照GB/I1.1---2009给出的规则起草。F7./T14020—2020
本标准代替FZ/T14020—2011《水洗服装用涂料染色面料》。与FZ/T14020—2011相比主要技术变化如下:
…标准名称调整为《涂料染色水洗棉布”;一调整了标准适用范围(见第1章);删除了纤维含量偏差考核项目,增加了纬密偏差率指标(见表1):·调整了断裂强力、撕破强力考核指标(见表1);-调整了耐皂洗变色深色一等品考核要求,增加了耐汀渍、耐热压色牢度考核指标(见表1);一一调整了幅宽偏差(见表2,2011年版的表4)、色差要求(见表2,2011年版的表5);-一一局部性掘点允许评分规定调整为分每百平方米,并提升指标(见表2)。本标准由中国纺织工业联合会提出。本标准由全国纺织品标推化技术委员会印染制品分技术委员会(SAC/TC209/SC11)归口。本标准起草单位:愉悦家纺有限公司、上海市纺织工业技术监督所、浙江盛发纺织印染有限公司、浙江捷凯实业有限公司、中国印染行业协会。本标准主要起草人:曹连平、李强、张宝庆、杨皓、杨俊、丁思佳。本标准所代替标准的历次版本发布情况为:---FZ/T14020--2011.
rKaeerKca-
1范围
涂料染色水洗棉布
FZ/T14020—2020
本标雅规定了涂料染色水洗棉布的标准的术语和定义,分类、要求、试验和检验方法、检验规则、标志和包装。
本标准适用于机织生产的涂料染色水洗棉布。其他原料可参照执行。2规范性引用文件
下列文件对于本文件的应用是必不可少的。凡是注日期的引用文件,仅注日期的版本适用于本文件。凡是不注且期的引用文件,其最新版本(包括所有的修改单适用于本文件GB/T250纺织品色牢度试验评定变色用灰色样卡GB/T411梯印染布
GB/T3917.1纺织品织物撕破性能第1部分:冲击摆锤法撕破强力的测定GB/T3920纺织品色牢度试验耐摩擦色牢度GB/T3921—2008纺织品色牢度试验耐皂洗色牢度GB/T3922—2013纺织品色牢度试验耐汗满色牢度GB/T3923.1纺织品织物拉伸性能第1部分:断裂强力和断裂伸长率的定(条样法)GB/T4666纺织品织物长度和幅宽的测定GB/T4668机织物密度的测定
GB/T46692008纺织品机织物单位长度质量和单位面积质量的测定GB/T4841.3染料染色标准深度色卡2/1.1/3.1/6、1/12、1/25GB/T5296.4消费品使用说明第4部分:纺织品和服装GB/T6152一1997纺织品色牢度试验耐热压色牢度GB/T 8170
数值修药规则与极限数值的表示和判定GB/T8427—2008纺织品色牢度试验耐人造光色牢度:氙孤GB/T8628纺织品测定尺寸变化的试验中织物试样和服装的准备、标记及测量GB/T8629—2017纺织品试验用家庭洗涤和干燥序GB/T8630
纺织品洗涤和汗燥后尺寸变化的测定GB/T14801机织物与针织物纬斜和纬试验方法GB/T17760印染布布面抵点检验方法GB 18401
GB 31701
国家纺织产品基本安全技术规范婴幼儿及儿童纺织产品安全技术规范FZ/T10005棉及化纤纯纺、混纺印染布检验规则棉及化纤纯纺、混纺印染布标志与包装FZ/T 10010
3术语和定义
GB/T411 中界定的以及下列术语和定义适用于本文件。1
rKaeerKca-
FZ/T 14020—2020
涂料染色水洗棉布pigment dyed and washed cotton fabric经涂料染色,一种或多种洗漆后整理工艺处理的纯棉机织物。4分类
涂料染色水洗棉布标准按品种、规格分类,产品的品种和规格根据客户合同或用户需要确定。5要求
5.1项目
涂料染色水洗棉布的要求分为内在质量和外观质量两个方面。内在质量包括纬密偏差率、单位面积质量偏差率、断强力、撕破强力、水洗尺寸变化率、色牢度、安全性能7项;外观质量包括幅宽偏差、色差、纬斜、局部性点和散布性疵点5项。5.2分等规定
5.2.1产品的品等分为优等品、一等品,二等品,低于二等品的为等外品。5.2.2涂料染色水洗棉布的评等,内在质量按批评等,外观质量按匹(段)评等,以内在质量和外观质量中最低一项品等作为该匹(段)布的品等。5.2.3在同一匹(段)布内,局部性疵点采用每百平方米允许评分的办法评定等级;敬布性疵点按严重一项评等。
内在质量
5.3.1产品的安全性能应符合GB18401或GB31701的规定。5.3.2
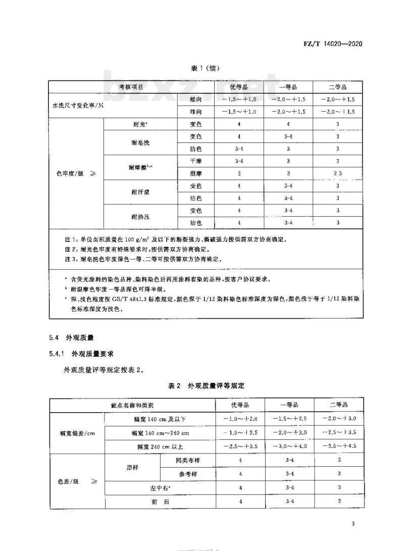
内在质量评等规定按表1。
表 1内在质量评等规定
考核项目
纬密偏差率/%
单位面积质量偏差率/%
200 g/m2以上
断裂强力/N
撕破强力/N2
150 g/m以上~200 g/m2
100 g/m以上~150 g/m2
200 g/m以上
150g/m2以上~~200g/m
100 g/m*以上150 g/m2
优等品
—3.0~+3.0
—3.0-+3.0
rKaeerKca
一等品
4.0~-+4.0
5.0-~+5.0
二等品
5.0 ~+5.0
—8,0~-18.0
水洗尺寸变化率/%
色牢度/级学
考核项目
耐光”
耐皂洗
耐摩擦e
耐汗渍
耐热压
表1(续)
优等品
一等品
FZ/T14020-2020
二等品
-2,0~+1,5
注1:单位面积质量在100 g/m2及以下的断裂强力、撕破强力按供需双方协商确定。注2:耐光色率度有特殊要求时,按供需双方协商确定注3:耐皂洗色年度深色一等、二等可按供需双方协商确定。,含荧光涂料的染危品种、染料染色后再用涂料套染的品种,按客户协议要求。b耐凝摩色半度一等品深色可降半级。-2.0 ~~ +1.5
2.0 ~-1 1.5
深、浅色程度按GB/T4841.3标准规定,颜色深于1/12染料染色标雅深度为深色,颜色浅于等于1/12染料染色标准深度为浅色。
5.4外观质量
外观质量要求
外观质量评等规定按表2。
表2外观质量评等规定
凝点名称和类别
幅宽140cm及以下
幅宽遍差/cm
色差/级
幅宽140cm~240cm
幅宽240cm以上
左中右*
类布样
参考样
rKaeerKca-
优等品
-1.0~-1-2.0
. 1.5~~-1 2.5
-2.5~+3.5
一等品
-1.5~+2.5
-3.0~+4,0
二等品
-2,0 ~ -+ 3.0
--2.5~ f-3.5
—3.5-+4.5
FZ/T14020—2020
纬斜/%
点名称和类别
局部性点/(分/100m2)
洗纹不符、染色不句
散布性点
棉结杂质、深浅细点
注:洗纹花纹不符按用户确认样为准。表2(续)
幅宽240 cm以.上:品种左中右色差允许放宽半级。,幅宽240cm以上,纬斜允许效宽0.5%。5.4.2每匹(段)布的局部性疵点允许总评分优等品
不影响外观
不影响外观下载标准就来标准下载网
不影响外观
一等品
不影响外观
不影响外观
不影响外观
每匹(段)布的局部性疵点允许总评分按公式(1)计算,按GB/T8170修约至个位数。A=a XLXW/100
式中:
每匹(段)布的局部性点允许总评分,单位为分;每百平方米允许评分数,单位为分每百平方米(分/100m2);匹(段)长,单位为米(m);
W.…标准幅宽,单位为米(m)。
5.4.3假开剪和拼件的规定
在优等品中不允许假开剪。
二等品
影响外观
影响外观
影响外观
假开剪的疵点应是评为4分的疵点或评为3分的严重疵点,假开剪后各段布都应是等品。5.4.3.3凡用户允许假开剪或拼件的,可实行假开剪和拼件。距布端5m以内及长度在30m以下不允许假开剪,最低拼件长度不低于10m;假开剪按60m不允许超过2处,长度每增加30m,假开剪可相应增加1处。
假开剪和拼件率合计不允许超过20%,其中拼件率不得超过10%。假开剪位置应做明显标记,附假开剪段长记录单。6试验和检验方法
密度检验方法按GB/T4668执行,纬密偏差率按公式(2)计算,按GB/T8170修约至小数点后一位。
式中:
-纬密偏差率,%;
D,- D×100
D,涂料染色水洗棉布实测纬纱密度,单位为根每十厘米(根/10cn);D
涂料染色水洗棉布标准纬纱密度,单位为根每十厘米(根/10cm))。....( 2)
6.2单位面积质量试验方法按GB/I4669-2008中方法6执行,单位面积质量偏差率按公式(3)计4
HrrKaeerKca-
算,按GB/T 8170修约至小数点后一位。式中:
-单位面积质量偏差率,%;
涂料染色水洗棉布单位面积质量实测值,单位为克每平方米(g/m\);mi
-涂料染色水洗棉布单位面积质量标称值,单位为克每平方米(g/m)。m
注:单位面积质量标称值为客户要求或面料设计值,按贸易双方协议商定。6.3断裂强力试验方法按CB/T3923.1执行。6.4撕破强力试验方法按 GB/T 3917.1 执行。FZ/T 14020—2020
6.5水洗尺寸变化率试验方法按GB/T8628、GB/T8629-2017(采用洗涤程序6N,干燥程序A或F,有争议时采用干燥程序 A)和 GB/T 8630 执行。6.6耐光色牢度试验方法按GB/T84272008中方法3执行。6.7耐皂洗色牢度试验方法按GB/T3921—2008中C(3)单纤维贴村执行。6.8耐摩擦色牢度试验方法按GB/T 3920执行。6.9耐汗溃色牢度试验方法按GB/T3922—2013中单纤维贴衬执行。6.10耐热压色牢度试验方法按GB/T6152--1997潮压法,温度为150C±2C执行。6.11幅宽检验方法按GB/T4666执行。6.12色差按GB/T250评定。
6.13纬斜检验方法按GB/T14801执行。6.14局部性疵点和散布性症点检验方法按GB/T17760执行7检验规则
检验规则按FZ/T10005执行。
8标志和包装
标志和包装按FZ/T10010执行,内包装的标志按GB/T5296.4执行。9其他
特殊品种及用户对产品有特殊要求时,由供需双方另订协议。5
rKaeerKca-
小提示:此标准内容仅展示完整标准里的部分截取内容,若需要完整标准请到上方自行免费下载完整标准文档。

标准图片预览:





- 其它标准
- 热门标准
- FZ纺织行业标准
- FZ/T94007.2-2013 综第2部分:织机综框用钢丝综
- FZ/T01057.1-2007 纺织纤维鉴别试验方法 第1部分:通用说明
- FZ/T61002-2019 化纤仿毛毛毯
- FZ/T34002-1992 亚麻印染布
- FZ/T01041-2014 绒毛织物 绒毛长度和绒毛高度的测定
- FZ/T50002-2013 化学纤维异形度试验方法
- FZ/T63052—2020 涤纶短纤织带
- FZ/T63035-2016 聚酰胺复丝双层编织结构绳索
- FZ/T43018-2017 蚕丝绒毯
- FZ/T74007-2019 户外防晒皮肤衣
- FZ∕T14041-2018 灯芯绒涤棉混纺印染布
- FZ/T60014-2017 絮片耐洗涤性能试验方法
- FZ/T98007-2011 电子单纱强力仪
- FZ66307-1995 特种工业用薄型棉带
- FZ/T12039-2013 喷气涡流纺粘纤纯纺及涤粘混纺本色纱
- 行业新闻
网站备案号:湘ICP备2023016450号-1