- 您的位置:
- 标准下载网 >>
- 标准分类 >>
- 轻工行业标准(QB) >>
- QB 2396—1998 食品添加剂辛癸酸甘油酯
标准号:
QB 2396—1998
标准名称:
食品添加剂辛癸酸甘油酯
标准类别:
轻工行业标准(QB)
标准状态:
现行出版语种:
简体中文下载格式:
.zip .pdf下载大小:
192.82 KB
点击下载
标准简介:
QB 2396—1998.
6检验规则
6.1本产品应经厂质量检验部门按本标准要求检验合格,并附上合格证后方可包装入库或出厂。
6.2以一次投料生产的产品为一批。
6.3 按产品包装单位总件数的5%取样,从每个包装单位中均匀取样200g,总量不少于400g,将取得的样品混合均匀,用四分法缩分至约100g,分别装入二只清洁、干燥、带磨口塞的广口瓶中,瓶上粘贴标签,注明生产厂名称、产品名称、批号、数量及取样日期,一瓶供试验用,一瓶留样备查。
6.4碘值、酸值、皂化值、相对密度、α-甘油-酸酯含量、游离甘油为必检项目。其他指标均为型式检验项目,每半年检查一次。如果检验中有一项指标不符合本标准要求,则可在已包装的产品中重新取样,取样桶数不少于10桶,样品总质量约400g,经混合均匀后,重新作项目检验,如检验结果仍有一项不合格,该批产品判为不合格。
6.5使用单位可按本标准规定的技术要求、试验方法和检验规则对所收到的产品质量进行检验,检验其指标是否符合本标准的规定。
6.6当供需双方对产品质量发生异议需要仲裁时,仲裁机构由双方协商选定,仲裁时应按照本标准规定的检验方法进行仲裁分析。
7标志、包装、运输、贮存
7.1标志
产品的包装上应牢固标明生产厂名称、厂址、产品名称、商标、产品型号、批号、生产日期、保质期、产品的主要参数、净含量以及产品标准号、并标有“食品添加剂”字样。
7.2包装
0.D.0.型每桶净重量180kg,铁桶包装。0.D.0.-L型每桶净重25kg,用食用塑料桶包装。
允许每包装件重量误差不大于1%。
7.3运输
运输时必须轻装轻卸,不得与有害、有毒和易污染物品混装载运,严防雨淋、曝晒。
7.4贮存
产品应存放在干燥、通风、清洁的地方,避免与有毒、有害、易腐、易污染等物品一起堆放。
部分标准内容:
本标准中的0.D.0.型辛癸酸甘油酯的技术指标非等效采用日本日清公司0.D.0.(1996)标准,0.D.0.-L型辛癸酸甘油酯的技术指标非等效采用法国INWTOR一988E一47(1990)标准。本标准的检验方法采用有关国家标准。本标准由国家轻工业局行业管理司提出。本标准由全国食品发酵标准化中心、卫生部食品卫生监督检验所技术归口。本标准由杭州油脂化工厂、中国食品发酵工业研究所负责起草。本标准主要起草人:金春花、马骋、吴玉宏。中华人民共和国轻工行业标准
食品添加剂、辛葵酸甘油酯
QB2396—1998
本标准规定了食品添加剂一一辛癸酸甘油酯的技术要求、试验方法、检验规则和标志、包装、运输、贮存的各项要求。本标准适用于辛酸、葵酸与甘油经精炼工序精制而成的辛葵酸甘油酯。在食品工业作乳化剂用,在胶姆糖中起软化作用。2引用标准
下列标准所包含的条文,通过在本标准中引用而构成为本标准的条文。本标准出版时,所示版本均为有效。所有标准都会被修订,使用本标准的各方应探讨使用下列标准最新版本的可能性。GB601一1988化学试剂滴定分析(容量分析)用标准溶液的制备GB 603—1988
3化学试剂试验方法中所用制剂及制品的制备食品添加剂单硬脂酸甘油酯(40%)GB 1986—1989
GB8450—1987
食品添加剂中砷的测定方法
GB8451—1987
食品添加剂中重金属限量试验方法GB9103—1988工业硬脂酸
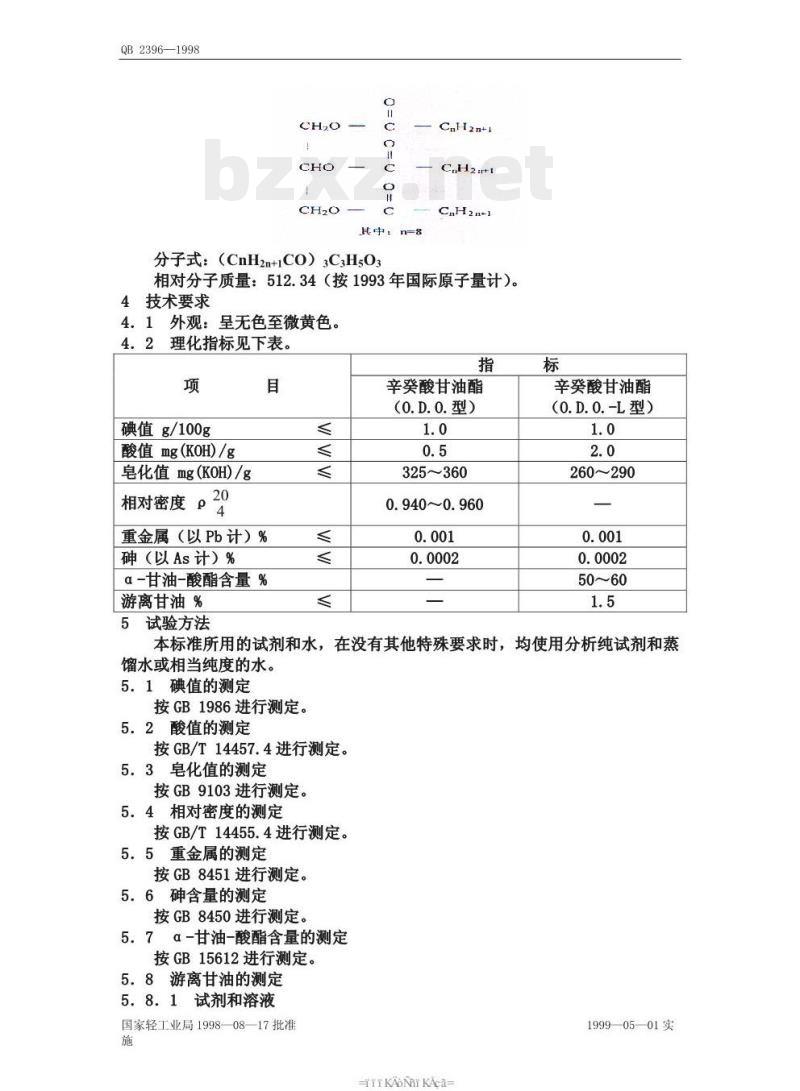
GB/T14455.41993精油相对密度的测定GB/T14457.4—1993单离及合成香料酸值或含酸量的测定GB15612一1995食品添加剂蒸馏单硬脂酸甘油酯3结构式、分子式、相对分子质量结构式:
国家轻工业局1998—08—17批准施
1999—05—01实
QB2396—1998
分子式:(CnH2n+1CO)3C,H,O3C.H2n+1
CaH2u+1
相对分子质量:512.34(按1993年国际原子量计)。技术要求
4.1外观:呈无色至微黄色。
4.2理化指标见下表。
碘值g/100g
酸值mg(KOH)/g
皂化值mg(KOH)/g
相对密度:2
重金属(以Pb计)%
砷(以As计)%
α-甘油-酸酯含量 %
游离甘油%
试验方法
辛葵酸甘油酯
(O.D.O.型)
325~360
0.940~0.960
辛癸酸甘油酯
(O.D.0.-L型)
260~290
本标准所用的试剂和水,在没有其他特殊要求时,均使用分析纯试剂和蒸馏水或相当纯度的水。
5.1碘值的测定
按GB1986进行测定。
5.2酸值的测定
按GB/T14457.4进行测定。
5.3皂化值的测定
按GB9103进行测定。
5.4相对密度的测定
按GB/T14455.4进行测定。
5.5重金属的测定
按GB8451进行测定。
5.6砷含量的测定
按GB8450进行测定。
5.7α-甘油-酸酯含量的测定
按GB15612进行测定。
5.8游离甘油的测定
5.8.1试剂和溶液
国家轻工业局1998—08—17批准施
-TTKAONTKAca-
1999—05—01实
QB2396—1998
5.8.1.1三氯甲烷(GB682)分析纯。5.8.1.2碘化钾(GB1272)分析纯,15%溶液:15g碘化钾用水定容于100mL容量瓶,贮存于棕色瓶中。5.8.1.3冰乙酸(GB676)分析纯。5.8.1.4高碘酸(HG/T3-1086)分析纯:2.7g高碘酸溶于50mL蒸馏水中,然后再加950mL冰乙酸,将溶液避光保存。5.8.1.50.1mo1/L硫代硫酸钠标准溶液:按GB601方法配制和标定。5.8.1.61%淀粉指示液:按GB603方法配制。5.8.2游离甘油的测定
精确称取0.4g(准确至0.0002g)样品于150mL具塞分液漏斗中,加入50mL三氯甲烷,使样品溶解,如需要则冷却,然后加入25mL水振荡1min,如产生乳化,则加0.2mL冰醋酸破乳。再分别用25,20,20mL的水重复萃取三次,用150mL分液漏斗收集三氯甲烷溶液(油脂溶解在三氯甲烷中,甘油溶解在水中,分别称为三氯甲烷-油脂液和水-甘油液),将剩下的水-甘油液用湿润的滤纸过滤,用10mL水分两次洗涤滤纸,再加水稀释至100mL容量瓶中,吸取50mL溶液于250mL碘量瓶中,加入25mL高碘酸溶液摇匀,在25℃~30℃下放置30min,再加入100mL水和15%碘化钾溶液15mL,然后用0.1mo1/L硫代硫酸钠滴定,待棕色将要消失时,加入1%淀粉指示剂1mL,继续滴定至蓝色完全消失,即为终点。记下所消耗的硫代硫酸钠标准溶液的毫升数V,另用50mL水代替溶液作空白试验,记下所消耗的标准溶液的毫升数为Vo5.8.3分析结果的计算
X=25×0.0921c(V-Vo)x100%
式中:X一游离甘油,%;
C硫代硫酸钠标准溶液的浓度mo1/LV滴定中所消耗硫代硫酸钠标准溶液的体积mL;V。空白试验所消耗硫代硫酸钠标准溶液的体积mL;m样品的质量,g;
0.0921——甘油的毫摩尔质量,g/mmol。6检验规则
6:1本产品应经厂质量检验部门按本标准要求检验合格,并附上合格证后方可包装入库或出厂。
6.2以一次投料生产的产品为一批。6.3按产品包装单位总件数的5%取样,从每个包装单位中均匀取样200g,总量不少于400g,将取得的样品混合均匀,用四分法缩分至约100g,分别装入二只清洁、干燥、带磨口塞的广口瓶中,瓶上粘贴标签,注明生产厂名称、产品名称、批号、数量及取样日期,一瓶供试验用,一瓶留样备查。6。4碘值、酸值、皂化值、相对密度、α-甘油-酸酯含量、游离甘油为必检项目。其他指标均为型式检验项目,每半年检查一次。如果检验中有一项指标不符合本标准要求,则可在已包装的产品中重新取样,取样桶数不少于10桶,样品总质量约400g,经混合均匀后,重新作项目检验,如检验结果仍有一项不合格,该批产品判为不合格。
6:5使用单位可按本标准规定的技术要求、试验方法和检验规则对所收到的产品质量进行检验,检验其指标是否符合本标准的规定。国家轻工业局1998—08—17批准施
1999—0501实
QB2396—1998此内容来自标准下载网
6.6当供需双方对产品质量发生异议需要仲裁时,仲裁机构由双方协商选定,仲裁时应按照本标准规定的检验方法进行仲裁分析。7标志、包装、运输、贮存
7.1标志
产品的包装上应牢固标明生产厂名称、厂址、产品名称、商标、产品型号、批号、生产日期、保质期、产品的主要参数、净含量以及产品标准号、并标有“食品添加剂”字样。
7.2包装
0.D.0.型每桶净重量180kg,铁桶包装。0.D.0.-L型每桶净重25kg,用食用塑料桶包装。
允许每包装件重量误差不大于1%。7.3运输
运输时必须轻装轻卸,不得与有害、有毒和易污染物品混装载运,严防雨淋、曝晒。
7.4贮存
产品应存放在干燥、通风、清洁的地方,避免与有毒、有害、易腐、易污染等物品一起堆放。
8保质期
在符合本规定的贮运条件和包装完整、未经开启封口的情况下,保质期为一年。
国家轻工业局1998—08—17批准施
TTKAONTKAca-
1999—05—01实
小提示:此标准内容仅展示完整标准里的部分截取内容,若需要完整标准请到上方自行免费下载完整标准文档。
标准图片预览:




- 其它标准
- 热门标准
- QB轻工标准
- QB/T5302-2018 生活用干纸巾流延聚乙烯(CPE) 包装膜
- QB/T2833-2006 运动营养食品 能量控制食品
- QB/T1949-2004 扬琴
- QB/T2173-2001 尼龙拉链
- QB/T2421-1998 铝及铝合金不粘锅
- QB/T4701-2014 毛发护理器具环境意识设计导则
- QB/T2094.5-1995 鸡尾锯
- QB/T1272-2012 毛皮 化学试验样品的准备
- QB/T1753.3-1993 轻机产品图样及设计文件规定格式及填写要求
- QB/T1819-1993 R6纸板电池生产线
- QB/T2058-1994 照相灯泡
- QB/T2956-2008 皮鞋外底
- QB/T1334-2013 水嘴通用技术条件
- QB/T4427-2012 芸香浸膏 枫香树脂提取物
- QB6005-1992 麦芽厂设计规范
- 行业新闻
网站备案号:湘ICP备2025141790号-2