- 您的位置:
- 标准下载网 >>
- 标准分类 >>
- 医药行业标准(YY) >>
- YY 0076-1992 金属制件的镀层分类技术条件
标准号:
YY 0076-1992
标准名称:
金属制件的镀层分类技术条件
标准类别:
医药行业标准(YY)
标准状态:
现行出版语种:
简体中文下载格式:
.zip .pdf下载大小:
816.07 KB

点击下载
标准简介:
YY 0076-1992.
5验收规则 检验方法和标记
5.1制件镀层以件为单 位,由制造厂检验部门进行检验。
5.2镀层外观检验:大件每件均需检验;小件每批抽取3%以上进行检验。
5.2.1检验前,用清洁的软布或棉纱揩去试样表面的油污。
5.22检验时,应在 下列条件下以目力观察:
a. 试样 放置于无反光的白色平台上或无反射光线的白 色透射光下;
b.照度为200~300lx(相当于距40W日光灯500mm处的照度);.
c.试样表面与肉眼的距离为350mm。
5.2.3检验后的各种镀层外观分级要求应符合4. 3条中的规定。
5.3镀层厚度 及质量的检验按GB 6463中规定及相应的检验方法进行。
5.4镀覆层的 标记按GB 1238中的规定进行,即金属镀层的表示方法由三部分组成,每部分之间以圆点“●”相连接。排列顺序如下:
5.4.4镀覆后 外观级别以表4~12的级别代号表示,有光亮镀层Liang以Ls(全光亮)、L2(光亮)、L](半光亮)标记;钝化后的锌镀层和镉镀层,彩虹色DunCai以DC标记;银白色DunBai以DB标记,表面粗糙度代号按GB 1031中规定表示。
5.5须经镀覆的制件 ,在设计图样及其他设计文件上应按GB 1238的规定进行标记。
例1:电镀V类镍十铬镀层;全光亮;1级外观;R,0.20 pm其标记、外观级别及R.表示为:
D. L,Ni13/Cr0. 5;1级外观;R,0.20 um.
例2:电镀V类镍十镍+铬镀层;光亮;1级外观;R.0.20 pum其标记、外观级别及R.表示为:
D●L,Ni9/Ni4/Cr0. 5;1级外观;R,0. 20 μm。
例3:电镀N类锌镀层;彩虹色;2级外观;R,6.3 pm其标记、外观级别及R.表示为;
D. Zn20●DC;2级外观;R,6. 3 μm。

部分标准内容:
YY 0076- 92
金属制件的镀层分类
1992-01-20发布
技术条件
1992-07-01实施
国家医药管理局
中华人民共和国医药行业标准
金属制件的镀层分类
技术条件
1主题内容与适用范围
YY 0076-92
代替WS2173
本标准规定了医疗器械电镀层分类、应用范围、技术要求、验收规则、检验方法和标记的要求,本标准适用于金属制件的防护装饰性的单层(镍、铬、锌、、银、金、镉、黑镍)镀层和多层(镍十、镍十镶十铬、铜十镍+铬、铜锡合金十铬)镀层。2引用标准
GB1031表面粗糙度参数及其数值GB1238金属镀层及化学处理表示方法GB6463金属和其他无机覆盖层厚度测量方法评述3镀层分类
3.1按制件的.工作条件和结构要求,镀层分为下列六类。3.1.11~血类镀层——用于特殊结构要求的金属制件。3.1.2类镀层一一用于良好工作条件,如在轻微浸蚀性环境下使用的金制件。3.7.3V类镀层一用于一般工作条件,如在一般漫蚀性环境下使用的金属制件。一用于恶劣工作条件,如在严重浸蚀性环境下使用的金属制件。3.1.4订类镀层—
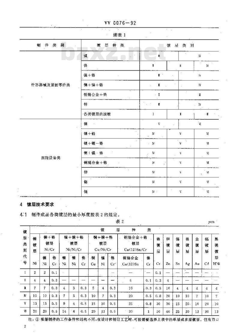
3.2镀层在各类医疗器裁产品中的应用范围如表1所示:表1
制件类别
接触内腔器械类
铜、铜合金及其他金属器械类
镀层种类
镖一铬
镶+镖+
镶+铬
镍+镶一铬
铜+镶+铬
各类镀层
国家医药管理局199201-20批准
KAOKAca
镶层类别
1992-07-01实施
制件类别
针形器械及紧面零件类
医院设备类
键层技术要求
镍+铬
YY0076-92
续表1
镶原种类.
镖+镍+铬
钢合金十
各类镀层的浚链
镍+铬
镍+镶一铬
镉丨镍·铬
羯合金十铬
制件成品各类镀层的最小厚度按表2的规定。表2
锦+铬
镍+锦+铬
Ni/Ni/Cr
钢+镶+
Cu/Ni/Cr
铜锡合金十铬
Cu(12)Sn/Cr
铜锡合金
Cu(12)Sn
镀层类别
注,①根据制件的工作条件和结构不同,在设计和制订工艺时,可按带要选择上表中的单层或多层寰层。但有刃口2
YY:0076-92
的于术器换不能果用铜层村底:铜制件镀银或键金时,要预先键上一层不少于 20 μm的谢底层或不少于20 μm的镶底层钢制件镀羯时,要顶先镀上一层不少于5m的铜底层。②表中所列的镀层厚度系指被测部位的最低值。镀层厚度应计入制件基本尺寸之内。4.2制件按需要分有光亮或无光亮的镀层,根据GB 1238中的规定有光亮镀层包括全光亮(L.),光亮(L,)、半光亮(L,),无光亮镀层为暗镀层。镀层与主体金属应有很好的结合力,镀层外观分级在各类医疗器械产品中的应用范围如表3所示:表3
外观分缀
制件类别
接触内腔器械类
其他手术器械类
针形器械类
兽医器械类
疗器械类
光学器械类www.bzxz.net
医院设备类
外观种类
4.3各类键层外观的分级要求应按表4~12的规定。4.3.1铬镀层外观的分级要求见表4。表4
链愿呈略显蓝的银白色,组织
细致紧密。表面应平滑、光亮如镜。
不允许有起层、起泡
除配合面和内表面镀不到的
部分外,均应镀上
衰而色释应均勾一致。
无光亮
不允许有擦伤、烧痕和可见的裂纹、针孔、麻点、斑点、毛刺。允许有轻微的擦毛和饮要部位上轻度的夹具接触瘦迹裘面色泽应均句。
不允许有携伤、烧痕和可觅的裂纹、针孔、毛刺。允许有轻度的擦毛和次要部位上轻度的麻点.斑点及央其接触痕迹
表面色泽较均句。
不允许有明显的撼伤、烧痕、裂纹和针孔允许有擦毛和轻度的麻点、斑点、毛刺及夹具接触痕迹HTYKAONTKACA
镀层呈略显蓝的银白色,组织
细致紧密。
不允许有起辰、起泡。
除配合面和内表面镀不到的
部分外,均应镀上
镍镀层外观的分级要求见表5。
YY0076—92
续表4
表面色译应均勾一致,丝纹应均。同
不允许有擦伤、烧痕和可见的裂纹、针孔、麻点、斑点、水溃、毛刺。允许有轻度的擦毛和次要部位上轻度的来具接触痕迹表面色泽应均匀,丝纹较均匀。不允许有擦怖、烧衰和可见的裂纹、针孔,毛。充许有轻度的捧毛、水溃和次要部位上的麻点,斑点及夹具接触痕迹
表面色泽较均勺匀。
不允许有明显的擦伤、瘦、裂纹和针孔。允许有捌毛和轻度的琳点、斑点、毛郁、水溃及夹具接触痕迹表5
表面色泽应均匀一致。
不允许有擦伤,烧痕和可见的裂纹、针孔、麻点,毛刺、流纹、花斑、椿皮
允许有轻微的擦毛和次要部位上轻度的挂具接触瘾迹键层呈略显黄的白色,组织
细致紧密,表面应平滑、光亮如
不允许有起层、起池。
除配合面和内表面键不到的
部分外,均应键
表面色泽应均匀。
不充许有擦伤、烧痕和可见的裂纹、针孔,毛刺、流纹、花斑、精皮、允许有轻度的擦毛和次要部位上轻度的点,挂具接触狼迹表面色泽较均与。
不允许有明显的擦恢、烧痕,针孔和补癌。允许有毛和轻度的麻点、毛刺、流纹、花斑、拮皮及挂具接触痕速
镀层呈略显黄的银白色,组织
细致紧密:
不充许有起层、起泡。
除配合面和内表面镀不到的
部分外,均应镀上,
铜镀层外观的分级要求见表6。
镀层呈瑰红色,组织细致紧
密,表面应光亮。
不允许有起层、起泡、擦伤、流纹和海缔状沉积层,允许有轻度
的擦毛
镀层呈说玫瑰红色,组织细致
紧密。
不充许有起层,起泡、操伤和
海绵状沉积层。
允许有轻度的撼毛、水溃
YY 0076--92
表面色泽应均勾一致,丝绞应均匀。同
不允许有撼伤、烧痕和可见的裂纹、针孔、麻点、毛刺、流纹、花斑,水渍。
允许有轻度的擦毛和欲要部位上轻度的挂具接触痕迹表面色泽应均勾,丝纹较均灯。不允许有明显的擦衔和烧痕、针孔。允许有轻度的擦毛和次要部位上轻度的麻点、毛刺、流纹,花斑、水溃及挂其接触痕迹
表面色泽较均匀。
不允许有明显的擦伤和针孔.
允许有擦毛和轻度的麻点、毛刺、流纹、花班、水渍、烧痕、补痕及挂具接触痕迹
表面应平清,色译应均勾。
不允许有瞬底和可见的针孔,麻点,斑点,毛刺。允许次要部位上有轻度的挂具接触痕迹表面色泽较均勺。
不允许有明显的针孔。
允许有轻度的麻点、斑点、毛刺和挂具接触痕迹,除配合面和内表面镀不到的部分外,均应镀上表面应平滑,色泽应均勾。
不允许有露底、流纹和可见的针孔、麻点,斑点、毛刺。允许次要部位上有轻度的挂其接触痕迹表面色降较均匀。
不允许有明显的针孔。
允许有轻度的流纹、麻点、斑点,毛刺和挂具接触痕避。除配合面和内表面镀不到的部分外,均应键上5
TKAONKACa
YY 0076--92
4.3.4铜锡合金镀层外观的分级要求见表7.表7
镀层基金赞色,继织细致紧
腾,表面应光亮。
不允许有趣尽、起泡、橡伤和
海绵状范积垦。
允许有轻度的擦毛。
除配合面和内表面键不到的
部分外,均应键上
镀层呈淡金黄色,组织细致紧
不允许有起层、起泡和海绵状
沉积层。
除配合面内表面键不到的
部分外,均应镀上
衰面应平滑,色泽应均勾;
不允许有流纹和可死的囊纹、针孔、麻点、毛刺。允许次要部位上有轻度的挂其接触痕迹表荫较平滑,色泽应均勾。
不充许有纹和可见的裂纹,射乳,允许次要部位上有轻度的麻点、毛刺和挂具接經痕迹面色泽较均勾。
不允许有明显的裂纹,针孔。
允许有轻度的流纹、麻点、毛刻和挂具接触痕迹麦面色择应均匀,丝纹应均匀
不充许有擦.流纹和可见的裂敏、针孔、麻点、斑点、毛刺。无许有轻度的续毛和次要部位上轻度药挂接熟痕迹表色泽应均与、丝纹较均匀。
不允许育快、迹敏和可见的裂统,针孔允许有操毛和次要部位上轻度的麻点、斑点、毛剂及挂具接融瘦趣
表面色泽较均匀。
不允许有明显的擦伤,裂纹和针孔。充许有操毛和轻度的流纹、麻点、斑点,毛刺及挂具接触换迹注:本我适用于含量为8%12%的销食金镀厚4.3.5锌镀层、辐镀层外观的分级要求见表8。6
YY 0076—92
钝化后的锌层、镉层吴银户色或彩虹色,组织紧密。
不允许有起层、起泡和海绵状沉积层,灰暗色条沉积层。
允许有斑点,水渡。
除配合面和内表面锻不到的部分外,均应镀上。
钝化膜不应有因软布搭试而报坏的现象
银镀层外观的分级要求见表9。
键层呈银白色,组织细致紧
密,表面应平滑、光亮如镜。
不允许有露底、起层、起泡、海绵状沉积层和擦伤
镀层皇银白色·组织细致紧
不允许有露底、起层、起泡、粉状沉积层擦伤。
允许有轻度的挂具接触痕速
4.3.7锡镀层外观的分级要求见表10。观
表面色泽应均句。
不允许有擦伤和炎端部位的粗糙沉积层。允许次要部位上有轻度的挂具接触衰迹表面色泽较均均。
不允许有明显的擦伤和尖端部位的粗糙沉积唇。允许有轻度的挂具接触痕迹
表面色泽应均勺一致。
不允许有擦毛、流纹和可见的斑点、毛刺。允许次要部位上有轻度的捷具接触痕迹表面色择均匀。
不允许有可见的流纹。
允许有轻度的擦毛、班点、毛刺和挂具接触痕迹表面色泽应均匀,丝纹应均匀。不充许有流纹和可见的斑点,毛剩及水渍。允许有轻度的携毛。
经钝化处理后,表面色泽应均匀衰面色泽较均匀。
允许有轻度的流纹、斑点、毛刺和水溃。经钝化处理后,表面色泽基本均匀TTKAONKAca-
镀层呈略显蓝的银白色,组织紧密。不允许有起层、起泡、海绵状沉积层粉状沉积层和摄伤。
YY.0076—92
允许有轻度的擦毛和次要部位上轻度的挂具接触衰迹
4.3.8黑镍镀层外观的分级要求见表11。外
镶层呈熙色,组织细致紧密,表面光亮。
不允许有起层、起池、擦伤和花斑。除配合面和内表面镀不到的部分外均应镀上
4.3.9金镀层外观的要求见表12。特
表面芭泽应均匀。
不充许有爵底,针孔、毛刺和灰暗色茶沉积层。允许有轻度的斑点、水溃
衰面色译较均。
允许有斑点、毛刺、水溃和轻魔的针孔、灰暗色条沉积层。除配合面和内表面键不到的部分外、均应镀上表11
表面应平滑色泽应均匀。
不允许有擦毛、灰暗色条沉积层和可见的针孔、麻点及毛刺。允许次要部位上有挂具接触痕迹。经封闭处理后,衰面色泽应均匀,不应有因软布措拭而摄坏的现象
裘面色泽较均匀。
不允许有灰暗粉状沉积层和可见的针孔,允许有轻度的襟毛和饮要部位上的麻点,毛剩及挂具接触痕迹。经封闭处理后,表面色泽基本均勾,不应有因软布措拭而损坏的现象
表面应平滑,组织细致紧密,色泽均匀。镀层呈金黄色,表面光亮
不允许有露底、起泡、擦毛、粗糖沉积层和可见的花斑、针孔、麻点及毛刺。允许次要部位上有轻度的挂具接触瘾迹4.4制件磨光前和镀覆后的表面粗糙度参数值应按表13的规定。镀层种类
有光亮
镶镀层
璐镶层
无光亮
有光亮
银轰层
无光亮
金镇层
YY 007692
有配合关系,几何形状要求不变,核角清晰无配合关系,几何形状允许有轻微的变形有配合关系,几何形状要求不变,校角清晰无配合关系,几何形状允许有轻微的变形有配合关系,儿何形状要求不变,棱角清晰无配合关系,几何形状允许有轻微的变形有配合关,几何形状要求不变棱角清晰无配合关系,几何形状允许有轻微的变形有配合关系,几何形状要求不变,校角清晰无配合关系,儿何形状允许有轻微的变形磨光前表面粗糙度
镀覆后表面粗尴度
注: ( 为保证镀层质量,制件磨光前的表面粗髓度参数值R。-般最大值应为 6. 3 m,医院设备类制件的 R。最大值为12.5m.镀覆后有光亮链层表面粗糖度参数值R最太值为0.4μm②多层链覆的镀层表面粗糖度参数值同铬镀层表面粗糙度参数值。②为达到上表内链覆后衣而粗糙度参数值的要求,在不允许进行磨光加工的部位或加工不到的部位应按实际情况降低磨光前衰面粗糙度参数值。5验收规则、检验方法和标记
5.1制件镀层以件为单位由制造厂检验部门进行检验。5.2镀层外观检验:大件每件均需检验小件每批抽取3%以上进行检验。5.2.1检验前,用清洁的软布或棉纱撒去试样表面的油污。5.2.2. 检验时,应在下列条件下以日力观塞;试样放置于无反光的白色平台上或无反射光线的白色透射光下;b.
照度为200~300[x(相当于距40w日光灯500mm处的照度):试样表面与肉眼的距离为350 mm。5.2.3检验后的各种镀层外观分级要求应符合4.3条中的规定。5.3镀层厚度及质量的检验按GB6463中规定及相应的检验方法进行。5.4镀覆层的标记接GB1238中的规定进行,即金属镀层的表示方法由三部分组成,每部分之间以圆点”·”相连接。排列顺序如下:TKAONIKACa
YY 0076—92
后处理
镀层厚度
镀层名称
镀层特征
镀覆方法
5.4.1镀覆方法以汉语拼音字母中首位字母表示。a.
电镀 Dian 以D 标记。
b.化学镀Hua 以H标记。
热漫镀 Jin 以J 标记。
镀层种类以金属元素化学符号表示,镀层厚度以阿拉伯数字表示。光亮度等级参考表:
光亮度等级
基体表面
L艺方法示例
镀层表面
电解液
全光亮
无增光剂
不抛光
有增光剂
半光亮
不抛光
不抛光
有增光剂
不抛光
不抛光
无增光剂
注:{1)在无仪器测量光亮度时,以表中列举的工艺方法来表示光亮度概念。这些工影方法并非是唯,的方法。2基体键前表面粗度参数值由各部门各单位自行规定5.4.4镀覆后外观级别以表4~12的级别代号表示,有光亮镀层Liang以L(全光亮),I-(光亮),J-(半光亮)标记;钝化后的锌镀层和镉镀层,彩虹色 Dun Cai以 DC 标记;银白色 Dun Bai 以 DB 标记,表面粗糙度代号按GB1031中规定表示。5.5须经键覆的制件,在设计图样及其他设计文件上应按GB1238的规定进行标记。例1:电镀V类十铬镀层;全光亮,1级外观,R,0.20μm其标记、外观级别及R,表示为:D-L,Ni13/Cro.5,1级外观,R.0.20μm。例2:电镀V类镍+镍+铬镀层:光亮:1级外观;R.0.20μm其标记、外观级别及R表示为:D.L,Ni9/Ni4/Cr0.5;1级外观,R.0.20 um。例3:电镀W类锌镀层:彩虹色:2级外观;R.6.3μm其标记、外观级别及R。表示为D.Zn20·DC;2级外观;Ra6.3μm。10
附加说明;
本标准由上海医疗器械检测中心归口。YY 0076--92
本标准由中国,海医疗器械检测中心负责起草。本标准主要起草人丁惠芳。
YYKAONYKAca
小提示:此标准内容仅展示完整标准里的部分截取内容,若需要完整标准请到上方自行免费下载完整标准文档。

标准图片预览:





- 热门标准
- YY医药标准
- YY0709-2009 医用电气设备 第1-8部分:安全通用要求 并列标准:通用要求 医用电气设备和医用电气系统中报警系统的测试和指南
- YY0227-1995 锤式粉碎机
- YY0460-2003 超声洁牙设备
- YY0493-2004 牙科学弹性体印模材料
- YY/T0014-2005 半自动生化分析仪
- YY/T0920-2014 ISO 21535 :2007 无源外科植入物关节置换植入物髋关节置换植入物的专用要求
- YY/T1168-2009 巧克力琼脂基础培养基
- YY/T1137-2017 骨锯通用技术条件
- YY/T1555.2-2018 硅凝胶填充乳房植入物专用要求硅凝胶填充物性能要求 第2部分:可浸提物质限量要求
- YY/T1286.1-2015 血小板贮存袋性能 第1部分:膜材透气性能测定压差法
- YY/T1516-2017 泌乳素定量标记免疫分析试剂盒
- YY1412-2016 心肺转流系统离心泵
- YY/T0987.2-2016 外科植入物磁共振兼容性 第2部分:磁致位移力试验方法
- YY0032-1990 血红蛋白计
- YY0450.2-2003 ISO 14972 : 1998 一次性使用无菌血管内导管辅件 第2部分:套针外周导管管塞
- 行业新闻
网站备案号:湘ICP备2023016450号-1