- 您的位置:
- 标准下载网 >>
- 标准分类 >>
- 医药行业标准(YY) >>
- YY 0059. 2-1991 牙科手机7号牙科直手机
标准号:
YY 0059. 2-1991
标准名称:
牙科手机7号牙科直手机
标准类别:
医药行业标准(YY)
标准状态:
现行出版语种:
简体中文下载格式:
.zip .pdf下载大小:
140.50 KB
点击下载
标准简介:
YY 0059. 2-1991.
4.5夹持 切削工具的性能应符合下列规定.
4.5.1弹簧夹头应能夹持杆部直径为2.31~2.38mm的切削工具。
4.5.2用不大于40 N拉力拨后套,拨出长度为6~10 mm。.
4.5.3被夹紧的切削工具在承受30 N的轴向拉力时,不得拨出.
4.5.4被夹紧的切削工具承受0.05N●m转矩时,它和弹赞夹头不得在前轴内打滑转动。
4.5.5后套推入后,切削工具应能顺利插入或取出,无阻碍现象。
4.6 切削工具被夹紧后,转动时,在距离插入口15 mm长度范围内的径向跳动允差应不大于
4.7手机前轴转动应灵活,其轴向移动量为0. 03~0.15 mm.
4.8手机运转时,各部分工作应稳定,振动值应不大于40 m●s-',响声应轻微均匀,无尖厉杂声。
4.9前轴连续运转 20 min后,手机表面温升应不超过15C.
4.10手机与联接器的配合性能应良好,装卸应方使。
4.11手机外形 应整齐,滚花应清晰,不得有锋棱、毛刺。
4.12手机外表 可喷细砂,滚花和凹槽应光泽处理,各电镀件应符合ws 2-1中规定的Iv类要求。
4.13手机的外套前段露出表面粗糙度R.值不大于0. 8 pm,其余不大于0. 4 pm(喷砂手机的外表无粗糙度指标)。
5试验方法
5.1表面粗槛度按样块比较法或电测法进行测试。
5.2夹持切削工具性能检验:将杆部直径为2. 35. 8.20 mm,粗糙度之数值为1.6 pm的试杆插入手机中,插进长度应不少于26 mm,然后以不大于40 N拉力拨出后套,使试杆夹紧。
5.2.1测量后 套拉出长度应符合第4. 5. 2条的规定。
5.2.2在试杆上施以轴向拉力30N时,试杆不得拨出.
5.23在试杆上施以稳定扭转力矩0. 05 N●m时,试杆和弹贽夹头不得在前轴内打滑转动。
5.2.4切削工具装卸性能检验:仿使用动作,将锁紫杆旋松,插入切削工具,然后旋紧锁紧杆,多次装卸,应无阻碍现象。
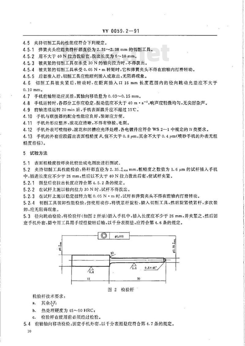
5.3径向跳动检验 :将检验杆(如图2所示)插入手机中,插入长度应不少于26 mm ,并夹紧之,然后固定手机外套,籍专用工具用手级慢旋转后轴,以千分表测量,应符合第4. 6条的规定。
部分标准内容:
牙科手机7号牙科直手机
1主题内容与适用范围
YY0059.2-91
代替WS2—58-73
本标准规定了7号牙科直手机(以下简称手机)的产品分类、技术要求、试验方法、检验规则及标志包装、运输,贮存的要求
本标准适用于7号牙科直手机,该产品供口腔科夹持切削工具进行钻、磨牙等手术用,2
引用标准
ZBC30002.2口腔科器械和设备名词术语设备及器具
GB5046.1牙科旋转器械配合尺寸WS2-1金属制件的镀层分类、技术条件GB2828逐批检查计数抽样程序及抽样表(适用于连续批的检查)ZBC30001手术器械标志
GB191包装储运图示标志
3产品分类
3.1手机的基本尺寸和极限偏差应符合图1的规定。国家医药管理局1991-11-21批准8
1992-09-01实施
YY0059.2—91
1-外套前段;2-弹簧夹头;3—夹头顶:4-前轴5—锁紧杆,6—锁紧齿条,7—外套:8-后轴汞:9接合头,10-后套3.2手机的基本参数应符合下列规定。3.2.1最高使用转速:8000r/min。3.2.2重量:不大于80g。
4技术要求
4.1手机应符合本标准的要求,并按规定程序所批准的图样及文件制造。4.2手机工作条件应符合下列规定。4.2.1手机应插接在联接器上使用。4.2.2切削工具杆部插入手机的长度为26~31mm。4.3手机应能正反向旋转。
4.4手机的接合头、弹赞夹头、外套前段和后轴承应经热处理,其硬度为436~509HVo.3。YY0059.2--91
4.5夹持切削工具的性能应符合下列规定。4.5.1弹簧夹头应能夹持杆部直径为2.31~2.38mm的切削工具。4.5.2用不大于40N拉力拨后套,拨出长度为6~10mm。4.5.3被夹紧的切削工具在承受30N的轴向拉力时,不得拨出。4.5.4被夹紧的切削工具承受0.05N·m转矩时,它和弹簧夹头不得在前轴内打滑转动。4.5.5后套推入后,切削工具应能顺利插入或取出,无阻碍现象。4.6切削工具被夹紧后,转动时,在距离插入口15mm长度范围内的径向跳动允差应不大于0.10mm。
4.7手机前轴转动应灵活,其轴向移动量为0.03~0.15mm。4.8手机运转时,各部分工作应稳定,振动值应不大于40m·s-2,响声应轻微均匀,无尖厉杂声。4.9前轴连续运转20min后,手机表面温升应不超过15C。4.10手机与联接器的配合性能应良好,装卸应方便。4.11手机外形应整齐,滚花应清晰,不得有锋棱、毛刺。4.12手机外表可喷细砂,滚花和凹槽应光泽处理,各电镀件应符合WS2—1中规定的IV类要求。4.13手机的外套前段露出表面粗糙度R.值不大于0.8μm,其余不大于0.4μm(喷砂手机的外表无粗糙度指标)。
5试验方法
5.1表面粗糙度按样块比较法或电测法进行测试。5.2夹持切削工具性能检验:将杆部直径为2.35_.01mm,粗糙度之数值为1.6μm的试杆插入手机中,插进长度应不少于26mm,然后以不大于40N拉力拨出后套,使试杆夹紧。5.2.1测量后套拉出长度应符合第4.5.2条的规定。5.2.2在试杆上施以轴向拉力30N时,试杆不得拨出。5.2.3在试杆上施以稳定扭转力矩0.05N·m时,试杆和弹贫夹头不得在前轴内打滑转动。5.2.4切削工具装卸性能检验:仿使用动作,将锁紧杆旋松,插入切削工具,然后旋紧锁紧杆,多次装卸,应无阻碍现象。
5.3径向跳动检验:将检验杆(如图2所示)插入手机中,插入长度应不少于26mm,并夹紧之,然后固定手机外套,籍专用工具用手级慢旋转后轴,以千分表测量,应符合第4.6条的规定。O
图2检验杆
检验杆技术要求:
热处理硬度为45~50HRC,
检验杆在使用前必须经过检验。c.
5.4前轴轴向移动检验:固定手机外套,以千分表测量应符合第4.7条的规定。10
YY0059.2-9i
5.5手机振动试验:把手机的外套后段固定在V型铁上,车绳带动手机,使手机上的转速不小于10000r/min,把装接传感器的磁性吸座吸住手机的外套前段,传感器的电缆绳一端插接在振动测量仪面板上的“传感器输入部位”,接通电源,工作指示灯亮,然后进行振动试验符合第4.8条规定。测试步骤如下:
面板上(见图3)的传感器灵敏度”,拨盘上数值应与计量检定证书上规定的灵敏度数值一致。a.
按一下面板上刻有A的直键开关。b.
把倍率开关调到“×100”。
d.再按一下面板的左下方第一格(表示表上的满量程值为0.1ms-2)直键开关,面板的左上方显示表头的第一行读数乘以“×100”倍率,即为实测值。如果在工作时显示表上的表头超出指示值,应按第2或第3格直键开关。
过荷指示
nm·s-1
据动测量仪
传感器灵敏度pc/(m·s-)
工作指示
传感器辅入
国告长江科学仪限厂
5.6温升检验:将半导体点温计调整好,测出周围环境温度,手机装上合格的齿用钻头后,以感温元件与手机外套前段良好地接触,手机以不小于10000r/min的转速连续运转20min后,测出其温度指示值与周围环境温度之差值即为温升值,应符合第4.9条的规定。6检验规则
6.1手机应由制造厂技术检验部门进行检验,合格后方可提交验收。6.2手机必须成批提交检查,检查为逐批检查。6.3逐批检查
6.3.1逐批检查应按GB2828的规定进行。6.3.2抽样方案类型采用一次抽样,抽样方案严格性从正常检查抽样方案开始,其检查分类、检查项目、检查水平和AQIL(合格质量水平)按表1的规定。11
不合格分类
不合格分类组
检查项目
检查水平
6.4转移规则
YY0059.2---91
6.4.1手机在进行正常检查时,若在不多于连续五批中有二批初次检查(不包括再次提交检查批)不合格,则从下一批检查转到加严检查,在修正缺陷时,若影响其他试验组,再检查哪些项目,由质量部门和接收方决定。免费标准bzxz.net
6.4.2从加严检查到正常检查,从正常检查到放宽检查,从放宽检查到正常检查,从加严检查到暂停检查应符合GB2828的规定。
7标志、包装、运输、贮存
7.1每只手机应按ZBC30001中规定,应有下列标志:a.
制造厂代号或商标;
b.出品年代(最后两位数字)。7.2手机应有良好的小包装和大包装。7.2.1小包装应符合下列要求。
7.2.1.1每只手机应经汽油清洗,并在转动摩擦部位加注润滑油,外表应涂中性防锈剂,然后装入中性塑料袋,并须密封,然后每只手机应装入盒内,盒内应有使用说明书、检验合格证各1份,检验合格证上应有下列标志:
制造厂名称:
检验员代号。
7.2.1.2盒上应有下列标志:
制造厂名称;
产品名称;
数量。
7.2.1.3盒上应贴有封签,封签上应有下列标患:a.
封贴日期;
包装员代号。
7.2.2大包装应符合下列要求。
同一规格的手机应装入一箱内,箱上应有下列标志:a.
制造厂名称:
产品名称:
数量;
重量:
体积;
出广日期;
g.厂址:
YY0059.2—91
h。“向上”、“怕湿”等字体或标志,应符合GB191中的有关规定。箱上的字体和标记应保证不应历时较久而模糊不清。7.3运输要求按订货合同规定。
7.4包装后的手机应保管在相对湿度不大于80%左右,无腐蚀气体和通风良好的室内。附加说明:
本标准由全国口腔材料和器械设备标准化技术委员会提出。本标准由广东医疗器械质基检测中心归口。本标准由上海齿科器械厂负责起草。本标准主要起草人陈锦诚、陆桂昌、周国财。13
小提示:此标准内容仅展示完整标准里的部分截取内容,若需要完整标准请到上方自行免费下载完整标准文档。
标准图片预览:





- 其它标准
- 热门标准
- YY医药标准
- YY0310-1998 X射线计算机体层摄影设备通用技术条件
- YY/T0108-2008 超声诊断设备M模式试验方法
- YY/T0454-2008 无菌塑柄手术刀
- YY/T0873.3-2014 ISO 6360-3: 2005 牙科旋转器械的数字编码系统 第3部分:车针和刃具的特征
- YY/T0643-2008 IEC/TR 60854: 198G 超声脉冲回波诊断设备性能测试方法
- YY0449-2003 超声多普勒胎儿监护仪
- YY0801.2-2010 ISO 9170-2 :2008 医用气体管道系统终端 第2部分:用于麻醉气体净化系统的终端
- YY/T0704-2008 IEC 61895: 1999 超声脉冲多普勒诊断系统性能试验方法
- YY/T0127.15-2018 口腔医疗器械生物学评价 第15部分:亚急性和亚慢性全身毒性试验:经口途径
- YY/T0915-2015 ISO 27020:2010 牙科学正畸用托槽和颊面管
- YY0574.3-2005 ISO 9703-3: 1992 麻醉和呼吸护理报警信号 第3部分:报警应用指南
- YY1120-1999 口腔灯
- YY/T0606.14-2014 组织工程医疗产品 第14部分:评价基质及支架免疫反应的试验方法:ELISA法
- YY/T1555.1-2017 硅凝胶填充乳房植入物专用要求硅凝胶填充物性能要求 第1部分:易挥发性物质限量要求
- YY/T0457.2-2003 IEC 61262-2. 1994 医用电气设备光电X射线影像增强器特性 第2部分:转换系数的测定
- 行业新闻
网站备案号:湘ICP备2025141790号-2