- 您的位置:
- 标准下载网 >>
- 标准分类 >>
- 医药行业标准(YY) >>
- YY 0460-2009 超声洁牙设备
标准号:
YY 0460-2009
标准名称:
超声洁牙设备
标准类别:
医药行业标准(YY)
标准状态:
现行出版语种:
简体中文下载格式:
.zip .pdf下载大小:
365.02 KB
点击下载
标准简介:
YY 0460-2009.Ultrasonics dental descaler equipment.
5试验方法
5.1尖端主振 动偏移试验
尖端主振动偏移按照YY/T 0751- -2009 中6.1规定的试验方法进行。可采用光学显微镜法或载玻片法。
光学显微镜法是仲裁试验法。
5.2尖端振动频率试验
尖端振动频率按照YY/T 0751- 2009 中6. 2规定的试验方法进行。可采用测振计法或频率计法。频率计法是仲裁试验法。
5.3半偏移 力试验
半偏移力按照YY/T 0751- 2009中6.3规定的试验方法进行。
5.4尖端主振动偏移的调节试验
分别将尖端主振动偏移调节在最大和最小状态,测量主振动偏移,观察其调节范围能否降低到最大值的50%以下。
5.5冲 洗水压或流量的调节试验
调节冲洗水压或流量,观察能否在零到最大值的范围内调节。
5.6安全
仪器的通用安全要求按照GB9706.1的规定执行。
5.7电源电压适应能力
5.7.1采用交流电源供电的仪器,在交流220V士22V的范围内,检查仪器各项功能。
5.7.2采用电池供电的仪器,用外接稳压电源调至额定电压值90%开机工作,检查仪器各项功能。
5.7.3对交直流两用的仪器,应同时试验其交、直流电源适应能力。
5.8连续工 作时间
采用交流电源供电的仪器,仪器在工作状态连续开机4h后,检查仪器各项功能。
采用电池供电的仪器,在电池正常情况下,工作到企业标准规定或使用说明书公示的持续时间后,检查仪器各项功能。
5.9外观和调节机构
通过目力观察和实际操作检查,核实是否符合4.9要求。
部分标准内容:
中华人民共和国医药行业标准
YY0460-2009
代替YY04602003
超声洁牙设备
Ultrasonirs dental descaler equipment2009-11-15 发布
国家食品药品蓝督管理局
2010-12-01实施
中华人民共和国医药
行业标准
超声洁牙设备
YY0460—2009
中国标准出版社出版发行
北京复兴门外三里河北街 16 号邮政编码:100045
网址 spc. net. en
电话:6852394668517548
中国标推出版杜案皇岛印刷厂印刷各地新华书店经销
01/16印张0.5
开本880×1230
字数 8 千字
2010 年 3月第版 2010 年 3月第一次印刷+
书号:155066·2·20349
如有印装差错
定价14.00元
由本社发行中心调换
版权专有侵权必究
举报电话:(010)68533533
本标准的4.5、4.9和4.10为推荐性要求,其余为强制性要求。本标准代替YY0460—2003超声洁牙设备》。本标准与YY04602003相比主要变化如下;a)删除了原标推第章\符号\;b)
YY0460—2009bZxz.net
在第1章“要求\中,增加了制造商公布的尖端主振动偏移、尖端振动频率和半偏移力3项指标与实数据偏差的规定,增如了对仪器功能的要求;简化『对试验方法的阐述,本标准的毛要性能试验方法直接引用YY/T07512009c
(IFC 61205)《超声洁牙设备输出特性的测和公布》:d)
简化了第7章“检验规则”中出厂检验的内容;删除了原标推第8章“标志和使用说明书”;f)删除了原标准中用来描述试验方法原理的和资料性附录A,附录B和附录D;g)全面贯彻通用安全标准CB9706.1—2007,删除了原标准的规范性附录 C。本标准由全国医用电器标推化技术委员会医用超声设备标准化分技术委员会(SAC/TC10/SC2)归口。
本标准起草单位:国家食品药品监督管理局潮北医疗器械质量监督检验中心。本标准主要起草人:王志俭、忙安石。本标准于2003年6月首次发布。
1范围
超声洁牙设备
本标准规定了超声洁牙设备的术语和定义、要求、试验方法和检验规则。YY0460--2009
本标准适用于在18kHz~60kHz题率范围内、由超声换能器产生连续或准连续波超声能量的超声洁牙设备(以下简称仪器)。2规范性引用文件
下列文件中的条款通过本标准的引用而成为本标准的条款。凡是注口期的引用文件,其随后所有的修改单(不包括勘误的内容)或修订版均不适用于本标准,然而,鼓励根据本标准达成协议的各方研究是否可使用这些文件的最新版本。凡是不注日期的引用文件,其最新版本适用于本标准。GB9706.1-2007医用电气设备第1部分:安全通用要求(IEC60601-1:1988,1DT)GB/T14710医用电器环境要求及试验方法YY/T07512009超声洁牙设备输出特性的测量和公布(IEC612051:1988,IDT)3术语和定义
下列术语和定义适用于本标准。3.1
半偏移力
half-excursion force
尖端必须与载玻片接触,所施加的力,使得0.15N土0.02N接触力条件下的尖端主振动偏移降低50%。
尖端主振动偏移
primarytipvibration excursion在作用头上距尖端不超过1mm距离的点处,在最大振幅方向上,作用头的峰值至峰值位移。3.3
尖端振动频率tipvibrationfrequcncy作用头尖端振动的基频,
4要求
4.1尖端主振动偏移
制造商应在随机文件中公布尖端主振动偏移的数值,公布值与实测值的偏差宜在士50%的范用之内或符合制造商的规定。4.2尖端振动频率
制造商应在随机文件中公布尖端振动频率的数值。公布值与实测值的偏差宜在十10%的范用之内或符合制造商的规定。4.3半偏移力
制造商应在随机文件中公布半偏移力的数值,公布值与实测值的偏差宜在土50%的范围之内或符合制造商的规定。4.4尖端的主振动偏移的调节
尖端的主振动偏移应能调节,其调节范自能降低到最大值的50%以下。YY0460—2009
冲洗水压或流量的调节
冲洗水压或流应能在零到最大值的范围内调节。安全要求
仪器的通用安全应符合GB9706.1的要求,制造商应在产品标推中明确主要安全特征。电源电压适应能力
4.7.1采用交流电源供电的仪器,在交流220V士22V的范围内,仪器应能常工作。4.7.2采用电池供电的仪器,在电压下降至额定值的90%时,仪器应能正常工作。连续工作时间
采用交流电源供电的仪器,在常温下应能连续工作4h以采用电池供电的仪器,连续工作时间应达到制造商在随机文件中公布的数值。外观和结构要求
外观和结构应符合如下要求:
a)外表应色泽均勾、表面整洁,无划痕、裂缝等缺陷;面板上文字和标志应清楚易认,持久;b
控制和调节机构应灵活、可靠,紧固部位无松动;c
d)管道密封无泄露。
4.10功能要求
仪器应具备制造商在随机文件或使用说明书中规定的各项功能。4.11环境试验要求
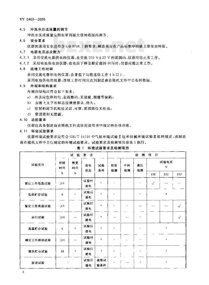
仪器坏境试验要求应符合GB/T14710中气候环境试验Ⅱ组和机械环境试验Ⅲ组的规定,或制造商在随机文件中白行规定的环境试验要求。试验要求及检测项目按表1执行。表1
环境试验要求及检测项目
试验项目
定上作低温试验
低湿贮存试验
额定工作高温试验
运行试验
高温贮释试验
额定工作湿热试验
避热些存试验
振动试验
试验时
试验后
试验时
试验时
试验后
试验时
试验所
试验后
基雄试
验条件
试验电压
试验项目
硅撞试验
运输试验
3按制造商规定的恢复时间恢复,按制造商规定的试验条件进行试验。5:按制造商越定的测试项首试验口 按制造商规定的测试用电压试验。5试验方法
5. 1 尖端主振动偏移试验
域验后
试骏后
表1(续)
基准试
验条件
基准试
验条件
YY 0460-2009
试验电蓝
尖端主振动偏移按照YY/I07512009中6.1规定的试验方法进行。可采用光学显微镜法或载玻片法。
光学显微镜法是仲裁试验法。
5.2尖端振动频率试验
尖端振动频率按照YY/I07512009中6.2规定的试验方法进行。可采用测振计法或频率计法。频率计法是仲裁试验法。
5.3半偏移力试验
半偏移力按照 YY/T 0751—2009中6.3规定的试验方法进行5.4尖端主振动偏移的调节试验
分别将炎端主振动偏移调节在最大和最小状态,测量主振动偏移,观察其调节范画能否降低到最大值的 50%以下。
5.5冲洗水压或流量的调节试验
调节冲洗水压或流童,观赛能否在零到最大值的范围内调节。5.6安全
仪器的通用安全要求按照GB9706.1的规定执行。5.7电頭电压适应能力
5.7.1采用交流电源供电的仪器,在交流220V十22V的范围内,检查仪器各项功能。5.7.2采用电池供电的仪器,用外接稳压电源调至额定电压值90%开机工作,检查仪器各项功能。5.7.3对交直流两用的仪器,应同时试验其交、直流电源适应能力。5.8连续工作时间
来用交流电源供电的仪器,仪器在工作状态连续开机4h后,检套仪器各项功能。采用电池供电的仪器,在电池正常情况下,工作到企业标准规定或使用说明书公示的持续时问后,检查仪器各项功能。
5.9外观和调节机构
通过目力观察和实际操作检查,核实是否符合4.9要求。YY0460—2009
5.10功能检查
按照仪器使用说明书的规定,对迁要功能进行逐项检查,核实其能否正常工作。5.11环境试验
仪器的环境试验应按GB/T 14710规定的方法及程序执行。6检验规则
6. 1 检验分类
产品检验分出!检验利型式检验。6.2出厂检验
出厂检验的检验项Ⅱ和判定规则由制造商自行规定,6.3型式检验
6.3.1在下列情况之一时,应逃行型式捡验:a)注册检验;
b)长期停产后再恢复生产;
)在设计、1艺或材料有重人改变可能引起仪器性能改变时,6.3.2型式试验的项目为本标准的全部项目,别式试验的样本数量为2台。6.3.3型式试验判定规则型式检验时,安全检验项目必须全部符合本标准的要求。在性能检验的项百中,若山现不符个术标推要求的项口不多于2顶时,允许对不合格项进行修复。谢整修复后,复测必须个部符合要求,否贿判为不合格。版权专有侵权必究
书号:155066-2-20319
YY 0460-2009
定价:
14.品元
小提示:此标准内容仅展示完整标准里的部分截取内容,若需要完整标准请到上方自行免费下载完整标准文档。
标准图片预览:





- 其它标准
- 热门标准
- YY医药标准
- YY/T1523-2017 二氧化碳测定试剂盒(PEPC酶法)
- YY/T0735.1-2009 ISO 9360-1 :2000 麻醉和呼吸设备湿化人体呼吸气体.的热湿交换器(HME) 第1部分:用于最小潮气量为250 mL的HME
- YY/T0652-2008 ISO 17853 :2003 植入物材料的磨损聚合物和金属材料磨屑分离、表征和定量分析方法
- YY/T1636-2018 组织工程医疗器械产品再生膝关节软骨的体内磁共振评价方法
- YY0762-2009 眼科光学囊袋张力环
- YY0004-1990 普通胸腔镊
- YY/T0703-2008 IEC 61390: 1996 超声实时脉冲回波系统性能试验方法
- YY/T0211-1995 药用中间体 青霉素钾
- YY/T0663-2008 无源外科植入物 心脏和血管植入物的特殊要求 动脉支架的专用要求
- YY/T0452-2003 止血钳
- YY0476-2004 眼内冲洗灌注液
- YY0781-2010 血压传感器
- YY/T0916.1-2014 医用液体和气体用小孔径连接件 第1部分:通用要求
- YY/T0182-2013 宫内节育器取出钩
- YY/T1268-2015 环氧乙烷灭菌的产品追加和过程等效
- 行业新闻
网站备案号:湘ICP备2025141790号-2