- 您的位置:
- 标准下载网 >>
- 标准分类 >>
- 国家标准(GB) >>
- GB/T 38924.2-2020 民用轻小型无人机系统环境试验方法第2部分:低温试验
标准号:
GB/T 38924.2-2020
标准名称:
民用轻小型无人机系统环境试验方法第2部分:低温试验
标准类别:
国家标准(GB)
标准状态:
现行出版语种:
简体中文下载格式:
.zip .pdf下载大小:
378.70 KB
点击下载
标准简介:
GB/T 38924.2-2020.Environmental test methods for civil small and light unmanned aircraft system-Part 2: Low-temperature test.
1范围
GB/T 38924的本部分规定了民用轻小型无人机(起飞重量在0.25 kg~150 kg之间)系统(含飞行器和地面站)低温试验的试验条件、试验设备和仪器、试验过程、试验中断和恢复、试验结果评定和试验报告。
GB/T 38924.2适用于在使用过程中可能会受到低温环境影响的民用轻小型无人机系统,以此来确定民用轻小型无人机系统对低温环境的耐受能力。
2规范性引用文件
下列文件对于本文件的应用是必不可少的。凡是注日期的引用文件,仅注日期的版本适用于本文件。凡是不注日期的引用文件,其最新版本(包括所有的修改单)适用于本文件。
GB/T 38924.1-2020民 用轻小型无人机系统环境试验方法第 1部分:总则
3术语和定 义
GB/T 38924.1-2020界定的以及下列术语和定义适用于本文件。.
3.1
低温贮存温度 storage low temperature
在贮存或暴露于气候极值期间,设备预期通常会暴露于其中的最低的地面温度。.
3.2
低温工作温度 operating low temperature
设备正常暴露于其中并要求工作的最低温度。
4试验条件
4.1低温贮存试验条件
4.1.1概述
除另有规定外,低温贮存试验应按照下述试验条件进行。
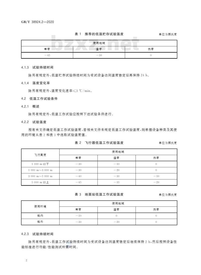
4.1.2 试验温度
按有关文件确定低温贮存试验温度,若相关文件未规定低温贮存试验温度,则根据设备预期使用的地域从表1中选取试验温度值。
4.1.3试验持续时间
除另有规定外,低温贮存试验持续时间为受试设备达到温度稳定后再保持24h。
4.1.4 温度变化率
除另有规定外,温度变化速率≤3 °C/min。
4.2低温工作试验条件
4.2.1概述
除另有规定外,低温工作试验应按照下述试验条件进行。
部分标准内容:
中华人民共和国国家标准
GB/T38924.2—2020
民用轻小型无人机系统环境试验方法第2部分:低温试验
Environmental test methodsfor civil smallandlight unmannedaircraft system-Part2:Low-temperaturetest
2020-07-21发布
国家市场监督管理总局
国家标准化管理委员会
2021-02-01实施
规范性引用文件
术语和定义
试验条件
低温贴存试验条件
低温工作试验条件
受试设备
试验设备和仪器
试验过程
低温贮存试验
低温工作试验
7试验中断和恢复
欠试验中断
过试验中断
8试验结果评定
低温贮存试验结果
低温工作试验结果wwW.bzxz.Net
试验报告
GB/T38924.2—2020
GB/T38924《民用轻小型无人机系统环境试验方法》分为以下部分:第1部分:总则;
第2部分:低温试验;
第3部分:高温试验;
第4部分:温度和高度试验;
——第5部分:冲击试验;
第6部分:振动试验;
第7部分:湿热试验;
第8部分:盐雾试验;
第9部分:防水性试验
第10部分:砂尘试验;
本部分为GB/T38924的第2部分
本部分按照GB/T1.1—2009给出的规则起草本部分由全国航空器标准化技术委员会(SAC/TC435)提出并归口。GB/T38924.2—2020
本部分起草单位:中国航空综合技术研究所、深圳市科比特航空科技有限公司、西北工业大学、西安爱生技术集团公司。
本部分主要起草人:徐明、孙瑞锋、卢致辉、蔡良续、李敏伟、车嘉兴、曹国杰、胡永红、吴锦维、陈亭屹、刘郁笑。
1范围
民用轻小型无人机系统环境试验方法第2部分:低温试验
GB/T38924.2—2020
GB/T38924的本部分规定了民用轻小型无人机(起飞重量在0.25kg~150kg之间)系统(含飞行器和地面站)低温试验的试验条件、试验设备和仪器、试验过程、试验中断和恢复、试验结果评定和试验报告。
本部分适用于在使用过程中可能会受到低温环境影响的民用轻小型无人机系统,以此来确定民用轻小型无人机系统对低温环境的耐受能力。规范性引用文件
下列文件对于本文件的应用是必不可少的。凡是注日期的引用文件,仅注日期的版本适用于本文件。凡是不注日期的引用文件,其最新版本(包括所有的修改单)适用于本文件GB/T38924.1一2020民用轻小型无人机系统环境试验方法第1部分:总则术语和定义
GB/T38924.1一2020界定的以及下列术语和定义适用于本文件。3.1
storagelowtemperature
低温购存温度
在贮存或暴露于气候极值期间,设备预期通常会暴露于其中的最低的地面温度3.2
低温工作温度
operatinglowtemperature
设备正常暴露于其中并要求工作的最低温度4试验条件
4.1低温贮存试验条件
4.1.1概述
除另有规定外,低温贮存试验应按照下述试验条件进行。4.1.2试验温度
按有关文件确定低温贮存试验温度,若相关文件未规定低温贮存试验温度,则根据设备预期使用的地域从表1中选取试验温度值。
GB/T38924.2—2020
试验持续时间
推荐的低温贮存试验温度
使用地域
除另有规定外,低温贮存试验持续时间为受试设备达到温度稳定后再保持24h。4.1.4温度变化率
除另有规定外,温度变化速率≤3℃/min。4.2
低温工作试验条件
4.2.1概述
除另有规定外,低温工作试验应按照下述试验条件进行4.2.2
试验温度
单位为摄氏度
按有关文件确定低温工作试验温度,若相关文件未规定低温工作试验温度,则根据设备种类及其使用的环境从表2和表3中选取试验温度值表2
飞行器低温工作试验温度
飞行高度
1000m以下
1000m~3000m
3000m~5000m
5000m以上
使用环境
4.2.3试验持续时间
使用地域
地面站低温工作试验温度
使用地域
单位为摄氏度
单位为摄氏度
除另有规定外,低温工作试验持续时间为受试设备达到温度稳定后继续保持2h,然后按照设备性能标准进行功能/性能测试所需时间。2
4.2.4温度变化率
同4.1.4。
4.3受试设备
受试设备应满足以下要求:
受试设备技术状态应与提交的产品资料内容相符;a)
b)受试设备数量应满足试验要求,受试设备数量至少为1套;c)受试设备应有企业合格证等质量检验证明试验设备和仪器
GB/T38924.2—2020
用于试验的仪器设备(包括专用设备)应经检定或校准并在有效期内,陪试设备应检验合格。受试设备功能/性能测试所用的测试仪器应满足预期的使用要求,其测量不确定度或最大允许误差应小于被测参数最大允许误差的三分之一。对试验箱(室)的要求宜如下:a)试验箱(室)校准应符合GB/T38924.1一2020中4.4的要求。b)试验箱(室)能力应能满足4.1和4.2的要求,试验箱(室)内空气循环和温度控制系统应能保证受试设备周围的温度在试验温度的容差范c)
围内。
试验箱(室)温度检测系统的精度至少应为试验温度允许误差的三分之一。d)
试验箱(室)的容积应能保证受试设备不影响其产生和保持规定的试验温度。试验箱(室)容积e)
与受试设备体积之比至少应为5:1,发热受试设备应达10:1。受试设备与箱壁距离不小于10cm。f)
试验箱(室)内空气应进行循环,但空气流动方向不应指向受试设备,并且流动速度应尽量小,g)
一般来说受试设备附近的风速应不超过1.7m/s。不需要捕助冷却的受试设备,其周围的空气流动速度应保持与自然风产生的空气流动速度大致相同。6试验过程
6.1低温贮存试验
6.1.1试验准备
试验开始前,应确定受试设备的技术状态和数量、试验程序、试验参数量值、温度稳定时间等。温度稳定时间建议采用实测的方式确定,确定方法详见GB/T38924.1一2020中4.3的要求。无法实测时按照以下重量法确定被试品非工作状态下温度稳定时间:a)受试设备重量≤1.5kg,温度稳定时间为1h;b)1.5kg<受试设备重量≤15kg,温度稳定时间为2h;c)15kg<受试设备重量≤150kg,温度稳定时间为4h。6.1.2预处理
受试设备在GB/T38924.1一2020规定的正常大气条件下保持6.1.1确定的温度稳定时间,以使受试设备达到温度稳定。
GB/T38924.2—2020
6.1.3试验前检测
对受试设备进行全面的外观检查,并按有关文件规定对受试设备进行功能/性能检测,记录检测结果。
6.1.4试验步骤
低温贮存试验步骤如下:
a)按GB/T38924.1一2020中4.5规定将受试设备安装到试验箱(室)内,安装完成后按有关文件规定对受试设备进行功能/性能检测,并记录检测结果,以确保受试设备安装完好;b)受试设备不工作,按4.1.4规定的温度变化速率将试验箱(室)内温度调节至4.1.2规定的低温贮存试验温度并保持6.1.1确定的温度稳定时间,以使受试设备达到温度稳定;c)保持受试设备不工作,在此温度下再保持4.1.3规定的持续时间。6.1.5恢复
按4.1.4规定的温度变化速率将试验箱内温度恢复至正常大气条件,保持6.1.1确定的温度稳定时间,直至受试设备达到温度稳定。6.1.6试验后检测
对受试设备进行全面的外观检查,并按有关文件规定对受试设备进行功能/性能检测,记录检测结果。
6.2低温工作试验
6.2.1试验前准备
同6.1.1。
6.2.2预处理
同6.1.2。
6.2.3试验前检测
同6.1.3。
6.2.4试验步骤
低温工作试验步骤如下:
a)按GB/T38924.1一2020中4.5规定将受试设备安装到试验箱(室)内,安装完成后按有关文件规定对受试设备进行功能/性能检测,并记录检测结果,以确保受试设备安装完好:受试设备不工作,按4.2.4规定的温度变化速率将试验箱(室)内温度调节至4.2.2规定的低温b)
工作试验温度并保持6.2.1确定的温度稳定时间,以使受试设备达到温度稳定;c)受试设备不工作继续保持2h,然后按有关文件规定进行功能/性能检测,记录检测结果。6.2.5恢复
按4.2.4规定的温度变化速率将试验箱内温度恢复至正常大气条件,保持6.2.1确定的温度稳定时间,直至受试设备达到温度稳定。4
6.2.6试验后检测
GB/T38924.2—2020
对受试设备进行全面的外观检查,并按有关文件规定对受试设备进行功能/性能检测,记录检测结果。
7试验中断和恢复
欠试验中断
当试验条件低于允差下限时,应从低于试验条件的点重新达到规定的试验条件,恢复试验直至结束。
7.2过试验中断
当试验条件超过允差上限时,宜停止试验,用新的受试设备重新试验。若分析确认受试设备未损坏,且证明过试验条件对该受试设备没有任何影响,则按7.1处理继续试验8试验结果评定
低温贮存试验结果
受试设备在低温贮存试验前、后的外观和结构检查结果以及功能/性能测试结果满足产品有关文件规定时,受试设备低温贮存试验合格,4.1规定的试验条件为受试设备所能承受低温贴存环境能力的最低要求。
8.2低温工作试验结果
受试设备在低温工作试验前、后的外观和结构检查结果以及试验前、中、后的功能/性能测试结果满足产品有关文件规定时,受试设备低温工作试验结果合格,4.2规定的试验条件为受试设备所能承受低温工作环境能力的最低要求。
试验报告
除另有规定外,试验报告应至少包括以下内容:受试设备型号、名称、组成、数量及提供单位的信息;a
试验依据;
试验程序;
试验条件;
试验日期、试验地点、试验人员、试验设备、测试设备及仪器;试验过程;
受试设备照片及其在试验设备中的安装照片;试验试验参数控制或测量数据;h)
受试设备外观和功能/性能测试数据;试验结果;
存在问题与建议。
小提示:此标准内容仅展示完整标准里的部分截取内容,若需要完整标准请到上方自行免费下载完整标准文档。
标准图片预览:





- 热门标准
- GB国家标准
- GB/T2828.1-2012 计数抽样检验程序 第1部分:按接收质量限(AQL)检索的逐批检验抽样计划
- GB/T3836.1-2021 爆炸性环境 第1部分:设备 通用要求
- GB/T42854-2023 民用飞机客户培训飞行模拟机通用技术规范
- GB/T228.1-2021 金属材料 拉伸试验 第1部分:室温试验方法
- GB/T1804-2000 一般公差 未注公差的线性和角度尺寸的公差
- GB/T14039-2002 液压传动 油液固体颗粒污染等级代号
- GB/T7534-1987 工业用挥发性有机液体沸程的测定
- GB/T14048.1-2023 低压开关设备和控制设备 第1部分:总则
- GB/T38627-2020 信息技术 实时定位 磁定位数据接口
- GB50752-2012 电子辐射工程技术规范
- GB/T15449-1995 管壳额定开关用场效应晶体管空白详细规范
- GB/T18204.4-2000 公共场所毛巾、床上卧具微生物检验方法细菌总数测定
- GB/T19418-2003 钢的弧焊接头 缺陷质量分级指南
- GB8552-1987 电子器件详细规范 低功率非线绕固定电阻器 RJ13型金属膜固定电阻器评定水平E(可供认证用)
- GB5606.3-2005 卷烟 第3部分:包装、卷制技术要求及贮运
- 行业新闻
网站备案号:湘ICP备2025141790号-2