- 您的位置:
- 标准下载网 >>
- 标准分类 >>
- 化工行业标准(HG) >>
- HG/T 2429-2014 代替 HG/T 2429-2006 水处理剂 丙烯酸-丙烯酸酯类共聚物
标准号:
HG/T 2429-2014
标准名称:
代替 HG/T 2429-2006 水处理剂 丙烯酸-丙烯酸酯类共聚物
标准类别:
化工行业标准(HG)
标准状态:
现行出版语种:
简体中文下载格式:
.zip .pdf下载大小:
2.97 MB
点击下载
标准简介:
HG/T 2429-2014.Water treatment chemicals-Acrylic acid-Acrylates copolymer.
1范围
HG/T 2429规定了“水处理剂丙 烯酸-丙烯酸酯类共聚物”产品的要求,试验方法,检验规则,标志、包装、运输和贮存以及安全要求。
HG/T 2429适用于由丙烯酸和多种丙烯酸酯(丙烯酸甲酯、丙烯酸羟乙酯、丙烯酸羟丙酯等)制备的二元或多元共聚物。该产品主要用作水处理中的阻垢分散剂。.
2规范性引用文件
下列文件对于本文件的应用是必不可少的。凡是注日期的引用文件,仅注日期的版本适用于本文件。凡是不注日期的引用文件,其最新版本(包括所有的修改单)适用于本文件。
GB 190-2009危险货物包装标志
GB/T 191-2008包装 储运图示标志(mod ISO 780:1997)
GB/T 601化学试剂标准滴定溶液的制备
GB/T 603-2002 化学试剂试验方法中所用制剂及制品的制备(neq ISO 6353-1 :1982)
GB/T 6678化工产品采样总则
GB/T 6682-2008 分析实验室用水规格和试验方法(mod ISO 3696:1987)
GB/T 8170数值修约规则与极限数值的表示和判定.
4要求
4.1 外观:无色至淡黄色黏稠液体。
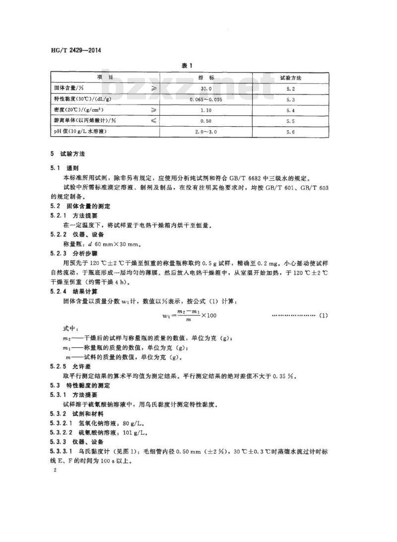
4.2“水处理剂丙烯酸-丙烯酸酯类共聚物”按相应的试验方法测定,应符合表1的要求。
部分标准内容:
备案号:47117—2014
中华人民共和国化工行业标准
HG/T2429——2014wwW.bzxz.Net
代替HG/T2429-2006
水处理剂
丙烯酸-丙烯酸酯类共聚物
Water treatment chemicalsAcrylic acid-Acrylates copolymer2014-10-29发布
2015-04-01实施
中华人民共和国工业和信息化部发布
本标准按照GB/T1.12009给出的规则起草。HG/T2429—2014
本标准代替HG/T2429—2006《水处理剂丙烯酸-丙烯酸酯类共聚物》,与HG/T2429—2006相比,除编辑性修改外主要技术变化如下:将指标中的“极限黏数”修改为“特性黏度”(见4.2,2006年版的3.2);删除了中和产品的pH值的指标(见2006年版的3.2);修改了游离单体含量的测定的分析步骤(见5.5.3,2006年版的4.4.3);一包装上增加了符合GB190一2009规定的“腐蚀性物质”标签(见7.1)。本标准由中国石油和化学工业联合会提出。本标准由全国化学标准化技术委员会水处理剂分技术委员会(SAC/TC63/SC5)归口。本标准起草单位:河南清水源科技股份有限公司、江海环保股份有限公司、中海油天津化工研究设计院、山东省泰和水处理有限公司、中国石油化工股份有限公司北京化工研究院燕山分院、天津正达科技有限责任公司。
本标准主要起草人:李真理、徐群、李琳、程终发、楼琼慧、杨海星。本标准所代替标准的历次版本发布情况为:-HG/T2429—1993、HG/T2429—2006。I
水处理剂
丙烯酸-丙烯酸酯类共聚物
HG/T24292014
誉告:本产品具有腐蚀性,应小心谨慎操作。本标准所使用的强酸、强碱具有腐蚀性,使用时应避免吸入或接触皮肤。溅到身上应立即用大量水冲洗,严重时应立即就医。1范围
本标准规定了“水处理剂丙烯酸-丙烯酸酯类共聚物”产品的要求,试验方法,检验规则,标志、包装、运输和贮存以及安全要求。本标准适用于由丙烯酸和多种丙烯酸酯(丙烯酸甲酯、丙烯酸羟乙酯、丙烯酸羟丙酯等)制备的二元或多元共聚物。该产品主要用作水处理中的阻垢分散剂。2规范性引用文件
下列文件对于本文件的应用是必不可少的。凡是注日期的引用文件,仅注日期的版本适用于本文件。凡是不注日期的引用文件,其最新版本(包括所有的修改单)适用于本文件。GB1902009危险货物包装标志
GB/T191—2008包装储运图示标志(modISO780:1997)GB/T601化学试剂标准滴定溶液的制备GB/T603—2002化学试剂试验方法中所用制剂及制品的制备(neqISO6353-1:1982)GB/T6678化工产品采样总则
GB/T6682—2008分析实验室用水规格和试验方法(modISO3696:1987)GB/T8170
数值修约规则与极限数值的表示和判定3结构式
二元共聚物
CH,CHCHg-CH-},
三元共聚物
ECH2-CH-
其中R:
m》n,p。
4要求
.ECH2--CH-1
-CHa—CH—CH, 1
CH2-OH;
—CH2—CH
4.1外观:无色至淡黄色黏稠液体。4.2
“水处理剂丙烯酸-丙烯酸酯类共聚物”按相应的试验方法测定,应符合表1的要求。1
HG/T2429—2014
固体含量/%
特性黏度(30℃)/(dL/g)
密度(20℃)/(g/cm2)
游离单体(以丙熔酸计)/%
pH值(10g/L水溶液)
5试验方法
5.1通则
0.0650.095
试验方法
本标准所用试剂,除非另有规定,应使用分析纯试剂和符合GB/T6682中三级水的规定。试验中所需标准滴定溶液、制剂及制品,在没有注明其他要求时,均按GB/T601、GB/T603的规定制备。
5.2固体含量的测定
5.2.1方法提要
在一定温度下,将试样置于电热干燥箱内烘干至恒量。5.2.2仪器、设备
称量瓶:d60mm×30mm。
5.2.3分析步骤
用预先于120℃士2℃干燥至恒重的称量瓶称取约0.5g试样,精确至0.2mg。小心摇动使试样自然流动,于瓶底形成一层均匀的薄膜。然后放入电热干燥箱中,从室温开始加热,于120℃土2℃干燥至恒重(约需干燥4h)。
5.2.4结果计算
固体含量以质量分数w1计,数值以%表示,按公式(1)计算:m2-mi
式中:
干燥后的试样与称量瓶的质量的数值,单位为克(g);称量瓶的质量的数值,单位为克(g);试料的质量的数值,单位为克(g)。5.2.5允许差
取平行测定结果的算术平均值为测定结果。平行测定结果的绝对差值不大于0.35%。5.3特性黏度的测定
5.3.1方法提要
试样溶于硫氰酸钠溶液中,用乌氏黏度计测定特性黏度。5.3.2试剂和材料
5.3.2.1氢氧化钠溶液:80g/L。5.3.2.2硫氰酸钠溶液:101g/L。5.3.3仪器、设备
.......(.)
5.3.3.1乌氏黏度计(见图1):毛细管内径0.50mm(士2%),30℃土0.3℃时蒸馅水流过计时标线E、F的时间为100s以上。
说明:
G,H-
底部贮球,外径26mm;
悬浮水平球;
计时球,容积3.0mL(±5%);
上部球;
-计时标线;
充装标线;
架置管,外径11mm;
下部出口管,外径6mm;
上部出口管,外径7mm;
连接管,内径6.0mm(±5%);
R-工作毛细管,内径0.50mm(±2%)。图1乌氏黏度计
5.3.3.2恒温水浴:温度控制在30℃±0.3℃。5.3.3.3温度计:0℃~50℃,分度值为0.1℃。E
HG/T2429—-2014
HG/T2429—2014
5.3.3.4秒表:最小分度值0.1s。5.3.3.5培养皿:d85mm
5.3.3.6玻璃烧结漏斗:G3。
5.3.4分析步骤
5.3.4.1硫氰酸钠溶液流出时间的测定将洁净于燥的乌氏黏度计垂直置于30℃士0.3℃的恒温水浴中,加人经G3玻璃烧结漏斗过滤的硫氮酸钠溶液至黏度计内,待液面达G和H刻度之间为止,恒温10min15min。用洗耳球将硫氰酸钠溶液吸人C球标线E刻度以上,用秒表测定硫氰酸钠溶液流过E、F刻度间的时间。连续测定3次,误差不超过0.2s。取其平均值,以to表示。5.3.4.2试液的制备及测定
称取10g试样于培养血中,用氢氧化钠溶液中和试样至pH值为9(用精密pH试纸检测)。放入电热于燥箱中,从室温升温,于120℃士2℃干燥至恒量。称取0.8g~1.0g干燥的试样,精确至0.2mg。用硫氟酸钠溶液溶解,移人100mL容量瓶中,并用硫氰酸钠溶液稀至刻度。摇匀,备用。加人经Gs玻璃烧结漏斗过滤的试液于洁净干燥的乌氏黏度计内,待液面达G和H刻度之间为止。以下步骤按5.3.4.1中自“恒温10min~15min...”开始操作至“不超过0.2s”为止。取其平均值,以t表示。
5.3.5结果计算
特性黏度以[n]计,数值以dL/g表示,按公式(2)计算:/2(7p—1n)
式中:
nsp增比黏度,nsp=(t—to)/to
:—相对黏度,n:=t/to;
c—试液的浓度的数值,单位为克每分升(g/dL);to—-硫氟酸钠溶液流过黏度计E、F两刻度的时间的数值,单位为秒(s);t
一试液流过黏度计E、F两刻度的时间的数值,单位为秒(s)。5.3.6允许差
取平行测定结果的算术平均值为测定结果,平行测定结果的绝对差值不超过0.01dL/g。5.4密度的测定
5.4.1方法提要
由密度计浸没在试样中达到平衡状态时所浸没的深度读出该试样的密度。5.4.2仪器、设备
5.4.2.1密度计:分度值为0.001g/cm2。5.4.2.2玻璃量筒:250mL。
5.4.2.3恒温水浴:温度控制在20℃土0.1℃。5.4.3分析步骤
将试样注人清洁、干燥的量筒内,不得有气泡。将量筒置于20℃士0.1℃的恒温水浴中。待温度恒定后,将清洁、干燥的密度计缓缓放人试样中,其下端距简底2cm以上,不得与筒壁接触。密度计的上端露在液面外的部分所沾液体不得超过2~3分度。待密度计在试样中稳定后,读出密度计弯月面下缘的刻度(标有读弯月面上缘刻度的密度计除外),即为20℃试样的密度。4
5.5游离单体含量的测定
5.5.1方法提要
HG/T2429—2014
游离单体(丙烯酸或丙烯酸酯)结构中含有双键,它能与溴起加成反应,根据这一特征反应测定游离单体含量。
反应式:
5Br-+BrO+6H+3Br2+3H20
CH2=CHCOOH+Br2—
CH2BrCHBrCOOH
Br2+21-——2Br=+I2
5.5.2试剂和材料
5.5.2.1盐酸溶液:1+1。
5.5.2.2碘化钾溶液:100g/L。
I2+2S2021+S40
5.5.2.3溴标准溶液:称取5.6g溴酸钾和50g溴化钾溶于水中,移入1000mL容量瓶中,用水稀释至刻度,摇匀备用,贮存于棕色瓶中。5.5.2.4硫代硫酸钠标准滴定溶液:c(Na2S2O3)~0.1mol/L。5.5.2.5淀粉指示液:5g/L。
5.5.3分析步骤
称取2g~5g试样,精确至0.2mg。置于预先加人20mL水的500mL碘量瓶中,加人15.00mL溴标准溶液、5mL盐酸溶液,立即盖好瓶塞,加水封口,摇匀,放于暗处,反应30min。取出,加人10mL碘化钾溶液,加水封口,摇勾后放于暗处10min。取出,立即加水150mL,用硫代硫酸钠标准滴定溶液滴定至溶液呈淡黄色,加2mL淀粉指示液,继续滴定至蓝色消失,即为终点。同时做空白试验。
5.5.4结果计算
游离单体(以丙烯酸计)含量以质量分数w2计,数值以%表示,按公式(3)计算:w2
式中:
(V。-V)c(M/2)X10-3
空白试验消耗硫代硫酸钠标准滴定溶液的体积的数值,单位为毫升(mL);Vo
-试样消耗硫代硫酸钠标准滴定溶液的体积的数值,单位为毫升(mL);Vi-
硫代硫酸钠标准滴定溶液浓度的准确数值,单位为摩尔每升(mol/L);M—-丙烯酸的摩尔质量的数值,单位为克每摩尔(g/mol)(M=72.06);—试料的质量的数值,单位为克(g)。5.5.5允许差
.*.. (3)
取平行测定结果的算术平均值为测定结果,平行测定结果的绝对差值不大于0.05%。5.6pH值的测定
5.6.1仪器、设备
酸度计:精度0.02pH单位,配有饱和甘汞参比电极、玻璃测量电极或复合电极。5.6.2分析步骤
称取1.00g士0.01g试样,置于100mL容量瓶中,用水稀释至刻度,摇匀。将试液倒入烧杯中,置于电磁搅拌器上,将电极浸入溶液中,开动搅拌。在已定位的酸度计上读出pH值。
6检验规则
6.1本标准规定的全部指标项目为出厂检验项目。5
HG/T2429--2014
6.2“水处理剂丙烯酸-丙烯酸酯类共聚物”产品每批不超过20t。6.3按GB/T6678的规定确定采样单元数。采样时先充分搅匀,用玻璃管或案乙烯塑料管插人桶深的2/3处采样,总量不少于1000mL。充分混匀,分装于两个清洁、干燥的塑料瓶中,密封。瓶上贴标签,注明:生产厂家、产品名称、批号、采样日期和采样者姓名。一瓶供检验用,另一瓶保存3个月备查。
6.4采用GB/T8170规定的修约值比较法判定检验结果是否符合要求。6.5检验结果中如有一项指标不符合本标准要求时,应重新自两倍量的包装单元中采样核验。核验结果仍有一项不符合本标准要求时,整批产品为不合格。7标志、包装、运输和购存
7.1“水处理剂丙烯酸-丙烯酸酯类共聚物”的包装桶上应涂刷牢固、清晰的标志,内容包括:生产厂名、产品名称、商标、批号或生产日期、净质量、本标准编号、GB/T191规定的“向上”标志和GB190一2009规定的“腐蚀性物质”标签。7.2每批出厂的“水处理剂丙烯酸-丙烯酸酯类共聚物”产品都应附有质量检验报告和质量合格证。
7.3“水处理剂丙烯酸-丙烯酸酯类共聚物”采用聚乙烯塑料桶包装,每桶净质量25kg;或采用铁塑桶包装,每桶净质量200kg;或按用户要求进行包装。7.4运输时要严防曝晒。运输过程中要确保容器不泄漏、不倒塌、不坠落、不损坏。7.5“水处理剂丙烯酸-丙烯酸酯类共聚物”应常温下贮存于阴凉干燥的库房里,贮存期为12个月。
8安全要求
“水处理剂丙烯酸-丙烯酸酯类共聚物”对皮肤和眼睛有一定的腐蚀性和刺激性,操作人员在进行作业时应戴防护手套和眼镜,避免与皮肤直接接触。6
小提示:此标准内容仅展示完整标准里的部分截取内容,若需要完整标准请到上方自行免费下载完整标准文档。
标准图片预览:





- 其它标准
- 热门标准
- HG化工标准
- HG/T3372-2012 醇酸烘干绝缘漆
- HG/T3514-1999 分散剂 WA
- HG/T2992-198297 直接铜盐蓝2R(原GB/T 1649-1982)
- HG/T3029-1999 乙酸纤维素模塑时粘度下降测定方法
- HG/T21519-2005 垂直吊盖板式平焊法兰人孔
- HG/T20570.18-1995 阀门的设置
- HG/T20701.9-2000 容器、换热器和特殊设备专业工程设计规定编制说明
- HG/T2110-1991 翻胎硫化机
- HG/T2275.3-1992 雄黄矿 雌黄矿砷含量的测定
- HG/T3117-1998 耐酸陶瓷容器
- HG/T21524-2005 水平吊盖带颈对焊法兰人孔
- HG/T3665-2000 内燃机燃油系统输送含氧燃油用纯胶管及橡胶软管
- HG/T20554-1993 活塞式压缩机基础设计规定
- HG2958.5-1988 天青石矿石中硅含量的测定 钼蓝分光光度法
- HG/T2755-1996 酚醛树脂中六亚甲基四胺含量的测定
- 行业新闻
网站备案号:湘ICP备2025141790号-2