- 您的位置:
- 标准下载网 >>
- 标准分类 >>
- 机械行业标准(JB) >>
- JB/T 979-1977 直角焊接接管
标准号:
JB/T 979-1977
标准名称:
直角焊接接管
标准类别:
机械行业标准(JB)
英文名称:
Right angle welding pipe标准状态:
现行-
发布日期:
1977-01-17 -
实施日期:
1977-05-01 出版语种:
简体中文下载格式:
.rar.pdf下载大小:
245.22 KB
替代情况:
JB 979-1967
部分标准内容:
中华人民共和国第一机械工业部部标准
直角焊接接管
标记示例:
管子外径18mm的直角焊接接管:按管18JB979-77
中华人民共和国第一机械工业部发布
第一机械工业部标准化研究所主3:
JB979-77
代替JB97967
其余2
1977年5月1日实施
济南铸造锻压机械研究所等起草21
共2页第2页
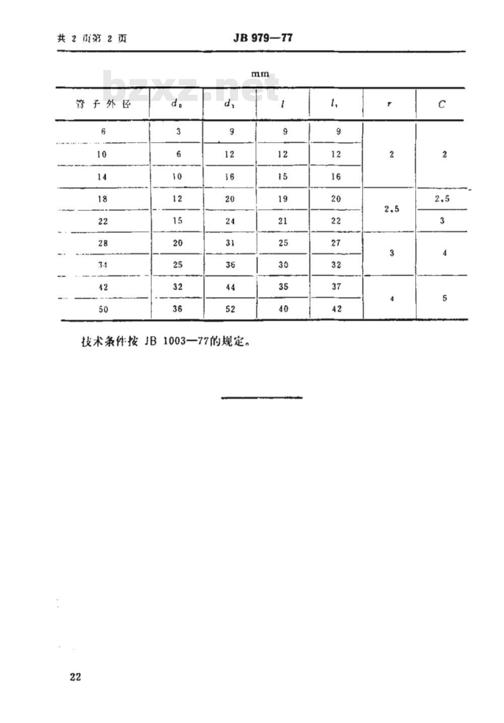
管子外径bzxz.net
JB979—77
技术条件按JB1003一77的规定。22
小提示:此标准内容仅展示完整标准里的部分截取内容,若需要完整标准请到上方自行免费下载完整标准文档。
直角焊接接管
标记示例:
管子外径18mm的直角焊接接管:按管18JB979-77
中华人民共和国第一机械工业部发布
第一机械工业部标准化研究所主3:
JB979-77
代替JB97967
其余2
1977年5月1日实施
济南铸造锻压机械研究所等起草21
共2页第2页
管子外径bzxz.net
JB979—77
技术条件按JB1003一77的规定。22
小提示:此标准内容仅展示完整标准里的部分截取内容,若需要完整标准请到上方自行免费下载完整标准文档。
标准图片预览:


- 其它标准
- 上一篇: JB/T 978-1977 焊接式铰接管接头
- 下一篇: JB/T 981-1977 焊接管接头用螺母
- 热门标准
- 机械行业标准(JB)
- JB/T10288-2001 连栋温室结构
- JB/T10056-1999 直流电流互感器 技术条件
- JB/T2756-2006 无轨电车用炭滑块
- JB/T7895-2008 永磁筒式磁选机
- JB/T8679-2008 炭弧气刨炭棒 物理及使用性能试验方法
- JB/T8082-2010 护指键式和护罩式木工平刨床 安全
- JB/T9713-1999 工程机械 湿式铜基摩擦件 技术条件
- JB/T9580-2008 炭石墨 产品分类及型号编制方法
- JB/T8840-2013 电热器具用电源开关
- JB/T11340.3-2012 阀控式铅酸蓄电池安全阀 第3部分:橡胶帽、阀芯
- JB/T10677-2006 投影机 光源
- JB∕T12675-2016 拖拉机液压系统清洁度限值及测量方法
- JB3704-1984 特种调压器用碳电阻片柱电气机械性能试验方法
- JB/T6316-2006 Z4系列直流电动机技术条件(机座号100~450)
- JB/T10930-2010 200级耐电晕漆包铜圆线
- 行业新闻
请牢记:“bzxz.net”即是“标准下载”四个汉字汉语拼音首字母与国际顶级域名“.net”的组合。 ©2025 标准下载网 www.bzxz.net 本站邮件:bzxznet@163.com
网站备案号:湘ICP备2025141790号-2
网站备案号:湘ICP备2025141790号-2