- 您的位置:
- 标准下载网 >>
- 标准分类 >>
- 轻工行业标准(QB) >>
- QB/T 1480-1992 带刀裁剪机
标准号:
QB/T 1480-1992
标准名称:
带刀裁剪机
标准类别:
轻工行业标准(QB)
英文名称:
Band knife cutting machine标准状态:
已作废-
发布日期:
1992-04-14 -
实施日期:
1992-12-01 -
作废日期:
2006-12-01 出版语种:
简体中文下载格式:
.rar.pdf下载大小:
151.45 KB
替代情况:
被QB/T 1480-2006代替
相关标签:
裁剪机
部分标准内容:
中华人民共和国轻工行业标准
带刀裁剪机
主题内容与适用范围
本标准规定了带刀裁剪机的产品分类、技术要求、试验方法和检验规则等。QB/T1480--1992
本标准适用于裁剪棉、毛、化纤织物及皮革类材料的气垫式带刀裁剪机,无气垫装置的带刀裁剪机也可参照执行。
2引用标准
GB191包装储运图示标志
3术语
3.1带刀
切削刃呈直线型的带状环形刀片。3.2带刀线速度
单位时间内带刀运动的距离。
3.3气垫装置
由鼓风机产生一定压力的风量通过若干喷嘴喷出,使裁料与工作台面之间形成气流的装置。3.4裁剪高度
带刀裁剪机允许通过的裁料最大厚度。4产品分类
4.1型式
带刀裁剪机为平板式工作台;由电动机驱动传动轮,使带刀形成单向回转运动,并具有磨刀装置:4.2分类
按平板式工作台结构特征分:
有气垫装置;
无气垫装置。
4.3主要技术参数
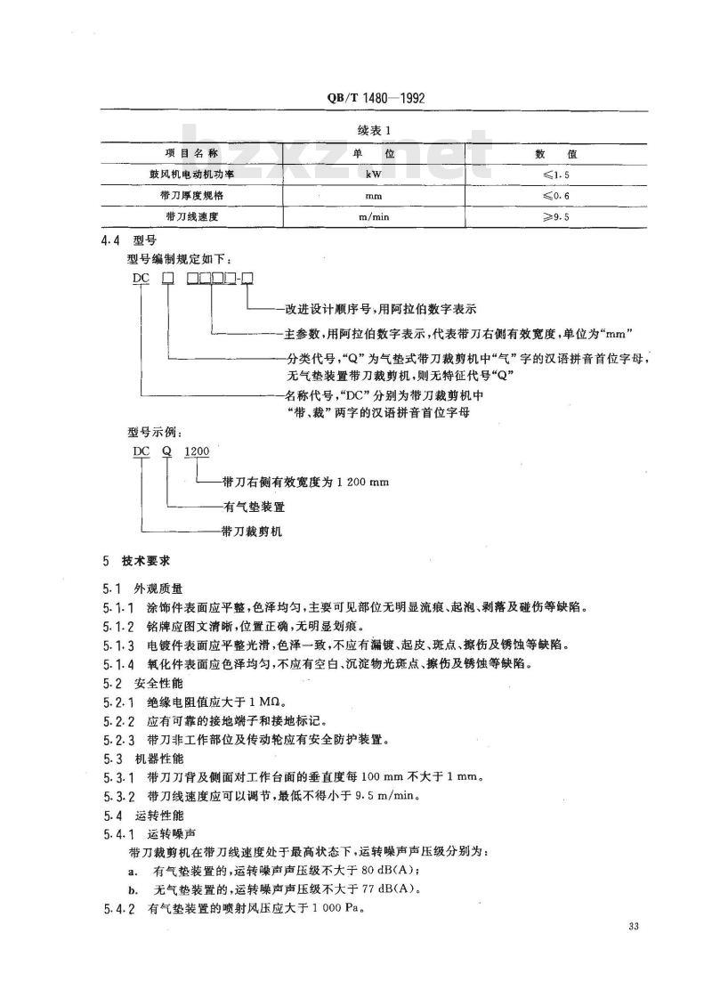
主要技术参数见表1。
项目名称
裁剪高度系列
带刀右侧有效宽度
喷射风压
裁剪机电动机功率
中华人民共和国轻工业部1992-04-14批准32
150、200、250.300
≥1000
1992-12-01实施
项目名称
鼓风机电动机功率
带刀厚度规格
带刀线速度
4.4型号
型号编制规定如下:
DC 000-0
型号示例:
5技术要求
QB/T 1480—1992
续表1
改进设计顺序号,用阿拉伯数字表示数
主参数,用阿拉伯数字表示,代表带刀右侧有效宽度,单位为“mm”分类代号,“Q”为气垫式带刀裁剪机中“气”字的汉语拼音首位字母,无气垫装置带刀裁剪机,则无特征代号“Q”名称代号,“DC”分别为带刀裁剪机中“带、裁”两字的汉语拼音首位字母带刀右侧有效宽度为1200mm
有气垫装置
带刀裁剪机
5.1外观质量
5.1.1涂饰件表面应平整,色泽均匀,主要可见部位无明显流痕、起泡、剥落及碰伤等缺陷。5.1.2铭牌应图文清晰,位置正确,无明显划痕。5.1.3电镀件表面应平整光滑,色泽一致,不应有漏镀、起皮、斑点、擦伤及锈蚀等缺陷。5.1.4氧化件表面应色泽均匀,不应有空白、沉淀物光斑点、擦伤及锈蚀等缺陷。5.2安全性能
5.2.1绝缘电阻值应大于1MQ。
5.2.2应有可靠的接地端子租接地标记。5.2.3带刀非工作部位及传动轮应有安全防护装置。5.3机器性能
5.3.1带刀刀背及侧面对工作台面的垂直度每100mm不大于1mm。5.3.2带刀线速度应可以调节,最低不得小于9.5m/min。5.4运转性能
5.4.1运转噪声
带刀裁剪机在带刀线速度处于最高状态下,运转噪声声压级分别为:有气垫装置的,运转噪声声压级不大于80 dB(A);a.
b.无气垫装置的,运转噪声声压级不大于77dB(A)。5.4.2有气垫装置的喷射风压应大于1000Pa。33
QB/T1480—-1992
5.4.3带刀在运转时,不允许脱离传动轮。5.4.4带刀刃磨后,刃口锋利,不允许出现卷刃现象。5.5裁剪性能
最小裁剪半径不大于15mm。
6试验方法
6.1外观质量
本标准5.1.1~5.1.4条试验方法:目视。6.2安全性能
6.2.1本标准5.2.1条试验方法
用500V兆欧表测量带电部位与金属外壳之间的电阻。6.2.2本标准5.2.2条试验方法
目视。
6.2.3本标准5.2.3条试验方法
目视。
6.3机器性能
6.3.1本标准5.3.1条试验方法
在带刀处于停止状态下,用角尺和塞尺测量带刀侧面及刀背与工作台面的垂直度。6.3.2本标准5.3.2条试验方法
将带刀线速度调节到最小值,用非接触式测速仪测量传动轮的转速,并按下列公式计算:V
式中:V—一带刀线速度,m/min;n
被测传动轮的实际转速,r/min;D被测传动轮的直径,mm。
6.4运转性能
6.4.1本标准5.4.1条试验方法
试验条件
加注润滑油,空转5 min;
6×104
带刀裁剪机与周围物体的距离不少于1m;背景干扰噪声声压级应比机器噪声声压级低10 dB(A)以上;被测机器应平稳地安放在坚实的地面上,传声器距离地面高度为1m,并与水平面平行,测点位置如图1所示。L1000
机器(俯视)
传声器
6.4.1.2试验仪器www.bzxz.net
精度为士0.7 dB(A)的声级计。
6.4.1.3试验取值
四个测点所测得噪声值,取最大值。6.4.2本标准5.4.2条试验方法
6.4.2.1试验条件
鼓风机运转5min;
QB/T 1480-1992
取工作台面逆上八个喷嘴为测点,点位置如图2所示。图2
6.4.2.2试验仪器
膜盒压力表。
6.4.2.3试验取值
八个测点所得的喷射风压值,取其算术平均值。6.4.3本标准5.4.3条试验方法
将带刀线速度调节到最大值,开、停10次,目视。6.4.4本标准5.4.4条试验方法
目视。
6.5本标准5.5条试验方法
工作台面
将平布叠高至100mm,然后用手推动布料进行裁剪,裁剪好的布料用R为15mm的专用样板进行测量。
7检验规则
7.1检验分类
检验分为出厂检验和型式检验。7.2不合格分类
不合格按质量特性表示单位产品质量的重要性,可分为:a。A类不合格:单位产品的极重要质量特性不符合规定;b.B类不合格:单位产品的重要质量特性不符合规定;C.
C类不合格:单位产品的一一般质量特性不符合规定。7.3出厂检验
7.3.1对出厂的产品实行全数检验。7.3.2检验项目
检验项目及类别见表2。
检验项目
7.3.3单个产品的合格判定
QB/T 1480—1992
不合格分类
单个产品在满足下列条件时,即判为合格:a.
未出现A,B类不合格项目;
未出现两项以上C类不合格项目。7.4型式检验
型式检验一般在下述情况之一时进行。新产品试制定型鉴定或老产品转厂生产时;b.
检验分类
出厂检验
正式生产时,如结构、材料、工艺有较大改变,可能影响产品性能时;正常生产时,每年进行一次;
产品停产一一年以上(含一年)恢复生产时;出厂检验结果与上次型式检验有较大差异时;国家质量监督机构提出进行型式检验要求时。7.4.2
样本的抽取
型式检验
从本周期制造的并经出厂检验合格的某个批或若于批中随机抽取4个样本单位,检验其中两个样本单位,另两个样本单位备检。7.4.3检验项目
检验项目及类别见表2。
7.4.4型式检验的合格判定
在满足下列条件之一时,即判为型式检验合格。检验的两个样本单位未出现A类不合格项目及两项以上B类不合格项目,也未出现3项以上a.
C类不合格项目,且在个样本单位中未出现一项以上B类不合格项目,总数不超过3项不合格项目;检验的两个样本单位如果未出现A类不合格项目及3项以上B类不合格项目,也未出现4项b.
QB/T 1480—1992
以上C类不合格项目,且在一个样本单位中未出现两项以上B类不合格项目,总数不超过四项不合格项目,则允许复检另两个样本单位的同类项目,这些项目应全部合格。8标志、包装、运输、购存
8.1标志
8.1.1机器应有耐久性铭牌。
8.1.2铭牌上应清晰地标出以下内容:制造厂名;
注册商标,
产品名称;
d.产品型号;
e,制造日期或编号。
8.2包装
8.2.1机器应用牢固的包装箱包装,并有防潮保护措施。8.2.2包装措施应是以保证产品在一般运输和保管条件下不致因颠曬、装卸、受潮和侵入灰尘而使机器受到损伤。
8.2.3在包装前,应对机器不油漆的外露金属部位涂刷防锈剂。8.2.4每台机器应具备下列文件:产品合格证;
使用说明书;
装箱单。
包装箱外表面应清晰地标出或表明以下各项内容:产品名称;
产品标准代号及编号:
产品型号,
净重;
毛重:
外形尺寸:长×宽×高,
制造厂名。
8.2.6包装储运图示标志应符合GB191的规定。8.3运输
机器在装卸及运输过程中应防止颠覆及剧烈地冲撞。8.4贮存
包装后的产品应贮存在通风良好、干燥的室内,周围空气中不应有腐蚀性气体存在。附加说明:
本标准由轻工业部技术装备司提出。本标准由全国服装机械标雅化中心归口。本标准由上海黎明服装机械厂负责起草。本标准主要起草人应振国、庄根美。37
小提示:此标准内容仅展示完整标准里的部分截取内容,若需要完整标准请到上方自行免费下载完整标准文档。
带刀裁剪机
主题内容与适用范围
本标准规定了带刀裁剪机的产品分类、技术要求、试验方法和检验规则等。QB/T1480--1992
本标准适用于裁剪棉、毛、化纤织物及皮革类材料的气垫式带刀裁剪机,无气垫装置的带刀裁剪机也可参照执行。
2引用标准
GB191包装储运图示标志
3术语
3.1带刀
切削刃呈直线型的带状环形刀片。3.2带刀线速度
单位时间内带刀运动的距离。
3.3气垫装置
由鼓风机产生一定压力的风量通过若干喷嘴喷出,使裁料与工作台面之间形成气流的装置。3.4裁剪高度
带刀裁剪机允许通过的裁料最大厚度。4产品分类
4.1型式
带刀裁剪机为平板式工作台;由电动机驱动传动轮,使带刀形成单向回转运动,并具有磨刀装置:4.2分类
按平板式工作台结构特征分:
有气垫装置;
无气垫装置。
4.3主要技术参数
主要技术参数见表1。
项目名称
裁剪高度系列
带刀右侧有效宽度
喷射风压
裁剪机电动机功率
中华人民共和国轻工业部1992-04-14批准32
150、200、250.300
≥1000
1992-12-01实施
项目名称
鼓风机电动机功率
带刀厚度规格
带刀线速度
4.4型号
型号编制规定如下:
DC 000-0
型号示例:
5技术要求
QB/T 1480—1992
续表1
改进设计顺序号,用阿拉伯数字表示数
主参数,用阿拉伯数字表示,代表带刀右侧有效宽度,单位为“mm”分类代号,“Q”为气垫式带刀裁剪机中“气”字的汉语拼音首位字母,无气垫装置带刀裁剪机,则无特征代号“Q”名称代号,“DC”分别为带刀裁剪机中“带、裁”两字的汉语拼音首位字母带刀右侧有效宽度为1200mm
有气垫装置
带刀裁剪机
5.1外观质量
5.1.1涂饰件表面应平整,色泽均匀,主要可见部位无明显流痕、起泡、剥落及碰伤等缺陷。5.1.2铭牌应图文清晰,位置正确,无明显划痕。5.1.3电镀件表面应平整光滑,色泽一致,不应有漏镀、起皮、斑点、擦伤及锈蚀等缺陷。5.1.4氧化件表面应色泽均匀,不应有空白、沉淀物光斑点、擦伤及锈蚀等缺陷。5.2安全性能
5.2.1绝缘电阻值应大于1MQ。
5.2.2应有可靠的接地端子租接地标记。5.2.3带刀非工作部位及传动轮应有安全防护装置。5.3机器性能
5.3.1带刀刀背及侧面对工作台面的垂直度每100mm不大于1mm。5.3.2带刀线速度应可以调节,最低不得小于9.5m/min。5.4运转性能
5.4.1运转噪声
带刀裁剪机在带刀线速度处于最高状态下,运转噪声声压级分别为:有气垫装置的,运转噪声声压级不大于80 dB(A);a.
b.无气垫装置的,运转噪声声压级不大于77dB(A)。5.4.2有气垫装置的喷射风压应大于1000Pa。33
QB/T1480—-1992
5.4.3带刀在运转时,不允许脱离传动轮。5.4.4带刀刃磨后,刃口锋利,不允许出现卷刃现象。5.5裁剪性能
最小裁剪半径不大于15mm。
6试验方法
6.1外观质量
本标准5.1.1~5.1.4条试验方法:目视。6.2安全性能
6.2.1本标准5.2.1条试验方法
用500V兆欧表测量带电部位与金属外壳之间的电阻。6.2.2本标准5.2.2条试验方法
目视。
6.2.3本标准5.2.3条试验方法
目视。
6.3机器性能
6.3.1本标准5.3.1条试验方法
在带刀处于停止状态下,用角尺和塞尺测量带刀侧面及刀背与工作台面的垂直度。6.3.2本标准5.3.2条试验方法
将带刀线速度调节到最小值,用非接触式测速仪测量传动轮的转速,并按下列公式计算:V
式中:V—一带刀线速度,m/min;n
被测传动轮的实际转速,r/min;D被测传动轮的直径,mm。
6.4运转性能
6.4.1本标准5.4.1条试验方法
试验条件
加注润滑油,空转5 min;
6×104
带刀裁剪机与周围物体的距离不少于1m;背景干扰噪声声压级应比机器噪声声压级低10 dB(A)以上;被测机器应平稳地安放在坚实的地面上,传声器距离地面高度为1m,并与水平面平行,测点位置如图1所示。L1000
机器(俯视)
传声器
6.4.1.2试验仪器www.bzxz.net
精度为士0.7 dB(A)的声级计。
6.4.1.3试验取值
四个测点所测得噪声值,取最大值。6.4.2本标准5.4.2条试验方法
6.4.2.1试验条件
鼓风机运转5min;
QB/T 1480-1992
取工作台面逆上八个喷嘴为测点,点位置如图2所示。图2
6.4.2.2试验仪器
膜盒压力表。
6.4.2.3试验取值
八个测点所得的喷射风压值,取其算术平均值。6.4.3本标准5.4.3条试验方法
将带刀线速度调节到最大值,开、停10次,目视。6.4.4本标准5.4.4条试验方法
目视。
6.5本标准5.5条试验方法
工作台面
将平布叠高至100mm,然后用手推动布料进行裁剪,裁剪好的布料用R为15mm的专用样板进行测量。
7检验规则
7.1检验分类
检验分为出厂检验和型式检验。7.2不合格分类
不合格按质量特性表示单位产品质量的重要性,可分为:a。A类不合格:单位产品的极重要质量特性不符合规定;b.B类不合格:单位产品的重要质量特性不符合规定;C.
C类不合格:单位产品的一一般质量特性不符合规定。7.3出厂检验
7.3.1对出厂的产品实行全数检验。7.3.2检验项目
检验项目及类别见表2。
检验项目
7.3.3单个产品的合格判定
QB/T 1480—1992
不合格分类
单个产品在满足下列条件时,即判为合格:a.
未出现A,B类不合格项目;
未出现两项以上C类不合格项目。7.4型式检验
型式检验一般在下述情况之一时进行。新产品试制定型鉴定或老产品转厂生产时;b.
检验分类
出厂检验
正式生产时,如结构、材料、工艺有较大改变,可能影响产品性能时;正常生产时,每年进行一次;
产品停产一一年以上(含一年)恢复生产时;出厂检验结果与上次型式检验有较大差异时;国家质量监督机构提出进行型式检验要求时。7.4.2
样本的抽取
型式检验
从本周期制造的并经出厂检验合格的某个批或若于批中随机抽取4个样本单位,检验其中两个样本单位,另两个样本单位备检。7.4.3检验项目
检验项目及类别见表2。
7.4.4型式检验的合格判定
在满足下列条件之一时,即判为型式检验合格。检验的两个样本单位未出现A类不合格项目及两项以上B类不合格项目,也未出现3项以上a.
C类不合格项目,且在个样本单位中未出现一项以上B类不合格项目,总数不超过3项不合格项目;检验的两个样本单位如果未出现A类不合格项目及3项以上B类不合格项目,也未出现4项b.
QB/T 1480—1992
以上C类不合格项目,且在一个样本单位中未出现两项以上B类不合格项目,总数不超过四项不合格项目,则允许复检另两个样本单位的同类项目,这些项目应全部合格。8标志、包装、运输、购存
8.1标志
8.1.1机器应有耐久性铭牌。
8.1.2铭牌上应清晰地标出以下内容:制造厂名;
注册商标,
产品名称;
d.产品型号;
e,制造日期或编号。
8.2包装
8.2.1机器应用牢固的包装箱包装,并有防潮保护措施。8.2.2包装措施应是以保证产品在一般运输和保管条件下不致因颠曬、装卸、受潮和侵入灰尘而使机器受到损伤。
8.2.3在包装前,应对机器不油漆的外露金属部位涂刷防锈剂。8.2.4每台机器应具备下列文件:产品合格证;
使用说明书;
装箱单。
包装箱外表面应清晰地标出或表明以下各项内容:产品名称;
产品标准代号及编号:
产品型号,
净重;
毛重:
外形尺寸:长×宽×高,
制造厂名。
8.2.6包装储运图示标志应符合GB191的规定。8.3运输
机器在装卸及运输过程中应防止颠覆及剧烈地冲撞。8.4贮存
包装后的产品应贮存在通风良好、干燥的室内,周围空气中不应有腐蚀性气体存在。附加说明:
本标准由轻工业部技术装备司提出。本标准由全国服装机械标雅化中心归口。本标准由上海黎明服装机械厂负责起草。本标准主要起草人应振国、庄根美。37
小提示:此标准内容仅展示完整标准里的部分截取内容,若需要完整标准请到上方自行免费下载完整标准文档。
标准图片预览:





- 其它标准
- 上一篇: QB/T 1485-1992 电加热蒸气发生器
- 下一篇: QB/T 1486-1992 皇冠盖压盖机
- 热门标准
- 轻工行业标准(QB)
- QB/T1788-2014 洋茉莉醛(胡椒醛)
- QB/T2381-1998 亮金水亮钯金水
- QB/T4355-2012 自镇流双端荧光灯 性能要求
- QB2238.2-2005 强化营养盐 锌强化营养盐
- QB1800-1993 树兰花油
- QB/T1535-1992 机械闹种
- QB/T2096.2-1995 桌虎钳燕尾桌虎钳
- QB/T1911-2007 钟表用铅黄铜板和带
- QB/T4103-2010 水性凹版塑料薄膜表印油墨
- QB/T5256-2018 品牌培育管理体系实施指南轻工行业
- QB/T2743-2005 泡菜盐
- QB/T2477-2000 牙膏用二水磷酸氢钙
- QB/T1756-1993 造纸机械湍流式中浓度浆泵
- QB/T1648-1992 聚乙烯着色母料
- QB/T1466-2000 皮鞋油
- 行业新闻
请牢记:“bzxz.net”即是“标准下载”四个汉字汉语拼音首字母与国际顶级域名“.net”的组合。 ©2025 标准下载网 www.bzxz.net 本站邮件:bzxznet@163.com
网站备案号:湘ICP备2025141790号-2
网站备案号:湘ICP备2025141790号-2