- 您的位置:
- 标准下载网 >>
- 标准分类 >>
- 轻工行业标准(QB) >>
- QB/T 1516-1992 工业用缝纫机毛皮拼接缝缝纫机机头
标准号:
QB/T 1516-1992
标准名称:
工业用缝纫机毛皮拼接缝缝纫机机头
标准类别:
轻工行业标准(QB)
英文名称:
Industrial sewing machine heads for fur stitching标准状态:
现行-
发布日期:
1992-06-08 -
实施日期:
1993-02-01 出版语种:
简体中文下载格式:
.rar.pdf下载大小:
230.74 KB
中标分类号:
轻工、文化与生活用品>>钟表、自行车、缝纫机>>Y17缝纫机
点击下载
标准简介:
标准下载解压密码:www.bzxz.net
本标准规定了工业用毛皮拼接缝缝纫机机头的产品分类、技术要求、试验方法、检验规则、标志、包装、运输及贮存.本标准适用于拼接各种毛皮及样革、合成革用的拼接缝缝纫机机头(以下简称“机头”)。 QB/T 1516-1992 工业用缝纫机毛皮拼接缝缝纫机机头 QB/T1516-1992
部分标准内容:
中华人民共和国轻工行业标准
工业用缝纫机
1主题内容与适用范围
毛皮拼接缝缝纫机机头
QB/T 1516 992
本标准规定了工业用毛皮耕接缝缝纫机机头的产品分类、技术要求、试验方法、检验规划、标志、包装、运输及贮存。
本标准适用于拼接各种毛皮及革、合成革用的拼接缝缝纫机机头(以下简称“机头”)。2
引用标准
GB/T 4515
线迹的分类和术语
ZBY 17002
缝纫机零件发黑技术条件
缝纫机包装
ZBY 17004
ZBY17023缝纫机机头启动扭矩测试方法3产品分类
3.1产品分为下列四种类型:
1型:拼缝薄料毛皮
型:拼缝中厚料毛皮
原型:拼缝厚料毛皮
W型:拼缆厚料革、合成革及厚料毛皮3.2型式
本机头系箱体式机体,采用直针刺料、摆动式钩针勾线、齿盘送料、形成501型式线迹。3.3基本参数(见表1)
基本鑫数项目
最高缝纫速度,针/min
键厚能力(毛皮自由状态下)mm
线迹长度调节寇,mm
采用机针
采用缝线
魅机功率,W
4。委
GPX1型\
Nm45-120
(18tex-5.9tex)/3股棉线敏销纶线250370
注:1)相当于联郑德国1567、459R及美国胜家Sy6520型机针。中华人民共和国轻工业部1992-06-08批准224
4(会戒革)
1993-02-01实施
4技术要求
4.1外观质量
QB/T1516—1992
4.1.1烘漆件表面应平整、色泽均匀,主要可见部位应无明显的流漆、起泡以及碰漆等缺陷。4.1.2机头表面不应有锈斑,标牌应完整,位置正确,无明显伤痕。4.1.3电镀件镀层表面应平整光滑、色泽一致,不应有漏镀、起皮、斑点、擦伤及锈蚀等缺陷。4.1.4发黑件表面质量应符合ZBY17002中1.1条的规定。4.1.5外露零件应无毛刺。
4.2缝纫性能
缝纫性能按表2规定的条件试验时,必须满足下列要求:普缝和缝厚时,不应有断针、断线、跳针、浮线现象,a.
连续缝纫累计长度为1m时,不允许有断线现象。b.
4.3运转性能
4.3.1运转噪声
以最高缝速空载运转时,应无异常杂声;以最高缝速的90%连续运转时,其噪声声压级应不大于83dB(A)。b.
4.3.2机头运转应轻滑,空载时,其启动扭矩值应不大于0.6N·m。4.3.3密封面应有密封装置,不应有明显的渗油现象。4.3.4油泵润滑系统的供油应良好,机头运转时,在25s时间内,油泵的出油口必须开始供油。4.4机器性能
4.4.1线迹长度调节范围应符合表1规定,调节后不应有自行滑动现象。4.4.2线迹长度的相对误差值应不大于20%。4.4.3缝线张力应能调节,松线钉应起松线作用。4.4.4压料盘压力应可调节。
4.5附件和备件
每台机器应有必要的附件和备件。附件和备件的品种和数量按使用说明书规定。5试验方法
5.1外观质量
5.1.1本标准4.1.1、4.1.2、4.1.3、4.1.5条规定的外观质量在光照度为600±2001x的自然光线下,距离为300mm,用目测法。
5.1.2本标准4.1.4条规定的发黑件质量按ZBY17002中2.1.1条规定的方法进行。5.2缝纫性能
普缝、缝厚和连续缝纫性能试验,根据产品不同的类型,按表2规定的条件进行。缝纫速度的允a.
差为—3%;
5.9tex/3股棉线
7.5tex/3股棉线
65/3股锦纶线
65/3股锦纶线
缝料厚度,mm
0.7~1(毛皮)
1.2~1.5(毛皮)
2.5~3(毛皮)
0.8(人造革)
拼接试缝
针/min
QB/T1516--1992
续表2免费标准下载网bzxz
15.9tex/3股棉线
И型Nm90
7.5tex/3股棉线
65/3股锦纶线
Nm120|65/3股棉纶线
5.9tex/3股棉线
7.5tex/3股棉线
Nm9065/3股锦纶线
65/3股锦纶线
缝料厚度,mm
0.9~1.3(毛皮)
1.8~~2.2(毛皮)
3.2~3.8(毛皮)
0.8(人造革)
【0.7~1(毛皮)
1.2~1.5(毛皮)
2.5~3(毛皮)
0.8(人造革)
拼接试缝
线迹缝速
长度针/min
最大3000
缝纫性能试验前允许调节线迹长度、线的张力和压紧缝料的压力,但不得调整其他零件。5.3运转性能
最高缝速用光电测速仪或其他非接触式测速仪测量,异常杂声用耳测法。5.3.1
5.3.2噪声级检验
5.3.2.1测试条件
应在除地面外不产生反射噪声之壁面的试验室或半消音室内进行,测试环境的背景噪声须比机头噪声低10dB(A)以上;传声器置于操作者一侧,传声器轴心线对准机头送料盘与压料盘的切点位置,与压料平面成45°夹角,距离为450mm(见图1)。传声器
传声磐
送料盘
5.3.2.2测量仪器
使用准确度为士0.7dB的声级计;图1
玉料盘
测量仪器包括传声器,电缆在内的整个测试系统,应在每次测试前均按有关规定进行校准。b.
5.3.2.3测试程序
松开压料盘,将线迹长度调至最大;测量时,机关安放在底面及四周垫有20mm厚的海绵座盘上;被测机头以最高转速的90%连续运转,在1min末时,记下其示值;按上述方法连续测试5次,取其算术平均值。启动扭矩试验
按ZBY17023的规定进行。
5.3.4密封性能试验
QB/T 1516-1992
以最高缝纫速度间运转,转25s,停10s,连续进行30min,停机检查各密封面是否有明显渗油现5.3.5油泵输油检验
理:机头缝速均为2000针/min;b,机头运转1mn,停155,再继续运转时,在25s的时间内,油泵的出油口必须开始供油。5.4机器性能试验
5.4.1本标准4.1.1条试验:
5.4.1.1最大与最小线迹长度试验将线迹长度调至最大及最小,其余检验条件同表2中的普通缝纫项目要求:.在两层毛皮或合成革上分别作300mm缝纫:用游标卡尺分别在线缝上测量10个连续小与最大线迹的总长度,分刻计算其最小线迹的平均值和最大线迹的平均值。
5.4.1.2调节后不应有自行移动的项目,在缝纫性能中检验。5.4.2线迹长度样对误差在普通缝纫中检查,缝纫后测量缝料前段10个线迹长度和缝料中段10个线迹长度t,其相对误差值按下式计算:f(%)=二丝×100
式中;f-
线迹长度相对误差。
5.4.3松线钉作用检验:
转动手轮,针杆运动时,日松线球面、压线螺钉工作正常,具有松线作用。5.4.4压料盘压力应可调节的项目,在缝纫性能检验中进行。5.5附件和备件
按说明书规定或装箱单清点。
6检验规则
6.1出厂产品必须经企业质量检验部门检查合格,并附有检验合格证。6.2检验分类
6.2.1出厂检验
收货方有权按本标准的规定,对出广检验项目进行检验验收。6.2.2型式检验
有下列情况之,需对产品质量进行全面考核,应进行型式检验新产品或老产品转厂生产的试制定型整定:静
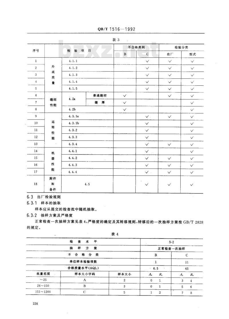
正式生产后,如结构、材料、工艺有较大改变,可能影响产品性能时,正常生产六个月(根据产品可定为一月、季、半年或一年)应周期性进行次检验;d.产品长期停产后,恢复生产时;出厂检验结果与上次型式检验有较大差舜时;1、上级质量监督机构提出进行型式检验的要求时。6.2.3不合格类别及检验分类
检验项目、不合格类别及检验分类见表3。样本单位为每台缝纫机头,B类以不合格品计,C类以不合格数计。
6.3出厂检验规则
6.3.1样本的抽取
检验项目
QB/T 1516—1992
不合格类别
普通缝纫
样本应从提交的检查批中随机抽取。6.3.2抽样方案及严格度
检验分类
正常检查一次抽样方案见表4,严格度的确定及其转移规则,转移后的一次抽样方案按GB/T2828的规定。
检套水平
抽样方案
不合格分类
单位样本检验项数
合格质量水平(AQL)
批量范围
26~150
151~1200
样本大小字码
样本大小
正常检查一次抽样
6.3.3检查批合格截不合格的判断QB/T1516—1992
根据样本检查的结果,若在样本中发现的B类的不合格品数和C类的不合格数,均分别小于或等于对应的合格判定数(A。),则判该检查批是合格批。若在样本中发现的B类的不合格品数和C类的不合格数有-一类大于或等于对应的不合格判定数(R。),则判该检查批是不合格批。6.3.4检验后不合格品和批的处置订货方有权拒收合格批中在检查时发现的不合格品。判为不合格的批原则上全部退回供货方或由供货方与订货方协商解决。供货方在对不合格批进行百分之百检查的基础上,将发现的不合格品别除或修理好以后,允许再次提交检查。
对于再提交检查的批,是使用正常检查还是加严检查,是检查所有项目还是仅仅检查造成批不合格的项目,均由订货方决定。
6.4型式检验规则
6.4.1样本的抽取
样本应从本周期制造的并经出广检验合格的某个批或若干批中抽取,并要保证所得到的样本能代表本开期的制造技术水平(使用二次抽样方案时,各个样本要同时取是)。6.4.2抽样方案
型式检验的二次抽样方案见表5,表5
判水平
抽样方案
不合格分类
華位样本检验项数
不合格质量水平(RQL)
样本大小
6.4.3型式检验合格或不合格的判断A
根据样本检查的结果,若在第样本中发现的B类的不合格品数和C类的不合格数,均分别小于或等于对应的第一合格判定数(A。),则判该检查批是合格批。若在样本中发现的B类的不合格品数和C类不合格数有一类大于或等于对应的第-不合格判定数(R),则判该检查批是不合格批。若在第一样本中发现的不合格品数或不合格数,有一类或二类大于对应的第合格判定数(焦),同时又均小于对应的第不合格判定数(R。),则抽第二个样本进行检查。若在第一和第二样本中发现的B类的不合格品数总和及C类的不合格数总和,均分别小于或等于对应的第二合格判定数(A.),则判该检查批是合格批。著在第一和第二样本中发现的E类的不合格品数总和或C类的不合格数总和,有一类大于或等于对应的第二不合格判定数(R),则判该检查批是不合格。6.4.4型式检验后的处
型式检验后的处置,按GB/T2829中的第4.12条规定。7标志、包装、运输、贮存
7.1标志
7.1.1产品标志
机头上应标有下列标志:
制造广名:
商标,
产品型号或标记;
QB/T1516.- 1992
制造日期(或号)或生产批号。
外包装标志
按ZBY17004的规定。
包装、运输、贮存
按ZBY17004的规定。
附加说明:
本标准由轻工业部质业标准司提出。本标准由全国缝纫机标准化中心归口。本标准由上海缝纫机厂负责起草。本标准主要起草人李美娣。
小提示:此标准内容仅展示完整标准里的部分截取内容,若需要完整标准请到上方自行免费下载完整标准文档。
工业用缝纫机
1主题内容与适用范围
毛皮拼接缝缝纫机机头
QB/T 1516 992
本标准规定了工业用毛皮耕接缝缝纫机机头的产品分类、技术要求、试验方法、检验规划、标志、包装、运输及贮存。
本标准适用于拼接各种毛皮及革、合成革用的拼接缝缝纫机机头(以下简称“机头”)。2
引用标准
GB/T 4515
线迹的分类和术语
ZBY 17002
缝纫机零件发黑技术条件
缝纫机包装
ZBY 17004
ZBY17023缝纫机机头启动扭矩测试方法3产品分类
3.1产品分为下列四种类型:
1型:拼缝薄料毛皮
型:拼缝中厚料毛皮
原型:拼缝厚料毛皮
W型:拼缆厚料革、合成革及厚料毛皮3.2型式
本机头系箱体式机体,采用直针刺料、摆动式钩针勾线、齿盘送料、形成501型式线迹。3.3基本参数(见表1)
基本鑫数项目
最高缝纫速度,针/min
键厚能力(毛皮自由状态下)mm
线迹长度调节寇,mm
采用机针
采用缝线
魅机功率,W
4。委
GPX1型\
Nm45-120
(18tex-5.9tex)/3股棉线敏销纶线250370
注:1)相当于联郑德国1567、459R及美国胜家Sy6520型机针。中华人民共和国轻工业部1992-06-08批准224
4(会戒革)
1993-02-01实施
4技术要求
4.1外观质量
QB/T1516—1992
4.1.1烘漆件表面应平整、色泽均匀,主要可见部位应无明显的流漆、起泡以及碰漆等缺陷。4.1.2机头表面不应有锈斑,标牌应完整,位置正确,无明显伤痕。4.1.3电镀件镀层表面应平整光滑、色泽一致,不应有漏镀、起皮、斑点、擦伤及锈蚀等缺陷。4.1.4发黑件表面质量应符合ZBY17002中1.1条的规定。4.1.5外露零件应无毛刺。
4.2缝纫性能
缝纫性能按表2规定的条件试验时,必须满足下列要求:普缝和缝厚时,不应有断针、断线、跳针、浮线现象,a.
连续缝纫累计长度为1m时,不允许有断线现象。b.
4.3运转性能
4.3.1运转噪声
以最高缝速空载运转时,应无异常杂声;以最高缝速的90%连续运转时,其噪声声压级应不大于83dB(A)。b.
4.3.2机头运转应轻滑,空载时,其启动扭矩值应不大于0.6N·m。4.3.3密封面应有密封装置,不应有明显的渗油现象。4.3.4油泵润滑系统的供油应良好,机头运转时,在25s时间内,油泵的出油口必须开始供油。4.4机器性能
4.4.1线迹长度调节范围应符合表1规定,调节后不应有自行滑动现象。4.4.2线迹长度的相对误差值应不大于20%。4.4.3缝线张力应能调节,松线钉应起松线作用。4.4.4压料盘压力应可调节。
4.5附件和备件
每台机器应有必要的附件和备件。附件和备件的品种和数量按使用说明书规定。5试验方法
5.1外观质量
5.1.1本标准4.1.1、4.1.2、4.1.3、4.1.5条规定的外观质量在光照度为600±2001x的自然光线下,距离为300mm,用目测法。
5.1.2本标准4.1.4条规定的发黑件质量按ZBY17002中2.1.1条规定的方法进行。5.2缝纫性能
普缝、缝厚和连续缝纫性能试验,根据产品不同的类型,按表2规定的条件进行。缝纫速度的允a.
差为—3%;
5.9tex/3股棉线
7.5tex/3股棉线
65/3股锦纶线
65/3股锦纶线
缝料厚度,mm
0.7~1(毛皮)
1.2~1.5(毛皮)
2.5~3(毛皮)
0.8(人造革)
拼接试缝
针/min
QB/T1516--1992
续表2免费标准下载网bzxz
15.9tex/3股棉线
И型Nm90
7.5tex/3股棉线
65/3股锦纶线
Nm120|65/3股棉纶线
5.9tex/3股棉线
7.5tex/3股棉线
Nm9065/3股锦纶线
65/3股锦纶线
缝料厚度,mm
0.9~1.3(毛皮)
1.8~~2.2(毛皮)
3.2~3.8(毛皮)
0.8(人造革)
【0.7~1(毛皮)
1.2~1.5(毛皮)
2.5~3(毛皮)
0.8(人造革)
拼接试缝
线迹缝速
长度针/min
最大3000
缝纫性能试验前允许调节线迹长度、线的张力和压紧缝料的压力,但不得调整其他零件。5.3运转性能
最高缝速用光电测速仪或其他非接触式测速仪测量,异常杂声用耳测法。5.3.1
5.3.2噪声级检验
5.3.2.1测试条件
应在除地面外不产生反射噪声之壁面的试验室或半消音室内进行,测试环境的背景噪声须比机头噪声低10dB(A)以上;传声器置于操作者一侧,传声器轴心线对准机头送料盘与压料盘的切点位置,与压料平面成45°夹角,距离为450mm(见图1)。传声器
传声磐
送料盘
5.3.2.2测量仪器
使用准确度为士0.7dB的声级计;图1
玉料盘
测量仪器包括传声器,电缆在内的整个测试系统,应在每次测试前均按有关规定进行校准。b.
5.3.2.3测试程序
松开压料盘,将线迹长度调至最大;测量时,机关安放在底面及四周垫有20mm厚的海绵座盘上;被测机头以最高转速的90%连续运转,在1min末时,记下其示值;按上述方法连续测试5次,取其算术平均值。启动扭矩试验
按ZBY17023的规定进行。
5.3.4密封性能试验
QB/T 1516-1992
以最高缝纫速度间运转,转25s,停10s,连续进行30min,停机检查各密封面是否有明显渗油现5.3.5油泵输油检验
理:机头缝速均为2000针/min;b,机头运转1mn,停155,再继续运转时,在25s的时间内,油泵的出油口必须开始供油。5.4机器性能试验
5.4.1本标准4.1.1条试验:
5.4.1.1最大与最小线迹长度试验将线迹长度调至最大及最小,其余检验条件同表2中的普通缝纫项目要求:.在两层毛皮或合成革上分别作300mm缝纫:用游标卡尺分别在线缝上测量10个连续小与最大线迹的总长度,分刻计算其最小线迹的平均值和最大线迹的平均值。
5.4.1.2调节后不应有自行移动的项目,在缝纫性能中检验。5.4.2线迹长度样对误差在普通缝纫中检查,缝纫后测量缝料前段10个线迹长度和缝料中段10个线迹长度t,其相对误差值按下式计算:f(%)=二丝×100
式中;f-
线迹长度相对误差。
5.4.3松线钉作用检验:
转动手轮,针杆运动时,日松线球面、压线螺钉工作正常,具有松线作用。5.4.4压料盘压力应可调节的项目,在缝纫性能检验中进行。5.5附件和备件
按说明书规定或装箱单清点。
6检验规则
6.1出厂产品必须经企业质量检验部门检查合格,并附有检验合格证。6.2检验分类
6.2.1出厂检验
收货方有权按本标准的规定,对出广检验项目进行检验验收。6.2.2型式检验
有下列情况之,需对产品质量进行全面考核,应进行型式检验新产品或老产品转厂生产的试制定型整定:静
正式生产后,如结构、材料、工艺有较大改变,可能影响产品性能时,正常生产六个月(根据产品可定为一月、季、半年或一年)应周期性进行次检验;d.产品长期停产后,恢复生产时;出厂检验结果与上次型式检验有较大差舜时;1、上级质量监督机构提出进行型式检验的要求时。6.2.3不合格类别及检验分类
检验项目、不合格类别及检验分类见表3。样本单位为每台缝纫机头,B类以不合格品计,C类以不合格数计。
6.3出厂检验规则
6.3.1样本的抽取
检验项目
QB/T 1516—1992
不合格类别
普通缝纫
样本应从提交的检查批中随机抽取。6.3.2抽样方案及严格度
检验分类
正常检查一次抽样方案见表4,严格度的确定及其转移规则,转移后的一次抽样方案按GB/T2828的规定。
检套水平
抽样方案
不合格分类
单位样本检验项数
合格质量水平(AQL)
批量范围
26~150
151~1200
样本大小字码
样本大小
正常检查一次抽样
6.3.3检查批合格截不合格的判断QB/T1516—1992
根据样本检查的结果,若在样本中发现的B类的不合格品数和C类的不合格数,均分别小于或等于对应的合格判定数(A。),则判该检查批是合格批。若在样本中发现的B类的不合格品数和C类的不合格数有-一类大于或等于对应的不合格判定数(R。),则判该检查批是不合格批。6.3.4检验后不合格品和批的处置订货方有权拒收合格批中在检查时发现的不合格品。判为不合格的批原则上全部退回供货方或由供货方与订货方协商解决。供货方在对不合格批进行百分之百检查的基础上,将发现的不合格品别除或修理好以后,允许再次提交检查。
对于再提交检查的批,是使用正常检查还是加严检查,是检查所有项目还是仅仅检查造成批不合格的项目,均由订货方决定。
6.4型式检验规则
6.4.1样本的抽取
样本应从本周期制造的并经出广检验合格的某个批或若干批中抽取,并要保证所得到的样本能代表本开期的制造技术水平(使用二次抽样方案时,各个样本要同时取是)。6.4.2抽样方案
型式检验的二次抽样方案见表5,表5
判水平
抽样方案
不合格分类
華位样本检验项数
不合格质量水平(RQL)
样本大小
6.4.3型式检验合格或不合格的判断A
根据样本检查的结果,若在第样本中发现的B类的不合格品数和C类的不合格数,均分别小于或等于对应的第一合格判定数(A。),则判该检查批是合格批。若在样本中发现的B类的不合格品数和C类不合格数有一类大于或等于对应的第-不合格判定数(R),则判该检查批是不合格批。若在第一样本中发现的不合格品数或不合格数,有一类或二类大于对应的第合格判定数(焦),同时又均小于对应的第不合格判定数(R。),则抽第二个样本进行检查。若在第一和第二样本中发现的B类的不合格品数总和及C类的不合格数总和,均分别小于或等于对应的第二合格判定数(A.),则判该检查批是合格批。著在第一和第二样本中发现的E类的不合格品数总和或C类的不合格数总和,有一类大于或等于对应的第二不合格判定数(R),则判该检查批是不合格。6.4.4型式检验后的处
型式检验后的处置,按GB/T2829中的第4.12条规定。7标志、包装、运输、贮存
7.1标志
7.1.1产品标志
机头上应标有下列标志:
制造广名:
商标,
产品型号或标记;
QB/T1516.- 1992
制造日期(或号)或生产批号。
外包装标志
按ZBY17004的规定。
包装、运输、贮存
按ZBY17004的规定。
附加说明:
本标准由轻工业部质业标准司提出。本标准由全国缝纫机标准化中心归口。本标准由上海缝纫机厂负责起草。本标准主要起草人李美娣。
小提示:此标准内容仅展示完整标准里的部分截取内容,若需要完整标准请到上方自行免费下载完整标准文档。
标准图片预览:





- 其它标准
- 热门标准
- 轻工行业标准(QB)
- QB/T5247-2018 箱包配件塑料插扣耐 用性能试验方法
- QB/T2856-2007 毛革服装
- QB/T2425-1998 封箱用再湿性牛皮纸胶粘带
- QB/T3520-1999 500kV油纸套管绝缘纸
- QB2584-2003 蒸汽淋浴房
- QB/T2591-2003 抗菌塑料-抗菌性能试验方法和抗菌效果
- QB/T2636-2004 纸与纸板油墨吸收性测定仪
- QB/T1439-2005 帐册
- QB/T1584-2005 日用皮手套
- QB/T2662-2004 电动机式家用微波炉定时器
- QB/T1756-1993 造纸机械湍流式中浓度浆泵
- QB/T1782-1993 苯乙醇
- QB/T1664-1998 纸板戳穿强度测定仪
- QB/T1702.2-1993 括板升运机
- QB/T2501-2000 重力式自动装料衡器
- 行业新闻
请牢记:“bzxz.net”即是“标准下载”四个汉字汉语拼音首字母与国际顶级域名“.net”的组合。 ©2025 标准下载网 www.bzxz.net 本站邮件:bzxznet@163.com
网站备案号:湘ICP备2025141790号-2
网站备案号:湘ICP备2025141790号-2