- 您的位置:
- 标准下载网 >>
- 标准分类 >>
- 国家标准(GB) >>
- GB 31633-2014 食品安全国家标准 食品添加剂 氢气
标准号:
GB 31633-2014
标准名称:
食品安全国家标准 食品添加剂 氢气
标准类别:
国家标准(GB)
标准状态:
现行出版语种:
简体中文下载格式:
.rar .pdf下载大小:
部分标准内容:
中华人民共和国国家标准
GB31633—2014
食品安全国家标准
食品添加剂
2014-12-24发布
2015-05-24实施
中华人民共和国
国家卫生和计划生育委员会
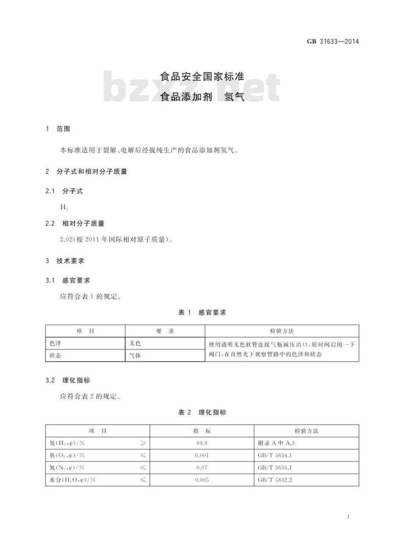
1范围
食品安全国家标准
食品添加剂
本标准适用于裂解、电解后经提纯生产的食品添加剂氢气。分子式和相对分子质量
分子式
相对分子质量
2.02(按2011年国际相对原子质量)。3技术要求
感官要求
应符合表1的规定
理化指标
应符合表2的规定。
氢(H2.9)/%
氧(02+g)/%
氮(N29)/%
水分(H.0.)/%
感官要求
检验方法
GB31633—2014
使用透明无色软管连接气瓶减压出口,短时间启闭下
阀门,在自然光下观察管路中的色泽和状态表2理化指标
检验方法
附录A中A.3
GB/T3634.1
GB/T3634.1
GB/T5832.2wwW.bzxz.Net
附录A
本标准的检验方法中使用到高压气瓶,操作应采取适当的安全和防护措施A.2
鉴别试验
GB31633—2014
收集一试管试验气体,将试管连接一个玻璃导管,点燃导管口试验气体,火焰为淡蓝色,用干燥的烧杯罩在火焰上方有液珠出现。再迅速倒转烧杯,加人少量澄清石灰水,澄清石灰水不变浑浊A.3
氢(H2)含量的测定
氢(Hz)含量的体积分数,按式(A.1)计算:9=100%-(9++)
式中:
9——按GB/T3634.1测定的氧的体积分数,%;按GB/T3634.1测定的氮的体积分数,%;92
9———按GB/T5832.2测定的水分的体积分数,%。....
.(A.1)
小提示:此标准内容仅展示完整标准里的部分截取内容,若需要完整标准请到上方自行免费下载完整标准文档。
GB31633—2014
食品安全国家标准
食品添加剂
2014-12-24发布
2015-05-24实施
中华人民共和国
国家卫生和计划生育委员会
1范围
食品安全国家标准
食品添加剂
本标准适用于裂解、电解后经提纯生产的食品添加剂氢气。分子式和相对分子质量
分子式
相对分子质量
2.02(按2011年国际相对原子质量)。3技术要求
感官要求
应符合表1的规定
理化指标
应符合表2的规定。
氢(H2.9)/%
氧(02+g)/%
氮(N29)/%
水分(H.0.)/%
感官要求
检验方法
GB31633—2014
使用透明无色软管连接气瓶减压出口,短时间启闭下
阀门,在自然光下观察管路中的色泽和状态表2理化指标
检验方法
附录A中A.3
GB/T3634.1
GB/T3634.1
GB/T5832.2wwW.bzxz.Net
附录A
本标准的检验方法中使用到高压气瓶,操作应采取适当的安全和防护措施A.2
鉴别试验
GB31633—2014
收集一试管试验气体,将试管连接一个玻璃导管,点燃导管口试验气体,火焰为淡蓝色,用干燥的烧杯罩在火焰上方有液珠出现。再迅速倒转烧杯,加人少量澄清石灰水,澄清石灰水不变浑浊A.3
氢(H2)含量的测定
氢(Hz)含量的体积分数,按式(A.1)计算:9=100%-(9++)
式中:
9——按GB/T3634.1测定的氧的体积分数,%;按GB/T3634.1测定的氮的体积分数,%;92
9———按GB/T5832.2测定的水分的体积分数,%。....
.(A.1)
小提示:此标准内容仅展示完整标准里的部分截取内容,若需要完整标准请到上方自行免费下载完整标准文档。
标准图片预览:



- 其它标准
- 热门标准
- 国家标准
- GB/T2828.1-2012 计数抽样检验程序 第1部分:按接收质量限(AQL)检索的逐批检验抽样计划
- GB/T3836.1-2021 爆炸性环境 第1部分:设备 通用要求
- GB/T18204.4-2000 公共场所毛巾、床上卧具微生物检验方法细菌总数测定
- GB/T23892.3-2009 滑动轴承 稳态条件下流体动压可倾瓦块止推轴承 第3部分:可倾瓦块止推轴承计算的许用值
- GB/T11839-1989 二氧化铀芯块中硼的测定 姜黄素萃取光度法
- GB/T6122.1-2002 圆角铣刀 第1部分:型式和尺寸
- GB/T7433-1987 对称电缆载波通信系统抗无线电广播和通信干扰的指标
- GB/T21238-2007 玻璃纤维增强塑料夹砂管
- GB50303-2015 建筑电气工程施工质量验收规范
- GB17945-2024 消防应急照明和疏散指示系统
- GB/T24974—2010 收费用手动栏杆
- GB/T9239-1988 刚性转子平衡品质 许用不平衡的确定
- GB/T15917.3-1995 金属镝及氧化镝化学分析方法 对氯苯基荧光酮--溴化十六烷基三甲基胺分光光度法测定钽量
- GB/T13985-1992 照相机操作力和强度
- GB/T6397-1986 金属拉伸试验试样
- 行业新闻
请牢记:“bzxz.net”即是“标准下载”四个汉字汉语拼音首字母与国际顶级域名“.net”的组合。 ©2025 标准下载网 www.bzxz.net 本站邮件:bzxznet@163.com
网站备案号:湘ICP备2025141790号-2
网站备案号:湘ICP备2025141790号-2