- 您的位置:
 - 标准下载网 >>
 - 标准分类 >>
 - 国家标准(GB) >>
 - GB 2749-2015 蛋与蛋制品
 
部分标准内容:
					
					中华人民共和国国家标准
GB2749—2015Www.bzxZ.net
食品安全国家标准
蛋与蛋制品
2015-11-13发布
中华人民共和国
国家卫生和计划生育委员会
2016-11-13实施
GB2749—2015
本标准代替GB2748—2003《鲜蛋卫生标准》和GB27492003《蛋制品卫生标准》。本标准与GB2748—2003和GB2749—2003相比,主要变化如下:标准名称修改为“食品安全国家标准蛋与蛋制品”;
修改了范围;
修改了术语和定义;
修改了感官指标;
修改了理化指标;
—增加了兽药残留限量;
——修改了微生物指标。
1范围
本标准适用于鲜蛋与蛋制品
术语和定义
2.1鲜蛋
食品安全国家标准
蛋与蛋制品
GB2749—2015
各种家禽生产的、未经加工或仅用冷藏法、液浸法、涂膜法、消毒法、气调法、干藏法等贮藏方法处理的带壳蛋。
蛋制品
液蛋制品
以鲜蛋为原料,经去壳、加工处理后制成的蛋制品,如全蛋液、蛋黄液、蛋白液等干蛋制品
以鲜蛋为原料,经去壳、加工处理、脱糖、干燥等工艺制成的蛋制品,如全蛋粉、蛋黄粉、蛋白粉等。2.2.3冰蛋制品
以鲜蛋为原料,经去壳、加工处理、冷冻等工艺制成的蛋制品,如冰全蛋、冰蛋黄、冰蛋白等2.2.4再制蛋
以鲜蛋为原料,添加或不添加辅料,经盐、碱、糟、卤等不同工艺加工而成的蛋制品,如皮蛋、咸蛋、咸蛋黄、糟蛋、卤蛋等。
3技术要求
3.1原料要求
原料应符合相应的食品标准和有关规定3.2
感官要求
鲜蛋的感官要求应符合表1的规定,蛋制品的感官要求应符合表2的规定1
滋味、气味
污染物限量
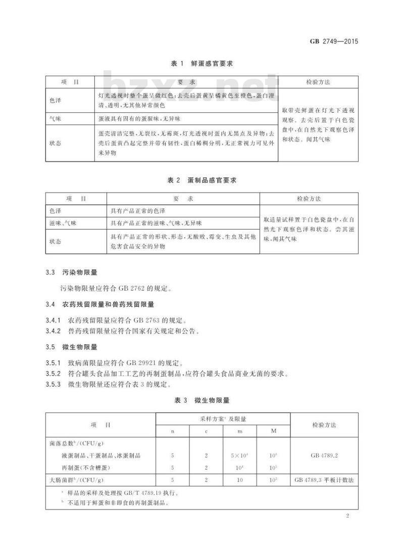
表1鲜蛋感官要求
灯光透视时整个蛋呈微红色:去壳后蛋黄呈橘黄色至橙色,蛋白澄清、透明,无其他异常颜色
蛋液具有固有的蛋腥味,无异味蛋壳清洁完整,无裂纹,无霉斑,灯光透视时蛋内无黑点及异物:去壳后蛋黄凸起完整并带有韧性,蛋白稀稠分明,无正常视力可见外来异物
蛋制品感官要求
具有产品正常的色泽
具有产品正常的滋味、气味,无异味具有产品正常的形状、形态,无酸败、霉变、生虫及其他危害食品安全的异物
污染物限量应符合GB2762的规定,3.4
农药残留限量和兽药残留限量
农药残留限量应符合GB2763的规定兽药残留限量应符合国家有关规定和公告。微生物限量
致病菌限量应符合GB29921的规定。GB2749—2015
检验方法
取带壳鲜蛋在灯光下透视
观察。去壳后置于白色瓷
盘中,在自然光下观察色泽
和状态。闻其气味
检验方法
取适量试样置于白色瓷盘中,在自然光下观察色泽和状态。尝其滋味,闻其气味
符合罐头食品加工工艺的再制蛋制品,应符合罐头食品商业无菌的要求。微生物限量还应符合表3的规定。表3
菌落总数/(CFU/g)
液蛋制品、干蛋制品、冰蛋制品再制蛋(不含糟蛋)
大肠菌群/(CFU/g)
样品的采样及处理按GB/T4789.19执行b不适用于鲜蛋和非即食的再制蛋制品。微生物限量
采样方案”及限量
5×10*
检验方法
GB4789.3平板计数法
食品添加剂和食品营养强化剂
3.6.1食品添加剂的使用应符合GB2760的规定食品营养强化剂的使用应符合GB14880的规定3.6.2
GB2749—2015
小提示:此标准内容仅展示完整标准里的部分截取内容,若需要完整标准请到上方自行免费下载完整标准文档。
	 
	        
	      GB2749—2015Www.bzxZ.net
食品安全国家标准
蛋与蛋制品
2015-11-13发布
中华人民共和国
国家卫生和计划生育委员会
2016-11-13实施
GB2749—2015
本标准代替GB2748—2003《鲜蛋卫生标准》和GB27492003《蛋制品卫生标准》。本标准与GB2748—2003和GB2749—2003相比,主要变化如下:标准名称修改为“食品安全国家标准蛋与蛋制品”;
修改了范围;
修改了术语和定义;
修改了感官指标;
修改了理化指标;
—增加了兽药残留限量;
——修改了微生物指标。
1范围
本标准适用于鲜蛋与蛋制品
术语和定义
2.1鲜蛋
食品安全国家标准
蛋与蛋制品
GB2749—2015
各种家禽生产的、未经加工或仅用冷藏法、液浸法、涂膜法、消毒法、气调法、干藏法等贮藏方法处理的带壳蛋。
蛋制品
液蛋制品
以鲜蛋为原料,经去壳、加工处理后制成的蛋制品,如全蛋液、蛋黄液、蛋白液等干蛋制品
以鲜蛋为原料,经去壳、加工处理、脱糖、干燥等工艺制成的蛋制品,如全蛋粉、蛋黄粉、蛋白粉等。2.2.3冰蛋制品
以鲜蛋为原料,经去壳、加工处理、冷冻等工艺制成的蛋制品,如冰全蛋、冰蛋黄、冰蛋白等2.2.4再制蛋
以鲜蛋为原料,添加或不添加辅料,经盐、碱、糟、卤等不同工艺加工而成的蛋制品,如皮蛋、咸蛋、咸蛋黄、糟蛋、卤蛋等。
3技术要求
3.1原料要求
原料应符合相应的食品标准和有关规定3.2
感官要求
鲜蛋的感官要求应符合表1的规定,蛋制品的感官要求应符合表2的规定1
滋味、气味
污染物限量
表1鲜蛋感官要求
灯光透视时整个蛋呈微红色:去壳后蛋黄呈橘黄色至橙色,蛋白澄清、透明,无其他异常颜色
蛋液具有固有的蛋腥味,无异味蛋壳清洁完整,无裂纹,无霉斑,灯光透视时蛋内无黑点及异物:去壳后蛋黄凸起完整并带有韧性,蛋白稀稠分明,无正常视力可见外来异物
蛋制品感官要求
具有产品正常的色泽
具有产品正常的滋味、气味,无异味具有产品正常的形状、形态,无酸败、霉变、生虫及其他危害食品安全的异物
污染物限量应符合GB2762的规定,3.4
农药残留限量和兽药残留限量
农药残留限量应符合GB2763的规定兽药残留限量应符合国家有关规定和公告。微生物限量
致病菌限量应符合GB29921的规定。GB2749—2015
检验方法
取带壳鲜蛋在灯光下透视
观察。去壳后置于白色瓷
盘中,在自然光下观察色泽
和状态。闻其气味
检验方法
取适量试样置于白色瓷盘中,在自然光下观察色泽和状态。尝其滋味,闻其气味
符合罐头食品加工工艺的再制蛋制品,应符合罐头食品商业无菌的要求。微生物限量还应符合表3的规定。表3
菌落总数/(CFU/g)
液蛋制品、干蛋制品、冰蛋制品再制蛋(不含糟蛋)
大肠菌群/(CFU/g)
样品的采样及处理按GB/T4789.19执行b不适用于鲜蛋和非即食的再制蛋制品。微生物限量
采样方案”及限量
5×10*
检验方法
GB4789.3平板计数法
食品添加剂和食品营养强化剂
3.6.1食品添加剂的使用应符合GB2760的规定食品营养强化剂的使用应符合GB14880的规定3.6.2
GB2749—2015
小提示:此标准内容仅展示完整标准里的部分截取内容,若需要完整标准请到上方自行免费下载完整标准文档。
标准图片预览:





- 其它标准
 
- 热门标准
 - 国家标准
 
- GB/T21666-2008 尿吸收辅助器具 评价的一般指南
 - GB/T38684-2020 金属材料 薄板和薄带 双轴应力-应变曲线胀形试验 光学测量方法
 - GB5585.3-1985 电工用铜、铝及其合金母线 第3部分:铝母线
 - GB/T19561-2004 寒地节能日光温室建造规程
 - GB/T7574-1987 信息处理交换用磁带标号和文卷结构
 - GB/T24715-2009 氧源转换器
 - GB/Z21193.2-2008 矿物燃烧蒸汽发电站 第2部分:汽包水位控制
 - GB/T18442.6-2011 固定式真空绝热深冷压力容器 第6部分:安全防护
 - GB∕T33370-2016 铜及铜合金软化温度的测定方法
 - GB/Z18039.7-2011 电磁兼容 环境公用供电系统中的电压暂降、短时中断及其测量统计结果
 - GB/T283-2007 滚动轴承圆柱滚子轴承外形尺寸
 - GB/T12500-1990 信息处理系统 开放系统互连 面向连接的运输协议规范
 - GB/T21242-2019 烟花爆竹 禁限用物质定性检测方法
 - GB/T39088-2020 船舶和海上技术 声响接收系统
 - GB/T19673.2-2013 滚动轴承 套筒型直线球轴承附件第2部分:5系列外形尺寸和公差
 
- 行业新闻
 
请牢记:“bzxz.net”即是“标准下载”四个汉字汉语拼音首字母与国际顶级域名“.net”的组合。 ©2025 标准下载网 www.bzxz.net 本站邮件:bzxznet@163.com
网站备案号:湘ICP备2025141790号-2
网站备案号:湘ICP备2025141790号-2