- 您的位置:
- 标准下载网 >>
- 标准分类 >>
- 轻工行业标准(QB) >>
- QB 1805.1-1993 工业用α-淀粉酶制剂
标准号:
QB 1805.1-1993
标准名称:
工业用α-淀粉酶制剂
标准类别:
轻工行业标准(QB)
英文名称:
Industrial α-amylase preparations标准状态:
现行-
发布日期:
1993-07-29 -
实施日期:
1994-03-01 出版语种:
简体中文下载格式:
.rar.pdf下载大小:
74.68 KB
中标分类号:
食品>>食品发酵、酿造>>X60食品发酵、酿造综合
替代情况:
替代QB 546-1980
点击下载
标准简介:
标准下载解压密码:www.bzxz.net
本标准规定了工业用α-淀粉酶制荆的技术要求、试验方法、检验规则和标志、包装、运输、贮存要求。本标准适用于以解淀粉芽抱杆菌(Bacillusa myliquefaciensNo.BF7658及CW102)深层培养,经提纯制取的α-淀粉酶制剂。 QB 1805.1-1993 工业用α-淀粉酶制剂 QB1805.1-1993
部分标准内容:
中华人民共和国轻工行业标准
工业用α-淀粉酶制剂
α-Amylase far industrial use1 主题内容与适用范围
QB 1805.1: 1993
小标难规定了T业用α 粉酶制剂的技术要求,试验方法、检验规则和标志,包装、运愉,贮存要求。
本标准适用于以解淀粉芽孢杆菌(Bacillus ainyliquufacicns No. DF 7s寻及 CWlo2)深层境养,经提纯制瑕的α-淀粉酶制剂。
2引用标准
QB/T1803工业酶制剂通用试验方法QB/T 1804业酵制剂须用检验脱则和标志、包装,运输、贮存3产品分类
产品按形态,分为竭体和液体酶两种剂型,4技术要求
4.1外戏要求
固体剂型燕耦色粉未,上潮解结块现象,易溶」水。滋体剂型耦色液体,允许有少凝聚物,4.2照化要求
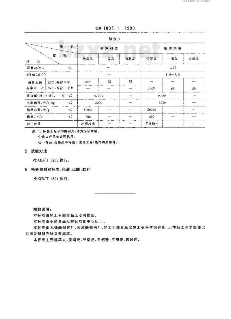
理化要求应符合表!舰延。
酶活力.u/g(u/ml.)
T燥大重兴
無度10. 40mm(39 日)标混筛的
优等品
无异球
尚体剂型
·等品
无吴味
中华人民共和国轻工业部1993-07-29批准合格品
优等品
洗针殊
液休剂型
无异味
合格品
1994-03-01实施
容重-g/ml.
PH 值<25 )
酶据力保
25℃,保存半年
存率%5℃.保存三个月
重金属(以1b计),
火熬茜群,个/100g
细菌总数,个/g
霉菌,个/8
沙门臣菌
优等品
QB 1805.1-1993
续表1
固体剂型
一等品
不得检出
注:1)标茎上标示的瘾活力,即为标示酶活。(i)母口产品按合同执行。
-等品.合格品不得用丁食品工业(燕馏酒类除外)。5试验方法
按 QB/T 1803 执行。
6检验规见和标志,包装、运输、购存按QB/T1804披行。
附加说明:
本标准由轻工业部食品工业司提出。本标准由全国食品发酵标准化中心归口。合格品
优等品
液休剂型
一等品此内容来自标准下载网
5. 5~~ 7. 0
不得检出
-TTKAONTKAca-
合格品
本标准由无锡酶制剂广、天津酶制剂厂、轻工业都食品发酵工业科学研究所、天滞轻工业学院和北京市发酵研究所负责起草。
本标主要起草人候炳炭、昊炳炭、田栖静、王福荣、郭茹。
小提示:此标准内容仅展示完整标准里的部分截取内容,若需要完整标准请到上方自行免费下载完整标准文档。
工业用α-淀粉酶制剂
α-Amylase far industrial use1 主题内容与适用范围
QB 1805.1: 1993
小标难规定了T业用α 粉酶制剂的技术要求,试验方法、检验规则和标志,包装、运愉,贮存要求。
本标准适用于以解淀粉芽孢杆菌(Bacillus ainyliquufacicns No. DF 7s寻及 CWlo2)深层境养,经提纯制瑕的α-淀粉酶制剂。
2引用标准
QB/T1803工业酶制剂通用试验方法QB/T 1804业酵制剂须用检验脱则和标志、包装,运输、贮存3产品分类
产品按形态,分为竭体和液体酶两种剂型,4技术要求
4.1外戏要求
固体剂型燕耦色粉未,上潮解结块现象,易溶」水。滋体剂型耦色液体,允许有少凝聚物,4.2照化要求
理化要求应符合表!舰延。
酶活力.u/g(u/ml.)
T燥大重兴
無度10. 40mm(39 日)标混筛的
优等品
无异球
尚体剂型
·等品
无吴味
中华人民共和国轻工业部1993-07-29批准合格品
优等品
洗针殊
液休剂型
无异味
合格品
1994-03-01实施
容重-g/ml.
PH 值<25 )
酶据力保
25℃,保存半年
存率%5℃.保存三个月
重金属(以1b计),
火熬茜群,个/100g
细菌总数,个/g
霉菌,个/8
沙门臣菌
优等品
QB 1805.1-1993
续表1
固体剂型
一等品
不得检出
注:1)标茎上标示的瘾活力,即为标示酶活。(i)母口产品按合同执行。
-等品.合格品不得用丁食品工业(燕馏酒类除外)。5试验方法
按 QB/T 1803 执行。
6检验规见和标志,包装、运输、购存按QB/T1804披行。
附加说明:
本标准由轻工业部食品工业司提出。本标准由全国食品发酵标准化中心归口。合格品
优等品
液休剂型
一等品此内容来自标准下载网
5. 5~~ 7. 0
不得检出
-TTKAONTKAca-
合格品
本标准由无锡酶制剂广、天津酶制剂厂、轻工业都食品发酵工业科学研究所、天滞轻工业学院和北京市发酵研究所负责起草。
本标主要起草人候炳炭、昊炳炭、田栖静、王福荣、郭茹。
小提示:此标准内容仅展示完整标准里的部分截取内容,若需要完整标准请到上方自行免费下载完整标准文档。
标准图片预览:


- 其它标准
- 热门标准
- 轻工行业标准(QB)
- QB/T5302-2018 生活用干纸巾流延聚乙烯(CPE) 包装膜
- QB/T2833-2006 运动营养食品 能量控制食品
- QB/T1949-2004 扬琴
- QB/T2173-2001 尼龙拉链
- QB/T2058-1994 照相灯泡
- QB/T2956-2008 皮鞋外底
- QB/T2421-1998 铝及铝合金不粘锅
- QB/T1753.3-1993 轻机产品图样及设计文件规定格式及填写要求
- QB/T1819-1993 R6纸板电池生产线
- QB/T4704-2014 腿脚按摩器
- QB/T1272-2012 毛皮 化学试验样品的准备
- QB/T1660-1992 猪鬃
- QB2176-1995 非公路自行车安全要求
- QB/T1334-2013 水嘴通用技术条件
- QB/T4427-2012 芸香浸膏 枫香树脂提取物
- 行业新闻
请牢记:“bzxz.net”即是“标准下载”四个汉字汉语拼音首字母与国际顶级域名“.net”的组合。 ©2025 标准下载网 www.bzxz.net 本站邮件:bzxznet@163.com
网站备案号:湘ICP备2025141790号-2
网站备案号:湘ICP备2025141790号-2