- 您的位置:
- 标准下载网 >>
- 标准分类 >>
- 机械行业标准(JB) >>
- JB/T 11314-2013 家用潜水泵用罩极式电动机技术条件
标准号:
JB/T 11314-2013
标准名称:
家用潜水泵用罩极式电动机技术条件
标准类别:
机械行业标准(JB)
标准状态:
现行出版语种:
简体中文下载格式:
.rar .pdf下载大小:
部分标准内容:
ICS29.130.30
备案号:44517—2014
中华人民共和国机械行业标准
JB/T11314—2013
家用潜水泵用罩极式电动机技术条件Specification for submarine pump's shaded pole motors2013-12-31发布
2014-07-01实施
中华人民共和国工业和信息化部发布前音
2规范性引用文件
3型式、基本参数与尺寸
4技术要求
5试验方法.
6检验规则..
6.1出厂检验
6.2型式试验
7标志、包装、运输及贮存
8质量保证期.
附录A(资料性附录)产品型号
参考文献,
图1电动机的结构及安装型式
JB/T11314—2013
JB/T11314—2013
本标准按照GB/T1.1--2009给出的规则起草。本标准由中国机械工业联合会提出。本标准由全国旋转电机标准化技术委员会(SAC/TC26)归口。本标准主要起草单位:河北五洲集团有限公司、中国电器科学研究院有限公司、横店集团联宜电机有限公司。
本标准主要起草人:马世忠、党兵茹、刘胜利、张丽芳、朱智平。本标准为首次发布。
1范围
家用潜水泵用罩极式电动机技术条件JB/T11314—2013
本标准规定了家庭排水潜水泵用YJQ系列罩极充汕电动机的型式、基本参数与尺寸、技术要求、试验方法、检验规则、标志、包装、运输及览存的要求本标准适用于家庭排水潜水泵用YJQ系列累极充油电动机(以下简称电动机)。凡属本系列电动机所派生的各种电动机也可参照执行。2规范性引用文件
下列文件对予本文件的应用是必不可少的。凡是注日期的引用文件,仅注日期的版本适用于本文件。凡是不注日期的引用文件,其最新版本(包括所有的修改单)适用于本文件。GB/T191-2008包装储运图示标志GB755-2008旋转电机定额和性能GB/T1993—1993
旋转电机冷却方法
GB2828.1-2012
计数抽样检验程序第1部分:按按收质量限(AQL)检索的逐批检验抽样计GB/T4942.1—2006
旋转电机整体结构的防护等级(IP代码)GB/T51712002
GB/T96512008
小功率电动机通用技术条件
单相异步电动机试验方法
GB/T10069.12006
GB/T10125—1997
GB/T12137—2002
GB123502009
旋转电机噪声测定方法及限值第1部分:旋转电机噪声测定方法人造气氛腐蚀试验盐雾试验
气瓶气密性试验方法
小功率电动机的安全要求
旋转电机热保护
GB/T13002—2008
GB14536.3—2008
家用和类似用途电自动控制器电动机热保护器的特殊要求GB/T22719.1-—2008
GB/T22719.2-2008
交流低压电机散嵌绕组匝问绝缘第1部分:试验方法交流低压电机散嵌绕组函间绝缘第2部分:试验限值JB/T10490—2004小功率电动机机械振动振动测量方法、评定和限值3型式、基本参数与尺寸
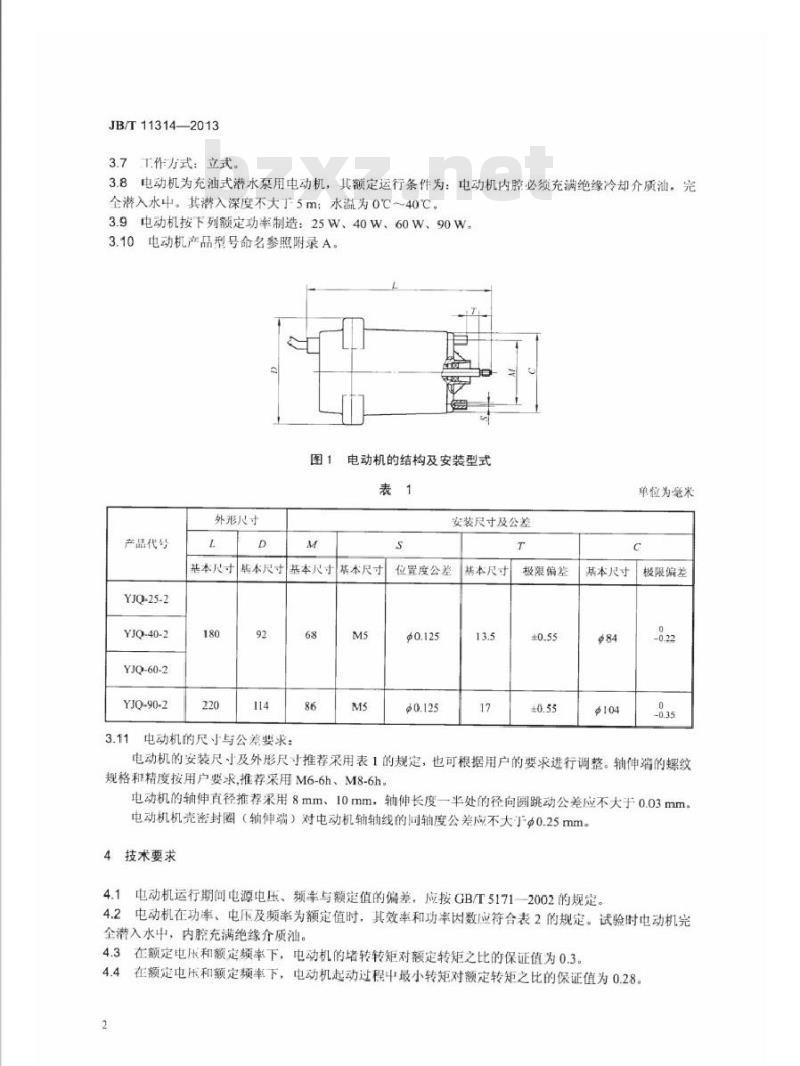
3.1电动机机壳的防护等级(按GB/T4942.1—2006的规定)为IP68。3.2电动机冷却方法(按GB/T1993一1993的规定)为IC4U1W03.3电动机的结构及安装型式(见图1)为:电动机借外壳凸缘端面和孔安装,外壳凸缘在电动机的传动,传动端问下。
3.4电动机T作制采用GB755--2008中规定的连续工作制,即S1。3.5电动机的额定频率、电压分别为50Hz、220V。3.6电动机的同步转速为3000r/min。JB/T11314—2013
3.7T作方式:立式。
3.8电动机为充油式游水泵用电动机,其额定运行条件为:电动机内腔必须充满绝缘冷却介质油,完全潜入水中。其潜入深度不大下5m;水温为0℃~40℃。3.9电动机按下列额定功率制造:25W、40W、60W、90W。3.10电动机产品型号命名参照附录A。图1
外形尺寸
产品代号
YJQ-25-2
YJQ-40-2
YJQ-60-2
YJQ-90-2
电动机的结构及安装型式
基本尺寸毕本尺寸基本尺寸
基本尺寸
电动机的尺寸与公差要求:
安装尺寸及公差
位置度公差
基本尺寸
极限偏差
单位为毫米
基本尺寸
极限偏差
电动机的安装尺小及外形尺寸推荐采用表1的规定,也可根据用户的要求进行调整。轴伸端的螺纹规格和精度按用户要求,推荐采用M6-6h、M8-6h。电动机的轴伸直径推荐采用8mm、10mm,轴伸长度一半处的径向圆跳动公差应不大于0.03mm。电动机机壳密封圈(轴伸端)对电动机轴轴线的同轴度公差应不大于$0.25mm。4技术要求
4.1电动机运行期间电源电压、频率与额定值的偏差,应按GB/T5171-2002的规定。4.2电动机在功率、电压及频率为额定值时,其效率和功率因数应符合表2的规定。试验时电动机完全潜入水中,内腔充满绝缘介质油。4.3在额定电压和额定频率下,电动机的堵转转矩对额定转矩之比的保证值为0.3。4.4在额定电压和额定频率下,电动机起动过程中最小转矩对额定转矩之比的保证值为0.28。2
额定功率
效率%
JB/T11314—2013
功率因数
4.5在额定电压和额定频率下,电动机的最大转矩对额定转矩之比的保证值为1.3。4.6中动机在电压及频率为额定值时,其堵转电流的保证值应符合表3的规定。表3
功率W
堵转电流A
电动机在功率、电压及频率为额定值时,其转速保证值为2500r/min。电动机电气性能保证值的容差应符合表4的规定。4.8
电气性能名称
效率(n)
功率因数
堵转转矩
最小转矩
最大转矩
堵转电流
转差率
保证值的-15%
保证值的-15%
保证值的-10%
保证值的+20%
保证值的=30%
4.9电动机采用130(B)级或155(F)级绝缘。在水温符合3.8的规定,且在额定负载运转时,130(B)级绝缘电动机绕组的温升限值为80K(电阻法):155(F)级绝缘的温升限值可参照130(B)级绝缘的要求,或在130(B)级绝缘的基础上提高10K,也可以由制造厂与用户协商适当提高温升限值。轴承的允许温度为:滑动轴承不超过80℃,滚动轴承不超过95℃,用温度计法检测。4.10电动机外壳内使用的各种绝缘材料应具有耐油性。4.11电动机在空载条件下施加不低于60%额定电压时应能正常起动,且运转应平稳轻快、无卡滞现象。
4.12电动机定子绕组对外壳及绕组相互间的绝缘电阻在热状态时或温升试验后应不低于5.0MQ,在常态下应不低于100M2
4.13电动机的定子绕组应能承受历时1min的耐电压试验而无出穿或闪络现象,试验电压的有效值为1500V,试验电压的频率为50Hz。试验设备容量不小于0.5kVA。试验过程中,跳闸电流值应不大于10mA。
大批连续生产的电动机进行试验时,允许将试验的时间缩短为1s,而试验电压的有效值为1800V,试验电压用试棒施加。
4.14电动机的定子绕组应能承受距问绝缘冲击耐电压试验而不发生击穿,其冲击试验电压(峰值)为3
JB/T11314-—2013
2100V。
在冲击耐电压试验时,允许以对定子绕组的过程试验来代替出厂试验,但应有明确、可靠的保护措施,保证后续的生产和安装过程中绕组绝缘不受到损伤。4.15电动机的接地电阻应不大T0.12(25A)。4.16动机在正常工作时的泄漏电流应不大」0.25mA4.17电动机的电气间隙应不小于2.5mm,爬电距离应不小于3mm4.18电动机装有嵌入式自动复位热保护器,要求如下:a)热保护器的跳闸温度应低于绕组的最高温度限值。b)绕组的最高温度限值按GB/T13002—2008的规定。c)热保护器及其连接线应与电动机的绝缘结构具有相容性,并能承受运行期问电动机内部的温度而不改变其特性。
d)电动机在连续堵转状态下,热保护器应断开:在额定条件下运行,热保护器不应跳闸。e)热保护器其他要求应符合GB14536.32008的规定。4.19电动机在额定电压、额定频率、空载运行时,声音应均匀和谐,测得的A计权声功举级的噪声值应不超过60dB(A)。
4.20电动机空载运行时的握动烈度(有效值)应不超过1.8mm/s4.21电动机的寿命要求。电动机装入水泵,在额定频率和额定电压下进行抽水试验,连续开停试验25万次,电动机应无敌障和损坏,电动机轴和轴承不得有非正常磨损。4.22电动机的旋转方向,从轴伸端视之,应为逆时针方向旋转。当用户对潜水泵的结构有需要时即允许为顺时针方向旋转。
4.23电动机机壳气密性要求。内腔应能承受0.2MPa气压,保持10s,无漏气现象4.24电动机机壳外表面的涂层应具有耐水和抗腐蚀能力,经受6h的盐雾试验,无涂层剥落和出现气泡现象,涂层色泽无明显的变化。4.25电动机转子轴应具有耐水、耐绝缘介质油和抗腐蚀能力。4.26本标准对安全要求未作规定之处,应符合GB12350—2009的规定。5试验方法
5.1本标准6.1.2(其中g)的定子绕组匝间冲击耐电压试验除外)和6.2.2(其中g)的振动和噪声的测定除外)的各种试验,其试验方法按照GB/T9651一2008的规定进行。装配过程中函间冲击耐压试验按照GB/T22719.1—2008及GB/T22719.2—2008的规定进行。振动和噪声的测定方法按照JB/T10490—2004及GB/T10069.1——2006的规定进行。5.2进行型式试验时,定子绕组对机壳及绕组相互间的耐电压试验,应在电动机温升稳定后进行,并在定子绕组的绝缘电阻测量后进行。电动机外壳防护等级试验按GB/T4942.1一2006规定的方法进行。
5.3温升试验时,电动机充汕后完全潜入循环水中(水温为15℃~25℃),在额定额率、额定电压、额定转速条件下运行至热稳定状态,用电阻法测温升值应不超过规定值。其他要求按GB/T9651一2008的规定。
5.4电动机机壳的盐雾试验按照GB/T10125-1997规定的NSS试验进行。5.5接地可靠性检验时,用蜂鸣器检验接地端子应与机壳连通。5.6电动机机壳的气密性试验,按GB/T12137—2002中规定没水法进行。5.7寿命试验方法:将电动机装入水泵内,在额定条件下进行抽水试验。每分钟开停6次(即开5s停5s),做连续开停试验25万次,电动机应无故障和损坏,电动机轴和轴承不得有非正常磨损。4
6检验规则
6.1出厂检验
6.1.1每台电动机需经出厂检验合格后方能出厂,并附有产品检验合格证。6.1.2出厂检验包括下列项目:
JB/T11314—2013
a)外观检查:电动机表面涂层应光消、均匀、干净,无气泡、橘皮、露白、划伤等缺陷:电动机轴的轴伸部分不允许有裂纹、划伤、磕伤等缺陷。b)转动检查:电动机转动应灵活平稳、无卡滞现象,声音应均勾和谐无异响。c)电动机安装尺小及外形尺应符合本标准的规定。d)低压空载起动试验。此内容来自标准下载网
e)空载旋转方向检查。
f)耐电压试验。
g)定子绕组匝问冲击耐电压试验。h)定子绕组对机壳及绕组间相互绝缘电阻的测定。i)接地可靠性检验。
j)电动机机壳气密性试验(装配前试验)。出厂检验时,6.1.2的c)及h)可以进行抽查,抽查办法由制造厂按GB/T2828.12012制定。6.2型式试验
在下列情况下,需进行型式试验:6.2.1
a)经鉴定定型后,制造厂第一次试制或小批试制生产时:b)设计或工艺上的变更足以引起某些特性和参数发生变化时:c)当验收试验结果和以前进行的型式试验结果发生不允许的偏差时:d)成批生产的电动机每年做一次型式试验。型式试验项目包括:
a)出厂检验的全部项目:
b)堵转转矩和堵转电流的测定(冷状态时测定):c)温升试验:
d)效率和功率因数的测定:
e)最大转矩的测定:
f)起动过程中最小转矩的测定:g)振动和噪声的测定;
h)接地电阻的测定:
i)泄漏电流的测试;
j)电动机机壳的盐雾试验;
k)电动机寿命试验。
7标志、包装、运输及购存
7.1每台电动机必须在机身明显位置上牢固黏贴有制造商表明电动机额定数据及其他必要事项的铭牌。制造铭牌的材料及刻划方法应能保证其字迹在电动机整个使用期内不易磨灭。7.2铭牌应固定在电动机外壳的显著位置,注明以下内容:a)电动机名称:
JB/T11314—2013
b)电动机型号:
c)额定输出功率,【单位为瓦(W)]:d)额定电,【单位为伏(V)]
e)额定转速,[单位为转每分(r/min)]:f)绝缘等级;
g)制造商名称;
h)制造日期或生产批号。
7.3:电动机的轴伸和外壳应有保护措施7.4电动机的包装应能保证在正常的储运条件下,自发货之日起的一年时间内,不因包装不善而损坏,7.5
包装箱外壁的文字和标志应清晰整齐,内容如下:制造商名称或识别商标等标志:a
b)电动机的型号和台数:
c)电动机的净重及连同箱子的毛重:d)包装箱的外形尺寸:
e)在包装箱的适当位置应标有“易碎物品”“怕雨”等字样,其图形应符GB/T1912008的规定。7.6对电动机的运输工具不作限制,但在运输时,应小心轻放,防碰撞损坏、雨淋或化学腐蚀电动机贴存在环境空气温度为-5℃~40℃、相对湿度不大于90%的清洁、通风良好的库房内,7.7
空气中不得含有腐蚀性气体。
质量保证期
质量保证期按GB/T51712002的规定。6
附录A
(资料性附录)
产品型号
A.1本产品型号按GB/T48311984的原则编制。产品型号的组成部分其内容的实例如下:A.2
YJQ-60-2
规格代号:60W、2极
产品代号:潜水泵用累极电动机JB/T11314—2013
JB/T11314—2013
[] GB/T4831—1984
JB/T11314-2013
参考文献
电机产品型号编制方法
打印H期:2014年6月8HF009A
版权专有侵权必究
书号:15111·11698
定价:
小提示:此标准内容仅展示完整标准里的部分截取内容,若需要完整标准请到上方自行免费下载完整标准文档。
备案号:44517—2014
中华人民共和国机械行业标准
JB/T11314—2013
家用潜水泵用罩极式电动机技术条件Specification for submarine pump's shaded pole motors2013-12-31发布
2014-07-01实施
中华人民共和国工业和信息化部发布前音
2规范性引用文件
3型式、基本参数与尺寸
4技术要求
5试验方法.
6检验规则..
6.1出厂检验
6.2型式试验
7标志、包装、运输及贮存
8质量保证期.
附录A(资料性附录)产品型号
参考文献,
图1电动机的结构及安装型式
JB/T11314—2013
JB/T11314—2013
本标准按照GB/T1.1--2009给出的规则起草。本标准由中国机械工业联合会提出。本标准由全国旋转电机标准化技术委员会(SAC/TC26)归口。本标准主要起草单位:河北五洲集团有限公司、中国电器科学研究院有限公司、横店集团联宜电机有限公司。
本标准主要起草人:马世忠、党兵茹、刘胜利、张丽芳、朱智平。本标准为首次发布。
1范围
家用潜水泵用罩极式电动机技术条件JB/T11314—2013
本标准规定了家庭排水潜水泵用YJQ系列罩极充汕电动机的型式、基本参数与尺寸、技术要求、试验方法、检验规则、标志、包装、运输及览存的要求本标准适用于家庭排水潜水泵用YJQ系列累极充油电动机(以下简称电动机)。凡属本系列电动机所派生的各种电动机也可参照执行。2规范性引用文件
下列文件对予本文件的应用是必不可少的。凡是注日期的引用文件,仅注日期的版本适用于本文件。凡是不注日期的引用文件,其最新版本(包括所有的修改单)适用于本文件。GB/T191-2008包装储运图示标志GB755-2008旋转电机定额和性能GB/T1993—1993
旋转电机冷却方法
GB2828.1-2012
计数抽样检验程序第1部分:按按收质量限(AQL)检索的逐批检验抽样计GB/T4942.1—2006
旋转电机整体结构的防护等级(IP代码)GB/T51712002
GB/T96512008
小功率电动机通用技术条件
单相异步电动机试验方法
GB/T10069.12006
GB/T10125—1997
GB/T12137—2002
GB123502009
旋转电机噪声测定方法及限值第1部分:旋转电机噪声测定方法人造气氛腐蚀试验盐雾试验
气瓶气密性试验方法
小功率电动机的安全要求
旋转电机热保护
GB/T13002—2008
GB14536.3—2008
家用和类似用途电自动控制器电动机热保护器的特殊要求GB/T22719.1-—2008
GB/T22719.2-2008
交流低压电机散嵌绕组匝问绝缘第1部分:试验方法交流低压电机散嵌绕组函间绝缘第2部分:试验限值JB/T10490—2004小功率电动机机械振动振动测量方法、评定和限值3型式、基本参数与尺寸
3.1电动机机壳的防护等级(按GB/T4942.1—2006的规定)为IP68。3.2电动机冷却方法(按GB/T1993一1993的规定)为IC4U1W03.3电动机的结构及安装型式(见图1)为:电动机借外壳凸缘端面和孔安装,外壳凸缘在电动机的传动,传动端问下。
3.4电动机T作制采用GB755--2008中规定的连续工作制,即S1。3.5电动机的额定频率、电压分别为50Hz、220V。3.6电动机的同步转速为3000r/min。JB/T11314—2013
3.7T作方式:立式。
3.8电动机为充油式游水泵用电动机,其额定运行条件为:电动机内腔必须充满绝缘冷却介质油,完全潜入水中。其潜入深度不大下5m;水温为0℃~40℃。3.9电动机按下列额定功率制造:25W、40W、60W、90W。3.10电动机产品型号命名参照附录A。图1
外形尺寸
产品代号
YJQ-25-2
YJQ-40-2
YJQ-60-2
YJQ-90-2
电动机的结构及安装型式
基本尺寸毕本尺寸基本尺寸
基本尺寸
电动机的尺寸与公差要求:
安装尺寸及公差
位置度公差
基本尺寸
极限偏差
单位为毫米
基本尺寸
极限偏差
电动机的安装尺小及外形尺寸推荐采用表1的规定,也可根据用户的要求进行调整。轴伸端的螺纹规格和精度按用户要求,推荐采用M6-6h、M8-6h。电动机的轴伸直径推荐采用8mm、10mm,轴伸长度一半处的径向圆跳动公差应不大于0.03mm。电动机机壳密封圈(轴伸端)对电动机轴轴线的同轴度公差应不大于$0.25mm。4技术要求
4.1电动机运行期间电源电压、频率与额定值的偏差,应按GB/T5171-2002的规定。4.2电动机在功率、电压及频率为额定值时,其效率和功率因数应符合表2的规定。试验时电动机完全潜入水中,内腔充满绝缘介质油。4.3在额定电压和额定频率下,电动机的堵转转矩对额定转矩之比的保证值为0.3。4.4在额定电压和额定频率下,电动机起动过程中最小转矩对额定转矩之比的保证值为0.28。2
额定功率
效率%
JB/T11314—2013
功率因数
4.5在额定电压和额定频率下,电动机的最大转矩对额定转矩之比的保证值为1.3。4.6中动机在电压及频率为额定值时,其堵转电流的保证值应符合表3的规定。表3
功率W
堵转电流A
电动机在功率、电压及频率为额定值时,其转速保证值为2500r/min。电动机电气性能保证值的容差应符合表4的规定。4.8
电气性能名称
效率(n)
功率因数
堵转转矩
最小转矩
最大转矩
堵转电流
转差率
保证值的-15%
保证值的-15%
保证值的-10%
保证值的+20%
保证值的=30%
4.9电动机采用130(B)级或155(F)级绝缘。在水温符合3.8的规定,且在额定负载运转时,130(B)级绝缘电动机绕组的温升限值为80K(电阻法):155(F)级绝缘的温升限值可参照130(B)级绝缘的要求,或在130(B)级绝缘的基础上提高10K,也可以由制造厂与用户协商适当提高温升限值。轴承的允许温度为:滑动轴承不超过80℃,滚动轴承不超过95℃,用温度计法检测。4.10电动机外壳内使用的各种绝缘材料应具有耐油性。4.11电动机在空载条件下施加不低于60%额定电压时应能正常起动,且运转应平稳轻快、无卡滞现象。
4.12电动机定子绕组对外壳及绕组相互间的绝缘电阻在热状态时或温升试验后应不低于5.0MQ,在常态下应不低于100M2
4.13电动机的定子绕组应能承受历时1min的耐电压试验而无出穿或闪络现象,试验电压的有效值为1500V,试验电压的频率为50Hz。试验设备容量不小于0.5kVA。试验过程中,跳闸电流值应不大于10mA。
大批连续生产的电动机进行试验时,允许将试验的时间缩短为1s,而试验电压的有效值为1800V,试验电压用试棒施加。
4.14电动机的定子绕组应能承受距问绝缘冲击耐电压试验而不发生击穿,其冲击试验电压(峰值)为3
JB/T11314-—2013
2100V。
在冲击耐电压试验时,允许以对定子绕组的过程试验来代替出厂试验,但应有明确、可靠的保护措施,保证后续的生产和安装过程中绕组绝缘不受到损伤。4.15电动机的接地电阻应不大T0.12(25A)。4.16动机在正常工作时的泄漏电流应不大」0.25mA4.17电动机的电气间隙应不小于2.5mm,爬电距离应不小于3mm4.18电动机装有嵌入式自动复位热保护器,要求如下:a)热保护器的跳闸温度应低于绕组的最高温度限值。b)绕组的最高温度限值按GB/T13002—2008的规定。c)热保护器及其连接线应与电动机的绝缘结构具有相容性,并能承受运行期问电动机内部的温度而不改变其特性。
d)电动机在连续堵转状态下,热保护器应断开:在额定条件下运行,热保护器不应跳闸。e)热保护器其他要求应符合GB14536.32008的规定。4.19电动机在额定电压、额定频率、空载运行时,声音应均匀和谐,测得的A计权声功举级的噪声值应不超过60dB(A)。
4.20电动机空载运行时的握动烈度(有效值)应不超过1.8mm/s4.21电动机的寿命要求。电动机装入水泵,在额定频率和额定电压下进行抽水试验,连续开停试验25万次,电动机应无敌障和损坏,电动机轴和轴承不得有非正常磨损。4.22电动机的旋转方向,从轴伸端视之,应为逆时针方向旋转。当用户对潜水泵的结构有需要时即允许为顺时针方向旋转。
4.23电动机机壳气密性要求。内腔应能承受0.2MPa气压,保持10s,无漏气现象4.24电动机机壳外表面的涂层应具有耐水和抗腐蚀能力,经受6h的盐雾试验,无涂层剥落和出现气泡现象,涂层色泽无明显的变化。4.25电动机转子轴应具有耐水、耐绝缘介质油和抗腐蚀能力。4.26本标准对安全要求未作规定之处,应符合GB12350—2009的规定。5试验方法
5.1本标准6.1.2(其中g)的定子绕组匝间冲击耐电压试验除外)和6.2.2(其中g)的振动和噪声的测定除外)的各种试验,其试验方法按照GB/T9651一2008的规定进行。装配过程中函间冲击耐压试验按照GB/T22719.1—2008及GB/T22719.2—2008的规定进行。振动和噪声的测定方法按照JB/T10490—2004及GB/T10069.1——2006的规定进行。5.2进行型式试验时,定子绕组对机壳及绕组相互间的耐电压试验,应在电动机温升稳定后进行,并在定子绕组的绝缘电阻测量后进行。电动机外壳防护等级试验按GB/T4942.1一2006规定的方法进行。
5.3温升试验时,电动机充汕后完全潜入循环水中(水温为15℃~25℃),在额定额率、额定电压、额定转速条件下运行至热稳定状态,用电阻法测温升值应不超过规定值。其他要求按GB/T9651一2008的规定。
5.4电动机机壳的盐雾试验按照GB/T10125-1997规定的NSS试验进行。5.5接地可靠性检验时,用蜂鸣器检验接地端子应与机壳连通。5.6电动机机壳的气密性试验,按GB/T12137—2002中规定没水法进行。5.7寿命试验方法:将电动机装入水泵内,在额定条件下进行抽水试验。每分钟开停6次(即开5s停5s),做连续开停试验25万次,电动机应无故障和损坏,电动机轴和轴承不得有非正常磨损。4
6检验规则
6.1出厂检验
6.1.1每台电动机需经出厂检验合格后方能出厂,并附有产品检验合格证。6.1.2出厂检验包括下列项目:
JB/T11314—2013
a)外观检查:电动机表面涂层应光消、均匀、干净,无气泡、橘皮、露白、划伤等缺陷:电动机轴的轴伸部分不允许有裂纹、划伤、磕伤等缺陷。b)转动检查:电动机转动应灵活平稳、无卡滞现象,声音应均勾和谐无异响。c)电动机安装尺小及外形尺应符合本标准的规定。d)低压空载起动试验。此内容来自标准下载网
e)空载旋转方向检查。
f)耐电压试验。
g)定子绕组匝问冲击耐电压试验。h)定子绕组对机壳及绕组间相互绝缘电阻的测定。i)接地可靠性检验。
j)电动机机壳气密性试验(装配前试验)。出厂检验时,6.1.2的c)及h)可以进行抽查,抽查办法由制造厂按GB/T2828.12012制定。6.2型式试验
在下列情况下,需进行型式试验:6.2.1
a)经鉴定定型后,制造厂第一次试制或小批试制生产时:b)设计或工艺上的变更足以引起某些特性和参数发生变化时:c)当验收试验结果和以前进行的型式试验结果发生不允许的偏差时:d)成批生产的电动机每年做一次型式试验。型式试验项目包括:
a)出厂检验的全部项目:
b)堵转转矩和堵转电流的测定(冷状态时测定):c)温升试验:
d)效率和功率因数的测定:
e)最大转矩的测定:
f)起动过程中最小转矩的测定:g)振动和噪声的测定;
h)接地电阻的测定:
i)泄漏电流的测试;
j)电动机机壳的盐雾试验;
k)电动机寿命试验。
7标志、包装、运输及购存
7.1每台电动机必须在机身明显位置上牢固黏贴有制造商表明电动机额定数据及其他必要事项的铭牌。制造铭牌的材料及刻划方法应能保证其字迹在电动机整个使用期内不易磨灭。7.2铭牌应固定在电动机外壳的显著位置,注明以下内容:a)电动机名称:
JB/T11314—2013
b)电动机型号:
c)额定输出功率,【单位为瓦(W)]:d)额定电,【单位为伏(V)]
e)额定转速,[单位为转每分(r/min)]:f)绝缘等级;
g)制造商名称;
h)制造日期或生产批号。
7.3:电动机的轴伸和外壳应有保护措施7.4电动机的包装应能保证在正常的储运条件下,自发货之日起的一年时间内,不因包装不善而损坏,7.5
包装箱外壁的文字和标志应清晰整齐,内容如下:制造商名称或识别商标等标志:a
b)电动机的型号和台数:
c)电动机的净重及连同箱子的毛重:d)包装箱的外形尺寸:
e)在包装箱的适当位置应标有“易碎物品”“怕雨”等字样,其图形应符GB/T1912008的规定。7.6对电动机的运输工具不作限制,但在运输时,应小心轻放,防碰撞损坏、雨淋或化学腐蚀电动机贴存在环境空气温度为-5℃~40℃、相对湿度不大于90%的清洁、通风良好的库房内,7.7
空气中不得含有腐蚀性气体。
质量保证期
质量保证期按GB/T51712002的规定。6
附录A
(资料性附录)
产品型号
A.1本产品型号按GB/T48311984的原则编制。产品型号的组成部分其内容的实例如下:A.2
YJQ-60-2
规格代号:60W、2极
产品代号:潜水泵用累极电动机JB/T11314—2013
JB/T11314—2013
[] GB/T4831—1984
JB/T11314-2013
参考文献
电机产品型号编制方法
打印H期:2014年6月8HF009A
版权专有侵权必究
书号:15111·11698
定价:
小提示:此标准内容仅展示完整标准里的部分截取内容,若需要完整标准请到上方自行免费下载完整标准文档。
标准图片预览:





- 热门标准
- 行业标准
- JB/T10288-2001 连栋温室结构
- JB/T10056-1999 直流电流互感器 技术条件
- JB/T7895-2008 永磁筒式磁选机
- JB/T2756-2006 无轨电车用炭滑块
- JB/T8679-2008 炭弧气刨炭棒 物理及使用性能试验方法
- JB/T3411.50-1999 两爪顶拔器 尺寸
- JB∕T12618-2016 家用和类似用途电器的触摸开关
- JB/T12869-2016 畜类屠宰加工机械 运河式热水浸烫机
- JB/T7140.1-1993 牲畜药浴机械 型式与基本参数
- JB/T9933.2-1999 小模数齿轮滚齿机 精度检验
- JB/T20086-2006 药用容器 料斗
- JB/T8082-2010 护指键式和护罩式木工平刨床 安全
- JB/T5934-1991 工程机械门锁 技术条件
- JB/T8108.2-1999 起重用短环链 用于葫芦的其他起重设备的T(8)级校准链条
- JB/T8528-1997 普通型阀门电动装置 技术条件
- 行业新闻
请牢记:“bzxz.net”即是“标准下载”四个汉字汉语拼音首字母与国际顶级域名“.net”的组合。 ©2025 标准下载网 www.bzxz.net 本站邮件:bzxznet@163.com
网站备案号:湘ICP备2025141790号-2
网站备案号:湘ICP备2025141790号-2