- 您的位置:
- 标准下载网 >>
- 标准分类 >>
- 机械行业标准(JB) >>
- JB/T 4033.2-2013 电缆设备通用部件 绕包装置 第2部分:普通式绕包装置
标准号:
JB/T 4033.2-2013
标准名称:
电缆设备通用部件 绕包装置 第2部分:普通式绕包装置
标准类别:
机械行业标准(JB)
标准状态:
现行出版语种:
简体中文下载格式:
.rar .pdf下载大小:
点击下载
标准简介:
标准下载解压密码:www.bzxz.net
JB/T 4033.2-2013 电缆设备通用部件 绕包装置 第2部分:普通式绕包装置 JB/T4033.2-2013
部分标准内容:
ICS29.060.01
备案号:44328-2014
中华人民共和国机械行业标准
JB/T4033.2—2013
代替JB/T4033.4--1999
电缆设备通用部件
绕包装置
第2部分:普通式绕包装置
Adaptable units for general use of wire and cable machineryLapperPart2:Normaltypetapinghead
2013-12-31发布
2014-07-01实施
中华人民共和国工业和信息化部发布前言
2规范性引用文件
3术语和定义,
4型号和型式
4.1型号
4.2型式.
6尺寸
旋转体结构尺寸
带盘夹尺寸
普通式绕包装置的型式
旋转体结构尺寸
带盘夹尺寸
普通式绕包装置的规格和参数
旋转体结构尺寸
带盘夹尺寸
JB/T4033.2—2013
JB/T4033.2-—2013
绕包装置》拟分为以下几个部分:JB/T4033《电缆设备通用部件此内容来自标准下载网
第1部分:基本技术要求:
第2部分:普通式绕包装置:
一第3部分:平面式绕包装置:
第4部分:半切线式绕包装置:
第6部分:切线式绕包装置:
第7部分:间心式绕包装置。
本部分为JB/T4033的第2部分。
本部分按照GB/T1.1—2009给出的规则起草。本部分代替JB/T4033.4一1999《电缆设备通用部件绕包装置第4部分:布带绕包装置》,与JB/T4033.4—1999相比主要技术变化如下:—修改了标准的名称:
修改了标准的范围(见第1章,1999年版的第1章);修改了该绕包装置型号的表述(见4.1,1999年版的3.1);修改了该绕包装置的规格和参数表《见表1,1999年版的表1);增加了该绕包装置的规格(见表1、表2和表3,1999年版的表1、表2和表3):删除了“使用特性”,将其内容并入“范用”中(见第1章,1999年版的第1章和第6章)。本部分由中国机械工业联合会提出。本部分由全国电线电缆标准化技术委员会(SAC/TC213)归口。本部分负责起草单位:上海电缆研究所。本部分参加起草单位:合肥神马科技股份有限公司、江苏苏阳电工机械有限公司。本部分主要起草人:唐远蓓、岳光明、张江。本部分所代替标准的历次版本发布情况为:JB/T4033.4—1985,JB/T4033.4—1999。1范围
电缆设备通用部件绕包装置
第2部分:普通式绕包装置
JB4033的本部分规定了普通式绕包装置的型式尺和技术要求。本部分适用正绕包布带、塑料带、云母带等的非金属带绕包装置。2规范性引用文件
JB/T4033.22013
下列文件对于本文件的应用是必不可少的。凡是注日期的引用文件,仅注日期的版本适用于本文件。凡是不注日期的引用文件,其最新版本(包括所有的修改单)适用于本文件。GB/T2900.40电工名词术语电线电缆专用设备3术语和定义
GB/T2900.40界定的术语和定义适用丁本文件。4型号和型式
4.1型号
普通式绕包装置的型号为:TRAF。4.2型式
普通式绕包装置的型式如图1所示。0
图1善通式绕包装置的型式
JB/T4033.2—2013
5规格
普通式绕包装置的规格和参数应符合表1的规定。表1
普通式绕包装置的规格和参数
带盘直径d
旋转体结构尺寸
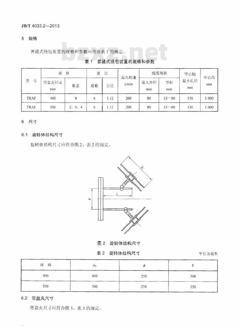
旋转体结构尺寸应符合图2、表2的规定。最高转速
图2旋转体结构尺寸
表2旋转体结构尺寸
6.2带盘夹尺寸
带盘夹尺寸应符合图3、表3的规定。2
线缆规格
最人外欲
空心轴
最小孔径
中心商
单位为毫米
图3带盘夹尺寸
带盘夹尺寸
JB/T4033.2-2013
单位为毫米
小提示:此标准内容仅展示完整标准里的部分截取内容,若需要完整标准请到上方自行免费下载完整标准文档。
备案号:44328-2014
中华人民共和国机械行业标准
JB/T4033.2—2013
代替JB/T4033.4--1999
电缆设备通用部件
绕包装置
第2部分:普通式绕包装置
Adaptable units for general use of wire and cable machineryLapperPart2:Normaltypetapinghead
2013-12-31发布
2014-07-01实施
中华人民共和国工业和信息化部发布前言
2规范性引用文件
3术语和定义,
4型号和型式
4.1型号
4.2型式.
6尺寸
旋转体结构尺寸
带盘夹尺寸
普通式绕包装置的型式
旋转体结构尺寸
带盘夹尺寸
普通式绕包装置的规格和参数
旋转体结构尺寸
带盘夹尺寸
JB/T4033.2—2013
JB/T4033.2-—2013
绕包装置》拟分为以下几个部分:JB/T4033《电缆设备通用部件此内容来自标准下载网
第1部分:基本技术要求:
第2部分:普通式绕包装置:
一第3部分:平面式绕包装置:
第4部分:半切线式绕包装置:
第6部分:切线式绕包装置:
第7部分:间心式绕包装置。
本部分为JB/T4033的第2部分。
本部分按照GB/T1.1—2009给出的规则起草。本部分代替JB/T4033.4一1999《电缆设备通用部件绕包装置第4部分:布带绕包装置》,与JB/T4033.4—1999相比主要技术变化如下:—修改了标准的名称:
修改了标准的范围(见第1章,1999年版的第1章);修改了该绕包装置型号的表述(见4.1,1999年版的3.1);修改了该绕包装置的规格和参数表《见表1,1999年版的表1);增加了该绕包装置的规格(见表1、表2和表3,1999年版的表1、表2和表3):删除了“使用特性”,将其内容并入“范用”中(见第1章,1999年版的第1章和第6章)。本部分由中国机械工业联合会提出。本部分由全国电线电缆标准化技术委员会(SAC/TC213)归口。本部分负责起草单位:上海电缆研究所。本部分参加起草单位:合肥神马科技股份有限公司、江苏苏阳电工机械有限公司。本部分主要起草人:唐远蓓、岳光明、张江。本部分所代替标准的历次版本发布情况为:JB/T4033.4—1985,JB/T4033.4—1999。1范围
电缆设备通用部件绕包装置
第2部分:普通式绕包装置
JB4033的本部分规定了普通式绕包装置的型式尺和技术要求。本部分适用正绕包布带、塑料带、云母带等的非金属带绕包装置。2规范性引用文件
JB/T4033.22013
下列文件对于本文件的应用是必不可少的。凡是注日期的引用文件,仅注日期的版本适用于本文件。凡是不注日期的引用文件,其最新版本(包括所有的修改单)适用于本文件。GB/T2900.40电工名词术语电线电缆专用设备3术语和定义
GB/T2900.40界定的术语和定义适用丁本文件。4型号和型式
4.1型号
普通式绕包装置的型号为:TRAF。4.2型式
普通式绕包装置的型式如图1所示。0
图1善通式绕包装置的型式
JB/T4033.2—2013
5规格
普通式绕包装置的规格和参数应符合表1的规定。表1
普通式绕包装置的规格和参数
带盘直径d
旋转体结构尺寸
旋转体结构尺寸应符合图2、表2的规定。最高转速
图2旋转体结构尺寸
表2旋转体结构尺寸
6.2带盘夹尺寸
带盘夹尺寸应符合图3、表3的规定。2
线缆规格
最人外欲
空心轴
最小孔径
中心商
单位为毫米
图3带盘夹尺寸
带盘夹尺寸
JB/T4033.2-2013
单位为毫米
小提示:此标准内容仅展示完整标准里的部分截取内容,若需要完整标准请到上方自行免费下载完整标准文档。
标准图片预览:





- 热门标准
- 行业标准
- JB/T7895-2008 永磁筒式磁选机
- JB/T10288-2001 连栋温室结构
- JB/T10056-1999 直流电流互感器 技术条件
- JB/T2756-2006 无轨电车用炭滑块
- JB/T3411.50-1999 两爪顶拔器 尺寸
- JB/T8679-2008 炭弧气刨炭棒 物理及使用性能试验方法
- JB/T7140.1-1993 牲畜药浴机械 型式与基本参数
- JB/T9933.2-1999 小模数齿轮滚齿机 精度检验
- JB/T20086-2006 药用容器 料斗
- JB∕T12618-2016 家用和类似用途电器的触摸开关
- JB/T5934-1991 工程机械门锁 技术条件
- JB/T8108.2-1999 起重用短环链 用于葫芦的其他起重设备的T(8)级校准链条
- JB/T8528-1997 普通型阀门电动装置 技术条件
- JB/T9768-1999 内燃机 气缸套平台珩磨网纹 技术规范及检测方法
- JB/T5000.14-2007 重型机械通用技术条件 第14部分:铸钢件无损探伤
- 行业新闻
请牢记:“bzxz.net”即是“标准下载”四个汉字汉语拼音首字母与国际顶级域名“.net”的组合。 ©2025 标准下载网 www.bzxz.net 本站邮件:bzxznet@163.com
网站备案号:湘ICP备2025141790号-2
网站备案号:湘ICP备2025141790号-2